模拟电子技术
湖南信息职业技术学院
主讲教师:邓知辉
教师团队:共6位
《模拟电子技术》课程是电子类专业的专业基础课程,主要培养学生具备电子产品设计开发、电子信息系统集成等岗位所需的模拟单元电路的分析、设计、测试与制作调试能力。本课程拟通过“直流稳压电源的设计与仿真”、“音频放大器的制作与调试”、“信号发生器的设计与仿真”等三个案例的学习与实践。课程内容主要涉及的理论知识点主要是半导体器件、基本放大电路、功率放大电路、差分放大电路、运算放大电路、反馈放大电路、信号产生及信号变换电路、电源电路等。案例涉及的实践操作主要是模块电路的设计仿真、电路的焊接组装、电路的测调、仪器仪表工具的使用等。
2    项目一 直流稳压电源的设计与仿真
3    项目二 音频放大器的制作与调试
4    项目三 信号发生器的设计与仿真
5    课程案例库
6    “无线电调试工”技能鉴定题库
7    专升本考试
9    毕业设计讲解
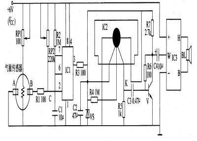
本例介绍的禁止吸烟警示器,可用于家庭居室或各种不宜吸烟的场合 (例如医院、会议室等)。当有人吸烟时,该禁止吸烟警示器会发出"请不要吸烟!"的语言警示声,提醒吸烟者自觉停止吸烟。
电路原理如图 1 所示。

图 1 禁烟警示器电路图
该禁止吸烟警示器电路由烟雾检测器、单稳态触发器、语言发生器和功率放大电路组成,烟雾检测器由电位器RP1、电阻器R1和气敏传感器组成。单稳态触发器由时基集成电路IC1、电阻器 R2、电容器 C1 和电位器 RP2 组成。语音发生器电路由语音集成电路 IC2、电阻器R3-R5、电容器 C2 和稳压二极管 VS 组成。音频功率放大电路由晶体管 V、升压功放模块IC3、电阻器 R6、R7、电容器 C3、C4 和扬声器 BL 组成。
气敏传感器末检测到烟雾时,其 A、B 两端之司的阻值较大,IC1 的 2 脚为高电平(高于2Vcc/3),3 脚输出低电平,语音发生器电路和音频功率放大电路不工作,BL 不发声。
在有人吸烟、气敏传感器检测到烟雾时,其 A、B 两端之司的电阻值变小,使 IC1 的 2脚电压下降,当该脚电压下降至 VCC/3 时,单稳态触发器翻转,IC1 的 3 脚由低电平变为高电平,该高电平经 R3 限流、C2 滤波及 VS 稳压后,产生 4,2V 直流电压,供给语音集成电路 IC2 和晶体臂。IC2 通电工作后输出语音电信号,该电信号经 V 和 IC3 放大后,推动BL 发出"请不要吸烟!"的语音警告声。
Rl-R7 选用 1/4W 碳膜电阻器或金属膜电阻器。RP1 和 RP2 可选用小型线性电位器或可变电阻器。C1、C2 和 C4 均选用耐压值为 l6V 的铝电解电容器;C3 选用独石电容器。VS选用 1/2W、4·2V 的硅稳压二极管。V 选用 S9013 或 C8050 型硅 NPN 晶体管。IC1 选用 NE555型时基集成电路;IC2 选用内储“请不要吸烟!”语音信息的语音集成电路;lC3 选用 WVH68型升压功放厚模集成电路。BL 选用 8Ω、1-3W 的电动式扬声器。气敏传感器选用 MQK-2型传感器。
该禁止吸烟警示器,可以作为烟雾报警器来检测火灾或用作有害气体、可燃气体的检测报警。调整 RP1 的阻值,可改变气敏传感器的加热电流 (一般为 13OmA 左右)。调整 RP2的阻值,可改变单稳态触发器电路动作的灵敏度。
职称:副教授
单位:湖南信息职业技术学院
部门:电子工程学院
邓知辉(1981.01—),男,汉族,湖南新田人,中共党员,硕士,副教授。湖南省电子学会党支部书记、常务副秘书长,湖南省政府采购专家库专家,湖南省职业院校技能竞赛评委,长沙市职成教育专家库专家,长沙市创业服务咨询团专家。研究方向:智能控制与机器人技术应用。主持教育厅课题3项,人社厅课题1项,参与省级以上课题20余项;获专利(含发明、实用新型、计算机软件著作权等)20余项;发表论文10余篇,主编或参编教材5部;指导学生参加各类技能竞赛项目共获得全国一、二等奖以上达30余人次,多次获学校技能竞赛工作“突出贡献奖”。
职称:教授
单位:湖南信息职业技术学院
部门:电子工程学院
朱运航,硕士,教授,湖南省电子信息工程技术专业带头人。主要研究方向:集成电路设计及信息处理。主持省级课题两项,获发明专利一项,计算机软件著作权10余项,发表EI源刊及检索论文7篇,其它公开论文20余篇。多次担任全国职业技能大赛及湖南省职业技能大赛电子装调项目的命题专家及裁判,同时指导学生参加中国机器人大赛多次获奖。
职称:讲师
单位:湖南信息职业技术学院
部门:电子工程学院
申丹丹(1987.10-),女,汉,中共党员,工学硕士,讲师。研究方向:信号处理、通信技术。2016年指导学生荣获2016届中国教育机器人大赛二等奖;2017年湖南省职业院校技能竞赛教师职业能力课堂教学二等奖;2019年湖南省职业院校技能竞赛教师职业能力课堂教学三等奖;2019年指导学生荣获湖南省职业院校技能大赛三等奖。
职称:讲师
单位:湖南信息职业技术学院
部门:电子工程学院
张颖(1988-),女,汉族,中共党员,工学硕士,讲师,主要研究方向:图像处理技术。参与省级以上项目4项;参与相关专业课程的教学工作以及竞赛指导工作。指导学生参与互联网+创新创业大赛,获得校级二等奖1项;获得“湖南省信息化教学大赛二等奖”1项。
课程导学
课程导学
课程导学
课程导学
课程导学
0 课程介绍.mp4
0 课程介绍.pptx
课程简介
课程简介
课程考核
课程考核
课程考核
1.0 直流稳压电源项目描述.pdf
项目导学
1.0 直流稳压电源项目描述.pptx
项目导学
电源,工作生活都离不开的东西.mp4
1.0 项目描述.mp4
项目导学
项目导学
项目导学
项目导学
项目导学
项目导学
项目导学
半导体二极管
半导体二极管
半导体二极管
半导体二极管
半导体二极管
半导体二极管
半导体二极管
半导体二极管
半导体二极管
半导体二极管
半导体二极管
半导体二极管
半导体二极管
半导体二极管
半导体二极管
二极管限幅器.mp4
波形限幅器.mp4
电压倍压器.mp4
电压倍压器2.mp4
尖峰发生器.mp4
稳压二极管.mp4
1.1.1半导体的基本知识(1).mp4
1.1.2半导体二极管.mp4
1.1.3特殊二极管.mp4
1.1.4 特种半导体器件.mp4
半导体二极管
1.1 半导体二极管.pdf
1.1 半导体二极管.pptx
半导体二极管
半导体二极管
半导体二极管
半导体三极管
半导体三极管
半导体三极管
1.2 半导体三极管.pdf
1.2 半导体三极管.pptx
半导体三极管
半导体三极管
半导体三极管
共射放大电流仿真波形.mp4
射极输出器波形.mp4
1.2.1三极管的结构与符号.mp4
1.2.2三极管的特性曲线.mp4
1.2.3 三极管基本放大电路.mp4
半导体三极管
1.3 场效应晶体管
场效应晶体管
场效应晶体管
1.3 场效应管.pdf
1.3 场效应晶体管.pptx
场效应晶体管
场效应晶体管
场效应晶体管
1.3.1 结型场效应管.mp4
1.3.2 绝缘栅型场效应管.mp4
场效应晶体管
1.4.1 整流电路及工作原理.mp4
1.4.2 整流电路仿真.mp4
整流电路
整流电路
1.4 整流电路.pptx
整流电路
整流电路
整流电路
1.4 整流电路
整流电路
8-滤波电路的制作与测试.mp4
滤波电路
滤波电路
1.5 滤波电路.pptx
滤波电路
1.4 滤波电路.pdf
滤波电路
滤波电路
1.4 滤波电路
滤波电路
9-直流稳压电路的制作与调试.mp4
稳压电路
稳压电路
稳压电路
1.6 串联型晶体管稳压电路.pptx
稳压电路
1.5 串联型晶体管稳压电路.pdf
稳压电路
稳压电路
1.5 稳压电路
稳压电路
电子演练场
Multisim14.0的基本使用.mp4
串联直流稳压电源的设计与仿真
Multisim基本分析方法.pdf
串联直流稳压电源的设计与仿真
1.6.1 整流电路Multisim仿真.pdf
1.6.2 直流稳压电源Multisim仿真.pdf
1.6.3 串联型晶体管稳压电源Multisim仿真.pdf
串联直流稳压电源的设计与仿真
下载并安装Multisim14仿真软件
串联直流稳压电源的设计与仿真
Multisim14.0软件的安装.mp4
Multisim安装教程.pdf
串联直流稳压电源的设计与仿真
2-电子焊接技术.mp4
手工焊接工具之电烙铁.mp4
数字万用表的使用.mp4
示波器的使用方法.mp4
信号发生器的使用.mp4
1.7 直流稳压电源的制作与调试.pptx
串联直流稳压电源的制作与调试
2.7.1 常用工具的使用
2.7.2 常用仪器的使用
串联直流稳压电源的制作与调试
串联直流稳压电源的制作与调试
判断三极管处于饱和状态的几种方法
判断三极管处于饱和状态的几种方法
判断三极管处于饱和状态的几种方法
阻容降压所不为人知的秘密
阻容降压所不为人知的秘密
阻容降压所不为人知的秘密
阻容降压所不为人知的秘密
阻容降压所不为人知的秘密
阻容降压所不为人知的秘密
阻容降压所不为人知的秘密
阻容降压所不为人知的秘密
常用的防反接电路
常用的防反接电路
常用的防反接电路
常用的防反接电路
直流稳压电源
任务实践
任务实践
任务实践
任务实践
任务实践
任务实践
任务实践
任务实践
任务实践
任务实践
任务实践
任务实践
任务实践
任务实践
任务实践
项目导学
2.0 音频放大器项目描述.pptx
项目导学
音频放大器项目描述.mp4
项目导学
10-放大器基本知识.mp4
共射放大电路
2.1 共射放大电路.pptx
共射放大电路
2.1 共射放大电路.pdf
共射放大电路
共射放大电路
共射放大电路——选择题
共射放大电路——填空题
共射放大电路——计算题
共射放大电路
12-基本放大电路的工作过程.mp4
共射放大电路
共集放大电路
2.2 共集放大电路.mp4
共集放大电路
2.2 共集放大电路.pptx
共集放大电路
2.2 共集电极电路.pdf
共集放大电路
共集放大电路
共集放大电路
共集放大电路
场效应管放大电路
2.3 场效应管放大电路.pptx
场效应管放大电路
场效应管放大电路
场效应管放大电路
2.3.1 结型场效应管放大电路.mp4
2.3.2 场效应管分压偏置电路.mp4
2.3.3 共源放大电路.mp4
2.3.4 共源放大电路仿真.mp4
2.3.5 共漏放大电路.mp4
2.3.6 共漏极放大电路仿真.mp4
场效应管放大电路
多级放大电路
2.4.1 多级放大电路—直接耦合.mp4
2.4.2 多级放大电路—阻容、变压器耦合.mp4
多级放大电路
2.4 多级放大器.pptx
多级放大电路
2.4 多级放大电路.pdf
多级放大电路
多级放大电路
2.4 多级放大电路
多级放大电路
功率放大电路
14-功率放大基础知识.mp4
15-OTL功率放大器.mp4
功率放大电路
2.5 功率放大电路.pptx
功率放大电路
2.5 功率放大电路.pdf
功率放大电路
2.5 功率放大电路
功率放大电路
差分放大电路
2.6 差分放大电路...pptx
差分放大电路
2.6 差分放大电路.pdf
差分放大电路
2.6 差分放大电路
差分放大电路
2.6 差分放大电路.mp4
差分放大电路
2.7 音频放大器的制作与调试.pdf
电子演练场
电子演练场
数字示波器的使用.mp4
信号发生器的使用方法.mp4
3.3.1 常用仪器的使用
常用工具和仪器仪表使用
常用工具和仪器仪表使用
热风枪的使用.mp4
数字示波器的使用.mp4
3.3.1常用工具的使用
常用工具和仪器仪表使用
常用工具和仪器仪表使用
16-制作与测试简易音频功放.mp4
音频放大器的制作与调试
电子发烧友
电子发烧友
电子发烧友
电子发烧友
电子发烧友
电子发烧友
音频放大电路
章节测验
项目导学
3.0 信号发生器项目描述.pdf
3.0 信号发生器项目描述.pptx
项目导学
项目导学
项目导学
3.1 集成运算放大器.mp4
集成运放及其应用
集成运放及其应用
集成运放及其应用
3.1 集成运算放大器.pdf
3.1 集成运算放大器及其应用.pptx
集成运放及其应用
集成运放及其应用
集成运放及其应用
13-负反馈放大电路的制作与调试.mp4
负反馈放大电路的作用(1)——减小非线性失真0.mp4
负反馈放大电路的作用(2)——提高放大倍数的稳定性0.mp4
反馈电路
反馈电路
反馈电路
反馈电路
3.2 负反馈电路.pdf
3.2 反馈电路.pptx
反馈电路
反馈电路
反馈电路
23-周期性信号及振荡电路基础知识.mp4
19-各种振荡电路的介绍.mp4
21-调试RC正弦波振荡器.mp4
不稳Multivib.mp4
单稳态Multivib(一次性).mp4
双稳态Multivib(触发器).mp4
正弦波振荡电路
3.3 正弦波振荡电路.pdf
3.3 正弦波振荡电路.pptx
正弦波振荡电路
正弦波振荡电路
正弦波振荡电路
电子演练场
3.4 信号发生器的分析与仿真.pptx
信号发生器的仿真分与析
3.4 信号发生器的分析与仿真.pptx
信号发生器的仿真分与析
22-制作RC正弦波振荡电路.mp4
信号发生器的制作与调试
3.5 信号发生器的制作与调试.pptx
信号发生器的制作与调试
3.5 信号发生器的制作与调试.pptx
信号发生器的制作与调试
信号发生器的制作与调试
NE555经典应用电路图(1).doc
电子发烧友
信号发生器
章节测验
17-制作与调试延时电路.mp4
常用模电-电路图-解析.doc
案例1:延时电路的制作与调试
案例1:延时电路的制作与调试
20-双音门铃制作月调试_0.mp4
案例2:双音门铃的制作与调试
案例2:双音门铃的制作与调试
实例详解1:简单电感量测量装置
实例详解1:简单电感量测量装置
实例详解2:三位数字显示电容测试表
实例详解2:三位数字显示电容测试表
实例详解3:市电电压双向越限报警保护器
实例详解4:红外线探测防盗报警器
实例详解5:禁烟警示器
实例详解6:基于555 定时器的简易温度控制器
实例详解7:高保真 BTL 功率放大器
实例详解8:采用 555 时基电路的自动温度控制器
竞品机器电源电路
竞品机器电源电路
竞品机器电源电路
竞品机器电源电路
竞品机器电源电路
竞品机器电源电路
竞品机器电源电路
竞品机器电源电路
0 考试大纲介绍.pptx
考试简介
大纲介绍及教学安排 .mp4
考试简介
考试简介
考试简介
考试简介
考试简介
考试简介
2021年吉首大学《电子技术基础》考核大纲.doc
2021年湖南工学院《模拟电子技术》考试大纲.doc
2021年湖南人文科技学院《电子技术基础》专升本考试大纲.doc
2021年湖南师范大学树达学院《模拟电子技术》考试大纲.doc
1.1 半导体二极管习题(答案).pdf
1.2 半导体三极管练习(答案).pdf
1.3 场效应晶体管习题(答案).pdf
2.1 共射放大电路习题(答案).pdf
2.2 共集放大电路习题(答案).pdf
2.3 场效应管放大电路习题(答案)1.pdf
2.3 场效应管放大电路习题(答案)2(1).pdf
2.4 多级放大电路习题(答案).pdf
2.5 功率放大电路习题(答案).pdf
2.6 差分放大电路习题(答案).pdf
(完整版)模拟电子技术练习题(专升本).docx
2023年上期《模拟电子技术》课程实施方案.doc
教学资料
1-4 2022级《模拟电子技术》课程标准(4).docx
教学资料
2023年上期《模拟电子技术》教学任务书.docx
教学资料
1.常用电子元器件介绍.pptx
3.万用板手工焊装调.pptx
2.电路的焊接组装与调试.pptx
拓展资料
拓展资料
拓展资料
毕业设计任务书(模板).docx
毕业设计成果报告(模板).docx
毕业设计指导记录.docx
毕业设计答辩及成绩评定表(1).docx
任务书讲解视频.mp4
成果报告书视频.mp4
京ICP备10040544号-2
京公网安备 11010802021885号