知识目标:
1、能描述长征5号火箭产品结构特点及特征。
2、能说出拉伸特征扩展应用的参数选项功能(矢量方向、结束方式)。
3、能说明圆锥特征的关键原理及圆锥/圆台特征创建的步骤和条件。
技能目标:
1、能根据长征5号火箭图纸和实物图片准确分析产品结构特征。
2、能使用草图的曲线及约束工具完成长征5号各特征轮廓线的创建。
3、能使用旋转、拉伸、圆锥、阵列特征、文字等工具完成长征5号火箭外型特征的创建。
思政目标:
1、能根据工作任务要求进行任务分析,养成细致分析的职业习惯。
2、能坚持独立完成长征5号火箭的三维设计任务,树立吃苦耐劳的劳动精神。
3、能阅读交流长征5号火箭设计与制造流程的相关素材,熟知我国航天科技发展伟大历程,感悟“航天精神”。

任务背景:
航空航天技术的发展对国家具有重大意义。探索浩瀚宇宙,发展航天事业,建设航天强国,是中国人民不懈追求的航天梦。航天科技代表着一个国家科技的最高水平,而运载火箭是将航天器送入太空轨道的重要运输工具,因此火箭技术已经成为一个国家航天技术的重要基础。
中国最大推力新一代运载火箭长征五号2016年研制成功,标志着中国运载火箭实现升级换代,是由航天大国迈向航天强国的关键一步,使中国运载火箭低轨和高轨的运载能力均跃升至世界前列。长征五号作为我国运载火箭升级换代的里程碑工程,是我国全新研制的一型大推力、高可靠、无毒无污染新一代运载火箭,也是我国起飞规模最大、运载能力最大、技术跨度最大的一型运载火箭。
1、长征五号概况
长征五号(英语:Long March 5,缩写:CZ-5)运载火箭,又称“大火箭”“胖五”,作为中国运载火箭家族中的“巨无霸”,长征五号总长约57米,堪比20层楼高,起飞质量约870吨,“腰围”也更大,芯级直径达5米,助推器直径和我国现役火箭箭体最大直径一样大,为3.35米。
为避免火箭系列间运载能力交叉重叠,长征五号系列的优先发展型号由2006年时的基本型构型D转变为近地轨道、地球同步转移轨道运力最强的两种型号:构型B和构型E。2011年左右,二者分别被命名为“长征五号B”和“长征五号”
图1 长征五号火箭系列型号 图2 长征五号火箭基本结构
2、研发历程
1986年,长征五号运载火箭开始前期论证和攻关;2000年—2001年,大推力发动机开始立项研制;2006年,国家正式批准立项研制长征五号运载火箭。航天科研人员“十年磨一箭”,走过了一条极为艰辛的航天科技长征路。发展的道路总是艰难险阻,据不完全统计,长征五号研制期间,累计开展7000余次、1000余项地面试验,火箭动力系统试车、模态试验、助推器分离、整流罩分离、发射场合练等多项大型地面试验,创下了我国液体运载火箭研制规模之最。长征五号全面突破了以12项重大关键技术为代表的247项关键技术,新技术比例几乎达到100%,核心技术全部实现国产化,代表着我国科技创新与工业制造的最新成就。
3、长征5号火箭结构特点
长征五号整体为回转结构,采用模块化设计,火箭各组成部分对应不同的模块:由顶至下依次为卫星整流罩、子二级(上面级)、子一级、助推器。火箭总高为56.97 m,卫星整流罩采用冯·卡门气动外形设计的12.267米长度整流罩,芯一级对应5米直径火箭芯级模块,芯二级对应5米直径火箭上面级模块,3.35米直径助推器对应3.35米直径火箭助推级模块,2.25米直径助推器对应2.25米直径火箭助推级模块。
引导问题1:
请结合任务背景及任务书,写出长征5号火箭有哪些结构特征?对应的特征工具是什么?
引导问题2:
通过对任务背景及任务书的分析,你认为该产品有哪些结构特征?对应的特征工具是什么?(可以用思维导图进行分析)

根据以上分析,你认为该产品的三维建模需要哪些步骤?请把你的计划写出来。
在做完计划之后,请严格执行工作计划,主动完成任务。在任务实施过程中,做好每个步骤的记录可以随时检查出现的问题,请根据你的实施过程填写下表。
在学习过程中可先按照工作过程的示范性操作进行训练,也可在操作过程中根据自己的具体情况参考关键步骤的做法。
表2 任务操作流程示范















知识点1:拉伸特征扩展应用
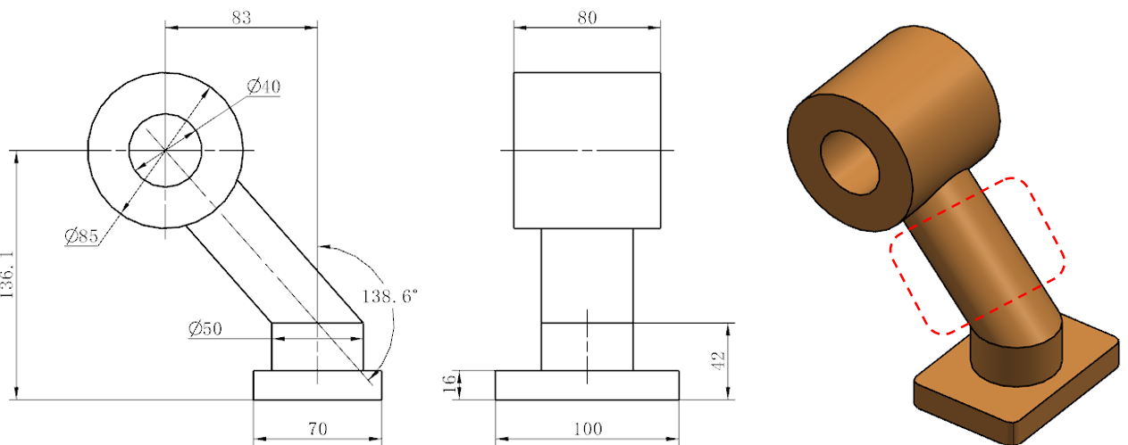
拉伸的三要素是驱动轮廓曲线、方向、及限制尺寸,通常的做法是:绘制草图(驱动轮廓曲线)→自动判断方向(垂直于草图平面)→输入拉伸开始与结束距离数值即可。但对于下图虚线框中的特征则无法用该种方法直接创建,原因是拉伸方向不垂直于草图平面,拉伸尺寸无法计算。

图2 建模案例
为解决类似上面案例的问题,我们需要进一步理解拉伸基本要素的含义:首先驱动曲线是某一个封闭区域或曲线,如果现有条件满足则可直接选取,而无需绘制草图;其次,拉伸方向除了默认的垂直草图平面,还可以通过矢量构造方式指定;最后,拉伸限制方式除了输入距离,还可以选择直至某个选定对象,这种选项适用于结束距离无法计算,但却有明确结束位置的拉伸特征。

图3 拉伸特征高级设置
>>拉伸特征高级设置视频:
知识点2:圆锥特征
(1)圆锥的几何原理
类似于圆柱,圆锥是一种典型的旋转特征,根据其几何定义:以某个直角三角形的直角边所在直线为旋转轴,其余两边旋转360度而成的曲面所围成的几何体叫做圆锥。旋转轴叫做圆锥的轴。垂直于轴的边旋转而成的曲面叫做圆锥的底面。不垂直于轴的边旋转而成的曲面叫做圆锥的侧面。而圆台是圆锥削去尖头的特殊形态,其截面是梯形。要区分圆柱、圆锥、圆台三者的异同,可以通过下表进行比较理解。
表3 圆柱、圆锥、圆台的定义区别

(2)圆锥特征的创建
根据圆锥的几何定义,NX提供了参数化的圆锥特征建模工具,其类型主要分为:直径和高度、直径和半角,这些类型的选择主要根据图纸上的标注尺寸,或测量的方式。
表4 NX圆锥特征建模类型区别

NX圆锥工具
的一般使用步骤为:选择圆锥类型à指定矢量(圆锥旋转轴)→指定圆锥中心(可以)→输入指定圆锥类型的参数值→选择布尔规则(如果无相交特征则选择无)→预览,确定生成圆锥特征。注意:如果是完整圆锥,则顶尖处的圆弧直径为0。

图4 圆锥特征创建操作
知识点3:文字曲线
文字是一种功能丰富的意义符号,在工业产品设计中文字是常用的一类设计元素,其本质可以理解为一类曲线特征,通过三维软件的文字工具可以设计出不同样式的文本,并快速将其转换成单独或模型内部的特征,从而增强产品的设计内涵。
根据文字的几何特征和位置,文字特征可分为平面文本、曲线上文本、及曲面文本,如下图所示。

图5 NX文字类型
NX文本特征工具的一般使用步骤为:指定文本创建类型à选择放置的面à指定文本放置位置→设置文本样式(字体样式)→调整文本位置大小→设置曲线连结方式及投影方式→预览并确定文字特征。
图6 文本设置窗口及操作步骤
>>曲面文字视频:
“一份耕耘、一分收获!”,相信你在前面的工作实施中付出的诸多努力,会带来丰富的收获,当然你也遇到了许多考验,请你根据下面的任务报告书呈现你的工作成果,并对工作过程中困扰你的问题(如:产品分析问题、特征操作错误等)进行总结,为下次更好的完成任务做好准备。

专业技能、职业素养和思政素质是一个人职业生涯成败的关键因素,本次工作任务的评价按照学习任务综合评价表的内容进行,请你按照表中的评价条目及标准客观地完成对自己和其他同学的任务评价。
“评价不是为了证明,而是为了改进”,希望你能通过评价发现自己的优劣势,在以后的工作中不断改进,成为“更好的自己”。

任务总结:
本次建模任务的产品对象为火箭,其外形特征主要为回转结构,基本组成是火箭主体和助推器,因此建模思路可先要先通过旋转特征工具创建主体特征,助推器利用拉伸工具创建。
另外,模型可视化效果除了添加整体的全局材料,还可以单独设置特征曲面的局部材料,最后可视化背景可通过自选的图片背景进行定制,增强场景效果。(思维导图)
你的经验总结(可在下面增加你的总结内容)
拓展任务:
“学无止境,挑战自我”,请根据本次所学知识和技能,完成相关拓展任务。
中国火箭技术的发展,除了探索太空的“长征”系列运载火箭,另一个重要的领域便是卫国神器“东风”系列导弹,其发展、创新的艰难历程映照了我国的大国崛起之路。“东风”系列导弹则中国人民解放军火箭军的主要装备,东风导弹系列包括多种型号,从近程到洲际弹道导弹,覆盖了不同的战略需求,它们在国防和战略威慑方面发挥着重要作用。
东风DF15系列是中国自主研发的一型弹道导弹,采用固体燃料发动机,可携带常规或核弹头。请结合本次任务的经验,搜集相关资料,制定工作计划,完成DF15B导弹(长:10.0米,直径:1米)的三维模型创建及可视化效果,外型可参考下图中的产品样式和规格标准,提交设计资料包括三维模型、渲染效果图、设计说明等。
图7 DF15模型参考图