课时2 直流伺服驱动系统
2.1直流电机的结构和原理
直流伺服驱动系统是数控机床上应用较早,比较成熟的位置控制系统,直流电机作为执行元件具有调速范围宽、低速性能好、过载能力强、价格适中等优点得到广泛应用。
一、直流电机的结构
结构:定子:机壳、主磁极、换向级、刷架组件和电刷、接线盒、轴承、端盖。
转子:电枢铁心、电枢绕组、换向器、转轴、轴承。
直流电机的结构如图4.21所示
作用:机壳圆柱型壳体和端盖组成,作为支撑和磁路的一部分,矽钢或硅钢片叠加。安装主磁极和换向极。主磁极铁心和励磁绕组产生主磁通,NS、NS交替主磁通,换向级安排在主磁极的几何中心线上,改善换向。电刷组件:连接电枢绕组和外电源。电枢铁心:是磁路的一部分,矽钢或硅钢片构成是磁路的一部分。电枢绕组产生电势和通过电流的,实现电能和机械能的转换。换向器:外加的直流电转变为电枢内的交流电。换向片采用耐蘑、强度高、导电好的镉铜,之间用云母等材料绝缘,转轴铁心中间起将电磁转矩传递到外拖动机械负载作用。
图4.21 直流电机的结构示意图
一、直流电机工作原理
两个定理与两个定则
1、电磁感应定理 在磁场中运动的导体将会感应电势,若磁场、导体和导体的运动方向三者互相垂直,则作用导体中感应的电势大小为e= B·l·v电势的方向用右手定则
图4.22电磁感应定理示意图
2.电磁力定律 载流导体在磁场中将会受到力的作用,若磁场与载流导体互相垂直 (见下图),作用在导体上的电磁力大小为:f = B·l·i力的方向用左手定则
图4.23电磁力定理示意图
(二)直流电动机的工作原理
1.直流电动机的原理模型图4.24
图4.24 直流电动机工作原理模型
直流电动机的工作原理:要使电枢受到一个方向不变的电磁转矩,关键在于:当线圈边在不同极性的磁极下,如何将流过线圈中的电流方向及时地加以变换, 即进行所谓“换向”。 为此必须增添一个叫做换向器的装置,换向器配合电刷可保证每个极下线圈边中电流始终是一个方向,就可以使电动机能连续的旋转,这就是直流电动机的工作原理
2.电机的可逆运行原理
从上述基本电磁情况来看:一台直流电机原则上既可以作为电动机运行,也可以作为发电机运行,这种原理在电机理论中称为可逆原理。
3.直流发电机工作原理
a、直流电势产生
用电动机拖动电枢使之逆时针方向恒速转动,线圈边 a b 和 c d 分别切割不同极性磁极下的磁力线,感应产生电动势,直流发电机的工作原理就是把电枢线圈中感应产生的交变电动势,靠换向器配合电刷的换向作用,使之从电刷端引出时变为直流电动势。
因为电刷 A 通过换向片所引出的电动势始终是切割N 极磁力线的线圈边中的电动势。所以电刷 A 始终有正极性,同样道理,电刷 B 始终有负极性。所以电刷端能引出方 向不变但大小变化的脉动电动势
b、结论:线圈内的感应电动势是一种交变电动势,而在电刷 A B 端的电动势却是直流电动势。
图4.25直流电动机工作原理示意图
一、直流电机的等效电路和相关方程式
图4.26 直流电机的等效电路
电磁转矩方程式:
电势方程式:
转子回路电压方程式 ![]()
机械特性方程式:![]()

a) 不同电压下的机械特性 b)转子回路串电阻的机械特性
图4.27 不同电压和转子回路串不同电阻的机械特性
(1)直流电机的起动特性(降压起动、串电阻起动)
(2)直流电动机的制动特性(制动过程分析)
(3)直流电机的换向特性 (换向过程、串电阻限流、先停止再换向) 。
(4)直流电动机的调速特性(降压、串电阻、弱磁三种方式)
二、调压调速
1、晶闸管(SCR)直流伺服驱动系统的调压调速
(1)、晶闸管(SCR)工作原理:

图4.28 单向SCR的工作原理图
工作原理图导通条件:SCR的阳极阴极之间必须加正向电压,且必须在控制极和阴极加触发信号,触发信号幅度大于3.6V小于5V,电流10mA内,导通后触发信号可以撤掉,直到Uak间电压为0V,才关断。
(2)整流电路
如图4.29所示为桥式整流电路,输出电压在0~0.9 U2电压可调。
图4.29单向桥式整流电路
图4.30单向半波可控整流电路0~0.45U2电压可调
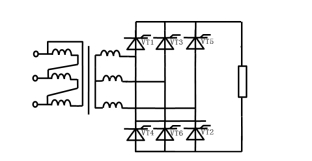
图4.31 三相全控桥式整流电路
图4.31 三相全控桥式整流电路
2.直流伺服系统的PWM调速
(1)PWM:也叫改变脉冲宽度的调制调速
利用大功率晶体管器件的开关作用,将直流电压转换成较高频率的方波电压加载直流电动机的电枢绕组上,通过对方波脉冲宽度的控制改变加载电机电枢绕组上的直流电压,从而调节电动机的转速。

图4.32 直流电机的PWM基本电路图
设大功率开关晶体管的开关频率为1000HZ,则周期是1毫秒,因为频率很高,所以用电机电枢绕组的自身电感就可以保持电流的连续性。若TS脉冲宽度在0~1毫秒之间改变,则输出电压就是0~Us之间变化可以实现直流电机的调压调速.
加VD的作用主要是起续流作用.
(2)H型主电路的几种工作方式讨论:

图4.33 H型PWM 调压调速电路
(1) 信号加在VT1、VT3:电机电流由A-B ,设电机正转,速度与所加电压的平均值有关,VT1、VT3截止时,VD2、VD4导通,释放电机电枢绕组内存储的能量,但电机中电流方向不变,使电流基本连续,电机转动比较平稳。
(2) 信号加在VT2、VT4:电机电流由B-A ,设电机反转,速度与所加电压的平均值有关,VT2、VT4截止时,VD1、VD3导通,释放电机电枢绕组内存储的能量,但电机中电流方向不变,使电流基本连续,电机转动比较平稳。
(3) 若H大功率三级管VT1、VT3;VT2、VT4加上相反的信号则电机处于动态停机动态转矩有利于电机的快速反映性。

图4.34 PWM的正、反转及调速和动态停机
特点:主电路器件少,线路简单:开关频率高、电流容易连续、低速性能好,稳速精度高、调速范围宽快速响应好,动态抗扰能力强直流电源采用三相桥式整理电路,功率因数高,对电网冲击小。应用广范。
4.3.3:直流伺服驱动信号的连接:
直流伺服驱动器的电源:触发晶闸管的同步电源是200U\200V\200W,18A 、0、18B 为带中心抽头的18V交流电源,内部电子电路的直流稳压电源输入,R、S、T是120交流主电源提供给主回路的动力电源。TOH1、TOH2为装在主回路上,过流保护用。
(4) A1,A2是直流电机电枢绕组的的外电压输入,TSA、TSB是电机测速发电机的输出反馈信号,CNC到伺服单元的信号包含:(1)控制信号VCMD GND;(0~10V)控制电机电枢电压大小和方向调速,换向;(2)联络信号:PRDY1、PRDY2:控制伺服内部电路的主电源RST的接触器是否工作,ENBL1\ENBL2:全控桥是否工作的使能信号,VRDY1\VRDY2:伺服反馈给CNC的信号正常时,导通,故障时断开,OVL1\OVL2伺服单元内部的的热保护继电器动作时该触点断开。若H大功率三级管VT1、VT3;VT2、VT4加上相反的信号则
: (1)电机处于动态停机(2)电机正转(3)电机处于反转状态。

动态转矩有利于电机的快速反映性。
特点:主电路器件少,线路简单:
开关频率高、电流容易连续、低速性能好,稳速精度高、调速范围宽
快速响应好,动态抗扰能力强直流电源采用三相桥式整理电路,功率因数高,对电网冲击小。应用广范。
4.3.3:直流伺服驱动信号的连接:
直流伺服驱动器的电源:触发晶闸管的同步电源是200U\200V\200W,18A 、0、18B 为带中心抽头的18V交流电源,内部电子电路的直流稳压电源输入,R、S、T是120交流主电源提供给主回路的动力电源。TOH1、TOH2为装在主回路上,过流保护用。
(5) A1,A2是直流电机电枢绕组的的外电压输入,TSA、TSB是电机测速发电机的输出反馈信号,CNC到伺服单元的信号包含:(1)控制信号VCMD GND;(0~10V)控制电机电枢电压大小和方向调速,换向;(2)联络信号:PRDY1、PRDY2:控制伺服内部电路的主电源RST的接触器是否工作,ENBL1\ENBL2:全控桥是否工作的使能信号,VRDY1\VRDY2:伺服反馈给CNC的信号正常时,导通,故障时断开,OVL1\OVL2伺服单元内部的的热保护继电器动作时该触点断开。若H大功率三级管VT1、VT3;VT2、VT4加上相反的信号则
: (1)电机处于动态停机(2)电机正转(3)电机处于反转状态。

动态转矩有利于电机的快速反映性。
特点:主电路器件少,线路简单:
开关频率高、电流容易连续、低速性能好,稳速精度高、调速范围宽
快速响应好,动态抗扰能力强直流电源采用三相桥式整理电路,功率因数高,对电网冲击小。应用广范。
三、直流伺服驱动信号的连接:
直流伺服驱动器的电源:触发晶闸管的同步电源是200U\200V\200W,18A、0、18B 为带中心抽头的18V交流电源作为内部电子电路的直流稳压电源输入,R、S、T是120交流主电源,提供给主回路的动力电源。TOH1、TOH2为装在伺服变压器绕组中的热保护继电器,起过热保护用。

图4.35SCR型直流伺服驱动的连接图
A1,A2是直流电机电枢绕组的外电压输入,TSA、TSB是电机测速发电机的输出反馈信号,CNC到伺服单元的信号包含:(1)控制信号VCMD GND;(-10V—0—10V)控制电机电枢电压大小和方向进行调速,换向;(2)联络信号:PRDY1、PRDY2:控制伺服内部电路的主电源RST的接触器是否工作,ENBL1\ENBL2:全控桥
是否工作的使能信号,VRDY1\VRDY2:伺服反馈给CNC的信号,正常时导通,故障时断开,OVL1\OVL2伺服单元内部的热保护继电器,动作时该触点断开。A1,A2是直流电机电枢绕组的外电压输入,TSA、TSB是电机测速发电机的输出反馈信号。
2) PWMX型直流电机驱动器简介图4.36所示。

图4.36PWM型直流电机驱动电路
RV与COM电压经过两个电位计分压输入到AI1、AI2为正、反转调速,DE 与COM接通、断开控制方向,RV连接的开关作为使能信号。正转和反转限位起到保护作用。
SW1~SW3额定电流设定,SW4堵转时间设定,SW5~SW8 为调速方式配置表。







