课时一、伺服驱动系统概述
开环步进电机驱动系统
一、伺服驱动系统概述
1.基本概念:
(1).何谓伺服及其伺服系统:伺服(Servo)又称为随动,是随指令信号的变化而动作的意思。软硬件构成的系统称为伺服系统。数控机床中的伺服系统主要是指控制各个坐标轴运动的位置随动系统。
(2).数控伺服系统的构成:CNC中的位置控制装置—伺服器驱动器—伺服电机—机械机构(同步齿型带传动—滚珠丝杠螺母副—导轨滑台副)—检测环节等。
2.数控机床对进给伺服系统的要求:
调速范围宽;负载特性硬、抗扰能力强;反应速度快、准确度高。
3.进给伺服系统的分类:
(1)开环控制系统—用步进电机作为执行元件没有位置反馈和速度反馈回路。特点:简单、经济、控制方便。
(2)半闭环控制系统—位置检测装置安装在电动机轴的一端(称为内置式编码器)或安装在滚珠丝杠的另一端,通过检测电机(或丝杠)的转角,依据丝杠螺母的传动关系,推算出螺母沿丝杠轴线的位移也就是工作台沿导轨的位移,称为半闭环控制方式。特点:精度比开环高,可以实现位置和速度反馈,但是机械传动误差(如联轴器松动、滚珠丝杠螺母副间隙、和导轨滑台副误差等会带来误差)。
(3)全闭环控制系统—如光栅尺(感应同步器)直接安装在工作台和导轨上,直接检测出工作台相对导轨的位移。特点:精度高、电气和机械传动误差都在闭环中,精度高,但价格贵,调整不方便,易产生振荡。
二、开环步进电机驱动系统
1. 开环步进电机驱动系统组成结构框图
如图4.1是开环步进电机驱动系统组成结构框图。插补后的进给脉冲和方向信号,经过步进电机伺服驱动器中的环形分配器将进给脉冲信号转变成步进电机转动定子绕组中的节拍脉冲信号,再通过功率放大器放大后驱动步进电机转动,电源是将供给的交流电转换称为直流高、中、低电压供给环形分配器和功率放大器,步进电机输出电磁转矩经过齿轮变速箱(大多采用同步齿型带传动),使负载和电机的转矩和惯量匹配,滚珠丝杠螺母副实现运动形式转换,再进过导轨滑台副拖动刀架或工作台运动。
2.步进电机
(1)步进电机定义:步进电机是一种根据定子绕组通电节拍改变而转动的机电执行元件,每当通电节拍改变一次,步进电机转动一个固定的角度,称为步进电机。
(2)步进电机的转角、转速和转向:步进电机的转角完全取决于通电节拍改变的次数,而步进电机的转速取决于通电节拍改变的快慢,其转向取决于通电节拍改变的顺序。
(3)步进电机的特点:体积小、控制方便。没有积累误差,但有振动噪声、高频易失步。
3.步进电机分类:
(1)反应式步进电机—转子和定子铁心均由硅钢片或其他软磁材料冲压叠加而成,定子安装励磁绕组可分为2、3、4、5、6相,转子圆周上均匀分布多齿,制作时定子磁极圆心角和转子的齿芯角的必须有错齿,依靠电磁吸力的作用使得转子转动。特点:结构简单、价格便宜、步距角小,精度高但励磁电流大,负载能力差,易失步和振荡。
(2)永磁式步进电机—转子改为永久磁铁,定子同样有铁心和绕组构成。因为受磁极对数限制,步距角大,精度低,但控制功率小、节能、力矩大、断电后仍有一定的保持转矩。
(3)混合式步进电机兼顾以上两者的优点。
4.反应式步进电机的工作原理

图4.2 步进电机的定子和转子结构图
图4.2是步进电机的定子和转子结构图,图中是五相绕组有10个线圈。转子圆周上分布许多齿,但分为两段,相互错开一半齿距角这是混合式步进电机的结构。
图4.3是三相反应式转子20个齿的横切图和展开图。定子六个绕组连接后,构成三相绕组空间互错60°,转子齿芯角18°,如图A相与转子齿对齐,B相相差6°错齿,C相相差12°。若A相通电改为B相通电,则转子顺时针转6°,这时C相又差6°,若定子通电顺序一次为A-B-C-A转子就转动起来。
图4.4为三相反应式转子4个齿的工作原理示意图。错齿为90°/60°=30°。反应式步进电机的步距角公式:
![]()
图4.3 反应式步进电机外形和横切面展开图
图4.4 反应式步进电机的工作原理图
定子绕组的通电方式:
单三拍:A-B-C-A;一个循环三拍与相数一致,所以K=1,稳定性差、易失步。
双三拍:AB-BC-CA-AB一个循环三拍与相数一致。所以K=1,始终有一相绕组通电,不易失步,力矩大。
单双六拍:A-AB-B-BC-C-CA-A; 一个循环六拍是相数2倍。所以K=2. 始终有一相绕组通电,不易失步,步距角小,精度提高。
4.永磁式步进电机的工作原理
永磁式步进电机的外形和定子转子结构示意图如图4.5所示,定子有8个线圈8个磁极连接成A、B两相,转子有两对磁铁组成。原理当电流由A+进入,A-出时,定子的上下磁极为S,左右N,对应的转子磁极和定子磁极吸引,这时如果改为B+进,B-出,转子顺时针转过45°。第三节拍,电流A-进,A+出,这是定子A相磁极相反左右SS。上下NN转子可以继续转动。
图4.5 永磁式步进电机及其定转子结构示意图
通电节拍为电流进入顺序A+ →B+ →A- →B- →A+一个循环四节拍,m=4,p=2
步距角公式: ![]()
5.混合式步进电机的工作原理
混合式步进电机结构如图4.6,定子结构与反应式相同,8个磁极,磁极有8个绕组,定子端面有若干小齿,转子由环形永久磁铁及两段铁心构成,环形永久磁铁在转子的中部,轴向充磁,两端铁心分别装在永久磁铁的两端,转子铁心上也有反应式步进电机转子的小齿,但两端转子铁心上的小齿互相错开半个齿距,定子转子的小齿齿距相等。
两相混合式:定子有8个磁极空间均匀分布,每个磁极上分布四个小齿,每相相邻磁极线圈绕向相反;转子有10个齿,在空间均匀分布;定子绕组通电顺序为A+ →B+→ A- →B- →A+一个循环四节拍,m=4为循环拍数,Z=10为转子的齿数。
步距角公式: ![]()

当定子的A+进A-出通电时,定子的1、5号磁极被磁化为S极,3、7被磁化为N极,根据异性相吸的原理转子的N段的1、6齿为N极,与定子的1、5相吸引,同性相互排斥,转子的3、4和9、8齿与定子的3、7齿相互相排斥而错开,但是转子的右半段S极的3、7齿刚好与定子的3、7齿对齐相互吸引,而1、10及5、6齿则与定子的1、5错开。当定子绕组通电B+进B-出通电时,定子的2、6号磁极被磁化为S极,4、8被磁化为N极,转子的N段的2、7段为N极,与定子的2、6相吸引,同性相互排斥,转子4、5和9、10齿与定子的4、8齿相互排斥而错开,其余各齿的对错情况可一次推出转子顺时针转过9°。
6. 步进电机的主要特性
(1)距角特性—步进电机每步转过的角度称为步距角![]()
(2)步距角误差
—理论步距角和实际步距角之间的误差,影响执行部件定位精度。
(3)距角特性:步进电机的平衡位置是指步进电机的某相绕组通电,转子所受合力矩为零的位置,当改变通电节拍时,步进电机转子所受电磁转矩与平衡位置的转角之间的关系称为距角特性。距角特性反映了步进电机带负载的能力。
角度
称为失调角,一个齿距角相当于360°的失调角
,如图所示,当失调角
为1/4齿距角时,电磁转矩最大。
。
图4.7 步进电机的矩角特性
(4)矩频特性:输出转矩M与运行频率f之间的关系,如图4.8 所示,随着运行频率的上升,电磁转矩呈下降,选择步进电机时要留有很大余量。

(5)运行特性:连续脉冲作用下步进电机转动角度变化情况。如图4.9
低频区、高频去、共振区。

步进电机实际走的步数少于节拍脉冲的现象称为失步。转矩不合理、负载阻力矩过大、加减速太快、或工作在共振区都会引起失步。
三.步进电机伺服驱动装置
开环步进伺服驱动系统的性能很大程度上取决于步进伺服驱动装置的性能,步进电机驱动器的组成一般包括环形分配器—功率放大器—电源三部分。

(一)、 脉冲分配器:
1. 作用:将上位机送来的连续脉冲转换为步进电机定子绕组的通电节拍信号。而且能够根据方向信号的不同改变通电节拍的顺序和节拍步数。
2. 硬件脉冲分配器:由硬件构成可以如图是单三拍A-B-C-A通电方式。
(1)用门电路和触发器构成电路分析
4.11环形分配器单三拍通电方式
表4.1三相6拍环形分配器输出真值表
脉冲 | X=1正转 | X=0反转 | |||||
A | B | C | A | B | C | ||
0 | 1 | 0 | 0 | 1 | 0 | 0 | |
1 | 1 | 1 | 0 | 1 | 0 | 1 | |
2 | 0 | 1 | 0 | 0 | 0 | 1 | |
3 | 0 | 1 | 1 | 0 | 1 | 1 | |
4 | 0 | 0 | 1 | 0 | 1 | 0 | |
5 | 1 | 0 | 1 | 1 | 1 | 0 | |
6 | 1 | 0 | 0 | 1 | 0 | 0 | |
图4.12 三相六拍环形脉冲分配器原理图
各个触发器的状态方程是如4.1式
(4.1)
根据状态方程列出的环形分配器真值表如表4.1
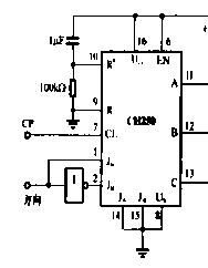
(2)专用集成电路介绍CH250
图4.13 CH250构成的单双六拍环形脉冲分配器
EN=1使能高电平有效,CL 连续脉冲输入,J6R 、J6L 方向控制信号,10 正转,01 反转,J3R,J3L;00单双六怕 01、 10 双三拍,图中连接成为单双六拍的形式。
3.软件实现:
用单片机实现:利用查表指令和延时指令可以实现。首先将单三拍、双三拍或单双六拍放在一个表格中,指定对应表格首地址和步数,用单片机的P1.0、P1.1、 P1.2作为A、B、C相的节拍信号输出,经过光电耦合电路,再经过功率放大电路驱动电机工作。
图4.15 单片机软件实现环形分配器组成框图
(二) 功率放大器:
功率放大电路的作用是提供足够幅值、前后沿较陡峭的励磁电流,功耗消耗低,效率高。运行稳定可靠, 维护方便。
1. 驱动电路的几种形式
(1)单电源串电阻驱动电路如图4.16 所示,方波控制信号经过脉冲变压器变成窄脉冲,VT导通瞬间电容电压不变现当于短路,给电机绕组提供较大电流,过渡过程完成,电阻限流,VD是续流二极管作用,VT断开时为电机绕组提供电流回路,保护VT。
4.16单电源串电阻驱动电路
(2)高低压切换型驱动电路如图4.17 所示,CP脉冲的上升沿,脉冲变压器作用,高压供电,绕组电流很快上升。之后由低压供电,电流减小节能。这样既能保持节拍变换的较大转矩,又能使电机绕组电流减小,节能。
图4.17 高低压切换电路
(3)恒流斩波型驱动电路如图4.18 所示,利用VT发射极电阻Re采样电流的变化,反馈到斩波电流,控制VT的导通与截止,从而使得电机绕组中的电流在预定值上下波动近似恒流,功率小、效率高、运行特性好。
图4.18 恒流斩波型驱动电路
(4) 分频段调压驱动电路
高频段采用较高电压、低频段采用较低电压。
(5)细分控制驱动电路
细分等分:驱动器上的开关 SW4、SW5、SW6、SW7每一种开关都有两种状态,供有16种状态,有16种细分方式,将一个步距角细分成若干等分称为细分。若输入脉冲频率是25600HZ,经过256细分后频率称为100HZ。但是步进电机运行更加平稳,振荡噪音减小,同样CP脉冲频率下,速度降低。
(6) 两项混合式功率放大器电路
图4.19两项混合式功率放大器电路
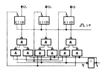
H型驱动器: TTL输入,输出可驱动46V的负载,每相电路可达2.5A。一个芯片可以驱动一台两相永磁或混合步进电机。 如图4.19所示是两项混合式功率放大器电路。 输出12和34连接两相电机的两个绕组的A+A—;B+ B- 。禁止A、B相当于使能输入端,输入1.2 和3.4反向,保持H桥臂不能同时导通,防止短路。 节拍是输入1、2、3、4应该是1000,0010,0100,0001。
图4.20 是应用电路,L297是两相4拍环形分配器,有恒流斩波功能,L298H型放大电路连接有续留二极管保护电路。

