-
1 教学设计
-
2 微课
-
3 课件
任务六 三相异步电动机的换向及制动控制
1. 教学分析 | |||||
1.1 授课信息 | |||||
教学内容 | 三相异步电动机的换向及制动控制 | 课程名称 | 电机与电气控制 | ||
授课形式 | 理实一体化 | 专业名称 | 电气自动化技术 | ||
授课对象 | 电气2401 | 授课学时 | 4课时 | ||
1.2 教学目标 | |||||
知识目标 | 能力目标 | 思政目标 | |||
1.掌握三相异步电机的制动,换向的方法与原理。
| 1.能安装简单的异步电机的控制线路,具有查找控制线路故障的初步能力。
| 1.养成认真负责的工作态度和严谨求实的工作作风; 2. 养成严格遵守劳动纪律、执行操作规程、注重安全生产和环境保护的职业操守; 3. 养成与别人和谐相处、互帮互助、团结协作的基本职业素养; 4. 培养学生愿意动脑和动手的习惯; | |||
1.3 教学重点难点 | |||||
教学重点 | 教学难点 | ||||
1.三相异步电动机的制动的基本原理 | 1.制动原理的理解 | ||||
2. 教学过程 | |||||
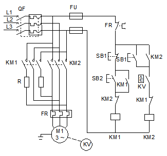
任务六 三相异步电动机的换向及制动控制 【引入】三相异步电动机如何实现换向和停止? 新课讲解 一、三相异步电动机的机械制动 机械制动即是利用机械装置使电动机在断开电源后迅速停转的制动方式。机械制动最常用的方法有电磁抱闸制动器制动和电磁离合器制动。两者的制动原理相似,控制电路也基本相同。 二、三相异步电动机的电源反接制动 电源反接制动是通过改变电动机电源的相序,使定子产生的旋转磁场的方向与转子的旋转方向相反,从而产生制动力矩的一种制动方法。应当注意的是,当电动机的转速接近于零时必须及时切断电源,否则会引起电动机反转。 电源反接制动主要采用速度继电器来控制,这种利用速度继电器发出工作状态改变命令的控制方式,称为按速度原则控制。 电源反接制动时,电动机的电流超过直接起动时的电流,电流很大。所以,当电动机容量较大时,要在定子回路中串入反接制动电阻以限制制动时的电流。 1、单向反接制动控制电路分析
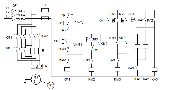
2、可逆运行反接制动控制电路分析
三、三相异步电动机的能耗制动 能耗制动是电动机脱离三相交流电源后,给定子绕组加一直流电源,以产生静止的磁场,当电动机旋转时,转子导体切割该静止磁场时产生与其旋转方向相反的力矩,从而达到制动目的的制动方法。 在主电路中,并联了整流变压器TC,将~380V电源电压降到场36V以提供整流电源,整流器接成单相桥式整流电路,利用二极管的单向导电性将交流电变成直流电,供给电机任意两相绕组作制动电流。电位器RP用以调节制动电流的大小,从而调整制动强度。
图1 按钮开关控制电动机正反转控制线路图 (a) 接触器正反转控制线路 (b) 接触器联锁的正反转控制线路 (c) 按钮、接触器复合联锁的正反转控制线路 在主电路中,并联了整流变压器TC,将~380V电源电压降到场36V以提供整流电源,整流器接成单相桥式整流电路,利用二极管的单向导电性将交流电变成直流电,供给电机任意两相绕组作制动电流。电位器RP用以调节制动电流的大小,从而调整制动强度。 【学生实践】怎样对三相异步电动机进行制动?自由讨论,小组长总结。 小结:(1)三相异步电动机制动电路的工作分析 | |||||
3.教学反思 | |||||
1.经过反复案例训练与课后拓展知识巩固相结合,有助于促进学生强化吸收,理解消化。 2.分组协同完成任务能够促进学生之间的团队合作,但针对个别基础不够扎实的学生,利用线上与线下混合答疑辅导的方式进行辅导,努力做到一起进步。 | |||||




