第六节 多闭环控制系统
上一节
下一节

多闭环控制系统
在结构上,前向通道和反馈回路构成一个闭合回路,称为一个闭环。凡是具有一个闭合回路的反馈控制系统就是单闭环或者说单回路控制系统。为了使控制品质更高,所设计的反馈回路往往不止一个,从而形成了双闭环或者说双回路,甚至使多闭环或是多回路控制系统。
多闭环控制系统与串级控制系统在系统结构上是一样的,共同特征是只有一个被调量,却有多个反馈控制回路。区别在于:串级控制系统,一定是一个又一个控制器串联起来实施控制。换句话说,每个闭环中必有一个控制器的存在。然而多闭环控制系统中,每个闭环中可含专用的控制器,也可不含。例如,增加一个微分反馈回路后的双闭环控制系统,只用了一个控制器。
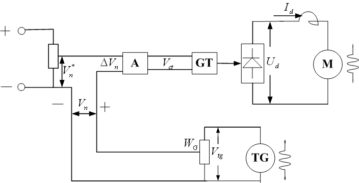
一、 单闭环电机直流调速控制系统

用机理分析建模方法建立图示调速系统中各环节的动态数学模型:




三、 三闭环直流调速系统
为进一步提高控制的及时性,在双闭环直流调速系统上还可再加入一个内环控制。就成为带电流变化率控制内环的三环直流调速系统。在这个系统中新添的调节器是ADR。ADR接受来自可控硅电流的微分信号,所以调节的主要变量是电流变化率。这样,ASR用于调节转速,ACR用于调节电流,ADR专用于调节电流变化率,三个调节器的串联起来使用,各司其职,使系统的控制作用细化和强化。从而减小了控制对象的惯性影响,及时抑制了各回路中可能出现的扰动,使控制品质比单闭环控制时大为提高。


