多缸工作回路
上一节
下一节
1、顺序动作回路

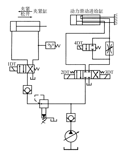
压力继电器控制的顺序回路

顺序阀控制的顺序回路

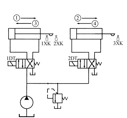
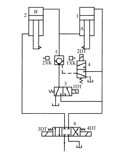
行程开关控制的顺序回路
2、同步回路

采用补偿措施的串联液压缸同步回路

调速阀控制的同步回路
目录
1、顺序动作回路

压力继电器控制的顺序回路

顺序阀控制的顺序回路

行程开关控制的顺序回路
2、同步回路

采用补偿措施的串联液压缸同步回路

调速阀控制的同步回路