暂无搜索结果
-
1 液压传动概述
-
1.1 液压传动的应用与发展
-
1.2 液压传动的工作原理及组成部分
-
1.3 液压传动的优缺点
-
2 液压流体力学基础
-
2.1 液压油
-
2.2 液体静力学
-
2.3 液体动力学
-
2.4 管路内压力损失计算
-
2.5 液体通过小孔和缝隙的流量
-
3 液压泵
-
3.1 液压泵概述
-
3.2 齿轮泵
-
3.3 叶片泵
-
3.4 柱塞泵
-
3.5 液压泵选用
-
4 液压执行元件
-
5 液压控制阀
-
5.1 液压控制阀概述
-
5.2 方向控制阀
-
5.3 压力控制阀
-
5.4 流量控制阀
-
6 液压基本回路
-
6.1 方向控制回路
-
6.2 压力控制回路
-
6.3 速度控制回路
-
6.4 多缸工作回路
-
7 典型液压系统
-
7.1 组合机床动力滑台液压系统
-
7.2 液压机液压系统
-
8 气压传动概述
-
8.1 气压传动控制系统的组成及工作原理
-
8.2 气压传动的优缺点
-
9 气动基本回路

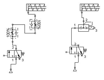
单作用气缸的速度控制回路

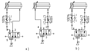
双作用气缸的速度控制回路
选择班级