一、教学设计
表1、共射极小信号放大电路性能与测试
| 教师姓名 | 李军科、陈立文、房曙光、曹钟林、程军武、童建华、冒莉 | 备注 |
| 章节名称 | 项目二 小信号基本放大电路 任务2-1 共射极小信号放大电路 | |
| 教学任务 | 共射放大电路的电路结构和工作原理;计算共射放大电路的放大倍数、输入电阻和输出电阻;测试共射放大电路的静态和动态性能指标。 | |
| 教学目标 | 1、 掌握共射放大电路的电路结构和工作原理; 2、 分析计算共射放大电路的放大倍数、输入电阻和输出电阻; 3、学会测试共射放大电路的静态和动态性能指标。 | |
| 教学策略 | 以教师为主导,学生为主体开展教学。教师演示课程PPT,并借助于multisim11电路仿真软件对小信号共射极放大电路多媒体演示。 | |
教学过程 | 教师活动: 实例导入—提出问题(小信号mv/uv级别如何才能被检测到?)—multisim11平台小信号共射极放大电路演示 ——学生仿真过程指导——板书讲解 | |
学生活动: 在教师新课导入基础上回答问题—课堂听讲——完成小信号共射极放大电路multisim11平台电路仿真。 | ||
| 资源准备:multisim11软件、PC电脑、投影、PPT课件、USB接口数字示波器、万用表、面包电路板 | ||
教学评价 | 1、知识与技能:共射极小信号放大电路各元件功能、放大倍数、输入电阻、输出电阻等测量与简单计算; | |
2、过程与方法:课堂理论讲解与实际操作、简单计算的连贯性 | ||
| 3、教学态度评价: | ||
| 说明:教学评价安排在课堂快要结束时候,以学生评价为主,讲师评价为辅 | ||
| 课程总结 | 由于小信号放大电路在实际电路设计与应用中使用比较少,本节课程讲解时主要针对放大o电路的几个概念与仪器测试方法讲解。相对前面单元难度加深。 |
二、教学内容
2.1 放大电路概述
实际中常常需要把一些微弱信号,放大到便于测量和利用的程度。例如,从收音机天线接收到的无线电信号或者从传感器得到的信号,有时只有微伏或毫伏的数量级,必须经过放大才能驱动扬声器或者进行观察、记录和控制。
所谓放大,表面上是将信号的幅度由小增大,但是,放大的实质是能量的转换,即由一个较小的输入信号控制直流电源,使之转换成交流能量输出,驱动负载。
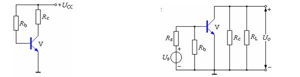
2.2 单电源共射极放大电路
以共发射极放大电路为例。放大电路的组成的原则是:
⑴为保证三极管工作在放大区,发射结必须正向偏置;集电结必须反向运用。⑵电路中应保证输入信号能加至三极管的发射结,以控制三极管的电流。同时,也要保证放大了的信号从电路中输出。耦合电容(隔直电容)的作用:使交流信号顺利通过,而无直流联系。耦合电容容量较大,一般采用电解电容器,而电解电容分正负极,接反就会损坏。
a)、直流通路与交流通路
当输入信号为零时,电路只有直流电流;当考虑信号的放大时,我们应考虑电路的交流通路。所以在分析、计算具体放大电路前,应分清放大电路的交、直流通路。由于放大电路中存在着电抗元件,所以直流通路和交流通路不相同。
直流通路:电容视为开路,电感视为短路;
交流通路:电容和电感作为电抗元件处理,一般电容按短路处理,电感按开路处理。直流电源因为其两端的电压固定不变,内阻视为零,故在画交流通路时也按短路处理。
图1、共射极放大电路直流通路 图2、共射极放大电路交流通路
直流分析:又称为静态分析,用于求出电路的直流工作状态,即基极直流电流IB;集电极直流电流IC;集电极与发射极间的直流电压UCE。
交流分析:又称为动态分析,用来求出电压放大倍数、输入电阻和输出电阻。
b)、直流静态工作点Q
图解法求Q点的步骤:
1. 在输出特性曲线所在坐标中,按直流负载线方程,作出直流负载线。 ;
2. 由基极回路求出IBQ
3. 找出这一条输出特性曲线与直流负载线的交点即为Q点。读出Q点的电流、电压即为所求。
c)共射极放大电路动态分析
我们讨论当输入端加入信号ui时,电路的工作情况。由于加进了输入信号,输入电流iB不会静止不动,而是变化的。这样三极管的工作状态将来回移动,故又将加进输入交流信号时的状态称为动态。
由于交流信号的加入,此时应按交流通路来考虑。交流负载是与
的并联。在信号的作用下。三极管的工作状态的移动不再沿直流负载线,而是按交流负载线移动。因此,分析交流信号前。应先画出交流负载线。交流负载线必通过Q点,因为当输入信号ui的瞬时值为零时,如忽略电容C1和C2的影响,则电路状态和静态相同。流负载线的斜率由交流负载决定。
c)微变等效电路
微变等电路法的基本思想是:当输入信号变化的范围很小时,可以认为三极管电压、电流变化量之间的关系基本上是线性的。即在一个很小的范围内,输入特性输出特性均可近似地看作是一段直线。因此,就可以给三极管建立一个小信号的线性模型。这就是微变等效电路。利用微变等效电路,可以将含有非线性元件(三极管)的放大电路,转化为我们熟悉的线性电路,然后,就可利用电路分析的有关方法求解。
d)共射极放大输出
ic、ib、ube三者同相,uce与它们的相位相反。即输出电压与输入电压相位是相反的,这是共发射极放大电路的特征之一。
三、教学课件
ou
四、教学案例
五、教学视频

