

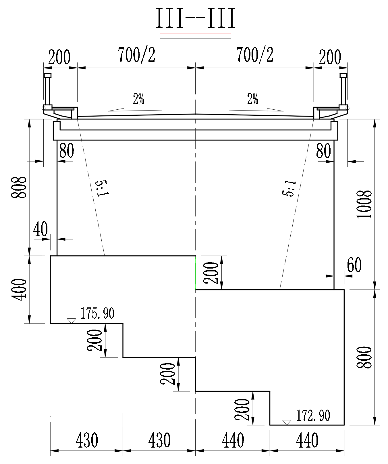
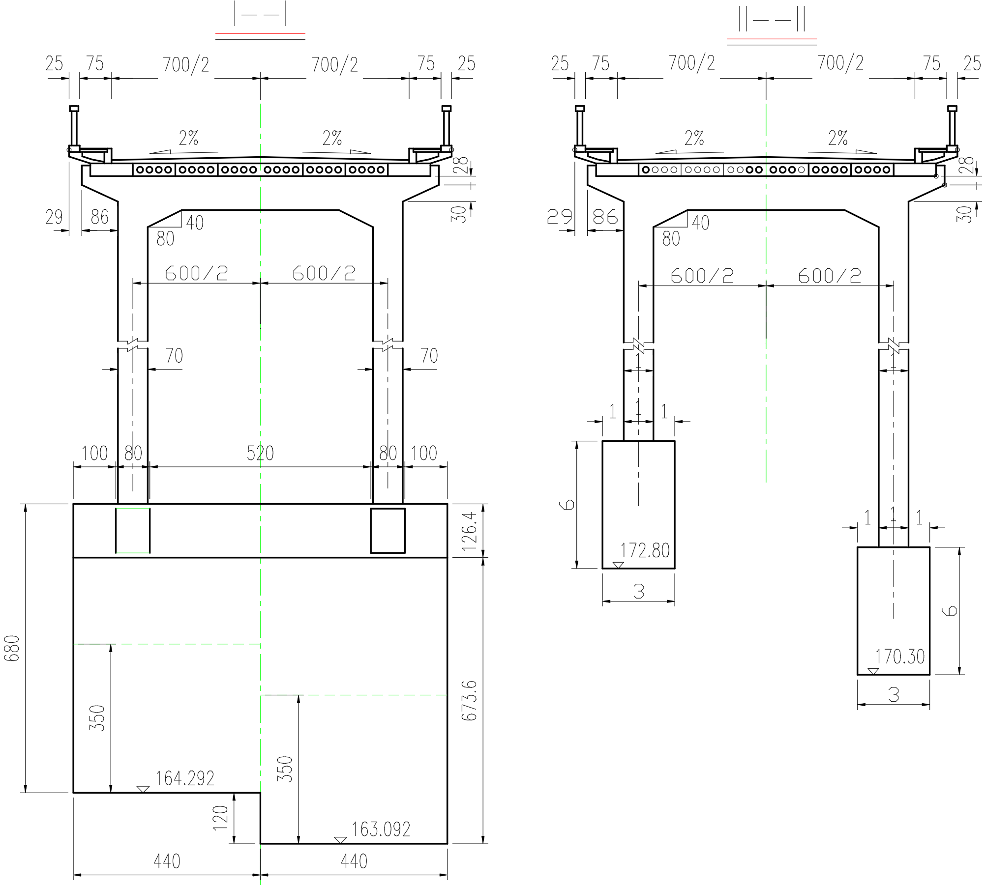
该项目介绍拱桥真实桥梁的建模流程。
理论联系实际,运用前面所学知识,才能巩固所学知识,进一步提升学生BIM建模能力。从而更好的认识自己,做好今后的职业规划,放眼世界,勇于肩负起时代赋予的责任和使命,以所学知识服务社会的大国工匠精神。



创建拱桥







自适应知识——网络资源
Revit中的自适应功能使得构件可以灵活地适应不同的个体,称之为自适应构件,用户可以利用Revit自带的“自适应公制常规模型。rft”"族样板来创建所需要的自适应族。利用Revit自适应参数化构件来创建拱桥概念模型,利用自适应构件实现多数化模型设计以及更加复杂的桥梁模型的创建
拱桥模型创建的整体思路为:
首先利用自适应点创建拱桥的主拱圈(拱肋),然后构建拱助间的横向联结系,接着创建桥面系,最后栏杆等附属设施。
1.启动revit软件,新建族-自适应公制常规模型族样板,设置项目单位为m

2.设置参照平面及相关参数
单击“创建”选项卡——“绘制”面板——“参照平面”命令,选择“拾取线”绘制方式,修改偏移量“30m”,创建前后两个参照平面;修改偏移量为"6m”,创建左右两个参照平面。
单击“绘制”面板——“参照点”命令,创建参照点,用以控制关键截面的位置。切换到为“参照标高:楼层平面”,分别在平面与平面相交的位置,以及左右两平面与中间平面相交的位置放置参照点。
设置桥长、桥宽参数。标注桥梁纵桥向半桥控制点间距(单击等分EQ标记,使两侧长度相等)及全桥控制点间距,并创建尺寸标签名称为“桥长"参数;同理,标注桥梁横桥向控制点间距,并修改标签为“桥宽"。最后,移动中间的两个控制点,给予其高度参数,以控制拱肋形状:选中中间的两个控制点,进入右立面,点击“移动”命令,将其向上移动“15m” ,并为其添加尺寸标注(标注顺序为:控制点- -中间平面一控制点,以及控制点到控制点) ,创建尺寸标签为“拱跨”。
3创建拱桥拱肋
选择“创建”选项卡——“绘制”面板——“通过点的样条曲线”命令,顺次连接单侧拱的三个参照点,完成两条参照线的创建。

创建所需要的拱肋截面:新建一个公制常规自适应族,选择“创建”选项卡——“绘制”面板——“点”命令,令,依次创建三个点,选中这三个点,单击“自适应构件”面板——“使自适应”命令,将这三个点转化为自适应点,并点击“通过点的样条曲线”命令,绘制一条通过此三点的样条曲线,选中此样条曲线,在“属性”面板中“标识数据”一栏中的“是参照线”,并勾选,使此样条曲线成为参照线:然后绘制截面,选择第一个点的垂直参照线的平面为參照平面,如图所示。

可点击[显示]命令,用以查看当前所设置的参照平面。选择[矩形]命令,并选择“在工作平面上绘制”命令,绘制一个矩形, 截面尺寸为“1mx1m”,并通过“移动”命令,将其对中到中心点上;在第二个点上重复上述操作,不同的是矩形截面尺寸为“0.5mX0.5m”;在第三个点上重复上述操作,矩形截面尺寸为“1mx1m”。完成后,按住“Ctr1”键,依次选中这三个矩形以及样条曲线,选择[创建形状]命令,创建拱肋实体。将此族文件保存,并载人之前新建的自适应族中。载人后可见鼠标光标处有-缩小版的拱肋实体(若不显示,用户可在项目浏览器中找到“族”一-栏中的“常规模型”下的“拱肋实体”,将其拖曳出来),顺次点击三个控制点,完成其中一根拱肋的创建,同理,完成另一根拱肋的创建。
接着在拱肋中心线上创建一系列参 数点,用以控制横向联结系及吊杆的安装。选中其中一根拱肋参照线,选择功能选项卡中的[分割路径]命令,在左侧属性栏中,修改固定节点数量为“24”, 同时修改拱跨尺寸为“7m”。至此,完成拱肋结构的模型搭建。
创建自适应点的步骤
1.将自由、基于主体或驱动的参照点放置在需要自适应的位置。
2.选择参照点,单击“修改|参照点”选项卡/“自适应构件”面板/使自适应,使点变成自适应点。要将该点恢复为参照点,请选择该点,然后再次点击“使自适应”。
注意:自适应点按其放置顺序进行编号。在绘图区域中单击点的编号可以进行修改,它将转换为可编辑的文本框。如果输入当前已使用的自适应点编号,这两个点的编号将互换,也可以在“属性”选项板上修改自适应点的编号。使用这些自适应点所绘制的几何图形将生成自适应构件
绘制拉伸屋顶
1.切换到立面视图、三维视图或剖面视图,单击“建筑和场地”选项卡/“设计”面板/“屋顶”下拉列表/拉伸屋顶,指定工作平面,在“屋顶参照标高和偏移”对话框中,为“标高”选择一个值。默认情况下,将选择项目中最高的标高。
2.要相对于参照标高提升或降低屋顶,需为“偏移”指定一个值,Revit Structure 以指定的偏移放置参照平面。使用参照平面,可以相对于标高控制拉伸屋顶的位置。绘制开放环形式的屋顶轮廓可使用样条曲线工具绘制屋顶轮廓,单击√确定完成编辑模式,然后打开三维视图,完成拉伸屋顶。
3.根据需要将墙附着到屋顶。创建拉伸屋顶后,可以变更屋顶主体,或编辑屋顶的工作平面。
关于创建项目样板


关于项目样板


创建样板文件的内容
一、新建专业视图项目浏览器组织框架
项目浏览器组织框架的建立,将各个专业区分开来,设置成自己方便使用的样式;
1.打开系统自带的建筑样板文件

2.设置项目参数
打开“管理”/“项目参数”,设置“主视图”、“子视图”项目参数.


3.修改楼层“文字属性”
选择任意一个楼层平面,在该楼层平面属性面板内“文字”属性栏中,输入项目包含的专业及子专业,选定设置好的楼层平面,右键重命名,可将该楼层平面名称修改为专业名称,便于理解与查找。
4.设置项目浏览器的组织框架
在项目浏览器中右击视图,选择浏览器组织,进入“浏览器组织”,“新建”视图,进入浏览器组织属性界面,设置参数,设置完成后“确定”,勾选所创建的新视图组织,点击营业与确定。


项目浏览器组织框架图

二、标高轴网的创建及族的载入
三、管道系统的创建及管道设置
1.管道系统的创建
在“项目浏览器中”打开“族”的下列列表相应专业系统,复制现有系统,进行重命名,提前将项目所需的族类型进行预设,如:管道类型.

2管道类型、尺寸的添加
(1)打开“管理”/“MEP设置”/“机械设置”工具按钮,选择“管段和尺寸”选项,新建尺寸。

(2)设置管件
打开“系统”选项卡/“管道”/按钮,点击“属性”面板“编辑类型”,进行“布管系统配置”,根据规范及项目要求,添加管段及管件信息。

四、过滤器的设置
1.打开“视图”选项卡/“可见性/图形”/按钮/“过滤器”选项,点击“添加”,在“添加过滤器”面板中,点击“编辑/新建”,新建过滤器。

2.设置过滤类别和过滤条件——对于桥架按照设备类型作为过滤类别,对于“风管系统”,系统类型作为过滤类别。

设置过滤器规则后,添加过滤器,设置系统填充样式等,过滤器添加完成后,可以通过可见性的勾选来控制当前系统的可见性。

四、视图样板的设置
打开“视图”选项卡/“视图样板”/按钮,选择“管理视图样板”选项,新建视图样板名称,设置视图属性,视图名称与视图属性中的专业要一一对应。

六.项目样板的其他设置
1.还包括族的载入(载入一些常用的族)、管线命名规则、明细表的设置(明细表字段、设置规则、排序方式定义好),这些设置内容根据企业需求,项目需求进行设置。图纸设置,制作者企业图纸,作为族保存好,以后可以一直使用。
2.DWG导出设置

创建样板文件的步骤:
Revit机电模型建模样板文件创建步骤如下:
1.新建项目 :打开Revit软件,在主页的“模型”下点击“新建”,或从功能区依次点击“文件”选项卡→“新建”(项目)。在“新建项目”对话框的“样板文件”下,点击“浏览”,选择机械样板或其他合适的系统样板,然后点击“打开”。
2.设置项目基点、单位和坐标:统一将图纸中A轴与1轴相交的点与Revit可见性(VV)场地中项目基点作为整个项目的基点。项目单位设置为毫米(mm),使用相对标高,±0.000即为坐标原点Z轴坐标点,建筑、结构、机电使用自己的相对标高,并对所有的BIM模型数据定义通用的坐标系。
3.建立轴网和标高:在样板中建立轴网和标高,要求轴网、标高名称与原设计图纸一致。
4.载入常用族:将机电专业常用的族,如各种管道管件、风管配件、电气设备、喷头、风口等族文件载入到样板中,并检查命名及族类型是否正确。
5.设置系统参数:在“管理”选项卡中,检查或修改“MEP设置”中的机械设置、电气设置等,如管材、水管升降注释尺寸、管道/风管尺寸、电压、导线尺寸、配电系统等,使之与项目所需匹配。
6.创建视图样板:点击“视图”选项卡,选择“视图样板”,从当前视图创建样板。输入样板名称,调整视图属性中的参数,如视图比例、详细程度、模型显示等。打开可见性中的过滤器进行新建过滤器,例如新建水管过滤器、风管过滤器等,从过滤器列表中筛选出相应的类别,并输入过滤条件,调整线性和填充图案。
7.添加项目参数和共享参数:根据算量和出图的标注需要,添加相应的项目参数和共享参数。
8.保存样板文件:完成上述设置后,点击“文件”选项卡,选择“另存为”,在文件类型中选择“Revit项目样板(*.rte)”,指定保存路径并输入样板文件名称,点击“保存”即可。