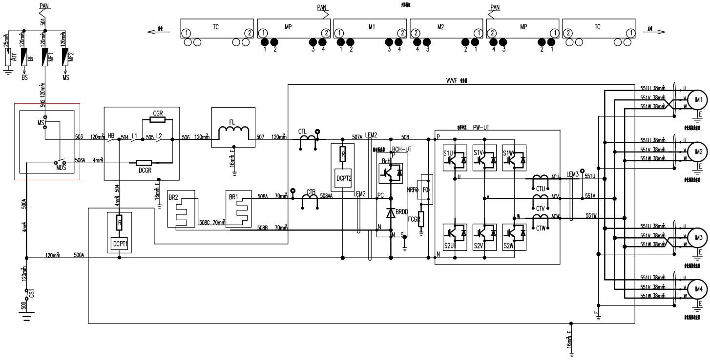
车辆电气设备
-
1 教学PPT
-
2 视频教学
-
3 拓展视频-车底电器...
-
4 素材-车底电器设备
-
5 素材-车顶电器设备
-
6 素材-车内电器设备
-
7 素材-高中压电器设备
-
8 素材-Mp车
-
9 素材-Tc车
-
10 素材-其他
上一节
下一节























































