PLC与外部设备的数据交互
上一节
下一节
二 PLC与外部设备的数据交互
1 供电电路

2 PLC输入接口电路


3 PLC输出接口电路

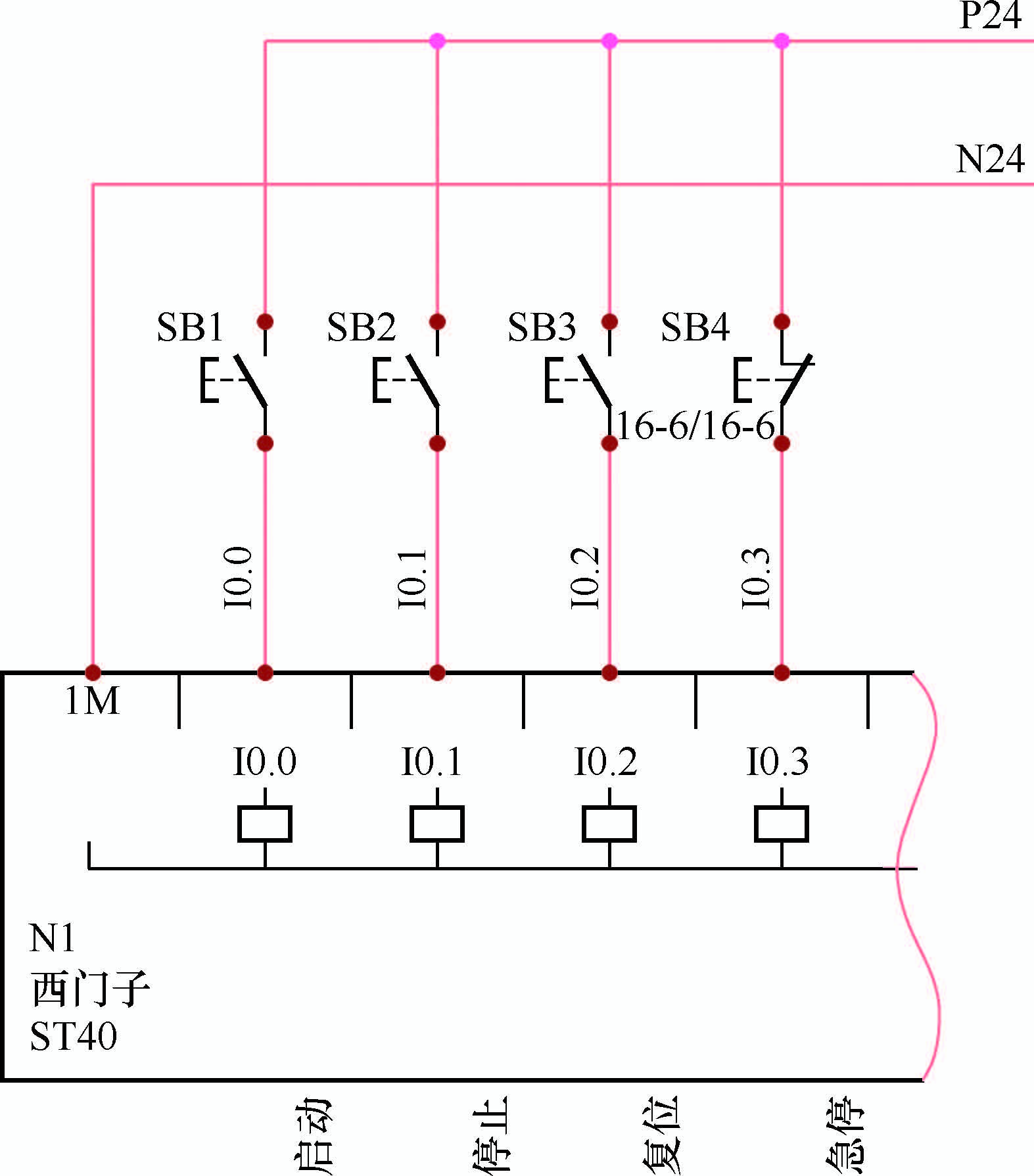
4 安全按钮与PLC的连接

目录
二 PLC与外部设备的数据交互
1 供电电路

2 PLC输入接口电路


3 PLC输出接口电路

4 安全按钮与PLC的连接
