※可编程逻辑控制器(PLC)概述※
可编程逻辑控制器(Programmable Logic Controller,PLC),一种具有微处理器的用于自动化控制的数字运算控制器,可以将控制指令随时载入内存进行储存与执行。可编程控制器由CPU、指令及数据内存、输入/输出接口、电源、数字模拟转换等功能单元组成。早期的可编程逻辑控制器只有逻辑控制的功能,所以被命名为可编程逻辑控制器,后来随着不断地发展,这些当初功能简单的计算机模块已经有了包括逻辑控制、时序控制、模拟控制、多机通信等各类功能,名称也改为可编程控制器(Programmable Controller),但是由于它的简写PC与个人电脑(Personal Computer)的简写相冲突,加上习惯的原因,人们还是经常使用可编程逻辑控制器这一称呼,并仍使用PLC这一缩写。

三菱PLC

西门子PLC
现在工业上使用的可编程逻辑控制器已经相当或接近于一台紧凑型电脑的主机,其在扩展性和可靠性方面的优势使其被广泛应用于目前的各类工业控制领域。不管是在计算机直接控制系统还是集中分散式控制系统DCS,或者现场总线控制系统FCS中,总是有各类PLC控制器的大量使用。PLC的生产厂商很多,如西门子、施耐德、三菱、台达等,几乎涉及工业自动化领域的厂商都会有其PLC产品提供。
※三菱FX2N系列PLC型号解读※
一、型号的含义
型号命名的基本格式表示如下:

(1)I/O总点数:14~256
(2)单元类型:M:表示基本单元, E:表示扩展单元及扩展 模块,EX:扩展输入单元,EY:扩展输出单元
(3)型号变化:DS:24VDC,世界型 ES:世界型(晶体管型为漏输出) ESS:世界型(晶体管型为源输出)
(4)输出形式:R:继电器输出,T:晶体管输出,S—晶闸管输出
二、FX2N系列PLC及其性能
(1)FX2系列PLC有基本单元、扩展单元、扩展模块及特殊功能单元等;
(2)FX2系列PLC的基本单元、扩展单元、扩展模块的型号规格;
(3)FX2系列PLC的性能指标。
※三菱FX2N面板解读※

一、三菱PLC指示灯判意义
(一)输入指示灯
标有“IN”标记旁边的一排指示灯为输入信号指示灯,如图3-1-3中的“⑤”,每一盏指示灯分别对应PLC的一个输入信号,当对应的输入端有信号时,该指示灯就亮,当对应的输入端无信号时,该指示灯就熄灭。
(二)输出指示灯
标有“OUT”标记旁边的一排指示灯为输出信号指示灯,如图3-1-3中的“⑩”,每一盏指示灯分别对应PLC的一个输出信号,当对应的输出端有信号输出时,该指示灯就亮,当对应的输出端无信号输出时,该指示灯就熄灭。
(三)型号标志
PLC中的“FX2N–48 M R”就是PLC的型号标记,其型号各部分的含义如下:
①为系列名称;②为输入和输出点数之和,48为24点输入24点输出;③为单元种类,M表示基本单元,E表示输入输出混合扩展模块及扩展单元,EX表示输入专用扩展模块,EY表示输出专用扩展模块;④为输出形式,R表示继电器输出,T表示晶体管输出,S表示晶闸管输出。
(四)工作状态指示灯
PLC共有四盏工作状态指示灯,标有“POWER”的指示灯为PLC电源指示灯,当PLC接通电源时,该指示灯亮;标有“RUN”的指示灯为PLC运行指示灯,当PLC处于运行状态时,该指示灯亮;标有“BATT.V”的指示灯为PLC内部锂电池欠压指示灯,当锂电池电压降低到需要更换时,该指示灯亮;标有“PROG•E”和“CPU•E”的指示灯为错误指示灯,当该指示灯闪烁时,表示内部写入PLC的程序有错误,当该指示灯常亮时,表示PLC内部CPU出错。
二、三菱PLC根据指示灯判断故障:
(一)面板上POWER灯不亮?
主机、I/O扩充机座、I/O扩充模组、特殊模组之正面均有一个 "POWER"之LED指示灯,当主机通上电源时,LED之绿色灯亮。若主机 通上电源后,此指示灯不亮,此时,请将"24+"端子之配线拔出,若指 示灯正常亮起,表示FX2之DC负载过大,此种情况下,请不要使用 FX2 "24+"端子之DC电源,请另行准备DC24V电源供应器。
若将"24+"端子之配线拔出后,指示灯仍然不亮,有可能PLC内部保险 丝己经烧断,此时请您与我们各地营业所联络,我们将儘快为您处理。
(二)POWER灯呈闪烁状态?
假若POWER灯呈闪烁状态,很有可能是"24+"端子与"COM"端子 短路,请将"24+"端子之配线拔出,若是指示灯回复正常,那请检查 您的线路。若指示灯依然闪烁,那很可能PLC内的POWER板己经故障 ,请您将该部PLC送回我们各地营业所,我们将儘快为您处理。
(三)"BATT‧V"LED灯亮
当这个红色LED灯亮时,表PLC内的锂电池寿命己经快结束了(约剩 一个月),此时请儘快更换新的锂电池,以免PLC内的程式(当使用RAM时) 自动消失。
假若更换新的锂电池之后,此LED灯仍然亮著,那很可 能此部PLC的CPU 板己经故障,请您将该部PLC送回我们各地营业所, 我们会儘快为您处理。
(四)"PROG‧E"LED灯闪烁
一般来说,当此红色LED灯闪时,大部份是程式回路不合理的情况 较多,另一原因亦有可能是参数设定出错,或者是外来之杂讯干扰导致 程式内容产生变化。若您是使用掌上型书写器(FX-20P-E)建议您检查 D8004,再依D8004的内容检查D8060~D8069,从D8060~D8069中可得 到一个数据,此为侦错号码。欲知侦错号码内容,请参阅"三菱可程式 控制器编程手册!
(五)"CPU‧E"LED灯亮
当"CPU‧E"LED灯亮时,有可能是以下几种原因所造成:
1.PLC内部有导电性的粉尘侵入;
2.PLC的扫瞄时超过100ms以上 (检查D8012即可知道最长执行时间);
3.通电中,将RAM/EPROM/EEPROM记忆卡匣拔下;
4.PLC附近有杂讯干扰;
若排除上述的问题,而"CPU‧E"LED灯仍然 亮著的话,此部PLC可能真的 故障了,建议返修。
※三菱PLC梯形图编程语言※
一、梯形图概述
梯形图(LAD, LadderLogic Programming Language)是PLC使用得最多的图形编程语言,被称为PLC的第一编程语言。
梯形图语言沿袭了继电器控制电路的形式,梯形图是在常用的继电器与接触器逻辑控制基础上简化了符号演变而来的,具有形象、直观、实用等特点,电气技术人员容易接受,是运用上最多的一种PLC的编程语言。
在PLC程序图中,左、右母线类似于继电器与接触器控制电源线,输出线圈类似于负载,输入触点类似于按钮。梯形图由若干阶级构成,自上而下排列,每个阶级起于左母线,经过触点与线圈,止于右母线,梯形图简称LAD。
二、梯形图软继电器
PLC梯形图中的某些编程元件沿用了继电器这一名称,如输入继电器、输出继电器、内部辅助继电器等,但是它们不是真实的物理继电器,而是一些存储单元(软继电器),每一软继电器与PLC存储器中映像寄存器的一个存储单元相对应。该存储单元如果为“1”状态,则表示梯形图中对应软继电器的线圈“通电”,其常开触点接通,常闭触点断开,称这种状态是该软继电器的“1”或“ON”状态。如果该存储单元为“0”状态,对应软继电器的线圈和触点的状态与上述的相反,称该软继电器为“0”或“OFF”状态。使用中也常将这些“软继电器”称为编程元件。

三、梯形图能流
如图1-1所示触点1、2接通时,有一个假想的“概念电流”或“能流”(PowerFlow)从左向右流动,这一方向与执行用户程序时的逻辑运算的顺序是一致的。能流只能从左向右流动。利用能流这一概念,可以帮助我们更好地理解和分析梯形图。图1中存在的能流有(1,2)、(1,5,4)、(3,4)和(3,5,2),为此可以将图1转化为图2。

梯形图两侧的垂直公共线称为母线(Bus bar)。在分析梯形图的逻辑关系时,为了借用继电器电路图的分析方法,可以想象左右两侧母线(左母线和右母线)之间有一个左正右负的直流电源电压,母线之间有“能流”从左向右流动。右母线可以不画出。
四、梯形图逻辑解算
根据梯形图中各触点的状态和逻辑关系,求出与图中各线圈对应的编程元件的状态,称为梯形图的逻辑解算。梯形图中逻辑解算是按从左至右、从上到下的顺序进行的。解算的结果,马上可以被后面的逻辑解算所利用。逻辑解算是根据输入映像寄存器中的值,而不是根据解算瞬时外部输入触点的状态来进行的。
五、梯形图转换步骤
将继电器电路转换为功能相同的PLC外部接线图和梯形图步骤如下:
(一)了解和熟悉被控设备的工艺过程和机械的动作情况,根据继电器电路图分析和掌握控制系统的工作原理,这样才能做到在设计和调试控制系统时心中有数。
(二)确定PLC的输入信号和输出负载,以及与它们对应的梯形图中的输入位和输出位的地址,画出PLC的外部接线图。
(三)确定与继电器电路图的中间继电器、时间继电器对应的梯形图中的位存储器(M)和定时器(T)的地址。
(四)根据上述关系画出梯形图。
※PLC输入软元件X和输出软元件Y※
一、输入继电器(X)
输入继电器是PLC中专门用来接收系统输入信号的内部虚拟继电器。它由PLC工作原理来完成继电器的功能。它在PLC内部与输入端子相连,它有无数的常开触点和常闭触点,这些动合、动断触点可在PLC编程时随意使用。这种输入继电器不能用程序驱动,只能由输入信号驱动。
FX系列PLC的输入继电器采用八进制编号。FX2N系列PLC带扩展时最多可达184点输入继电器,其编号为X0~X267。
二、输出继电器(Y)
输出继电器是PLC中专门用来将运算结果信号经输出接口电路及输出端子,送达并控制外部负载的虚拟继电器。它在PLC内部直接与输出接口电路相连,它有无数的动合触点与动断触点,这些动合与动断触点可在PLC编程时随意使用。外部输出无法直接驱动继电器,它只能用程序驱动。
FX系列PLC的输出继电器采用八进制编号。FX2N系列PLC带扩展时最多可达184点输出继电器,其编号为Y0~Y267。
※三菱PLC外围电路概述※
PLC常见的输入设备有按钮、行程开关、接近开关、转换开关、拨码器、各种传感器等,输出设备有继电器、接触器、电磁阀等。正确地连接输入和输出电路,是保证PLC安全可靠工作的前提。
一、PLC与输入设备的连接
PLC常见的输入设备有按钮、行程开关、接近开关、转换开关、拨码器、各种传感器等,输出设备有继电器、接触器、电磁阀等。正确地连接输入和输出电路,是保证PLC安全可靠工作的前提。
下图是与按钮、行程开关、转换开关等主令电器类输入设备的接线示意图。图中的PLC为直流汇点式输入,即所有输入点共用一个公共端COM,同时COM端内带有DC24V电源。若是分组式输入,也可参照下图的方法进行分组连接。

二、PLC与输出设备的连接
PLC与输出设备连接时,不同组(不同公共端)的输出点,其对应输出设备(负载)的电压类型、等级可以不同,但同组(相同公共端)的输出点,其电压类型和等级应该相同。要根据输出设备电压的类型和等级来决定是否分组连接。如图6所示以FX2N为例说明PLC与输出设备的连接方法。图中接法是输出设备具有相同电源的情况,所以各组的公共端连在一起,否则要分组连接。图中只画出Y0-Y7输出点与输出设备的连接,其它输出点的连接方法相似。

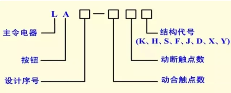
※常用电气元件——按钮开关※
一、按钮的功能
按钮是一种用人体某一部分(一般为手指或手掌)施加力而操作、并具有弹簧储能复位的控制开关,是一种最常用的主令电器。按钮的触头允许通过的电流较小,一般不超过5A。因此,一般情况下它不直接控制主电路(大电流电路)的通断,而是在控制电路(小电流电路)中发出指令信号,控制接触器、继电器等电器,再由他们去控制主电路的通断、功能转换或电器联锁。

二、按钮的结构原理与符号
按钮一般由按钮帽、复位弹簧、桥式动触头、静触头、支柱连杆及外壳等部分组成。按钮不受外力作用(即静态)时触头的分合状态,分为停止按钮(即动断按钮)、启动按钮(即动合按钮)和复合按钮(即动合、动断触头组合为一体的按钮)。

当按钮受外力作用下,触头的分合状态发生改变:

三、按钮颜色的含义

四、按钮的型号及含义

五、按钮结构形式代号
K—开启式,镶嵌在操作面板上;
H—保护式,带保护外壳,可防止内部零件受机械损伤或人偶然触及带电部分;
六、按钮的型号及含义
S—防水式,具有密封外壳,可防止雨水侵入;
F—防腐式,能防止腐蚀性气体进入;
J—紧急式,带有红色大蘑菇按钮(突出在外),做紧急切断电源用;
X—旋钮式,用旋钮旋转进行操作,有通和断两个位置;
Y—钥匙操作式,用钥匙插入进行操作,可防止误操作或供专人操作;
D—光标按钮,按钮内装有信号灯,兼做信号指示。
七、按钮的选用
1、根据使用场合和具体用途选择按钮的种类。例如,嵌装在操作面板上的按钮可选用开启式;需显示工作状态的选用光标式;需要防止人员误操作的重要场合宜用钥匙操作式;在有腐蚀性气体处要用防腐式。
2、根据工作状态指示和工作情况要求,选择按钮的颜色。例如,启动按钮可选用白、灰或黑色,优先选用白色也可以选用绿色。急停按钮应选用红色。停止按钮可选用黑、灰或白色,优先用黑色,也可以用红色。
3、根据控制回路的需要选择按钮的数量。如单联钮、双联钮和三联钮等。
八、按钮的常见故障及处理方法

※常用电气元件——继电器※
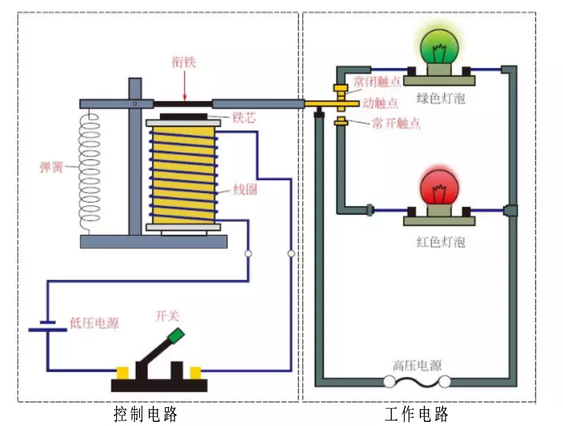
继电器是控制电路中常用的一种元件,它是利用电磁感应原理,控制某一回路的接通或断开,实现用小电流控制大电流,从而减小控制开关触点的电流负荷,保护开关触点不被烧蚀。
一、继电器的结构
电磁式继电器一般由铁芯、线圈、衔铁、回位弹簧、触点等组成。下图所示为常开、常闭混合型继电器内部结构图。

二、继电器的分类
继电器按接通及断开方式可分为常开继电器、常闭继电器,以及常开、常闭混合型继电器,常见的几种继电器如下图所示。

三、继电器的工作原理
继电器的工作原理如下图所示。当开关闭合时,线圈两端加上一定的电压,线圈中就会流过一定的电流,从而产生电磁效应,衔铁就会在电磁力吸引的作用下克服回位弹簧的拉力吸向铁芯,从而带动衔铁的动触点与静触点(常开触点)吸合,此时红色灯泡亮起。当线圈断电后,电磁的吸力也随之消失,衔铁就会在弹簧的反作用力下返回原来型的位置,使动触点与静触点(常闭触点)吸合,此时绿色灯泡亮起。这样吸合、释放,从而达到了在电路中的导通、切断的目的。
对于继电器的“常开、常闭”触点,可以这样来区分:继电器线圈未通电时处于断开状态的静触点,称为“常开触点”;处于接通状态的静触点称为“常闭触点”。继电器一般有两个电路,一个为控制电路,另一个为工作电路。

※三色警示灯※
随着科技的发展和智能制造的兴起,各行各业对设备的安全性和稳定性要求也越来越高。在机床行业中,机床三色警示灯作为一种重要的设备预警装置,起到了非常重要的作用。本文将从机床故障预警的重要性、机床三色警示灯的基本原理和功能、机床三色警示灯在设备故障预警中的具体作用等方面进行详细阐述,旨在帮助读者更深入地了解机床三色警示灯在设备故障预警中的作用。

一、机床故障预警的重要性
在机床加工过程中,设备故障不可避免地会发生。如果不能及时发现和预警这些故障,不仅会影响生产计划的执行,还会导致设备的严重损坏甚至事故的发生。而机床故障预警的目的就是在故障出现之前,通过一些特定的装置或方法,提前发现故障的迹象,以便采取相应的措施予以修复,从而保证设备的正常运行和生产的顺利进行。在机床行业中,机床三色警示灯就是一种常用的设备预警装置。
二、机床三色警示灯的基本原理和功能
机床三色警示灯是一种将红色、绿色和黄色三种颜色的灯光结合在一起的预警装置。机床三色警示灯通过发出不同颜色的灯光来传递不同的信息和信号,以实现对设备故障的预警和警示。一般情况下,红色灯光用于表示设备严重故障或停机状态,黄色灯光用于表示设备运行异常或需要注意的情况,绿色灯光用于表示设备正常运行。
机床三色警示灯具有自检、报警、状态显示和远程控制等多种功能。当设备出现故障或运行状态异常时,机床三色警示灯会自动发出相应颜色的灯光信号,并发出声响警告,以提醒操作者注意设备的运行状态。同时,机床三色警示灯还可以通过与其他设备或系统的连接,实现远程控制和监控,方便操作者进行设备状态的远程观察和控制。
三、机床三色警示灯在设备故障预警中的具体作用
1. 提高设备故障的预警能力:机床三色警示灯能够通过发出不同颜色的灯光来传递不同的预警信息,能够及时发现设备故障的迹象和异常情况。比如,当设备出现故障时,红色灯光会快速闪烁,黄色灯光会亮起,以提醒操作者设备需要停机检修。这种迅速的反应速度可以大大减少故障的扩大和损害。
2. 加快故障排除时间:机床三色警示灯能够迅速将设备故障的信息传递给操作者,使得操作者可以及时采取应对措施。通过及时处理设备故障,可以大大缩短故障排除的时间,提高设备的正常运行时间和生产效率。
3. 减少人为失误:机床三色警示灯具有直观明确的颜色和形式,能够将设备状态传达给操作者。在繁忙的工作环境中,操作者可能不具备足够的耐心和时间去观察设备的运行状态。此时,机床三色警示灯的亮灭和闪烁就起到了非常重要的作用,能够引起操作者的注意和警觉,并帮助他们准确判断设备的运行状态。
4. 降低安全风险:机床三色警示灯不仅能够及时发出故障预警信号,还能通过发出声响警告来提醒操作者。这种双重警示机制可以极大地降低设备故障的发生,减少安全风险的发生。在事故发生前,机床三色警示灯就能够及时发出警报,使得操作者可以及时躲避危险。
综上所述,机床三色警示灯在设备故障预警中发挥着重要的作用。它不仅能够实时监控设备的运行状态,及时预警并警示可能出现的故障,还能够提高操作者对设备故障的感知能力和故障处理的效率。因此,机床三色警示灯在机床行业中被广泛应用,成为一种不可或缺的设备预警装置,为设备的安全运行和生产的顺利进行提供了有力的保障。
※GX WORKS2软件操作※
GX Works2是一款三菱PLC编程软件,支持梯形图,ST,SFC等程序语言,GX Works2支持的系列PLC有QCPU,LCPU,FXCPU等(在新建工程中可以看到支持的PLC)。这里就不做更详细的介绍了。三菱PLC用到的就两款PLC编程软件GX Works2与GX Works3,两个的区别是支持的PLC不同。比如R系列PLC只能用GX Works3,Q系列只能用GX Works2。并不是说GX Works3是GX Works2的升级版,是看你用的PLC来选择用哪个编程软件。

一、软件界面介绍
在程序编辑界面中,通常包含导航窗口、程序编辑窗口、状态栏、菜单栏和工具栏。

二、新建工程
在菜单栏中依次单击“工程”——“新建”即可进入新建工程界面。

在新建工程界面中可以选择PLC的系列、机型、工程类型、程序语言以及是否使用标签等内容(本文以新建简单工程为例)。

系列和机型:根据项目实际需求选择。
工程类型:可以选择简单工程和结构工程。
程序语言:在简单工程类型下只能选择梯形图或SFC(顺序功能图)两种语言。
使用标签:使用ST语言编程时需要勾选该选项。
三、程序编辑
新建工程后会进入程序编辑界面,在该界面中可以实现对程序的编辑、修改以及监视程序的运行状态。
(一)指令输入
在GX Works2编程软件中可以使用指令表和单击工具栏中的指令按钮输入指令,其方法与仿真模拟软件FX-TRN-BEG-C中的指令输入方法相同。
(二)转换/编译程序
程序编辑完成后需要对程序进行转换/编译,否则程序无法下载。
在菜单栏中依次单击“转换/编译”——“转换”或者直接使用快捷键“F4”对程序进行转换/编译。
若转换/编译成功程序上的灰色部分会消失,若转换/编译失败则会有对应的提示框,且程序上的灰色部分不会消失,此时需要修改程序。

(三)行编辑
将编辑框移动到需要操作的行后单击鼠标右键选择“编辑”,然后根据需要选择行插入、行删除等操作。

四、注释
1)注释、声明、注解
工具栏中的三个图标分别表示对程序进行注释、声明、注解编辑。

注释:解释说明单个软元件的功能。
注解:解释说明整行程序的功能。
声明:解释说明多行(整段)程序的功能。
2)全局软元件注释
单击导航窗口中“参数”选项卡下的“全局软元件注释”进入软元件注释界面。

输入软元件名称并会车确定,对应的软元件就会出现,然后根据需要在软元件的名称后输入注释。

3)显示与隐藏注释
依次单击菜单栏中的“视图”——“注释显示”可以设置显示或隐藏注释。

4)注释格式显示
依次单击菜单栏中的“工具”——“选型”进入选型设置界面。然后再“程序编辑器”中修改注释的格式。
五、程序仿真
在没有实体PLC的情况下可以通过软件自带的仿真功能调试、验证程序。
(一)仿真模式
程序转换/编辑无误后依次单击菜单栏中的“调试”——“模拟开始/停止”或直接单击工具栏中的“电脑”图标进入仿真模式。

(二)修改单个软元件状态
将编辑框移动到需要修改的软元件上,然后右键单击选择“调试”——“当前值更改”进入更改界面。

通过单击“ON”、 "OFF”、 “ON/OFF取反"按钮调整软元件的状态。输入不同的软元件/标签可以在该界面修改多个软元件的状态。

ON:将软元件置位为ON状态;OFF:将软元件置位为OFF状态;ON/OFF取反:对软元件当前状态取反。
(三)程序写入
需要将修改后的程序下载到仿真器中时,依次单击菜单栏中的“在线”——“PLC写入”进入程序写入界面。在该界面可以根据需要勾选需要写入到PLC中的内容。
勾选完成后单击“执行”按钮开始写入程序。

六、监视
(一)开启/关闭监视
在进入仿真状态后系统会自动开启对程序的监视,也可以在菜单栏依次单击“在线”——“监视”——“开始监视”开启监视模式。在工具栏直接点击对应的快捷按钮也能实现同样的功能。在监视模式下不能修改程序,需要切换到写入模式。

(二)软元件/缓冲储存器批量监视
在菜单栏中依次单击“在线"——"监视”——“软元件/缓冲储存器批量监视”进入批量监视界面。
输入软件名称后可以在该界面对同类型软元件的值批量更改。

(三)监看
在程序编辑窗口单击鼠标“右键”,选择“登录至监看窗口"。在监看窗口中输入软元件名称后单击鼠标“右键”选择“监看开始”,在监看过程中可以通过修改当前值改变软元件的状态,监看结束后按同样步骤选择“停止监看”。
