-
1 知识讲解
-
2 任务实施
-
3 左端零件粗精加工仿真
-
4 G90指令加工演示
-
5 G94指令加工演示
-
6 小端加工视频
一、单一固定循环指令
(一)内(外)圆车削循环指令
指令格式:G90 X(U)-Z(W)-R-F-
说明: (1)X(U)-Z(W)-表示切削的终点坐标值,F-表示循环切削过程中的进 给速度。
(2)R 表示圆锥面切削的起点相对于终点的半径差(如为圆柱面,则 表示为 R0,可以省略,指令变为 G90 X(U)-Z(W)- F-)。如果切削起点的 X 向坐标小于终点的 X 向坐标,R 值为负,反之为正。
(3)圆锥切削循环中 R 在一些 FANUC 车床上,有时也用“I”来执行。
(4)G90 是模态(续效)指令。
(5)G90 指令也能切削内轮廓。

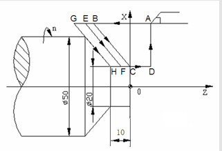
例:如图所示,对外圆柱面进行切削循环编程。
程序:
…
G00X55Z2
G90X45Z-25F0.2 A-B-C-D-A
X40 A-E-F-D-A
X35 A-G-H-D-A
例:如图所示,对外圆锥面进行切削循环编程。
程序:
……
G00X70Z2
G90X55Z-25R-5F0.2
X50
……
注意:正确选择循环起点,一般该点即是循环起点又是循环终点,宜选择离毛坯2mm左右处。

(二)端面切削循环指令
指令格式:G94X(U)-Z(W)-R-F
说明: (1)X(U)、Z(W)含义同 G90。
(2)R 为斜端面切削起点减去切削终点的 Z 坐标值。(如为平端面,则 表示为 R0,可以省略,指令变为 G94 X(U)-Z(W)- F-)。
(3)圆锥切削循环中 R 在一些 FANUC 车床上,有时也用 “K”来执行。
(4)G94 是模态(续效)指令。


例:如图2-15所示,对斜端面进行切削循环编程。
程序:…
G00X60Z2
G94X20Z0R-5F0.2 A-B-C-D-A
Z-5 A-E-F-D-A
Z-10 A-G-H-D-A…
二、内、外圆粗车切削循环指令

指令格式:
G71 U(△d)- R(e)-
G71 P(ns)- Q(nf)- U(△u)- W(△w) -F(f) -S(s) -T(t)-
说明: (1)△d——粗车背吃刀量(即切深、半径值,不带符号,模态值)。
(2)e——粗车退刀量(模态值)。
(3)ns——精加工轮廓程序段中开始程序段的段号。
(4)nf——精加工轮廓程序段中结束程序段的段号。
(5)△u——X 轴向精加工余量(直径值,外圆加工为正,内圆加工为 负)。
(6)△w——Z 轴向精加工余量。
(7)f、s、t——粗车时的 F、S、T 代码。
注意: (1)G71 粗车切削循环是复合固定循环指令,适合于轴向尺寸大于径向 尺寸的毛坯工件进行粗车循环。一般在编程时,X 向的精车余量大于 Z 向精 车余量。 实施 新授
(2)FANUC 0i T 中,G71 加工循环有两种类型,即类型 I 和类型 II。 通常在所有类型 I 的粗加工循环中,零件轮廓必须符合 X 轴、Z 轴方向同时 单调增大或单调减少的形式,否则会出现凹形轮廓一次性切削。
(3)ns→nf 程序段中的 F、S、T 功能,即使被指定也对粗车循环无效。
(4)FANUC 0i T 中 G71 加工循环,顺序号“ns ”程序段必须沿 X 向 进刀,且不应出现 Z 轴的运动指令,否则会出现程序报警。
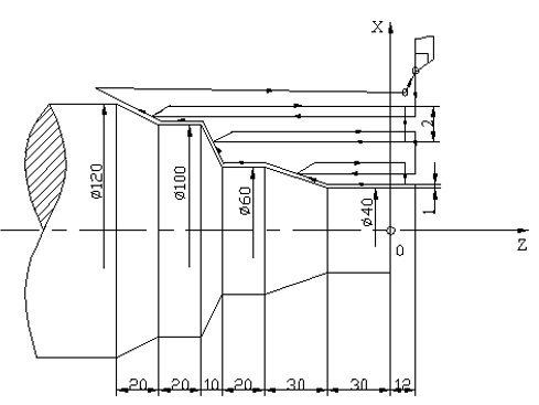
例:用G71、G70指令加工如图所示零件右端各外轮廓,零件材料为45钢。

| 顺序号 | 程序 | 注释 |
| N10 | T0101 | 换1号粗车刀 |
| N20 | M03S1000 | 主轴转速1000r/min |
| N30 | G00X130Z0 | 切削右端面 |
| N40 | G01X-0.5F0.1 | |
| N50 | G00X125Z5M08 | 刀具定位,开冷却液 |
| N60 | G71U2R0.5 | 外圆粗车循环 |
| N70 | G71P80Q150U2W0.5F0.25 | |
| N80 | G00X4.0 //ns | ns-nf描述零件轮廓 |
| N90 | G01Z-30F0.1 | |
| N100 | X60W-30 | |
| N110 | W-20 | |
| N120 | X100W-10 | |
| N130 | W-20 | |
| N140 | X120W-20 | |
| N150 | X12.5 //nf | |
| N160 | M03S1500 | 精加工结束程序段 |
| N170 | G70P80Q150 | 精车轮廓 |
| N180 | G00X200Z250 | |
| N190 | M05 | |
| N200 | M30 |
三、精车切削循环
指令格式:G70 P(ns)- Q(nf)-
说明: (1)ns——精加工轮廓程序段中开始程序段的段号。
(2)nf——精加工轮廓程序段中结束程序段的段号。
注意: (1) G70 精车切削循环指令不能单独使用,必须在粗车切削循环 G71、 G72、G73 之后。
(2)G70 执行过程中的 F、S 由“ns”“nf”程序段之间给出的 F、S 确 定





