
[学习目标]
1、知识目标:掌握数控系统中端面车削循环指令(G94)代码含义及应用
2、情感目标:培养严谨细致、认真钻研、创新等工匠精神
3、能力目标:培养独立分析问题和解决问题的能力
[理论知识]
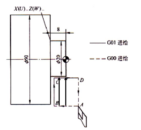
一、端面车削循环指令G94
用于平端面或锥端面的车削。刀路轨迹如图1。

图1 G94指令进给路线
二、编程格式
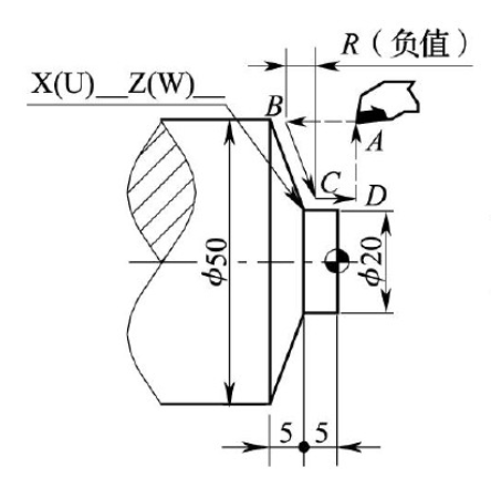
G94 X(U)_ Z(W)_ R_ F_;
其中:X(U)、Z(W)及R的含义都与G90相同。
当车削的锥端面左端半径大于右端半径时,R为“+”,否则为负。运动轨迹如下图2。

图2 G94指令运动轨迹
三、应用举例
例1:试用端面切削单一循环指令编写下图3零件的粗、精加工程序。

图3 端面车削加工零件图1
加工程序:
O0001;
N10 T0101;
N20 M03 S600;
N30 G00 X52.5 Z2;
N40 G94 X20 Z-2 F0.2;
N50 Z-4;
N60 Z-6;
N70 Z-7.5;
N80 Z-8;
N90 G00 X100;
N100 Z100
N110 M30;
例2:试用G94指令编写如下图4所示工件的加工程序。

图4 端面车削加工零件图2
1、分析:

2、R值的确定:
R1/R=A1D/AD
R1=R×(AD+AA1)/AD
=-5×(15+0.75)/15
=-5.25(mm)
提示:重新计算R值时,应避免取近似值,防止造成锥度误差,所以本例中循环起点取值比毛坯直径大1.5mm,即AA1取值0.75mm。
3、分层加工终点坐标的确定:
终点Z坐标值=起点Z坐标+R值
如下表所示:
4、加工程序:
o0002;
G97 G99 M03 S500 T0101; (主轴正转,选取1号刀并调用1号刀补)
G00 X100 Z100; (快速走刀至换刀点)
G00 X51.5 Z3; (快速走刀到循环起点)
G94 X20.3 Z3 R-5.25 F0.2;(调用G94车削斜端面,X向留双边0.3mm 精加工余量)
Z1; (模态调用G94,下同)
Z-1;
Z-3;
Z-4.8; (Z向留0.2mm精加工余量)
G94 X20 Z-5 R-5.25 F0.1 S800;(精加工)
G00 X100; (退刀至换刀点)
Z100;
M05; (主轴停转)
M30; (程序结束并返回至程序头)
[章节测验]

