1
数字电子技术实验与课程设计指导
1.5.4.6.4 4)实验步骤

4 数字逻辑电路(EWB仿真)实验

数字逻辑电路是一门电子技术方面入门性质的技术基础课程。通过学习,将获得电子技术的基本理论、基本知识和基本技能,并培养分析问题、解决问题的能力,为以后深入学习、研究电子技术以及将电子技术更好地应用在专业中打好基础。

作为工程方面的技术基础课程,在学习中,应充分注意它的理论性和实践性,为此,进行一定的实验是十分必要的。为了在实验中逐步培养实践动手能力,特将实验分为以下几个类型:

1)基础型实验

注重验证基本概念、基本原理,了解常用元件、集成模块的性能和测试方法,了解常用电路的逻辑功能。

2)设计型实验

从最简单的基本逻辑电路设计入手,加深对数字逻辑电路的认识和理解,着重了解常用单元电路的设计方法。

3)综合型实验

结合理论知识和实际操作的学习,完成具有一定实际应用功能的逻辑电路的设计,了解数字系统在实际应用中可能出现的问题,并学习分析、解决各种问题的方法。

4.1 基础型实验

4.1.1 门电路的性能测试

1)实验目的

(1)了解门电路的性能和测试方法。

(2)加深对门电路逻辑功能的认识。

(3)掌握电路仿真的操作技术。

2)预习要求

(1)阅读所用门电路的说明书,了解其线路、外引线排列及逻辑功能。

(2)分析TTL与非门、CMOS电路的电压传输特性,选择较合理的测试点。

3)实验内容

测试TTL与非门电路和CMOS与门电路的电压传输特性。

4)实验步骤

(1)TTL门电路的传输特性测试

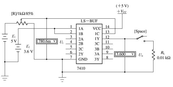
①启动EWB5.0软件,在EWB主窗口的电路工作区内创建如图4.1.1所示的TTL门电路的传输特性测试电路。

图4.1.1 TTL电路传输特性测试原理图

②为了对TTL门电路各主要参数加深理解,可以通过选择改变TTL与非门的参数值来观察其对电路传输特性的影响。

TTL与非门的参数选择:首先选定门电路符号,接着单击工具栏中的“元器件特性”按钮,调出元件特性对话框,在Models(模型)选项中选取“TTL-LS-BUF”,然后单击Edit按键弹出“LS-BUF”(典型参数)的对话框,如图4.1.2所示,这时就可对各参数进行选择。

图4.1.2 “TTL-LS-BUF”(典型参数)对话框

③测试电路中,利用调节可变电阻来改变被测输入端的输入电压值Ui,在输出端可同时观察到输出电压Uo的变化。并将两者关系分别用列表(结果填入表4.1.1)和坐标曲线表示。

表4.1.1 TTL电路的电压传输特性

(a)考虑接上负载(有载)和不接负载(空载)两种情况。

(b)坐标曲线:纵坐标——Uo,横坐标——Ui

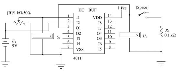
(2)CMOS与门电路传输特性的测试

图4.1.3为CMOS与门电路的传输特性测试电路。比照TTL门电路的测试方法进行电路仿真和测试。将观察结果填入表4.1.2并画出坐标曲线。

图4.1.3 CMOS与门电路传输特性测试原理图

表4.1.2 CMOS与门电路的电压传输特性

5)实验报告

(1)整理实验数据,画出门电路的电压传输特性曲线。

(2)问题讨论:

①TTL电路与CMOS电路的电压传输特性有哪些异同点?

②门电路接负载测试与不接负载测试时,有哪些异同点?

③TTL集成电路电源的工作电压应接多少伏?

④TTL与非门电路7410的阈值电压UT=____________V;

CMOS与非门电路4011的阈值电压UT=____________V。

4.1.2 组合逻辑电路逻辑的功能测试

1)实验目的

(1)认识、了解组合逻辑电路的功能和测试方法。

(2)加深理解组合逻辑电路的功能和特点。

(3)掌握电路仿真的操作技术。

2)预习要求

(1)复习组合逻辑电路的分析方法。

(2)查阅常用组合逻辑电路的功能、集成电路型号等有关资料。

3)实验内容

(1)测试数字逻辑电路的逻辑关系,掌握逻辑函数的不同表示方法。

(2)测试典型组合逻辑电路(MSI芯片)的逻辑功能。

4)实验步骤

(1)组合逻辑电路的测试

①启动EWB5.0软件,在EWB主窗口的电路工作区内创建如图4.1.4所示的数字逻辑电路。

图4.1.4 被测试的数字逻辑电路

②对图4.1.4所示的数字逻辑电路进行分析,写出该电路的逻辑函数表达式(不需化简)。

③对图4.1.4所示电路进行逻辑功能测试,并将测试结果填入真值表4.1.3中。

④将表4.1.3的真值表中的逻辑函数进行化简,得出化简的逻辑函数表达式是:         

⑤将图4.1.4中的逻辑电路用逻辑函数转换仪直接进行逻辑函数的化简,得出的逻辑函数表达式为:            

表4.1.3 测试电路真值表

(续表4.1.3)

(2)一位全加器电路的测试

全加器逻辑功能的测试电路如图4.1.5所示。对该电路进行测试,并将测试结果记录在真值表4.1.4中。

图4.1.5 一位全加器逻辑功能测试电路

表4.1.4 测试电路真值表

(3)两位全加器电路的测试

图4.1.6所示是一个两位全加器电路,输入:A=A1A0;输入B=B1B0,输出S=S1S0;输出进位C=C1。试设计一个该器件的逻辑功能的测试电路,并对该电路进行运行测试,将测试结果填入真值表4.1.5中。

图4.1.6 被测全加器电路

表4.1.5 测试电路真值表

5)实验报告

(1)画出测试电路,整理实验数据,并进行分析。

(2)回答问题:

①与非门在什么情况下输出高电平?什么情况下输出低电平?

②或非门输入端全部接低电平,或者全部接高电平时,输出端分别是什么状态?

③试分析用理论计算、用逻辑函数转换仪两种方法化简的逻辑函数表达式是否相同?若不相同,其主要原因是:____________________________________

④全加器的逻辑表达式为:Si =____________,进位Ci=___________________

4.1.3 触发器的组成及集成触发器的性能测试

1)实验目的

(1)验证基本RS触发器、D触发器、JK触发器的逻辑功能。

(2)熟悉集成触发器的特点和测试方法。

(3)了解各类触发器间的相互转换。

2)预习要求

(1)复习各类触发器的逻辑功能及电路结构。

(2)主从型JK触发器和维持阻塞型D触发器的触发边沿有何不同?

(3)画出JK触发器与D触发器之间的相互转换电路。

3)实验内容

触发器功能测试,触发器功能转换。

4)实验步骤

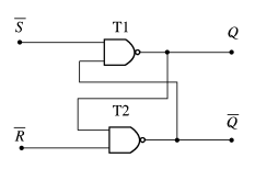
(1)基本RS触发器逻辑功能测试

图4.1.7是一个基本RS触发器,试创建一个该电路的测试电路,并将测试结果填入特性表(见表4.1.6)中。

图4.1.7 基本RS触发器

图4.1.8 JK触发器

表4.1.6 RS触发器特性表

(2)JK触发器逻辑功能测试

①选择电路文件中的JK触发器(见图4.1.8),按<F1>键了解、掌握该触发器的性能。

②试设计一个该电路的功能测试电路。

③确定该器件的置1端(D)和置0端(D),将其标识在电路上,并将这两个控制端的功能测试结果填入表4.1.7。

表4.1.7 JK触发器的直接置数、置位

④将该器件的逻辑功能测试结果填入表4.1.8的JK触发器特性表中。

⑤设置,J=K=1,==1,然后给CP端输入频率f=1kHz的方波信号,用逻辑分析仪检测该JK触发器的输出端Q的波形,观察输出状态何时被触发翻转。

(3)D触发器逻辑功能测试

在“Digital”库中选择一个D触发器,比照JK触发器的测试方法,完成对D触发器的功能检测。

表4.1.8 JK触发器特性表

(4)D触发器与JK触发器间的功能相互转换

将JK触发器转换成D触发器,并验证其逻辑功能。参考电路如图4.1.9所示。转换后的触发器逻辑功能表如表4.1.9所示。

图4.1.9 JK→D触发器转换逻辑图

表4.1.9 转换后的触发器逻辑功能表

5)实验报告

(1)记录各触发器的逻辑功能,整理实验测试结果。

(2)总结DD及各输入端的作用。

(3)比较基本RS触发器、D触发器和JK触发器的逻辑功能、触发方式。

(4)问题讨论:

①当JK触发器的J=K=1,CP输入频率为1kHz的方波时,Q端输出波形的频率f为多少?此时该器件有何功能?

②画出将D触发器转换成JK触发器的逻辑图,并验证其逻辑功能。

4.1.4 典型时序逻辑电路的性能测试

1)实验目的

(1)熟悉专用计数电路的特点和使用方法。

(2)观察、了解二进制计数器和十进制计数器的工作情况。

(3)测试移位寄存器的逻辑功能。

2)预习要求

(1)复习计数器、移位寄存器的工作原理及特点。

(2)画出各实验测试电路简图。

(3)按各实验逻辑图列表分析其应有的状态,以便通过实验验证。

3)实验内容

计数器、移位寄存器逻辑功能测试。

4)实验步骤

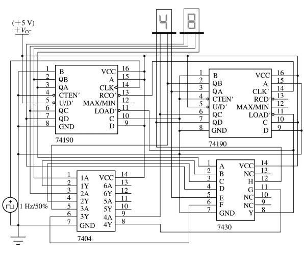
(1)计数器逻辑功能测试

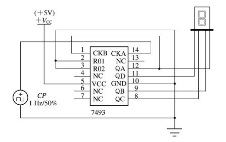
图4.1.10 集成计数器(7493)功能测试电路

①集成二进制计数电路。启动EWB5.0软件:

a. 选用四位二进制计数电路(7493),并按<F1>键了解该器件的功能。

b. 要求使得该电路工作在计数状态,则:R0(1)=__________R0(2)=__________

c. 选用带译码器的七段LED数码管,显示其输出的二进制数据。

d. 输入时钟采用频率f=1Hz的时钟信号。

e. 计数器功能测试参考电路如图4.1.10所示,观察输出结果。

f. 数码管显示的数字分别为:         

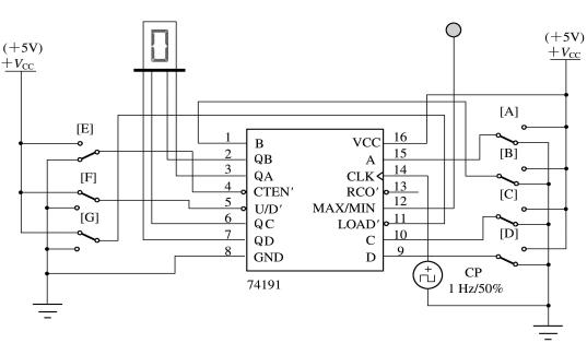
②同步可逆四位二进制计数电路

a. 选用二进制可逆计数电路(74191),按F1键了解该器件的功能。

其中:A(15)、B(1)、C(10)、D(9)为预置数据输入端;QA(3)、QB(2)、QC(6)、QD(7)为输出端;U/D′(5)为加减计数控制端; LOAD′(11)为预置数据控制端(低电平有效);CTEN′(4)为工作控制端(高电平状态保持);MAX/MIN(12)为进位∕借位信号输出端;RCO′(13)为串行时钟脉冲输出端;CLK(14)为时钟脉冲输入端。

b. 选用带译码器的七段LED数码管,显示输出的二进制数据。

c. 输入时钟采用频率f=1Hz的时钟信号。

d. 可逆二进制计数器功能测试的参考电路如图4.1.11所示,观察输出结果。

图4.1.11 集成计数器(74191)功能测试电路

e. 若要求该电路工作在减法计数状态,则:

U/D′=__________;LOAD′=__________; CTEN′=__________

f. 若电路工作在预置数加法计数状态,而且预置数DCBA=0100,请完成电路设计,并观察输出结果和各点波形。

③集成十进制计数电路

a. 选取十进制计数电路(74160),按F1键了解该器件的功能。

b. 选用带译码器的七段LED数码管,显示输出的十进制数据。

c. 输入时钟采用频率f=1Hz的时钟信号。

d. 完成功能测试电路的设计,并观察输出结果和各点波形。

(2)移位寄存器功能测试

启动EWB5.0软件,选取移位寄存器(74194),并按F1键了解该器件的功能。设计该器件的测试电路,并将验证结果填入移位寄存器的逻辑功能表。

5)实验报告

(1)整理记录实验数据。

(2)画出二进制计数器和十进制计数器的输出波形。

(3)写出移位寄存器的逻辑功能表。

(4)问题讨论:

①若将集成十进制计数测试电路中的十进制计数器改换为四位二进制计数器。请问七段译码、显示电路还能否正常工作?试写出改换后的显示结果。

②二进制可逆计数器,当预置数DCBA=1001时,输入第五个时钟脉冲后,加法计数和减法计数其计数器中的输出状态分别是多少?

③当移位寄存器数据输入端SR=1110010,时钟脉冲输入第五个脉冲后,移位寄存器中各触发器的输出状态如何?

4.1.5 波形产生和整形电路的应用

1)实验目的

(1)熟悉、掌握波形产生和整形电路的原理和使用方法。

(2)熟悉集成定时电路555的性能和特点。

(3)了解555定时电路的使用方法。

2)预习要求

(1)复习555定时电路的结构和工作原理。

(2)根据实验电路,估算多谐振荡器电路的振荡频率(理论值)。

3)实验内容

应用555定时电路设计波形的产生和整形电路。

4)实验步骤

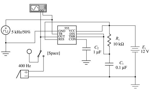
(1)555定时电路构成多谐振荡器。

①选择555定时电路,按F1键了解、掌握该器件的性能和使用特点。

其中:GND(1):接地; TR(2):比较器C2输入端(触发输入端); OUT(3):输出端; RES(4);置零端; CON(5):控制电压输入端; THR(6):比较器C1输入端(阈值输入端);DIS(7):晶体管输出;VCC(8):电源。

②按图4.1.12所示创建电路,并根据555电路的原理,计算、回答下列问题(理论值):

UR1(上基准电压)=__________V ;

UR2(下基准电压)=__________V;

电容C1UR2UR1充电时间T1=__________s;

电容C1UR1UR2放电时间T2=__________s;

该电路输出波形的频率f=__________

该电路输出波形的占空比q=__________

图4.1.12 555电路多谐振荡器

③运行图4.1.12所示的电路,并选用相应的测试仪器,测出(瞬态分析形式)下列结果:

UR1(上基准电压)=__________V ;

UR2(下基准电压)=__________V;

电容C1UR2UR1充电时间T1=__________s;

电容C1UR1UR2放电时间T2=__________s;

该电路输出波形的频率f=__________

该电路输出波形的占空比q=__________

④试将电阻R1改成51kΩ,并重复上述测试过程:

UR1(上基准电压)=__________V ;

UR2(下基准电压)=__________V;

电容C1UR2UR1充电时间T1=__________s;

电容C1UR1UR2放电时间T2=__________s;

该电路输出波形的频率f=__________

该电路输出波形的占空比q=__________

⑤将R1恢复成1kΩ电阻,再用一个10kΩ电阻从控制电压输入端⑤连至接地,根据555电路原理讨论输出波形的频率和占空比将发生什么变化?

对该电路进行仿真运行,并使用相应的测试仪器,测试结果:

该电路输出波形的频率f=__________

该电路输出波形的占空比q=__________

(2)555定时电路构成单稳态触发器

图4.1.13为由555定时电路组成的单稳态触发器电路。

①用示波器观察输出电压与输入电压的波形及时间对应关系,并画出对应的波形。

②改换电阻R1的阻值,观察输出电压和电容两端电压的变化情况,并画出对应的波形。

图4.1.13 555电路单稳态触发器

(3)555电路构成电压—频率转换电路的分析

①按图4.1.14所示创建电路,并运行该电路。

图4.1.14 555电路构成施密特触发器

②根据555定时电路的原理,分析该电路,计算、回答下列问题(理论值):

该电路的正向阈值电压UT+=________V;

负向阈值电压UT-=________V;

回差电压ΔU=________V。

③用示波器观察输出电压与输入电压的波形,找出输入、输出电压发生变化的对应关系,并画出对应的工作波形。

5)实验报告

(1)画出实验电路图,记录实验数据。

(2)将根据给定条件计算出的各项理论数据与实际测量值进行分析、比较。

(3)回答问题

①多谐振荡器的振荡频率主要由哪些元件决定?

②单稳态触发器的频率和输出脉冲宽度主要由哪些元件决定?

4.1.6 A/D和D/A转换器的应用

1)实验目的

熟悉、掌握A/D、D/A转换器的使用方法。

2)预习要求

复习A/D、D/A转换器的结构和工作原理。

3)实验内容

分析A/D、D/A转换器,熟悉、掌握专用电路的使用方法。

4)实验步骤

(1)A/D电路分析

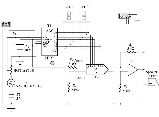
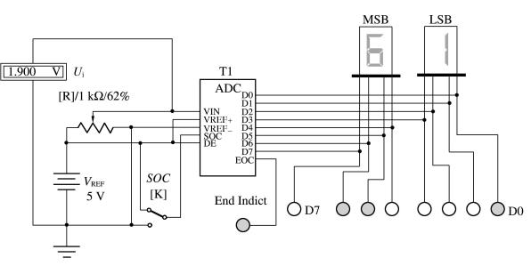
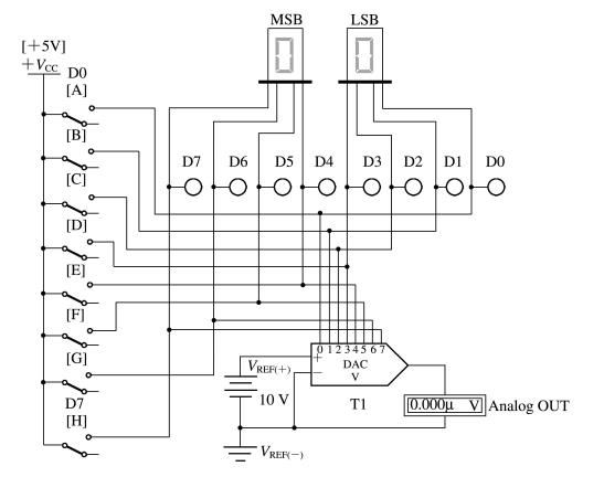
①A/D转换电路见图4.1.15所示,其中:

VIN:电压输入端;

VREF+:上基准电压输入端;

VREF-:下基准电压输入端;

SOC:转换数据启动端(高电平启动);

DE:三态输出控制端;

EOC:转换周期结束指示端(输出正脉冲);

D0~D7:二进制数码输出端。

图4.1.15 A/D转换电路

该电路的输入电压通过改变电位器R值来提供,与输出的关系可表示为:

Ui=数字输出(对应十进制数)×VREF/256

输出的二进制数有关系式:

BIN[Ui×255/(VREF+-VREF-)]

由带译码器的七段LED数码管以十六进制数形式显示。SOC(模数转换启动端)在输入信号改变时,可连续按动K键两次,实现模数转换。

②选择电路中的A/D转换器T1,按<F1>键了解该器件的主要功能。

③运行该电路,观察输入和输出信号,熟悉、掌握该电路的使用方法。

a. 将SOC端连至电源(5V),此时的数字输出(十六进制)为:__________,试求出对应的模拟输入电压Ui=__________V。

b. 改变输入电压调节电位器R,将由此得到的对应输入模拟电压Ui及数字输出(十六进制)填入表4.1.10。

表4.1.10 A/D转换器的输入与输出

(续表4.1.10)

(2)D/A电路分析

①D/A转换电路如图4.1.16所示。

其中:

VREF(+): 上基准电压输入端;   D0~D7(0~7): 二进制数码输入端;

VREF(-): 下基准电压输入端;   Uo: 电压输出端。

该D/A转换器电路输出表达式为:

Uo =(VREF+-VREF-D/256

其中,D为输入二进制码对应的十进制数。

图4.1.16 D/A转换器测试电路

②选择D/A转换器(图4.1.16),按〈F1〉键了解该器件的主要性能和特点。并运行该电路。

a. 假定输入的数字码为36(十六进制数),则输入的二进制数为:D7~D0:       ,输出电压计算值为:__________V,输出电压测量值为:__________V。

b. 假定输入的数字码为08(十六进制数),则输入的二进制数为:D7~D0:        ,输出电压计算值为:__________V,输出电压测量值为:__________V。

c. 假定输入的数字码为F2(十六进制数),则输入的二进制数为:D7~D0:        ,输出电压计算值为:__________V,输出电压测量值为:__________V。

(3)采样速率对转换结果的影响

①图4.1.17是一个将模拟信号转变为数字信号后,进行存储、处理,然后再转换成模拟信号的电路。

该电路中的A/D转换器的最高采样频率为1MHz。而D/A转换器为电流输出形式,

其中:D0~D7为二进制数输出端;IO为上电流输出端;O为下电流输出端;IREF(+)为上基准电流输入端; IREF(-)为下基准电流输入端。

该D/A转换器输出表达式为:

IO=(IREF+-IREF-D/256

其中:D为输入二进制码对应的十进制数。

②选择电路图中的A/D和D/A转换器,按〈F1〉键了解器件的主要特点。

a. 运行该电路,使用示波器观察输入、输出波形。

b. 改变输入信号的频率,观察不同采样频率的信号对输出波形的影响。

图4.1.17 A/D与D/A应用电路

5)实验报告

(1)画出实验电路图,整理实验数据。

(2)问题讨论:

①图4.1.15提供的电路,是一个8位A/D转换器,基准电压为5V,试求出对应每bit数字输出的电压是多少?(需写出计算表达式)

②若输出显示的数据是6F(十六进制),则输入的模拟信号数值是多少?(需写出计算表达式)

③一个8位D/A转换器(见图4.1.16),当参考电压为10V时,每bit对应的模拟电压输出是多少(需写出计算表达式)?若输出电压是3.62V,试求出此时的输入二进制数。(需写出计算表达式)

④要使电路经A/D、D/A转换后的信号尽量不失真,应该考虑哪些因素? 采取哪些措施?

⑤试讨论改变参考电压VREF对A/D转换精度的影响。

4.2 设计型实验

4.2.1 组合逻辑电路的设计

1)实验目的

(1)熟悉组合逻辑电路的一般设计方法。

(2)通过实验,验证所设计的组合逻辑电路的正确性。

2)预习要求

(1)复习组合逻辑电路的分析和设计方法。

(2)根据设计任务要求,设计组合逻辑电路。

3)实验内容

设计简单的组合逻辑电路并验证其逻辑功能。

4)实验步骤

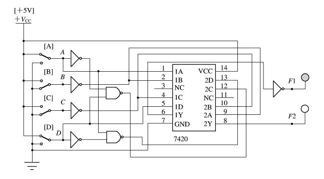
(1)设计一个智力竞赛抢答器(四人参赛)

要求:每位参赛者有一抢答按钮和一个抢答成功显示器,当一位参赛者抢先抢答后,显示器显示,而其他参赛者再进行抢答时,显示器将不做回应。

设:四位参赛者分别用A、B、C和D端来表示;用四盏灯(灯亮表示抢答成功)作为显示器,参考电路如图4.2.1所示。

图4.2.1 智力竞赛抢答器(四人)参考电路

任务:试用门电路设计一个可供六人参加竞赛的智力竞赛抢答器逻辑电路。

(2)设计一个数字锁

该锁原理框图如图4.2.2所示,其中ABCD是四个代码输入。每把锁都有规定的四位数字代码(如1001、1101等等,可由读者自编)。如果输入代码符合该锁代码时,锁才能被打开(F1=1);如果不符,开锁时,电路发出报警信号(F2 =1)。不开锁时,即没有输入(ABCD均为0)时,无信号输出(F1= 0,F2 = 0)。

图4.2.2 数字锁开关示意图

实验时,锁被打开或报警可分别用两个发光二极管(或彩色指示灯)发光与否来示意。

图4.2.3是使用与非门和非门实现的数字锁参考电路。

图4.2.3 数字锁电路(开锁代码1001)

任务:试用门电路设计另选开锁密码的一个数字锁逻辑电路。

(3)设计一个三变量的表决电路

在举重比赛中,有三位裁判:一位主裁判和两位副裁判。在他们的面前各有一个按钮,只有当三位裁判均按键或一个主裁判和一个副裁判同时按下自己面前的按钮时,表示“杠铃举起”。试完成该装置的逻辑电路设计。要求分别用门电路和中规模集成电路(数据选择器或译码器)实现。

①变量名称与逻辑功能设定:

主裁判:__________副裁判甲:__________副裁判乙: __________杠铃:__________

按钮状态:_______________________杠铃状态:____________________________

②列出该逻辑关系的真值表(见表4.2.1)

表4.2.1 真值表

③用卡诺图化简方法求出其最简逻辑函数表达式。

④用门电路来设计和实现化简的逻辑函数表达式(包括测试电路)。

⑤用与非门电路来设计和实现该电路(包括测试电路)。

⑥试用中规模集成电路(MSI)来设计和实现该电路(包括测试电路)。

5)实验报告

(1)整理实验结果,并进行分析。

(2)总结归纳,写出设计过程;画出逻辑电路图;记录实验验证结果。

(3)问题讨论:

①试比较用门电路、仅用与非门、中规模集成电路三种设计方法的优缺点。

②试设计一个门厅路灯的控制电路。要求:四个房间都能独立地控制路灯的亮、灭(即若路灯亮时,四个房间中任意哪间扳动开关,路灯就熄灭;灯灭时,任何一间房间扳动开关,路灯即亮)。假设不会出现两个或两个以上房间同时操作路灯的情况。

4.2.2 时序逻辑电路的设计

1)实验目的

(1)熟悉、掌握时序逻辑电路的设计方法。

(2)了解利用中规模集成计数器电路构成任意进制计数器的方法。

(3)练习正确连接数字系统的线路。

2)预习要求

(1)复习时序逻辑电路的分析和设计方法。

(2)分析实验电路的工作原理及其逻辑功能。

3)实验内容

设计时序逻辑计数电路和数码序列检测电路。

4)实验步骤

(1)设计时序逻辑计数电路

①设计一个五十进制减法计数器。

a. 选取十进制可逆计数电路(74190),按<F1>键了解该器件的功能。

其中:A(15)、B(1)、C(10)、D(9)为预置数据输入端; QA(3)、QB(2)、QC(6)、QD(7)为输出端; U/D′(5)为加减计数控制端;LOAD′(11)为预置数据控制端(低电平有效);CTEN′(4)为工作控制端(高电平状态保持); MAX/MIN(12)为进位∕借位信号输出端;RCO′(13)为串行时钟脉冲输出端; CLK(14)为时钟脉冲输入端。

b. 选用带译码器的七段LED数码管,显示输出的十进制数据。

c. 输入时钟采用频率f=1Hz的时钟信号。

d. 五十进制减法计数器的参考电路如图4.2.4所示,观察输出结果。

图4.2.4 五十进制减法计数器

任务:设计一个三十进制减法计数器。

②设计一个五十进制加法计数器。

a. 选取十进制同步计数电路(74160),按F1键了解该器件的功能。

其中:A(3)、B(4)、C(5)、D(6)为数据输入端; QA(14)、QB(13)、QC(12)、QD(11)为输出端; ENP(7)为计数控制端; ENT(10)为计数控制端; LOAD(9)为预置数输入控制端; CLR(1)为置零端; RCO(15)为进位输出端。

b. 若要求该电路工作在加法计数状态,则要求:

ENP=__________ENT=__________CLR=__________LOAD=__________

c. 试用74160构成五十进制加法计数器,用带译码器的七段LED数码管作为显示器件,输入是频率为1Hz的时钟信号。

d. 请完成电路设计,并观察输出结果和各点波形。

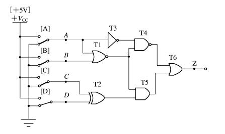
(2)设计数码序列检测电路

试设计一个数字二进制码10110序列检测器,即输入序列中连续五个码符合10110时,检测器输出“1”。要求输出指示在检测到该序列后灯才亮,并保持一个时钟周期。

①确定状态变量和状态转换图,并进行化简。

②进行状态分配。

③触发器和电路的选定,确定驱动方程。

④排除独立状态。

⑤画出逻辑电路图,输入的序列信号采用字信号发生器。

⑥通过测试,验证是否符合设计要求。

5)实验报告

(1)画出实验电路逻辑图,记录实验显示结果。

(2)总结数字逻辑电路系统的实验体会。

(3)问题讨论:

①一位十进制计数、译码、显示电路,从0开始计数,当计数脉冲输入第14个信号时,显示输出的显示为__________

②若有一位十进制计数、译码、显示电路中计数显示的结果为1、3、5、7、9,试分析该电路出现错误的原因。

③试设计一个六十进制计数器。

4.3 综合型实验

4.3.1 计数、译码、显示电路

1)实验目的

(1)熟悉、掌握组合逻辑电路和时序逻辑电路的设计方法。

(2)了解简单数字系统的构成方法。

(3)练习正确连接数字系统的线路。

2)预习要求

(1)复习组合逻辑电路与时序逻辑电路的分析和设计方法。

(2)分析实验电路的工作原理及其逻辑功能。

3)实验内容

设计组合逻辑的译码、显示电路和时序逻辑的计数电路。

4)实验步骤

(1)设计一个六十进制计数、译码、显示电路

①选取十进制同步计数电路(74160),按F1键了解该器件的功能。

②试用74160构成一个六十进制的加法计数器。

③用集成七段译码器(7447)完成BCD码——七段显示的译码,用七段LED数码管作为显示器件。

④时钟信号是频率为1Hz的矩形波。

⑤完成电路设计,并观察输出结果和各点波形。

(2)设计一个二十四进制计数、译码、显示电路

①选取十进制计数电路(7490),按F1键了解该器件的功能。

②试用7490构成一个二十四进制的加法计数器。

③用带译码器的七段LED数码管作为显示器件。

④时钟信号是频率为1Hz的矩形波。

⑤完成电路设计,并观察输出结果和各点波形。

(3)设计具有时、分显示的电子钟电路

将上面完成的六十进制计数器和二十四进制计数器,通过适当的连接构成可以显示小时、分钟的时钟电路。

5)实验报告

(1)画出实验电路逻辑图,记录实验显示结果。

(2)总结数字逻辑电路的实验体会。

4.3.2 汽车尾灯显示电路

1)实验目的

(1)了解数字逻辑电路课程与实际生活的联系。

(2)掌握简单数字系统的构成方法。

(3)练习正确连接数字系统的线路。

2)预习要求

(1)复习组合逻辑电路与时序逻辑电路的分析和设计方法。

(2)分析实验电路的工作原理及其逻辑功能。

3)实验内容

设计一个汽车尾灯显示电路。

4)实验步骤

(1)电路要求分析

汽车尾灯是用来显示汽车行驶状态的。当汽车左转时,左边的尾灯(一排三个灯泡)依次向左逐个点亮并连续循环;当汽车右转时,右边的尾灯(一排三个灯泡)依次向右连续循环逐个发光;当汽车刹车时,左右两边的尾灯同时点亮。

(2)电路设计

根据电路要求,进行电路分析、设计。图4.3.1为汽车尾灯示意图。

图4.3.1 汽车尾灯示意图

①元器件选择。根据设计的电路选择集成电路、逻辑开关、显示器件等有关元器件。

②电路实现。完成逻辑电路的设计后,启动EWB仿真软件,检验、调试电路。

5)实验报告

(1)画出实验电路逻辑图,记录实验显示结果。

(2)总结数字逻辑电路的实验体会。

4.3.3 竞赛抢答器电路

1)实验目的

(1)了解数字逻辑电路课程在实际中的应用。

(2)掌握数字系统的构成方法。

(3)练习正确连接数字系统的线路。

2)预习要求

(1)复习组合逻辑电路与时序逻辑电路的分析和设计方法。

(2)分析实验电路的工作原理及其逻辑功能。

3)实验内容

设计一个智力竞赛抢答器电路。

4)实验步骤

(1)电路要求分析

试设计一个可允许六人参加有限时功能的竞赛抢答器。要求:

①显示出最先抢答者(可用发光二极管显示,也可用数码管显示)的号码,同时使其他抢答者的抢答失效。

②当主持人宣布开始(可用一个开关的动作来表示)后,30s内无人抢答,将进行下一个问题的抢答。用数码管显示时间(从30开始,减至0时用一个发光二极管表示时间结束)。

③在问题提出后的30s内如有人抢答,显示时间的数码管则自动回零。

(2)电路设计

根据电路要求,进行电路分析、设计。图4.3.2为竞赛抢答器的方框图。

①元器件选择。根据设计的电路选择集成电路、逻辑部件、逻辑开关、显示器件等有关元器件。

②电路实现。完成逻辑电路的设计后,启动EWB仿真软件,检验、调试电路。

图4.3.2 竞赛抢答器方框图

5)实验报告

(1)画出实验电路逻辑图,记录实验显示结果。

(2)总结数字逻辑电路系统的实验体会。