1
数字电子技术实验与课程设计指导
1.3.1.1 2.1.1 门电路逻辑功能测试

2 数字逻辑电路实验

2.1 基本实验

2.1.1 门电路逻辑功能测试

1) 实验目的

(1)熟悉数字万用表和数字实验箱的功能,并学会使用。

(2)验证常用TTL、CMOS集成门电路逻辑功能,掌握其测试方法。

(3)熟悉常用门电路的逻辑符号、引脚排列、使用方法和注意事项。

2)实验原理和参考电路

集成逻辑门电路是最简单、最基本的数字集成元件。目前已有门类齐全的集成门电路,例如“与门”、“或门”、“非门”、“与非门”、“异或门”等。虽然,中、大规模集成电路相继问世,但组成某一系统时,仍少不了各种门电路。因此,有必要熟练掌握它们的使用。

(1)TTL门电路

TTL集成电路由于具有工作速度高、种类多、不易损坏而使用较广,特别是进行实验论证,选用TTL电路比较合适。因此,本章介绍的实验大多采用74LS系列TTL集成电路。它的工作电源电压为5 V±0.5 V,逻辑高电平(“1”)>2.4 V,低电平(“0”)<0.4 V。

图2.1.1为二输入“与非门”、“异或门”、三输入“与非门”和“三态传输门”的逻辑符号和逻辑表达式。实验所用芯片型号分别是74LS00二输入端四“与门”、74LS86二输入端四“异或门”和74LS125“三态传输门”。

图2.1.1 与非门、异或门、三态传输门逻辑符号和逻辑式

(2)CMOS门电路

CMOS集成电路功耗极低,输出幅度大,噪声容限大,扇出能力强,电源范围较宽,应用很广。但CMOS电路应用时,必须注意以下几个方面:①不用的输入端不能悬空。②电源电压VDD范围为+3 V~+18 V,应使用正确,不得接反。③输入信号电平应在CMOS标准逻辑电平之内,一般情况下,低电平为0 V,高电平为VDD。④不得在通电情况下,随意拔插输入接线。⑤焊接或测量仪器必须可靠接地。

集成门电路外引脚的识别方法是:将集成块正面面对使用者,以凹口左下边或小标点“·”为起始脚1,逆时针方向排列为脚2,脚3…脚n,如图2.1.2所示。每个引脚端标有不同的符号代表不同的功能。使用时,应查找IC手册可知所用芯片各管脚功能。

3)实验内容和步骤

(1)TTL门电路逻辑功能验证

①将“与非门”74LS00插入实验箱集成块IC空插座上,并把它的两个输入端A、B分别与实验箱上的两个逻辑开关相连,输出端Y 接状态显示发光二极管。14脚接+5 V,7脚接“地”,如图2.1.3所示,即可进行逻辑功能测试。

图2.1.2 三输入“与非门”74LS10引脚排列图

图2.1.3 二输入“与非门”74LS00功能测试接线图

②对应输入AB的不同取值组合信号,观察输出结果,如灯亮填“1”,灯灭填“0”。填入表2.1.1中。

③按同样方法搭接异或门74LS86和三态门74LS125的测试电路,测试其逻辑功能,并将测试结果填入表2.1.2和表2.1.3中。它们的引脚排列图见附录5。

表2.1.1 74LS00

表2.1.2 74LS86

表2.1.3 74LS125

④按图2.1.4搭接电路,将其功能填入表2.1.4中。电路中“非门”用74LS04,“三态门”用74LS125,它门的引脚排列图见附录5。

(2)CMOS门电路逻辑功能验证

CMOS门电路的逻辑功能验证方法同TTL门电路。选用CMOS芯片CD4001二输入端四“或非门”测试其逻辑功能。

①按测试电路图2.1.5接线,不用门的输入端接上相应的电平。

图2.1.4 三态门的应用

图2.1.5 二输入CMOS“或非门”CD4001功能测试接线图

②接通电源,拨动逻辑开关,输入相应的信号。观察输出结果,灯亮为“1”,灯灭为“0”。将测试结果填入表2.1.5中。

表2.1.4 三态门的应用

表2.1.5 CD4001功能表

注意:在实验时,当输入端需改接连线时,不得在通电情况下进行操作,均需先切断电源改接连线完成后,再通电进行实验。

4)实验器材

(1)数字电路实验箱 1台。

(2)万用表1块。

(3)集成芯片:74LS00、74LS04、74LS86、74LS125、CD4001各1片。

5)预习要求

(1)了解数字电路实验箱和数字万用表的使用方法。

(2)熟悉门电路的逻辑功能。熟悉芯片74CLS00、74LS04、74LS86、74LS125和CD4001的外引脚线排列。

(3)画好进行实验各芯片管脚图、实验接线图。

(4)了解 CMOS电路使用注意事项。

6)实验报告要求

(1)实验目的。

(2)实验电路及原理图。

(3)实验内容及步骤。

(4)填写实验数据及数据分析。

(5)结论。

7)思考题

(1)三态门输出端并联使用时为何两输出端不能同时工作?

(2)CMOS门电路的输入端为什么不能悬空?

2.1.2 触发器逻辑及应用

1)实验目的

(1)掌握JK触发器、D触发器逻辑功能的测试方法。

(2)学会不同逻辑功能触发器之间的转换。

(3)学会用JK触发器构成简单时序逻辑电路的方法。

2)实验原理和参考电路

(1)JK触发器和D触发器的功能

触发器是具有记忆功能的基本单元电路,其种类很多,本实验采用逻辑功能较全,应用广泛的芯片74LS112双JK触发器和74LS74双D触发器。

图2.1.6是74LS112双JK触发器的逻辑符号和外引线排列图,它具有置“0”、置“1”、保持和翻转功能。另外还具有异步置“0”和异步置“1”的功能,下降沿触发。其特性方程表示为:

图2.1.6 74LS112双JK触发器

图2.1.7是74LS74双D触发器的逻辑符号和外引线排列图,它具有置“0”、置“1”功能。另外还具有异步置“0”和异步置“1”的功能,上升沿触发。其特性方程表示为:

Qn+1=D  (CP↑)

JK触发器74LS112和D触发器74LS74的异步置“1”端和异步置“0”端都是低电平有效,且与CP端状态无关,触发器处于工作状态时,必须接高电平。

图2.1.7  74LS74双D触发器

(2)不同功能触发器的转换

触发器之间的转换在实际中经常用到。目前市场上出售多数是集成的JK和D触发器,若要实现其他触发器如T、T′触发器的功能,则需要进行触发器之间的转换。比如JK功能的触发器可转换成D、RS、T、T′型功能的触发器。方法是将两种触发器的特性方程相比较得到J、K端的表达式即可。例如将JK触发器转换成D触发器的功能,写出两触发器的特性方程。

图2.1.8 JK触发器转换成D触发器

JK触发器:Qn+1=J+Qn

D触发器:Qn+1=D=D(Qn+)=D+D

比较两触发器的特性方程,可发现:J=D,K=,由此可画出JK触发器转换成D触发器的电路如图2.1.8所示。其他的转换方法可见表2.1.6。

表2.1.6 触发器转换方法

(3)触发器的应用:触发器可以构成计数器、定时器和分频器。

图2.1.9(a)是由两个JK触发器就构成的异步四进制加法计数器。设初始状态Q1Q0=0;来第1个脉冲CP下降沿时,Q0由“0”翻转为“1”;Q1因为没有下降沿而不翻转。当第二个脉冲到来时,Q0则由刚才的“1“态翻转为“0”态,此时该信号作为第二个触发器的脉冲,使Q1由“0”态翻转为“1”态。由此看出,四个脉冲到来之后,计数器完成00→01→10→11四进制加法计数的一个循环,时序图如图2.1.9(b)所示。从波形图上还可以看到,Q0波形的周期是CP的2倍,而Q1波形的周期是CP的4倍。所以Q0Q1CP分别实现了二分频、四分频,所以它又是一个分频器。若设CP周期为1 s,则Q1端在每4 s时输出一个高电平,Q0端每2 s时发出一个定时信号,所以它也可以作为一个定时器。

图2.1.9 触发器的应用

3)实验内容及步骤

(1)JK触发器逻辑功能测试

①将74LS112集成块插入实验箱IC空插座中,将双JK触发器中的一个触发器按图2.1.10接线,其中1J、1K、1、1分别接4个逻辑开关,1CP接单次脉冲,输出1Q、1 分别接两只发光二极管LED。VCC和GND分别接+5 V和“地”。

②检验无误后,接通电源,并按表2.1.7的要求测试将结果填入表中。

表2.1.7 74LS112功能表

(2)D触发器逻辑功能测试

选74LS74双D触发器中的一个触发器, 按图2.1.11接线,用与JK触发器逻辑功能测试相同的方法,完成对D触发器逻辑功能测试并将结果填入表2.1.8中。

表2.1.8 74LS74功能表

图2.1.10 JK触发器功能测试图

图2.1.11 D触发器功能测试图

*(3)JK触发器和D触发器逻辑功能的互换

①将JK触发器转换成D触发器

将74LS112 JK触发器插入实验箱IC空插座,按图2.1.8接线,其中D接逻辑开关,CP接单次脉冲,Q分别接二个发光二极管,VCC接+5 V,GND接“地”。检查无误后,接通电源,测试其输出是否满足D触发器的功能,表格自拟。

②自行设计由D触发器转换成JK触发器的逻辑图,按上述同样的方法测试其逻辑功能,表格自拟。

(4)触发器的应用

由74LS112(或74LS74)构成一个四分频器(四进制异步加计数器),并进行实际线路搭接。CP接单次脉冲或连续脉冲,Q0Q1分别接两个发光二极管。观察发光二极管的显示结果并记录。初始状态为Q0Q1=00。(JK触发器构成的四分频器参考电路如图2.1.9(a)所示)

4)实验器材

(1)数字电路实验箱1台。

(2)双踪示波器1台。

(3)万用表1台。

(4)集成芯片:74LS112、74LS74和74LS04。各芯片引脚图见附录5。

5)预习要求

(1)熟悉JK触发器、D触发器的工作原理。

(2)熟悉芯片74LS04、74LS112和74LS74的逻辑功能、符号和外管脚排列。

(3)完成本实验中要求的逻辑设计内容。

6)实验报告要求

(1)实验目的、原理和内容。

(2)整理好并画出实验电路及测试的数据列表、画出波形并判断是否正确,对实验结果分析得出结论。

(3)说明JK、D触发器的DD作用及正确使用。

7)思考题

(1)如何用JK触发器实现T、T′触发器的转换。

(2)画出JK→D、D→JK,逻辑电路图,转换前后有何区别?

(*为选做实验,下同)

2.2 设计型实验

根据逻辑功能的不同特点,数字电路可为组合逻辑电路和时序逻辑电路两大类。组合逻辑电路的特点是在任何时刻电路的输出仅取决于该时刻各个输入信号的取值,而与输入信号作用以前电路所具有的状态无关。时序逻辑电路的特点是在任何时刻电路的输出不仅与输入信号有关,而且与输入信号作用以前电路所具有的状态有关。逻辑电路的设计是指根据实际逻辑问题,设计出符合要求的逻辑电路。

本节中“一位大小比较器、全加器的设计”实验和“数据选择器、译码器的应用”实验属于组合逻辑电路的设计。“集成计数器的设计”实验属于时序逻辑电路的设计。

2.2.1 一位大小比较器、全加器的设计

组合逻辑电路可由门电路即小规模集成电路(SSI)组成,也可用中规模集成电路(MSI)组成。

1)实验目的

(1)掌握用SSI构成组合逻辑电路的设计方法和功能测试方法。

(2)初步学会排除故障方法。

2)实验原理

用SSI设计组合逻辑电路的一般步骤为:

(1)分析设计要求,列真值表。

(2)化简逻辑函数。

(3)写出最简与或表达式,并根据实际要求进行表达式的转换。

(4)由最简表达式画逻辑图。

(5)列出元器件清单,组装电路。

(6)测试功能是否符合设计要求。

3)实验内容和步骤

(1)设计一个1位大小比较器,要求用二输入与非门74LS00和反相器74LS04实现。

两个1位二进制数AB的大小比较有三种可能,A>B,A=B,A<B。经过比较电路后的结果对应着三种不同的输出情况,用L1=1表示A>B,L2=1表示A=B,L3表示A<B

数据选择器的功能是把多个通道的数据选择出一个,传送到输出端的电路。可将比较电路的输出结果(L1L2L3)作为选择器的输入控制信号。由标准信号源提供三个不同频率的方波信号作为被选择的输入数据D1D2D3。当A>BL1=1选择D1输出;A=BL2=1选择D2输出;A<BL3=1选择D3输出。输出通过一个发光二极管的闪烁频率的不同来判断哪路信号被选取。附参考电路如图2.2.1所示。

图2.2.1 1位大小比较器、数据选择器原理图

测试步骤如下:

按图2.2.1虚线MN左边电路(1位比较器)接线。输入AB分别接逻辑开关K1、K2,输出L1L2L3接3个发光二极管,观察其状态,并将结果填入表2.2.1中(灯亮为“1”;灯灭为“0”)。

表2.2.1 比较器功能表

(2)设计一个3人表决电路,要求每个人具有赞成、反对两种可能。赞成通过为“1“;反对、否决为“0”,用74LS00完成。

*(3)设计一个1位全加器,用74LS86、74LS00、74LS10完成。

实验内容(2)和(3)读者自行设计电路,自拟实验步骤和功能表。

4)实验器材

(1)数字电路实验箱1台。

(2)双踪示波器1台。

(3)集成芯片:74LS00、 74LS10和74LS86。各芯片引脚图见附录5。

5)预习要求

(1)熟悉组合逻辑电路设计方法和步骤。

(2)熟悉比较器的功能。

(3)熟悉所需集成芯片的逻辑功能及管脚排列顺序。

(4)设计4人表决器功能表、电路图。

6)实验报告要求

(1)实验目的和原理。

(2)电路设计过程,绘制逻辑电路图和实验接线图。

(3)实验步骤。

(4)填写真值表。

7)思考题

(1)电路中TTL门的多余的输入端应如何处理,有几种方法?

(2)用与非门和异或门设计1位全加器,要求列出真值表,画出电路图。

2.2.2 数据选择器、译码器的应用

1)实验目的

(1)熟悉数据选择器(74LS151)和译码器(74LS138)中规模集成电路逻辑功能的测试。

(2)掌握用中规模集成电路设计组合电路的方法和功能测试方法。

2)实验原理

(1)设计方法

用MSI设计组合逻辑电路,通常采用功能块的设计思路。在方案框图确定后,先确定所需的中规模集成块,然后再进行块间逻辑上的组合。各集成块内的电路已是按照最佳设计制作,所以使用者可免去许多繁琐工作。这种方法的关键是:设计者要熟悉各种集成电路,包括外部引脚的电气性能、功能以及使用方法,设计者要充分利用器件手册所提供的资料,灵活使用各有关的输入端和控制端,充分发挥器件功能,做到使用最少的集成块获得符合技术指标的最佳设计效果。

(2)设计举例

用数据选择器(74LS151)设计31天月份检查电路。

74LS151是八选一数据选择器,芯片的引脚排列如图2.2.2所示,其功能见表2.2.2。它有8个数据输入端D0、D1、D2、…、D7;两个互补输出端Y、;一个选通端S;三个数据选择输入端A、B、C;+5 V电源供电。74LS151的输出逻辑函数表达式为:

其功能见表2.2.2。

图2.2.2  74LS151引脚排列图

表2.2.2 74LS151功能表

31天月份检查电路的功能是查找在一年的12个月中那些月份有31天,那些月份没有31天。可用4个输入变量A3A2A1A0的取值所对应的十进制数表示月份数,若该月有31天,输出端Y为高电平(“1”),若该月没有31天,输出端Y为低电平(“0”)。由题意可以列出真值表见表2.2.3。

表2.2.3 31天月份检查真值表

(续表2.2.3)

由真值表写出表达式:

将上式与八选一数据选择器的逻辑表达式相比较。若选择变量A3A2A1分别接74LS151的选择输入端CBA,则有:

A0=D0=D1=D2=D3=D4=D5=D6D7=0

由此可以画出用74LS151实现31天月份检查的逻辑电路如图2.2.3所示。

图2.2.3 31天月份检查电路接线图

按图2.2.3接线并测试输出结果,判断是否符合设计要求。

3)实验内容和步骤

(1)测试74LS151、74LS138的功能。

①将74LS151插入实验箱IC空插座中。按图2.2.4接线,检查无误后,接通电源。

②按表2.2.4输入数据选择信号。观察输出结果,填入表中,并判断结果是否正确。

图2.2.4 74LS151功能测试接线图

表2.2.4 74LS151功能表

③按上述类似的方法和步骤测试74LS138的功能。自行设计测试电路,验证其功能填表2.2.5。

表2.2.5 74LS138功能表

(2)用74LS151设计一个四人表决电路。分别用W、X、Y、Z代表四个人,当有三个或三个以上同意为“1”,通过用“1”表示;不同意为“0”,不通过用“0”表示。

*(3)用74LS151设计一个厅堂灯的控制电路。要求在3个房间能独立控制灯的开和关,当一个开关动作后灯亮,则另一个开关动作灯灭。

(4)用74LS138和74LS20设计一全加器,74LS20为四输入与非门,引脚图见附录5。

实验内容2)、3)和4)请自拟真值表,自行设计电路,测试其功能。

4)实验器材

(1)数字电路实验箱1台。

(2)万用表1只。

(3)集成芯片:74LS151、74LS138、74LS20、74LS04。芯片引脚图见附录5。

5)预习要求

(1)熟悉组合逻辑电路设计方法和步骤。

(2)熟悉数据选择器和译码器的功能。

(3)熟悉74LS151和74LS138的逻辑功能及管脚排列顺序。

(4)按要求设计四人表决器和全加器。

6)实验报告要求

(1)实验目的和原理。

(2)电路设计完整过程。

(3)画出所有的实验电路并整理数据,填写相关真值表,判断是否符合设计要求。

(4)记录电路调试过程中遇到的问题和解决的方法。

(5)总结用MIS设计应用电路的方法,说明用MSI设计组合逻辑电路的优点。

7)思考题

在例题中有的同学通过线路搭接经检查认为正确无误后,进行通电实验,结果出现8月份以前正确,8月份以后则不正确,分析其原因。

2.2.3 集成计数器的设计

1)实验目的

(1)掌握集成计数器的逻辑功能的测试及其使用方法。

(2)掌握用集成计数器构成任意进制计数器的方法和功能测试方法。

2)实验原理和参考电路

计数器是实现“计数”功能的时序逻辑器件,它的应用十分广泛,不仅可用来记录脉冲的个数,也可用作分频、定时等。

计数器的种类很多:按时钟脉冲输入方式的不同,可分为同步计数器和异步计数器;按进位体制的不同,可分为二进制计数器、十进制计数器和N进制计数器;按计数的增减趋势的不同,可分为加法计数器、减法计数器和可逆计数器。

(1)几种集成计数器芯片功能

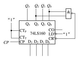
①74LS160:8421编码的同步十进制加法计数器。图2.2.5(a)、(b)分别是外引脚排列图和惯用符号,其中是异步清零端同步置数端,D3D2D1D0是数据输入端,Q3Q2Q1Q0是状态输出端,CTPCTT是计数允许控制端,CO是进位输出端,表2.2.6是74LS160的功能表。

图2.2.5  74LS160

表2.2.6 74LS160功能表

从功能表可知:

异步清零的含意是:只要当为低电平(=0)不管其他输入端(包括CR端)的状态如何, 计数器输出将被直接置零(Q3Q2Q1Q0=0000)。

同步清零的含意是:当为低电平(=0),并且在触发沿到来时,计数器才能被清零,计数器输出Q3Q2Q1Q0=0000。

同步置数的含意是:在为高电平(=1)的条件下,当为低电平(=0)并且在触发沿(上升沿)到来时,输入端的数据被置入计数器,使计数器输出端的状态等于输入端的数据,即Q3Q2Q1Q0=d3d2d1d0

图2.2.6 74LS190外引脚排列图

②74LS161:是4位二进同步加法计数器。其外引脚排列图、惯用符号和功能表与74LS160相同,也是端异步清零端同步置数。所不同的仅在于74LS161是4位二进加法计数器,而74LS160是十进制加法计数器。

③74LS190:是十进制可逆计数器。即通过控制可完成加/减计数。74LS190的外引脚排列图如图2.2.6所示,功能表见表2.2.7。

表2.2.7 74LS190功能表

从功能表中可知该芯片具有如下功能

a. 预置数:只要在置入端加入低电平,就可以对计数器置数,使Qn3Qn2Qn1Qn0=d3d2d1d0

b. 加/减计数:加/减控制端为低电平时,做加计数。计到最大数Qn3Qn2Qn1Qn0=1001时,最大/最小端(MAX/MIN端)输出为高电平,当输出从1001变到0000时,MAX/MIN端输出为低电平,同时,串行时钟脉冲在计数脉冲计到加结束与加开始的同时变化产生一个负脉冲。

加/减控制端为高电平时,做减计数。减到0时,最大/最小端(MAX/MIN端)输出为高电平,当输出从0000变到1001时,MAX/MIN端输出为低电平,同时,串行时钟脉冲在计数脉冲减结束与减开始的同时变化产生一个负脉冲。

串行时钟脉冲可作为多片级联中高位片的计数脉冲。

保持:允许端(G)为低电平时做加/减计数,为高电平时计数器处于保持工作状态。

(2)用集成计数器构成任意进制计数器的方法

集成计数器的产品通常为4位二进制计数器或十进制计数器,若需要N进制计数器时需要通过适当的连接而得到。下面是几种常见的连接方法:

①集成计数器的级联

当计数长度较长时,需要将两个以上的计数器串联(级联)起来使用。例如异步计数器可用本级的高位输出端与下一级CP端相连实现计数。同步计数器一般有一个或两个进位输出,它们提供不同的进位(或借位)信号,供电路级联使用。

②复位法(反馈归零法)

复位法是利用集成计数器的复位端(清零端)构成任意进制计数器的方法。计数器的清零分异步清零和同步清零两种。两者的区别在于:异步清零端不受时钟脉冲的控制只要有效电平到来,就立即清零,而无需再等下一个计数脉冲的有效沿到来;同步清零则需在计数脉冲的有效沿和清零端有效电平的共同作用下才能实现。由于这个差异,便存在两种复位方式:异步复位法和同步复位法。用复位法构成任意进制计数器的具体方法是:a. 根据所需构成的计数器的计数长度N,确定选用何种进制的计数器及数目;b. 写出N的二进制代码;c. 若采用异步复位方式,则计数器计到NQ=1的输出端连接到一个与非门的输入,与非门的输出连到计数器的复位端。若采用同步复位方式,则计数器计到N-1时Q=1的输出端连接到一个与非门的输入,与非门的输出连到计数器的复位端

③置数法

置数法是利用集成计数器的预置控制端(置数端)构成任意进制计数器的方法。有几种方法:一是利用置数端送0的复位法,即计数到所需进制时,置入状态(D3D2D1D0=0000);另一是可在计数器计到最大数时置入计数器状态图中的最小数,作为计数循环的起点;还可以在计数到某个数之后,置入最大数,然后接着开始计数。总之,在集成计数器状态转换图中选定所需的N个连续状态,以N个连续状态中最小的状态作为置入数,而最大的状态作为置数端(同步置数时)的控制信号,即可实现N进制计数。

3)实验内容和步骤

图2.2.7 74LS160功能测试原理图

(1)集成计数器74LS160和74LS190功能测试。

①集成芯片74LS160功能测试

芯片74LS160功能测试原理图如图2.2.7所示,并验证其功能是否与功能表2.2.6一致。

*②测试芯片74LS190功能

自行设计功能测试原理图,并验证其功能是否与功能表2.2.7一致。

(2)用集成计数器构成任意进制计数器。

①分别用74LS160的复位端和置数端构成五进制计数器

选取74LS160和74LS00各1片,分别按图2.2.8和图2.2.9接线,其中D3D2D1D0分别接四个逻辑开关,置相应的电平,Q3Q2Q1Q0分别接4个发光二极管,CTPCTT均接高电平,CP接单次脉冲或频率为几赫兹几十赫兹的连续脉冲,16脚接VCC,8脚接地。观察发光二极管的显示结果,填写状态表2.2.8,画出它们状态转换图。再将Q3Q2Q1Q0直接接数码管(LED)(经过译码后的显示电路),显示字形。

图2.2.8 用复位端构成五进制计数器

图2.2.9 用置数端构成五进制计数器

表2.2.8 状态表

②用74LS160构成三十六进制计数器

自行设计、安装调试电路,并通过LED显示其计数器功能。

*③用74LS190构成十进制可逆计数器。

自行设计、安装调试电路,并通过LED显示其计数器功能。

4)实验器材

(1)数字电路实验箱1台。

(2)万用表1块。

(3)集成芯片74LS00、 74LS20、74LS160、 74LS190等。芯片引脚图见附录5。

5)预习要求

(1)熟悉计数器的工作原理和用集成计数器构成任意进制计数器的方法。

(2)熟悉所用芯片的功能、符号和引脚排列。

(3)完成本实验要求的逻辑设计内容。

6)实验报告要求

(1)实验目的、内容和原理。

(2)电路的设计过程与逻辑电路图、芯片的功能表。

(3)电路的调试方法与步骤。

(4)实验数据及分析。

7)思考题

(1)采用中规模计数器构成N进制计数器时通常采用哪两种方法?

(2)设计用74LS161实现三十六进制计数器的电路。

2.3 综合应用型实验

2.3.1 计数、译码和显示电路

1)实验目的

(1)掌握集成计数器构成任意进制计数器的方法。

(2)熟悉译码器和数码显示器的功能及使用方法。

(3)培养学生由单元电路组成整体电路的能力。

2)实验原理和参考框图

在数字系统中,经常需要将数字、文字和符号的二进制编码翻译成人们习惯的形式直观的显示出来,以便查看。它的实现一般经过计数、译码和显示等步骤,下面重点介绍译码和显示部分。

(1)计数器

计数器是用以实现计数操作的电路。可用集成触发器或集成计数器构成任意进制的计数器,具体方法见实验2.2.3。

(2)显示译码器和数码管

计数器的输出经译码后驱动显示电路,由数码管显示字形,显示译码器和数码管的种类很多,本实验采用4-7线译码器/驱动器74LS48和七段共阴极数码管BS201配套使用。

显示器采用七段发光二极管显示器(LED数码管),如图2.3.1所示,用它可以直接显示十进制数。

74LS48的外引脚排列图和功能表分别如图2.3.2和表2.3.1所示。

图2.3.1 LED数码管

图2.3.2 74LS48的外引脚排列图

表2.3.1 74LS48功能

由表2.3.1可见,74LS48具有以下特点:

①消隐(也称灭灯)。只要/接低电平,则无论其他各输入端为何状态,所有各段输出ag均为低电平,显示器整体不亮。

②当要求输出数字~15时,消隐输入(/)应为高电平。如果不要灭十进制数0,则灭零输入()必须接高电平。 ③灯测试功能。当灯测试输入()加入低电平,并且/保持高电平时,ag各段输出均为高电平,显示器显示数字“8”。利用这一点常可用来检查显示器的好坏。

译码器驱动显示器的原理如图2.3.3所示。实验时只需对译码器的输入端QDQCQBQA按8421BCD码输入逻辑信号,数码管便能显示相应的十进制数字符号。

(3)计数、译码和显示电路

输入计数脉冲通过计数器计数, 计数器输出接到译码器再驱动显示器就构成计数、译码和显示电路,其电路如图2.3.4所示。

图2.3.3 译码器驱动显示器原理图

图2.3.4 计数、译码和显示电路

3)实验内容及步骤

(1)内容

①设计二十四进制、六十进制计数—译码—显示电路。完成线路搭接、电路调试,记录相关的数据。

*②设计一个能显示“时”“分”的时钟电路。计时周期为24小时,显示满刻度为23时59分后回零,显示“0000”。

上述电路应由计数、译码和显示三部分组成,其原理框图如2.3.5所示。

图2.3.5 显示“时”“分”时钟电路原理框图

(2)步骤

①用芯片74LS160或74LS161,自行设计“时”二十四进制计数和“分”六十进制计数电路。

②检查无误后接通电源。

③在CP脉冲作用下,观察显示器所显示的数字变化。

4)实验器材

(1)数字电路实验箱1台。

(2)万用表1块。

(3)集成芯片、数码管等若干,芯片引脚图见附录5。

5)预习要求

(1)熟悉计数、译码和数码显示的工作原理。

(2)按要求设计电路(画出二十四进制、六十进制计数译码显示的电路原理图)。

(3)熟悉所使用集成芯片功能、使用方法,外引线排列图。

6)实验报告要求

(1)实验目的、内容和原理。

(2)芯片的功能表、电路的设计过程及逻辑电路图。

(3)记录实验数据(列表、画图等)及数据分析、结论。

7)思考题

(1)在十进制加计数译码显示实验中,数码有时会显示0、 2、 4、…和1、 3、 5、…数码,分析其原因。

(2)本次实验中二十四进制、六十进制电路中的74LS48换成74LS47接入电路,其他环节不变可以吗?为什么?

2.3.2 移位寄存器及其应用

1)实验目的

(1)掌握集成移位寄存器74LS194的逻辑功能和使用方法。

(2)学会用74LS194构成环形和扭环形计数器。

(3)掌握时序电路的设计方法,培养独立设计简单电路的能力。

2)实验原理和参考电路

(1)移位寄存器

寄存器是用来存储代码或数据的逻辑部件。若寄存器中各位数据在移位控制信号的作用下,能依次向高位或低位移动1位,具有这种移位功能的寄存器称为移位寄存器。

图2.3.6 74LS194外引脚排列图

74LS194是一个4位双向移位寄存器,它具有左移、右移、保持、清零、数据的并行输入,输出和串行输入等多种功能。它的管脚排列如图2.3.6所示,逻辑功能见表2.3.2。

由表2.3.2可知,74LS194具有如下功能:

①清除:当=0时,不管其他输入为何状态,输出为全0状态。

②保持:CP=0,=1时,其他输入为任意状态,输出状态保持。或者=1,M1M0均为零,其他输入为任意状态,输出状态也将保持。

③置数(送数):=1,M1=M0=1,在CP脉冲上升沿时,将数据输入端的数据D0D1D2D3置入Q0Q1Q2Q3中并寄存。

④右移:=1,M1=0,M0=1,在CP脉冲上升沿时,实现右移操作,此时若DSR=0,则向Q0移位,若DSR=1,则1向Q0移位。

⑤左移:=1,M1=1,M0=0,在CP脉冲上升沿时,实现左移功能。此时若DSL=0,则0向Q3移位,若DSL=1,则把1向Q3移位。

表2.3.2 74LS194逻辑功能表

(2)移位寄存器的应用

在工程实际中常用移位寄存器构成环形计数器和扭环形计数器。用74LS194构成的环形计数器和能自启动的扭环形计数器如图2.3.7所示。

图2.3.7 74LS194双向移位寄存器的应用

在图2.3.7(a)中,输入4个移位脉冲,完成一次移位循环,它的模M=4。这种环形计数器无自启动能力,必须在启动计数操作前,先预置某个数在移位寄存器内(如1000),然后再进行循环计数。

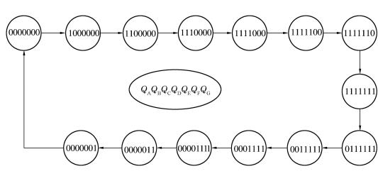
图2.3.7(b)为2片74LS194构成的M=14的自启动扭环形计数器,其状态表如图2.3.8所示。

图2.3.8 用74LS194构成模M=14的自启动扭环形计数器状态图

3)实验内容及步骤

(1)集成移位寄存器基本功能验证

将74LS194插入集成芯片插座,按图2.3.9接线。16脚接电源正+VCC,8脚接地,输出端Q0、Q1、Q2、Q3接4只LED发光二极管,工作方式控制端M1、M0及清零端C分别接逻辑开关K1K2K3,CP端接单次脉冲,数据输入端D0、D1、D2、D3分别接4个逻辑开关(或数据开关)。接线完毕无误,接通电源,即可按照表2.3.2,对74LS194双向移位寄存器进行功能验证。

图2.3.9 74LS194双向移位寄存器实验接线图

①清除(零):拨动K3,使C=0,这时Q0、Q1、Q2、Q3接的4只LED发光二极管全灭,即Q0Q1Q2Q3=0000。

②保持:使C=1,CP=0状态,拨动逻辑开关K1(M1)和K2(M0),输出状态不变。或者使C=1,M1=M0=0,按动单次脉冲,这时输出状态仍不变。

③置数:使C=1,M1=M0=1(即K1=K2=1),置数据开关为1010,按动单次脉冲,这时数据1010已存入Q0~Q3中,LED发光二极管此时为亮、灭、亮、灭(即1010)。变换数据D0~D3=0101,输入单次脉冲,则数据0101在CP上升沿时存入Q0~Q3中。

④右移:把Q3接到DSR,见图2.3.9中虚线,按上述方法先置入数据1000(这时使C=1,M0=M1=1,D0~D3=1000)。再置M1=0,M0=1为右移方式,输入单次脉冲,移位寄存器这时在CP上升沿时实现右移操作。按动4次单次脉冲,一次移位循环结束,即如图2.3.10(a)状态图所示。

⑤左移:将Q3连到DSR的线断开,而把Q0接到左移输入DSL端,其余方法同上述右移。即C=1,M1=1,M0=0,(寄存器起始态仍为1000)则输入四个移位脉冲后,数据左移,最后结果仍为1000。其左移状态图见图2.3.10(b)。

图2.3.10 74LS194右移、左移状态图

再把Q3接到DSL(Q0与DSL连线断开),输入单次脉冲,观察移位情况,并记录分析之。

(2)用74LS194构成一个计数器。

①环形计数器:按图2.3.7 (a)接线,Q0~Q3接4只LED发光二极管,DSR与Q3相连,D0~D3接逻辑开关(或数据开关),M1、M0、C分别接逻辑开关和复位开关,CP接单次脉冲,16脚、8脚分别接电源+VCC极和地。

接线完毕,预置寄存器初态Q3Q2Q1Q0=0001状态,并使M0=1,M1=0,C=1,寄存器处于移位(右移)状态,即环形计数状态。输入单次计数脉冲,观察LED发光二极管Q0~Q3状态。不难发现Q0~Q3按右移方式状态出现,且一次循环为4个脉冲,即计数器的模M=4。

②扭环形计数器:按图2.3.7(b)接线,进行实验论证。比较计数器的状态与图2.3.8所示M=14的状态是否一致。

(3)设计一彩灯控制电路,共有8只彩灯,使其7暗1亮(或7亮1暗)且这一亮灯(或一暗灯)循环右移,输入1 Hz连续脉冲信号,输出用发光二极管监测。

*(4)移位寄存器的应用

设计一个汽车尾灯控制电路。

汽车尾灯每侧有3盏灯,作为行驶方向的指示标志。当汽车正常往前行驶时6盏尾灯全是暗的。右转弯时,右边的3盏灯亮与暗的顺序如图2.3.11(a)所示,3盏灯依次由前往后闪亮,同时左边的3盏灯全暗(●为亮,○为暗)。左转时,左边的3盏灯亮与暗的顺序如图2.3.11(b)所示,3盏灯依次由后往前闪亮,同时右边的3盏灯全暗。紧急刹车时,六盏尾灯全亮。

图2.3.11 汽车尾灯状态转换图

用6个发光二极管模拟6盏尾灯(每侧3个),并用3个置位开关分别控制右转弯、左转弯和紧急刹车三种状态。

设计提示:转弯时,指示灯依次闪亮可由移位寄存器完成。设转弯开关分别为K1(左)、K2(右)、紧急刹车开关为K3。根据题意,工作状态如下:

4)实验器材

(1)数字电路实验箱1台。

(2)万用表1块。

(3)集成电路74LS194、74LS04、与非门,或非门等。芯片引脚图见附录5。

5)预习要求

(1)熟悉移位寄存器的工作原理。

(2)熟悉74LS194双向移位寄存器的逻辑功能、管脚排列及其各种应用方法。

(3)画出模拟汽车尾灯控制电路图。

6)实验报告要求

(1)实验目的、内容。

(2)绘制各实验电路图、时序图和状态图。

(3)整理实验数据,分析实验结果。

7)思考题

说明寄存器的功能、种类、及应用。

2.3.3 555集成定时器及其应用

1)实验目的

(1)掌握555集成定时器的功能及使用方法。

(2)熟悉用555集成定时器构成多谐振荡器、单稳态触发器、施密特触发器等应用电路的方法。

(3)培养学生在给定电路结构的情况下,完善电路的能力。

2)实验原理和参考电路

图2.3.12 555外引脚排列

555定时器是一种中规模集成电路,只需外接少量的阻容元件就可以构成多谐振器、单稳态触发器和施密特触发器等脉冲产生和变换电路。所以它广泛应用于工业自动控制、定时、仿声、防盗报警等方面。555器件的电源电压为4.5~18 V,驱动电流一般在200 mA左右,并能提供与TTLCMOS电路相兼容的逻辑电平。

555定时器的外引线排列如图2.3.12所示,其功能说明见表2.3.3。

表2.3.3 555定时器功能表

由555定时器组成的多谐振荡器、施密特触发器和单稳态触发器分别如图2.3.13(a)、(b)和(c)所示。

图2.3.13 555定时器组成的基本应用电路

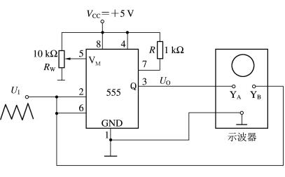
在图2.3.13(a)中,调节RW可产生脉宽可变的矩形波输出,其周期T≈0.7(R+2RW)C。在图2.3.13(b)中,若接到输入端(2脚、6脚)的信号UI是正弦波、三角波或其他不规则的波形,则在Q端输出一个矩形波。在图2.3.13(c)中,若接到输入端(2脚)的信号UI是一个负跃变的窄脉冲,则在Q端输出延时的正脉宽信号TW=1.1R1C

3)实验内容及步骤

(1)静态测试555定时器功能

将555定时器插入集成芯片插座。复位端(4脚),高电平触发端TH(6脚)和低电平触发端(2脚)分别接开关,输出端Q(3脚)接发光二极管,用万用表测量放电端T1状态(7脚)的状态,控制端(5脚)接一个0.1 μF电容到地。按表2.3.3测试555定时器的功能。

(2)555定时器的应用电路

①组成多谐振荡器

由555定时器组成的多谐振荡器见图2.3.13(a)。

a. 按图2.3.13(a)接线,输出端Q接发光二极管和示波器。检查无误后,接通电源。

b. 调节RW的值可看到发光二极管闪烁的变化,也可从示波器上观测脉冲波形的变化。记录输出波形频率为1 kHz时的幅值。

c. 该实验完成后电路不要拆,留作单稳态实验的信号源。

*②组成单稳态触发器

由555定时器组成单稳态触发器见图2.3.13(c)。

a. 按图2.3.13(c)接线,用多谐振荡器的输出作为单稳态的输入,单稳态的输出端Q接示波器,检查无误后,接通电源。

图2.3.14 单稳态触发器工作波形

b. 调节多谐振荡器的RW,即合理选择单稳态输入信号的频率及脉宽,然后用示波器观测输出波形,测出TW,并与理论值比较。

注意:单稳态触发器的输出信号用多谐振荡器的输出信号,调节其输入触发脉冲的重复周期T时必须满足T>TW,这样,才能保证每一个输入信号的低电平(T1期间)起作用。另外T1必须满足T1<TW,即满足T1<TW<T的条件,如图2.3.14所示。

*③组成压控振荡器

图2.3.15 施密特触发器构成压控振荡器

图2.3.15是由555定时器组成的施密特电路,它通过调节其5脚的电压来控制输出信号频率,实现压控振荡。

a. 对照图2.3.15接线。其中555的2和6脚接在一起,接至函数信号发生器,选择三角波或正弦波输出(幅值调至5 V),UIUO(Q)端接双踪示波器。

b. 接线无误后,接通电源,输入三角波或正弦波形,并调至一定的频率,观察输入、输出波形的形状。

c. 调节RW,使外加电压VM变化(0~5 V),观察示波器输出波形随VM的变化找出频率的变化范围。

图2.3.16 用555定时器构成的声光报警电路原理图

④组成声光报警电路

声光报警是一种防盗装置,在有情况时它通过指示灯闪光和扬声器鸣叫同时报警。要求指示灯闪光频率为1~2 Hz,扬声器发出间隙声响的频率约为1 000 Hz,指示灯采用发光二极管,其原理图如图2.3.16所示。

电路由2个555多谐振荡器组成,第一个振荡器的振荡频率为1~2 Hz时,第二个振荡器的振荡频率为1 000 Hz。将第一个振荡器的输出(3脚)接到第二个振荡器的复位端(4脚)。在U01输出高电平时,第二个振荡器振荡;输出低电平时,第二个振荡器停振。这样,扬声器将发出间隙声响。

a. 根据要求,完善电路,确定R1R2R3R4C1C2的值。

b. 按图2.3.16接线,接线无误后,接通电源。观察指示灯的闪烁频率和倾听扬声器鸣叫声。

c. 用示波器观察输出波形UO1UO2

4)实验器材

(1)数字电路实验箱1台。

(2)示波器1台。

(3)函数信号发生器1台。

(4)万用表1块。

(5)集成电路:555定时器2片,芯片引脚图见附录5。

(6)电阻、电容:若干;扬声器(蜂鸣器)1只。

5)预习要求

(1)熟悉555集成定时器的工作原理、外引线排列和功能表。

(2)熟悉由555定时器构成的上述各种应用电路的工作原理及工作波形。

(3)计算未定元件参数。

(4)熟悉相关仪器的使用方法。

6)实验报告要求

(1)实验目的、内容。

(2)整理实验线路、实验数据,绘出各实验波形。

(3)分析TW理论值和实验测试值的误差。

(4)由实验内容④,记录下满意的音频信号发生器最后调试的电路参数(各阻值、电容值、频率大小)。

7)思考题

(1)多谐振荡器的振荡频率主要由哪些元件决定?

(2)如何构成一个占空比可调的多谐振荡器,画出电路、分析其工作原理。

*2.3.4 数模(D/A)和模数(A/D)转换器及其应用

1)实验目的

(1)熟悉D/A转换器和A/D转换器的工作原理。

(2)熟悉D/A转换集成芯片DAC0832和A/D转换集成芯片ADC0809的性能及使用方法。

(3)培养学生综合设计电路的能力。

2)实验原理和参考电路

数模(D/A)转换,就是把数字信号转换成模拟信号,而模数(A/D)转换则是把模拟信号转换成数字信号。随着集成技术的发展,中大规模的D/A和A/D转换集成块相继出现,这里选用8位的D/A集成转换器DAC0832和8位的A/D集成转换器ADC0809进行实验。

(1)D/A转换器DAC0832简介

DAC0832是CMOS工艺,共20个引脚。它内部有两个数据寄存器和一个R-2R倒T电阻网络,其结构框图和外引接排列如图2.3.17(a)、(b)所示。现将各引脚的名称和功能介绍如下:

图2.3.17 DAC0832芯片

“1”():片选信号,低电平有效。

“2”():数据输入选通信号,低电平有效。

“3”(AGND):模拟地。

“7”~“4”(DI0DI3)、“16”~“13”(DI4DI7):数字输入端,由低位至高位,共8位。

“8”(UR):参考电压输入端。

“9”(Rf):运算放大器输出接DAC的反馈输入端。

“10”(DGND):数字地,通常与AGND接在一起。

“11”(IO1)、“12”(IO2):DAC的两个电流输出端。

“17”():数据传送控制信号,低电平有效,它控制输入寄存器的内容是否传送给DAC寄存器。

“18”():数据传送选通信号,低电平有效。

“19”(ILE):输入允许信号,高电平有效。

“20”(VCC):接电路工作的电源电压,其值为+(5~15)V。

由图2.3.17(b)的框图可见,由于采用了两个寄存器,因而使该器件的操作具有很大的灵活性,它可以在输出对应于某一数字信号的模拟量的同时,采集下一个数据。

芯片的工作过程是:当ILE同时为有效电平时,将DI7DI0数据线上的数据送入到输入寄存器中;当同时为有效电平时,才将输入寄存器中的数据传送至DAC寄存器。

图2.3.18 DAC0832实验测试接线图

由于DAC0832中不包含求和运算放大器,所以需要外接运算放大器,才能构成完整的DAC,电路如图2.3.18所示。图中当VREF接+5 V(或-5 V)时,输出电压范围是(0~-5)V或(0~+5)V。由于其输出电压只有一个极性方向,故称这种输出方式为单极性输出方式。在自动控制或数据采集系统中,有时希望DAC具有双极性的输出电压,为此,只要在图2.3.18的基础上增加一个运算放大器即可,电路如图2.3.19所示。

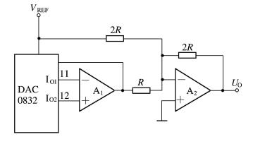
图2.3.19 DAC0832双极性接法

(2)A/D转换器ADC0809简介

ADC0809为CMOS工艺,共28个引脚,它的转换方法为逐次逼近法。图2.3.20(a)、(b)是它的结构框图和外引脚图。各引脚功能为:

图2.3.20 ADC0809芯片

IN0IN7:八个模拟量输入端。

START:启动A/D转换,当START为高电平时,开始A/D转换。

EOC:转换结果信号。当A/D转换完毕之后,发出一个正脉冲,表示A/D转换结束,此信号可用做A/D转换是否结束的检测信号或中断申请信号(加一个反相器)。

CBA:通道号地址输入端,CBA为二进制数输入,C为最高位,A为最低位,CBA从000~111分别选中通道IN0IN7

ALE:地址锁存信号,高电平有效。当ALE为高电平时,允许CBA所示的通道被选中,并把该通道的模拟量接入A/D转换器。

CLOCK:外部时钟脉冲输入端,改变外接RC可改变时钟频率。

D7D0:数字量输出端。

VREF(+),VREF(-):参考电压端子,用来提供片内D/A转换器权电阻的标准电平。一般VREF(+)=5 V,VREF(-)=0 V。

VCC:电源电压,+5 V。

GND:接地端。

3)实验内容及步骤

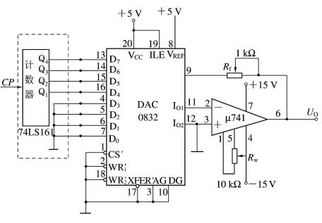
(1)D/A转换器

把DAC0832、μA741等插入实验箱,按图2.3.18接线,不包括虚线框内。即D7D0接实验系统的逻辑开关,均接0,AGND和DGND相连接地,ILE接+5 V,参考电压接+5 V,运放电源为±15 V,调零电位器为10 kΩ。

①接线检查无误后,置逻辑开关D7D0为全0,接通电源,调节运放的调零电位器,使输出电压UO=0。

②再置逻辑开关全1,调整Rf,改变运放的放大倍数,使运放输出满量程。

③数据开关从最低位逐位置1,并逐次测量模拟电压输出UO,填入表2.3.4中。

表2.3.4 实验记录

④再将74LS161构成二进制计数器,对应的4位输出Q4Q3Q2Q1分别接DAC0832的D7D6D5D4,低4位接地(这时和逻辑开关相连的线全部断开)。

⑤输入CP脉冲,用示波器观测并记录输出电压的波形。

(2)A/D转换器

①在实验系统中插入ADC0809IC芯片,其中D7D0分别接入8只发光二极管LED,CLK接实验箱的连续脉冲,地址码ABC接逻辑开关或计数器输出,其余按图2.3.21接线。

②接线完毕,检查无误后,接通电源。调CP脉冲至最高频(频率大于1 kHz以上),再置逻辑开关为000,调节RW,并用万用表测量UI为4 V,再按一次单次脉冲(注意单次脉冲接START信号,平时处于低电平逻辑0,开始转换时为高电平逻辑1),观察输出D7D0发光二极管(LED显示)的值,并做记录(表格自拟)。

③再调节RW,使UI为+3 V,按一下单次脉冲,观察输出D7D0的值,并做记录。

④按上述实验方法,分别调节UI为2 V、1 V、0.5 V、0.2 V、0.1 V、0 V进行实验,观察并记录每次输出D7D0的状态。

⑤调节RW,改变输入UI,使D7D0全1时,测量这时的输入转换电压值为多少。

⑥改变逻辑开关值为001,这时将UIIN0改接到IN1输入,再进行②~⑤的实验操作。

⑦ 按⑥办法,可分别对其余的6路模拟量输入进行测试。

⑧ 将CBA三位地址码接至计数器(计数器可用JK、D触发器或用74LS161构成)的3个输出端,再分别置IN0IN7电压为0 V、0.1 V、0.2 V、0.5 V、1 V、2 V、3 V、4 V,单次脉冲接START,改接为“高电平”(即一直转换)信号。再把单次脉冲接计数器的CP端。

⑨ 按动单次脉冲计数,观察输出D7D0的输出状态,并做记录(表格自拟)。

如果要进行16路的A/D转换,则可以用2只ADC0809组成,地址码CBA都连起来,而用片选OE端分别选中高、低2片。这样在0~7时,选中IN0IN7;8~15时,选中IN8IN15

图2.3.21 ADC0809实验原理接线图

(3)(D/A)和 (A/D)转换器的应用

①用DAC0832构成锯齿波发生器。设计一个用DAC0832、计数器、低通滤波器组成的锯齿波发生器,其框图如图2.3.22所示。

图2.3.22 锯齿波发生器框图

时钟脉冲送入计数器进行计数,其输出结果送D/A转换器的输入,D/A转换器的输出则为周期阶梯电压波形,再通过低通滤波器,输出为锯齿波。待计数器计满之后,自动清零,产生下一个锯齿波。

a. 按图2.3.22所示框图设计实验电路。

b. 安装调试。

c. 加入脉冲信号,用示波器观察输出波形。

②用ADC0809构成采样显示电路。设计一个用ADC0809、七段译码显示器,实现单路模拟信号采样的显示电路,模拟信号采用变化比较缓慢的信号,显示器用十六进制计数。

a. 根据要求设计电路,并接线。

b. 加入100 kHz脉冲信号对直流0~5 V电压进行采样,通过数码管显示。

c. 记录转换后的十六进制计数,并作出输入输出关系曲线。

4)实验器材

(1)数字电路实验箱1台。

(2)直流稳压电源1台。

(3)示波器1台。

(4)万用表1块。

(5)集成电路: DAC0832、ADC0809、74LS161、μA741各1片、七段译码显示器2片等。

(6)电位器:10 kΩ,1 kΩ各1只。

(7)电阻、电容若干。

5)预习要求

(1)熟悉D/A转换器和A/D转换器的工作原理。

(2)熟悉DAC0832芯片和ADC0809芯片的功能、了解它们的外引线排列和使用方法。

(3)预先画好实验中有关的数据记录表格。

(4)根据要求设计电路,并画好实验接线图。

6)实验报告要求

(1)画出实验电路,整理所测实验数据。

(2)分析理论值和实际值的误差。

(3)绘出所测得的电压波形,并进行比较、分析。