11.3 数控铣床的程序编制
数控铣床品种繁多,不同厂家生产的数控铣床所采用的数控系统在编写程序时,格式和指令是有所不同的,但编程的基本方法和原理是相同的。本节以 FANUC 数控系统为例介绍数控铣床程序编制的方法。
11.3.1 数控铣床编程指令功能
各种数控系统的功能除了一些特殊功能有所不同外,其主要指令功能基本相同。数控铣床编程常用指令功能见表11-1,具体使用时应参照数控铣床编程说明书。
表11-1 常用文字码及其含义

11.3.2 数控铣床对刀
1.工件坐标系原点为毛坯孔或外形的对称中心
(1)采用百分表对刀
1)用磁性表座将百分表粘在机床主轴上,低速旋转主轴。
2)手动操作使旋转的表头依 X、Y、Z 的顺序逐渐靠近被测表面。
3)移动 Z 轴,使表头压住被测表面,指针转动约0.1mm。
4)调整移动 X、Y 位置,使得表头旋转一周时,其指针的跳动量在允许的对刀误差内(如0.02mm),记下此时机床坐标系中的 X、Y 坐标值,此 X、Y 值即为 G54建立工件坐标系时的X、Y 偏置值。
(2)采用寻边器对刀 寻边器主要用于确定工件坐标系原点在机床坐标系中的 X、Y值,最常用光电式寻边器的测头一般为10mm 的钢球,用弹簧拉紧在光电式寻边器的测杆上。将寻边器和普通刀具一样装夹在主轴上,其测头碰到工件时可以退让,并将电路导通,发出光信号。逐步降低步进增量,使触头与工件表面处于极限接触(进一步即点亮,退一步则熄灭),即认为定位到工件表面的位置处。
2.工件坐标系原点为毛坯相互垂直的基准边线的交点
(1)按 X、Y 轴移动方向键,使刀具或寻边器移到工件左(或右)侧空位的上方。再让刀具下行,最后调整移动 X 轴,使刀具圆周刃口或寻边器接触工件的左(或右)侧面,记下此时刀具在机床坐标系中的 X 坐标 Xa。然后按 X 轴移动方向键使刀具或寻边器离开工件左(或右)侧面。
(2)用同样的方法调整移动到刀具圆周刃口或寻边器接触工件的前(或后)侧面,记下此时的 Y 坐标 Ya。最后让刀具离开工件的前(或后)侧面,并将刀具回升到远离工件的位置。
(3)如果已知刀具或寻边器的直径为 D,则基准边线交点处的坐标应为(Xa+D/2,Ya+D/2)。
3.刀具 Z 向对刀
Z 向对刀点通常都是以工件的上表面或下表面为基准的,这可利用 Z 向设定器进行精确对刀,其原理与寻边器相同。
11.3.3 编程原点的设置
1.G92指令设置
指令格式:
;
G92指令是将编程原点设定在相对于刀具起始点的某一空间点上,即编程原点距刀具起始点距离为 X=-a ,Y=-b ,Z=-c 的位置上。
例:G92X20.0Y10.0Z10.0;
执行后刀具无实际移动,仅仅确立编程原点 O 在距离刀具 X=-20,Y=-10,Z=-10的位置上,如图11-7所示。

图11-7 G92设置工件坐标系
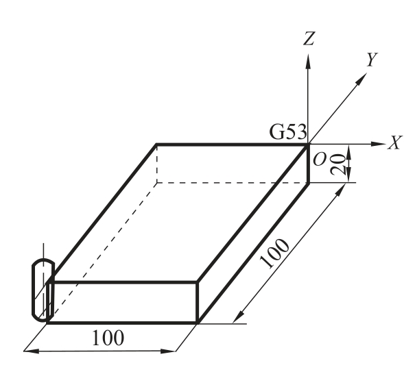
2.G53指令
指令格式:
;
G53指令使刀具快速定位到机床坐标系中的指定位置上,式中 X、Y、Z 后的值为机床坐标系中的坐标值。G53为非模态指令,当刀具要移动到机床上某一预选点时使用该指令。
例:G53G90X-100.0Y-100.0Z-20.0;
则执行后刀具在机床坐标系中的位置如图11-8所示。

图11-8 G53设置工件坐标系
3.G54~G59指令
在工作台上同时加工多个零件或一个较复杂的零件时,为了便于编写程序,编程人员可以设定多个编程坐标系,并在程序中用 G54~G59指令进行选择。如图11-9所示,与G54~G59相对应的1~6号工件坐标系。

图11-9 G54~G59设置的工件坐标系
指令格式:
;
该指令执行后,所有坐标值指定的坐标尺寸都是选定的工件坐标系中的位置。1~6号工件坐标系必须在加工前通过 CRT/MDI 偏置页面预先设定。
【例11-1】 如图11-10所示,使用工件坐标系编程:要求刀具从当前点移动到 A 点,再从 A 点移动到 B 点。
O0001
G54G00G90X40.0Z30.0;
G59;
G00X30.0Z30.0;
M30;

图11-10 G54~G59指令使用示例
4.注意事项
(1)G54~G59是在加工前设定好的坐标系,而 G92是在程序中设定的坐标系,用了G54~G59就没有必要再使用 G92,否则 G54~G59会被替换,应当避免。
(2)G92需单独一个程序段指定,在使用 G92之前必须保证刀具处于加工起始点,执行该程序段只建立工件坐标系,并不产生坐标轴移动。G92建立的工件坐标系在机床重开机时消失。
(3)G54~G59指令可单独指定,也可与其他指令同段指定,如果该程序段中有位置移动指令(G00、C01)就会在设定的坐标系中运动;G54~G59建立工件坐标系在机床重新开机后并不消失,并与刀具的起始位置无关。
(4)G92坐标指令设定工件坐标系是在程序中直接进行指定,而用 G54~G59设定工件坐标系时,必须将 G54~G59设置在寄存器中,编程中再用程序指定。
以上所列工件坐标系的设置方法,仅是 FANUC 系统中常用的方法之一,其他数控系统的设置方法应按随机说明书执行。
11.3.4 刀具半径补偿功能G40、G41、G42
数控机床在实际加工过程中是通过控制刀具中心轨迹来实现切削加工任务的。在编程过程中,为了避免复杂的数值计算,一般按零件的实际轮廓来编写数控程序,但刀具具有一定的半径尺寸,如果不考虑刀具半径尺寸,那么加工出来的实际轮廓就会与图纸所要求的轮廓相差一个刀具半径值。因此,采用刀具半径补偿功能来解决这一问题。
如图11-11所示,沿刀具走刀方向,当刀具在工件轮廓左侧时为左补偿,用 G41表示;当刀具在工件轮廓右侧时为右补偿,用 G42表示;G40为取消刀补。在针对具体零件编程中,要注意正确选择 G41、G42,以保证顺铣和逆铣的加工要求。

图11-11 刀具补偿方向
【例11-2】 使用半径为 R5mm 的刀具加工如图11-12所示的零件,加工深度为5mm,加工程序编制如下:

图11-12 刀具半径补偿功能加工实例
O0002
G54G90G40G01Z40.0F2000;
M03S500;
G01X-50.0Y0.0;
Z-5.0F100;
G01G42X-10.0Y0.0D01;
X60.0Y0.0;
G03X80.0Y20.0R20.0;
X40.0Y60.0R40.0;
G01X0.0Y40.0;
X0.0Y-10.0;
G40X0.0Y-40.0;
Z40.0F2000;
M05;
M30;
11.3.5 刀具长度补偿指令G43、G44、G49
刀具长度补偿指令用于补偿编程的刀具和实际使用的刀具之间的长度差。刀具长度补偿是在与插补平面垂直的轴上进行的,立式数控铣床或铣削加工中心,刀具长度补偿是在Z 轴方向上,即刀具轴线方向。G43为长度正补偿、G44为长度负补偿、G49为取消长度补偿。
指令格式:G43(G44)G00(G01)Z _H_;
G49G00(G01)Z _ ;
其中,Z 为编程时刀具运动终点的坐标,H为长度补偿偏置量的存储器地址号,偏置量用MDI 方式输入系统。执行程序时,指定的 Z 轴终点坐标应与 H 代码中指定的偏移量进行运算,G43时相加,G44时相减,然后把运算结果作为终点坐标进行加工。
【例11-3】 如图11-13所示,刀具长度比编程的刀具短4mm,刀号为 T0101,记录在刀具偏置表中的值 H01=-4,使用 G43编程如下。
O0003
G90G54G00X50.0Y35.0;
M03S500T01;
G43Z-25.0H01;
G91G01Z-12.0F150;
G00Z12.0;
X40.0;
G01Z-17.0;
G00G49Z42.0;
M05;
M30;

图11-13 刀具长度补偿功能加工实例
11.3.6 孔加工固定循环
数控加工中,某些加工动作循环已经典型化。例如,钻孔、镗孔的动作都是孔位平面定位、快速引进、工作进给、快速退回等一系列典型的加工动作,这样就可以预先编好程序,存储在内存中,并可用一个 G 指令调用,从而简化编程工作,称为固定循环。
1.孔加工循环的动作
孔加工循环一般由以下6个动作构成,如图11-14所示,其中实线表示切削进给,虚线表示快速运动。R 平面为在孔口时,快速运动与进给运动的转换位置。
动作1:X、Y 轴定位;
动作2:快速定位到 R 点(参考点);
动作3:孔加工(钻孔、镗孔、攻螺纹等);
动作4:在孔底的动作(进给暂停、刀具偏置等);
动作5:快速退回到 R 点(参考点);
动作6:快速返回到初始点。

图11-14 孔加工循环
2.孔加工固定循环指令
孔加工固定循环指令有 G73、G74、G76、G80~G89,都是模态指令,可以由 G80或G01、G02、G03等代码取消。其指令格式可概括如下:
G90(G91)G98(G99)G73(G74、G76、G80~G89)X_ Y_ Z_ R_ Q_ P_ F_ K_;
式中: G90(G91)——绝对坐标编程或增量坐标编程;
G98(G99)——指定孔加工循环结束后刀具返回的平面,G98返回起始平面;G99返回R 平面;
G73、G74、G76、G80~G89——孔加工方式,如高速深孔钻、镗孔等。
X、Y——孔的位置坐标;
Z——孔底坐标;
R——R 面(安全面)的坐标;
Q——每次切削深度;
P——刀具在孔底的暂停时间;
F——切削进给速度;
K——规定重复加工次数。
3.各固定循环指令的使用场合
(1)钻孔循环(钻中心孔)指令 G81和带暂停的钻孔循环指令 G82 G81、G82为普通钻孔循环指令,刀具钻至孔底后快速返回到初始平面或 R 平面,其中 G82指令可在孔底暂停,其暂停时间由地址 P 给出。G81、G82指令一般用于加工孔深小于5倍直径的孔,其中G82该指令主要用于扩孔和沉头孔的加工,以提高孔深的精度。
(2)高速深孔啄式加工循环指令 G73和深孔加工指令 G83 当加工孔的深度大于孔直径的3~5倍时,由于是深孔加工,不利于排屑,故采用分次进给的方式加工。G73的加工过程如图11-15所示,分多次工作进给,其中 Q 为增量值,指定每次切削深度;d 为每次进给后的排屑退刀量,由系统参数设定。

图11-15 深孔加工循环动作
G83与 G73的不同点在于,G83每次进给后刀具均返回到 R 平面,可将切屑带出孔外,以免切屑将空塞满而增加钻削阻力。
(3)镗孔加工指令 G85、G86、G89 G85指令动作与 G81相同,刀具为镗刀,镗至孔底后刀具以工进速度退刀到参考平面;G86指令中,当刀具到达孔底后,主轴停止并快速退出,其他与 G85相同,一般用于粗镗;G89指令中,当刀具到达孔底后,进给暂停,其暂停时间由地址 P 给出,其余与 G85相同。
(4)精镗循环指令 G76 G76指令中,当刀具到达孔底后有三个动作,即进给暂停、主轴准停、刀具沿刀尖的反向偏移 q 值后快速退出。这样可保证刀具不划伤孔的内表面,地址 P 指定暂停时间,地址 Q 指定偏移值 q,一般为正数,移动方向由机床参数设定。其余与G85相同。图11-16所示为 G76精镗循环的工作过程。

图11-16 G76精镗循环的工作过程
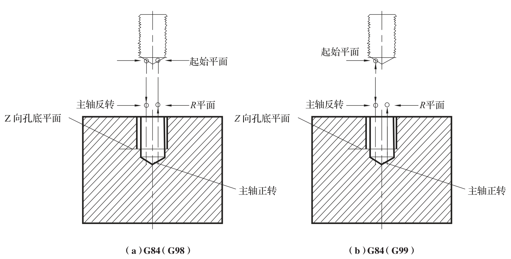
(5)攻螺纹指令 G84 G84指令用于切削右旋螺纹孔。向下切削攻丝时主轴正转,刀具正向进给;刀具到达孔底后,主轴反转,刀具以反向进给速度退出。此时程序中的进给速度 F 与螺纹导程相关,在 G84切削螺纹期间速率修正无效,移动将不会中途停顿,直到循环结束。G84右旋螺纹加工循环工作过程如图11-17所示。

图11-17 G84右旋螺纹加工循环工作过程
(6)左旋攻螺纹指令 G74 G74指令用于切削左旋螺纹孔。主轴反转进刀,正转退刀,正好与 G84指令中的主轴转向相反,其他运动均与 G84指令相同。
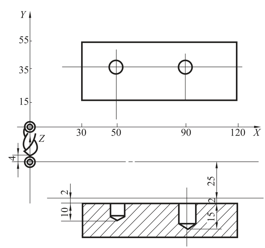
【例11-4】 加工如图11-18所示零件,请编写钻孔循环程序。
O0004
M06T01;选用01号刀
G90G54G00X0.0Y0.0;
M03S500;
G43Z30.0H01;
G81G99X10.0Y10.0Z-15.0R5.0F30;
X50.0;
Y30.0;
X10.0;
G00Z30.0;
M05;
M30;

图11-18 钻孔循环加工实例
11.3.7 子程序调用
编程时,为了简化程序的编制,当一个工件上有相同的加工内容时,常用调子程序的方法进行编程。调用子程序的程序叫做主程序,M98为子程序调用指令,子程序的编号与一般程序基本相同,只是程序结束字为 M99,表示子程序结束并返回到主程序中。

其中,P 后的前3位数为子程序被重复调用的次数,当不指定重复次数时,子程序只调用一次。后4位数为子程序号。
11.3.8 数控铣床编程实例
【例11-6】 如图11-19所示,毛坯为120mm×60mm×10mm 的铝制板材,5mm 深的外轮廓已经粗加工过,周边留2mm 余量,要求加工外轮廓以及 φ20mm 的孔。

图11-19 数控铣床编程实例1
1.确定方案
根据图样要求、毛坯以及前两道工序的加工情况,确定工艺方案和加工路线如下:
(1)以底面为定位基准,两侧用压板压紧,固定于铣床工作台上。钻孔后将压板移到孔处压紧。
(2)工步顺序:钻 φ20mm 的孔——按照 OABCDEFG 路线铣削轮廓。
2.选择机床
根据零件图样要求,选择经济型数控铣床即可达到要求。
3.选择刀具
T01——φ16mm 的平底立铣刀,并把该刀具的直径输入到刀具参数表中;
T02——φ20mm 的钻头。
数控铣床没有自动换刀功能,故需手动换刀。
4.确定切削用量
切削用量的具体数值应根据机床、刀具等的性能,参考相关的手册并结合实际经验确定,详见加工程序。
5.确定工件坐标系和对刀操作
XOY 平面内选定 O 点为工件原点,Z 轴原点设在工件表面,采用手动对刀的方法建立工件坐标系,如图11-19所示。
6.编写程序
(1)钻 φ20mm 的孔

【例11-7】 如图11-20所示零件,已知毛坯为100mm×100mm×28mm 的45钢。试分析该零件的数控铣削加工工艺,包括零件图分析、装夹方案、加工顺序、切削用量、刀具等,并编写加工程序。(注:毛坯底面和侧面不加工。)

图11-20 数控铣床编程实例2
1.确定加工方案
(1)零件图工艺分析:该零件主要由平面及外轮廓组成,外轮廓的表面粗糙度要求Ra6.3,可采用粗铣—精铣方案。
(2)装夹方法:根据零件的特点,加工上表面、外轮廓时选用平口虎钳夹紧定位。
(3)加工顺序:按照基面先行、先粗后精的原则,粗铣外轮廓——精铣外轮廓。
2.选择机床
根据零件图样要求,选择经济型数控铣床即可达到要求。
3.选择刀具
T01——φ60硬质合金端面铣刀,铣削上表面;
T02——φ20硬质合金端面立铣刀,铣削外轮廓。
4.确定切削用量
该毛坯件铣削外轮廓时可留0.5mm 的精加工余量,其余一次走完粗铣;主轴转速,可查阅切削用量手册确定;进给速度应根据铣刀齿数、主轴转速和切削用量手册中给出的每齿进给量确定,切削用量的具体选择见加工程序。
5.确定工件坐标系和对刀操作
毛坯中心为工件编程 X、Y 轴原点坐标,Z 轴原点坐标在工件上表面。通过手动试切对刀建立工件坐标系。
6.加工程序
(1)粗铣上表面 用 φ60端面铣刀,主轴转速为500r/min,进给速度为200mm/min。起刀点坐标为(85,-85,20)。程序如下:

(2)粗铣外轮廓 φ20端面铣刀,主轴转速为800r/min,进给速度为150mm/min。起刀点坐标为(-65,65,20),在 Z 轴方向分二次铣削。

(3)精铣外轮廓 在自动方式下,φ20端面立铣刀,主轴转速为1200r/min;进给速度为80mm/min。起刀点坐标仍为(-65,65,20),在 Z 轴方向一次铣削,方法同(2)。