1
机械工程实训教程
1.12.8 10.8 刀尖圆弧半径的补偿

10.8 刀尖圆弧半径的补偿

10.8.1 刀具补偿

数控车刀具补偿包括三部分内容:刀具位置补偿、刀具磨损补偿、刀尖圆弧半径补偿。刀具位置补偿已在对刀操作中实现,它的目的就是建立工件坐标系与机床坐标系的联系,使刀位点、工件坐标系原点和机床建立严格的位置关系;刀具使用过程会产生磨损,致使工件尺寸发生变化,因此刀具磨损需要补偿。刀具磨损补偿相当于位置补偿,其实质是位置发生了变化。下面主要讨论刀尖圆弧半径补偿。

10.8.2 刀尖圆弧半径补偿

刀尖圆弧半径补偿是由于理想刀尖形状和实际刀尖形状存在差异,从而引起工件的形状和尺寸发生变化,而导致的一种刀具的位置补偿。

因为刀尖圆弧半径的多样性和切削方式的多样性,所以刀尖圆弧半径补偿也是多样性的。因此刀尖圆弧半径补偿与切削方式有一一对应的关系,必须逐条学习。下面就从理想刀尖形状和实际刀尖形状入手来认识一下刀尖圆弧半径补偿的重要性和必要性。理想刀尖形状和实际刀尖形状如图10-28所示。

img342

图10-28 理想刀尖形状和实际刀尖形状示意图

由于实际刀尖都是由一段小圆弧组成的,所以,用实际刀尖切削工件不进行刀尖圆弧半径补偿时,工件的轮廓形状发生了变化。如图10-29所示,(a)图中切削外圆柱和断面并无误差产生;(b)图中切削锥面则会产生欠切削现象;(c)图中切削外凸圆弧时会产生欠切削现象;(d)图中切削凹圆弧时则会产生欠切削现象。

img343

图10-29 实际刀尖切削工件不进行刀尖圆弧半径补偿时工件的轮廓

由此可获得如下结论:第一,车削时实际起作用的切削刃是刀尖圆弧上的各切点,这样在两轴同时运动时,会引起加工表面的形状误差;第二,车内外圆柱、断面时不会产生形状误差;第三,车锥面、倒角或圆弧时,由于两轴同时运动,则会造成欠切削或过切削的现象,一定会产生形状误差。

10.8.3 刀尖圆弧半径补偿的实质

采用刀尖圆弧半径补偿功能,刀的运动轨迹指的不是刀尖,而是刀尖上刀刃圆弧中心位置的运动轨迹。编程者以理想刀尖按工件轮廓编程,数控系统会自动计算刀心轨迹,完成刀尖轨迹的偏置。执行刀尖圆弧半径补偿后,刀具会自动偏移工件轮廓一个刀尖圆弧半径值,使刀刃与工件轮廓相切,从而消除了刀尖圆弧半径对工件形状的影响,加工出所希望的工件轮廓。刀尖圆弧半径补偿时刀刃圆弧中心位置的运动轨迹如图10-30所示。

img344

图10-30 刀尖圆弧半径补偿的运动轨迹

10.8.4 刀尖圆弧半径补偿的实现方法

实现刀尖圆弧半径补偿的功能要完成两方面的工作。

1.在机床数控系统控制面板上输入刀尖圆弧半径值和理想刀尖位置号

刀尖圆弧半径值在选择刀具时可以在刀具参数表中查找到。理想刀尖位置号与车刀形状、刀尖圆弧位置、走刀方向和工件形状有关。理想刀尖位置号如图10-31、10-32所示。

img345

图10-31 前置刀架理想刀尖位置号

img346

图10-32 后置刀架理想刀尖位置号

显然,用前置刀架切削外锥时,理想刀尖位置号应选择 T=3;而切削内锥时,理想刀尖位置号则应当选择 T=2;同样,切削端面圆弧时,理想刀尖位置号应当选择 T=7。

刀尖圆弧半径补偿量在机床上通过刀具补偿设置界面来设定。刀具补偿设置界面如图10-33所示。在图中 R 列中输入刀尖圆弧半径值,一般为0.4mm、0.6mm、0.8mm、1.0mm、1.2mm 等;在 T 列输入理想刀尖位置号。

img347

图10-33 刀具补偿设置界面

2.在程序中使用刀尖圆弧半径补偿指令

在机床数控系统控制面板上输入刀尖圆弧半径值和理想刀尖位置号后,还应在程序中使用刀尖圆弧半径补偿的指令 G42、G41、G40。两步操作必须同时具备,否则,刀尖半径补偿无效。

10.8.5 刀尖圆弧半径补偿应用实例

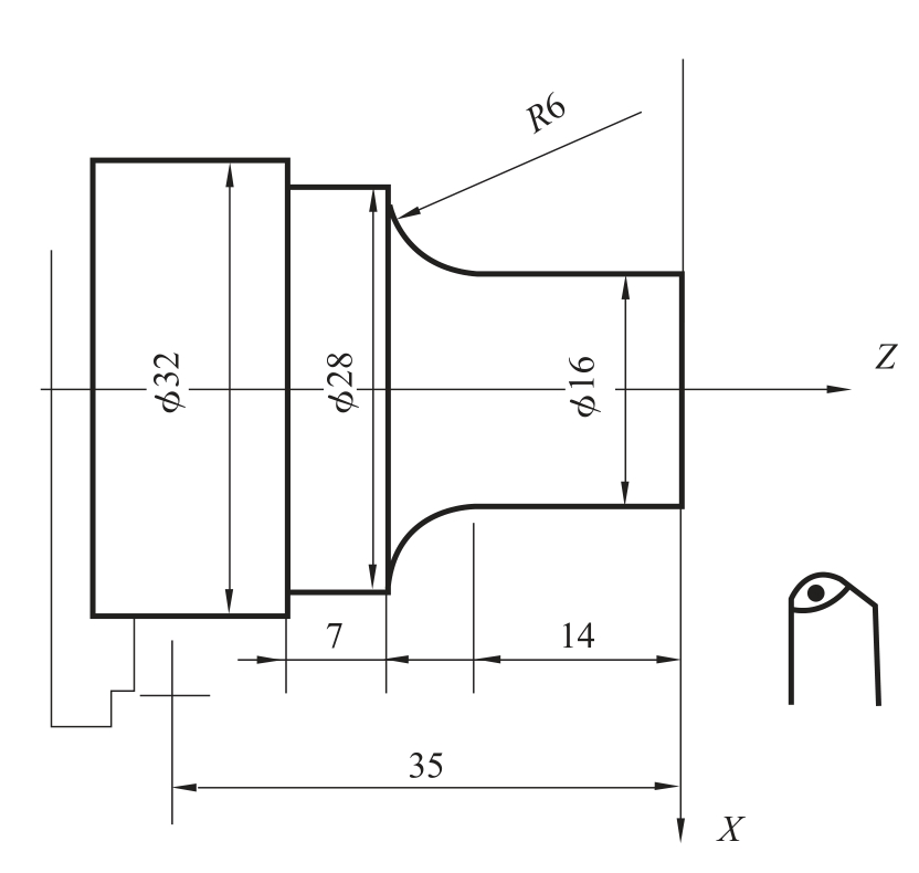
【例题20】 如图10-34所示工件,请编写其加工程序。

img348

图10-34 刀尖圆弧半径补偿例题

1.切削条件

前置刀架数控车床;刀尖圆弧半径值 R=2mm;理想刀尖位置号 T=3。

2.注意事项

在偏置取消模式下对刀,对完刀后通常 Z 轴要偏移一个刀尖半径值,偏移的方向根据理想刀尖位置号和对刀点有关,否则在起刀时会过切一个刀尖半径值。

3.刀具补偿设置界面应填写内容

img349

4.参考程序:

img350

程序中使用刀尖圆弧半径补偿的注意事项:

(1)后置刀架的 G41、G42的补偿偏置方向与前置刀架恰好相反。

(2)G42、G41、G40都是模态代码,可相互注销。 G42、G41只能靠 G40注销。

(3)车削锥度、圆弧和倒角时,必须在精车的前一程序段建立刀尖圆弧半径补偿,当精切结束时立即取消刀尖圆弧半径补偿。可以看出:刀尖圆弧半径补偿的使用要有三个步骤即刀补建立、刀补执行和刀补取消。通常,刀补使用完程序结束前立即取消。