机械工程实训教程
-
1.1内 容 提 要
-
1.2前 言
-
1.3第1章 工程材料及热处理
-
1.3.11.1 材料的性能
-
1.3.21.2 常用金属材料
-
1.3.31.3 材料的选用
-
1.3.41.4 金属材料热处理
-
1.4第2章 金属材料的塑性成形
-
1.4.12.1 塑性成形概述
-
1.4.22.2 塑性成形工艺基础
-
1.4.32.3 自由锻
-
1.4.42.4 模 锻
-
1.4.52.5 板料冲压
-
1.4.62.6 金属材料塑性成形新工艺简介
-
1.5第3章 焊接成形
-
1.5.13.1 概 述
-
1.5.23.2 焊条电弧焊
-
1.5.33.3 气焊与气割
-
1.5.43.4 其他焊接方法
-
1.5.53.5 焊接变形与矫正
-
1.5.63.6 安全技术
-
1.6第4章 铸 造
-
1.6.14.1 铸造基础知识
-
1.6.24.2 型(心)砂
-
1.6.34.3 模样和心盒
-
1.6.44.4 手工造型
-
1.6.54.5 其他造型方法
-
1.6.64.6 铸铁的熔炼
-
1.6.74.7 铸件的浇注
-
1.6.84.8 铸件的常见缺陷
-
1.7第5章 车镗加工
-
1.7.15.1 车削概述
-
1.7.25.2 车床概述
-
1.7.35.3 其他类型车床
-
1.7.45.4 车床附件及工件的安装
-
1.7.55.5 车 刀
-
1.7.65.6 切削液的选择
-
1.7.75.7 卧式车床基本车削工艺
-
1.7.85.8 常用量具
-
1.7.95.9 镗削加工
-
1.7.105.10 车削加工安全技术要求
-
1.8第6章 铣刨加工
-
1.8.16.1 铣 床
-
1.8.26.2 铣刀和工件的安装
-
1.8.36.3 铣削工艺
-
1.8.46.4 铣齿轮
-
1.8.56.5 成形面
-
1.8.66.6 刨削加工
-
1.8.76.7 插削加工
-
1.8.86.8 安全技术
-
1.9第7章 磨削加工
-
1.9.17.1 概 述
-
1.9.27.2 砂 轮
-
1.9.37.3 磨 床
-
1.9.47.4 磨削加工
-
1.10第8章 钳 工
-
1.10.18.1 概 述
-
1.10.28.2 划 线
-
1.10.38.3 锯 削
-
1.10.48.4 锉 削
-
1.10.58.5 孔和螺纹加工
-
1.10.68.6 刮 削
-
1.10.78.7 装 配
-
1.10.88.8 典型钳工件示例
-
1.10.98.9 对称凹凸锉配示例
-
1.10.108.10 钳工实训安全操作规程
-
1.11第9章 工艺基础知识和典型零件加工工艺分析
-
1.11.19.1 毛坯的选择
-
1.11.29.2 机械零件表面加工方法的选择
-
1.11.39.3 机械零件加工工艺路线(规程)的确定
-
1.11.49.4 典型零件的加工工艺分析实例
-
1.12第10章 数控车工
-
1.12.110.1 数控加工概述
-
1.12.210.2 数控车床面板和基本操作
-
1.12.310.3 程序编辑及对刀操作
-
1.12.410.4 数控车削外轮廓程序编制
-
1.12.510.5 固定循环指令的用法
-
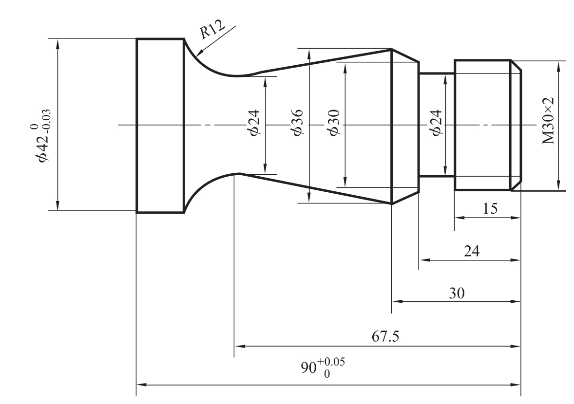
1.12.610.6 外轮廓加工实例
-
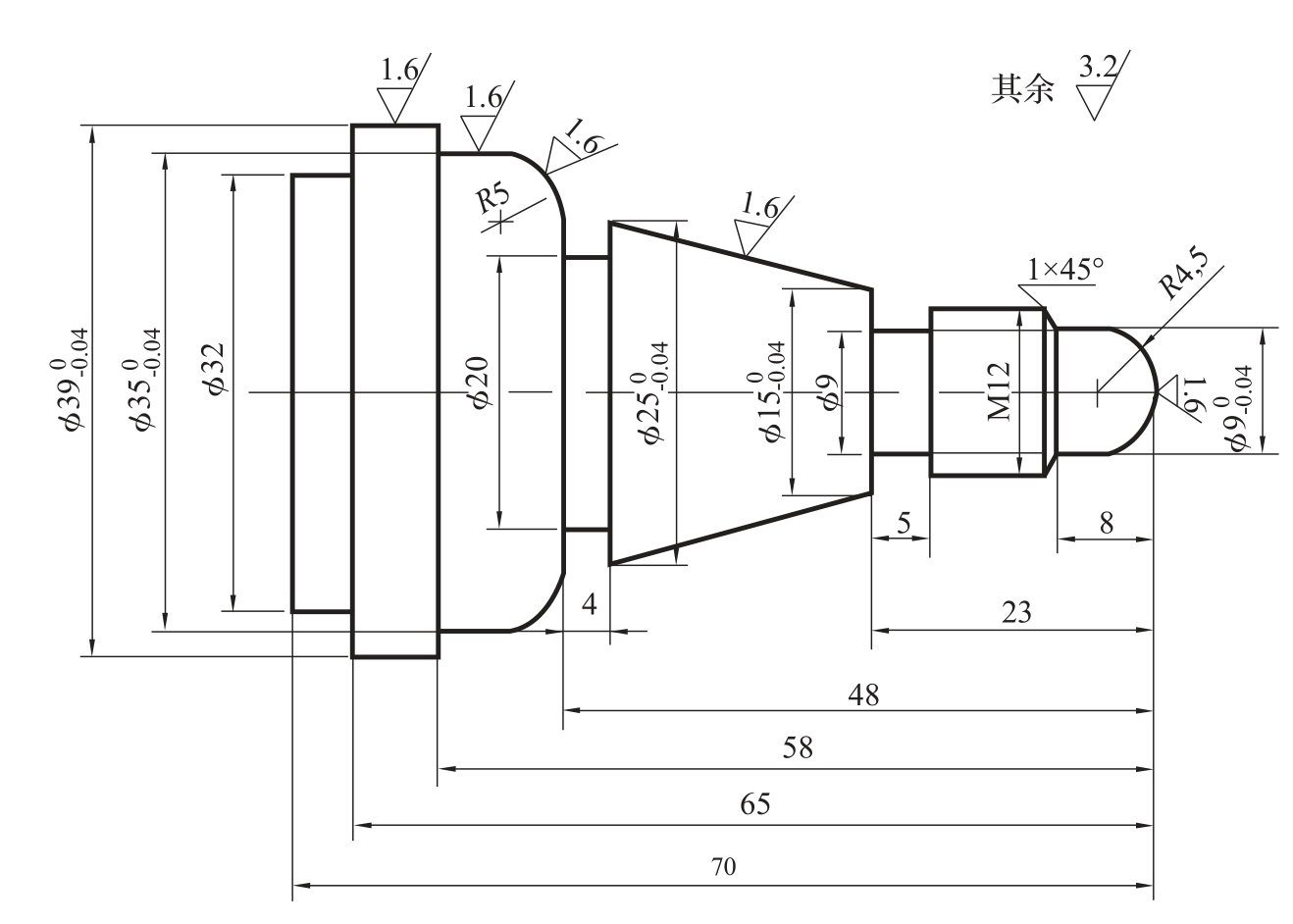
1.12.710.7 内轮廓加工实例
-
1.12.810.8 刀尖圆弧半径的补偿
-
1.12.910.9 用户宏程序
-
1.13第11章 数控铣床和加工中心
-
1.13.111.1 数控铣床概述
-
1.13.211.2 数控铣削加工工艺
-
1.13.311.3 数控铣床的程序编制
-
1.13.411.4 FANUC系统操作简介
-
1.13.511.5 数控加工中心简介
-
1.13.611.6 数控机床实习安全操作规程
-
1.14第12章 数控加工自动编程技术
-
1.14.112.1 数控车削自动编程
-
1.14.212.2 数控铣削自动编程
-
1.15第13章 数控电火花线切割加工
-
1.15.113.1 电火花加工
-
1.15.213.2 电火花线切割加工概述
-
1.15.313.3 电火花线切割加工工艺
-
1.15.413.4 电火花线切割加工程序的编制
-
1.15.513.5 数控电火花线切割机床安全操作规程
-
1.16参 考 文 献







