10.5 固定循环指令的用法
数控车削毛坯多为棒料、锻料、铸料。当加工余量较大时,使用基本加工类指令编程,程序将变得很长。若采用固定循环指令可减少程序长度,节省编程时间。
10.5.1 简单内、外圆柱面(圆锥面)切削循环 G90
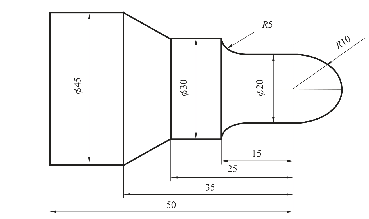
【例题5】 加工如图10-9所示工件,用 G90编写程序(毛坯 φ125mm×110mm)。

图10-9 G90编程示例
参考程序:

使用 G90的注意事项:
(1)设置循环起点要与毛坯尺寸相适应;
(2)每次循环的背吃刀量应与机床进给强度相适应;
(3)当加工锥体时 R 有正负。
10.5.2 复合固定循环指令
数控车削复合固定循环指令常用的有如下几种:内/外圆粗车循环 G71、封闭切削(仿形)粗加工循环 G73、内/外圆精车循环 G70、螺纹加工循环 G92、轴向切削多重循环 G74、径向切削多重循环 G75、螺纹加工复合循环 G76。下面一一介绍这些指令的使用方法和技巧。
1.内、外圆粗车循环—G71
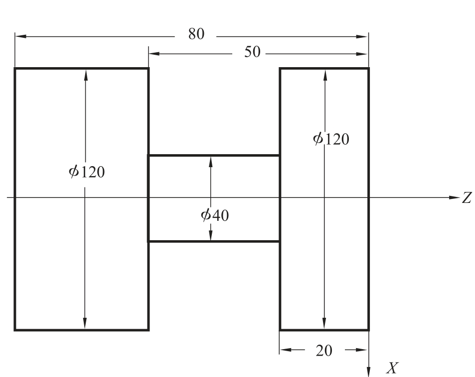
【例题6】 加工如图10-10所示工件(毛坯材料 φ100mm×170mm)

图10-10 G71编程示例
参考程序:

使用 G71的注意事项:
(1)设置循环起点要与毛坯尺寸相适应;
(2)每次循环的背吃刀量应与机床进给强度相适应;
(3)G71不适应加工凹凸起伏的外形轮廓;
(4)G71指令三部分是一个整体,要连续给出,中间不能插入其他指令。
2.内、外圆精车循环—G70
【例题7】 加工如图10-11所示工件(毛坯 φ50mm×95mm)。

图10-11 G70编程示例
(1)工艺分析 该零件可采用 G71进行粗车,然后用 G70进行精车,最后切断。
(2)选择刀具 一号外圆刀,用于工件外形的粗车加工和精车加工;二号切断刀,刀宽4mm,用于工件的切断。
(3)选择切削用量 切削用量的选择如表10-1所示。
表10-1 G70编程工件切削用量的选择

(4)参考程序:

结论:实际使用中 G71、G70是一个整体,G70程序段必须放在 G71程序段之后给出,但可以不紧跟着 G71出现。当程序执行到 G70程序段时,程序跳转到 ns 程序段开始执行精切程序,一直到 nf 程序段结束。之后,跳转到 G70程序段之后的下一个程序段继续执行。
3.封闭切削(仿形)粗加工循环—G73
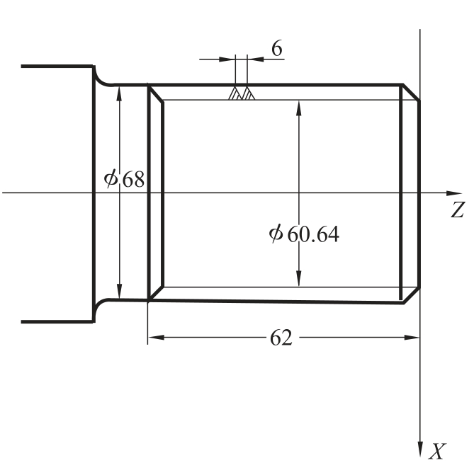
【例题8】 加工如图10-12所示工件(毛坯 φ72mm×150mm)。

图10-12 G73编程示例
参考程序:

4.螺纹加工循环—G92
一次完成快进、切削、退刀、快退四步动作。该指令可用于分多次进刀完成一个圆柱螺纹或圆锥螺纹的加工。
螺纹切削前需要确定几个切削参数:
(1)螺纹小径的计算

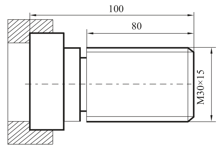
如图10-13中所示,M30×1.5螺纹的直径,螺纹大径(公称直径)为30mm,则螺纹小径d1=30-1.95=28.05。

图10-13 螺纹编程示例
螺纹小径的计算主要是为了确定螺纹最终切削深度,如上例所示,28.05是螺纹小径即螺纹切削深度“到位”时,刀位点 X 轴最终坐标值。
(2)进刀次数的确定
当螺纹螺距不同时,螺纹小径的计算都可以用公式 d1= d-0.65×P×2来完成。计算出切削深度后,如果螺纹牙型较深,需分次进给,常用螺纹切削的进给次数和背吃刀量见表10-2。
表10-2 常用螺纹进给次数和背吃刀量

注:由于螺纹刀刀尖存在圆角,为加工出标准高度的螺纹,切削牙深大于标准牙高,一般切削牙深=0.6495P
如图10-14所示,随着切削次数的增加,两条主刀刃工作长度在增加,切削力在增加,这对螺纹的质量是非常不利的。因此 G92每次进给的背吃刀量应遵循递减原则分配。

图10-14 螺纹切削循环 G92的切削图形
上例拟分四次进刀切削,每次进刀量为:0.8、0.6、0.4、0.15。
(3)螺纹切削时的引入长度 δ1和超越长度 δ2
螺纹切削时的引入长度δ1和超越长度 δ2的确定,与程序里面循环起点和切削终点的位置设定有关。通常情况下,螺纹切削时的引入长度δ1≥2×螺距(导程);超越长度 δ2≥(1~1.5)×螺距(导程),一般使刀具切削到退刀槽宽度的中间位置。螺纹切削时的引入长度 δ1和超越长度 δ2如图10-15所示。

图10-15 螺纹切削时的引入长度 δ1和超越长度 δ2
【例题9】 按照上述步骤确定螺纹切削所需参数后,加工如图10-13所示螺纹。
参考程序:

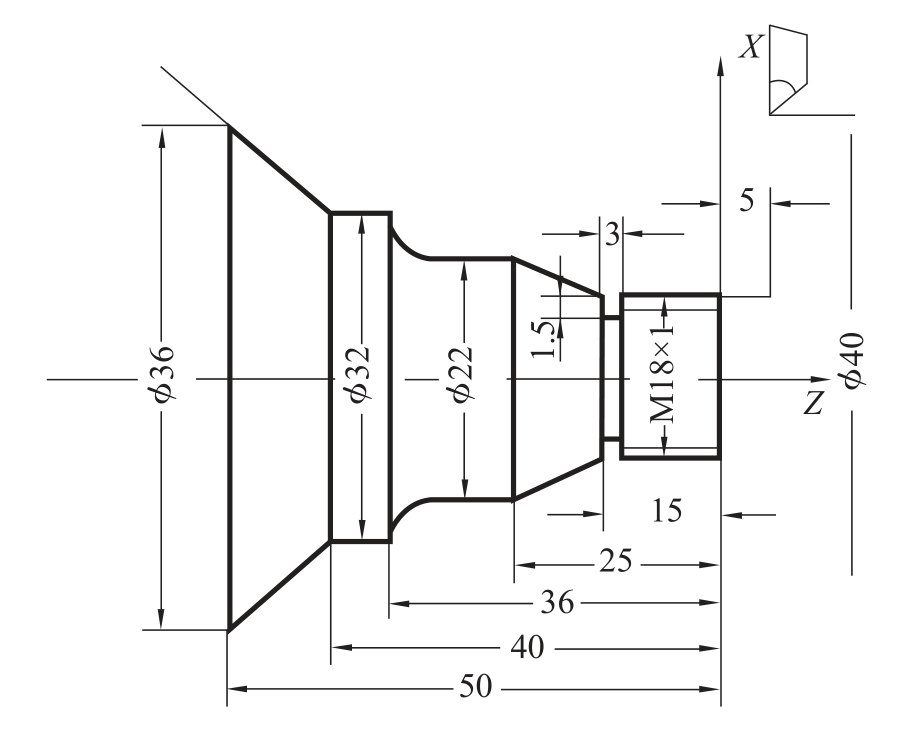
【例题10】 如图10-16所示,毛坯尺寸为 φ38mm×80mm。

图10-16 螺纹切削循环 G92的综合练习
参考程序:

5.轴向切削多重循环—G74
从切削起点 Z 向进给、回退、再进给……直至切削到与切削终点 Z 坐标相同的位置,然后径向退刀、轴向退刀至与切削起点 Z 坐标相同的位置,完成一次轴向切削循环。径向再次进刀后,进行下一次轴向切削循环。直至切削到切削终点,然后返回到 G74起点,轴向切槽复合循环完成。
此指令用于在工件端面加工环形槽或中心深孔。轴向断续切削起到断屑、及时排屑的作用。
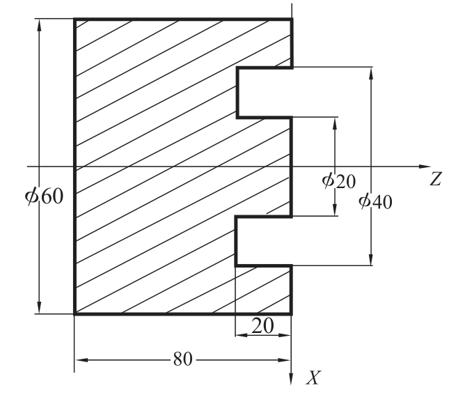
【例题11】 用 G74指令加工如图10-17所示工件,切槽刀4mm 宽。
参考程序:
O0011
G98G97G40G21;
M3S500T0101;
G0X40.0Z5.0;
G74R0.5;
G74X28.0Z-20.0P3000Q5000F50;
M05;
M30;

图10-17 G74编程示例
程序说明:Z 向进刀量每次5mm,退刀0.5mm,进给到终点(Z-20.0)后,快速返回到(Z5.0)点,X 轴向进刀3mm,循环以上步骤继续切削。直到达到切削终点坐标(X28.0Z-20.0)时,整个程序结束。
6.径向切削多重循环—G75
从切削起点 X 向进给、回退、再进给……直至切削到与切削终点 X 坐标相同的位置,然后轴向退刀、径向退刀至与切削起点 X 坐标相同的位置,完成一次径向切削循环。轴向再次进刀后,进行下一次径向切削循环。直至切削到切削终点,然后返回到 G75起点,径向切槽复合循环完成。
此指令用于在工件外圆上加工径向环形槽。径向断续切削起到断屑、及时排屑的作用。
【例题12】 用 G75指令加工如图10-18所示工件,切槽刀5mm 宽。
参考程序:


图10-18 G75编程示例
X 向每次进刀6mm、退刀0.5mm,直到 X40.0,快速返回 X122.0,Z 轴进刀3mm,下一次循环开始,直至切削到切槽终点(X40.0Z-50.0)后,返回循环起点(X122.0Z-25.0),程序结束。
7.螺纹加工复合循环—G76
通过多次螺纹粗切、精切完成规定牙高的螺纹加工。G76指令可以加工带螺纹退尾的直螺纹和锥螺纹(退尾指的是螺纹切削结束时的退刀过程)。
螺纹切削循环 G76的切削过程如图10-19所示,粗切时 G76的进刀方向平行于一侧刀刃,可使切削力均匀。而精切时进刀方向平行于 X 轴,又可使粗糙度降低。所以从受力的合理性来说 G76比 G92要好得多。

图10-19 螺纹切削循环 G76的切削图形
【例题13】 用 G76指令加工如图10-20所示螺纹,圆柱螺纹螺纹牙型高度为3.68mm,第一次循环时切削深度为1.8mm,最小切削深度0.1mm,螺纹导程为6.0mm,螺纹尾端倒角1.1f,牙型顶角为60°。
参考程序:


图10-20 G76编程示例