1
机械工程实训教程
1.10.8 8.8 典型钳工件示例

8.8 典型钳工件示例

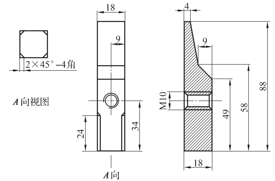
锤头零件图如图8-61所示。

img255

图8-61 锤头零件图

8.8.1 锤头制造工艺

(1)下料 原材料尺寸:20×20方钢,长度:89~90mm。

(2)锉削 将工件夹紧在虎台钳上,粗锉削相邻的三个表面(两个大侧面和一个底平面),要求检测各平面的平面度和各平面之间的垂直度。使用工具:大平锉刀。

(3)划线 以加工过的表面为基准,分别划出18×18尺寸线及88尺寸线。使用工具:平板、高度尺、划针、粉笔等。

(4)锉削 以线为基准锉削三个平面,确保18×18尺寸及88尺寸,注意各面的平面度及相互之间的垂直度、平行度,可预留精加工余量。要求检测各表面。使用工具:大平锉刀。

(5)划线 以大平面为基准,划4和9水平线。翻转零件后划49和58水平线。找交点作各交点的连线,并在交点处打样冲眼。注意双侧都连线打样冲眼。划 M10中心线并打样冲眼。使用工具:平板、高度尺、划针、粉笔等。

(6)锯削 以线为基准,锯削两平面,留余量0.5~1mm。使用工具:手锯。

(7)锉削 锉削两斜面至尺寸,注意平面度、表面粗糙度和两表面的连结处要光滑。使用工具:中平锉刀。

(8)钻削 钻 M10螺纹底孔,并倒角。检测孔的位置度。使用工具:φ8.5钻头。

(9)攻螺纹 攻 M10螺纹。使用工具:丝锥。

(10)锉削 锉倒棱角2×45°—4处,高度24mm,注意装夹。使用工具:中平锉刀。

(11)精锉 精锉各平面,修光各棱边并抛光。使用工具:光锉刀。

2.操作要点

(1)锉削要点 将工件装夹到台钳上,目测上平面接近水平,用大号锉刀交叉锉法加工,并用钢板尺透光检测平面度,直至上平面没有明显缺陷,完成之后,再锉削相邻平面,最后锉底面。用角尺检测两大平面的垂直度以及与底面的垂直度。

(2)划线要点 将已加工过的平面放在平板上,将没有加工的表面用粉笔涂匀,用高度尺在这些表面上划出尺寸界线,注意:检测各线的位置是否符合要求,各工具的使用要正确合理(测高尺的刻度要看准,划线时避免冲击。)

(3)锉削要点 以尺寸线为准用锉刀清除余量,交叉锉法和顺锉法都行,关键要掌握好平面的平面度和相互的垂直度,并掌握好尺寸和公差。18×18尺寸可加工到上差值,即18.3×18.3,这主要考虑留有一点精加工余量。

(4)划线要点 划两侧尺寸界线, M10螺纹孔中心线并打样冲眼,其要点在于两侧线都划出4和9的线,且都连出两小斜面的界线,然后定出应当钻螺纹孔的切入端位置,再划十字中心线最后打各交叉点的样冲眼,最后连出尺寸界线。

(5)锯削要点 以线为准锯削两小斜面,要点是留0.5~1mm 余量,为防止锯口倾斜可以夹引导物,并将锯缝垂直放置,尤其是两小斜面连接处不要锯过头。

(6)锉削要点 以线为准锉削两小斜面,注意衔接处的过渡要均匀光滑。此处可用光锉刀修整或用什锦锉光整。

(7)钻削要点 钻 M10螺纹底孔的要点在于夹紧工件后上平面应当是锤柄装配表面,且平面要找平。钻头切入时要对准样冲眼,点动进给,反复找正。手动进给要缓慢、均匀。即将钻透时应当避免冲击。最后孔口要倒角。

(8)攻螺纹要点 攻 M10螺纹最关键的是丝锥与螺纹孔的对中。正确的操作方法是:钻完孔之后保持工件与钻头的位置不动,立即换上丝锥,并且用钻夹头夹住顶针使顶针的另一端顶入丝锥尾部的中心孔里,这样做丝锥与孔最为同轴。丝锥切入过程中,顶针应当一直紧顶在丝锥的尾部,大约3~4圈之后,顶针就可以离开了。

(9)锉削要点 锉削倒棱角2×45°,要点是工件的装夹应当倾斜45°,只夹紧两个面的交线,这样做恰好可使锉刀可以水平运行,只要保证锉刀反复运行时不转动,锉出的平面肯定平整、美观。

(10)锉削 这是最终加工的精锉削,要点是夹紧工件时要使用砂布保护已加工过的表面,修光过程要选择油光锉和什锦锉或用砂布修光,修光过程要及时测量,注意最终尺寸应与图纸尺寸相符合。