5.7 卧式车床基本车削工艺
5.7.1 车端面
车削端面时,常用端面车刀或偏刀进行切削。
1.用90°左偏刀车端面,如图5-25(a)所示,特点是切削轻快顺利,适用于车削有台阶的端面。
2.用45°车刀车端面,如图5-25(b)、(c)所示。 端面车刀是车端面的专用刀具,可选用较大的吃刀深度,生产率高,适合于批量生产。
3.用90°右偏刀车端面,如图5-25(d)、(e)所示。右偏刀适合于精车端面或台阶面,在车削时,吃刀深度不能过大,其车削方法如下:
由外向里车削 [如图5-25(d)所示]:它是利用副切削刃进行切削,切削不如前者顺利,吃刀深度较小。
由里向外车削 [如图5-25(e)所示]:将刀尖靠近工件中心扎入工件——把中心车平——由里向外横向走刀,这是利用主切削刃进行切削,工件表面粗糙度较好。

图5-25 车端面
5.7.2 车外圆和台阶
1.车外圆
外圆车削主要用尖刀、弯头刀和偏刀进行,如图5-26所示。根据车外圆的加工精度和表面粗糙度要求不同,分粗车、半精车和精车。

图5-26 车外圆
粗车是尽快从工件上切去大部分加工余量,对尺寸精度和表面粗糙度无严格要求,一般精度为 IT12~IT11,表面粗糙度 Ra值为50~12.5μm。
半精车作为精车和磨削前的预加工,精度一般为 IT10~IT9,表面粗糙度 Ra值为6.3~3.2μm。
精车是获得所要的尺寸精度和表面粗糙度,精度一般为 IT8~IT7,Ra值为1.6μm。
无论哪种切削方式,外圆车削都可按以下步骤操作:
(1)装夹工件和车刀,开车;
(2)摇动大拖板、中小拖板手柄,使车刀刀尖轻轻接触工件的右端外圆表面;
(3)摇动大拖板手柄,使车刀刀尖向尾座方向移动,距离工件右端面3~5mm;
(4)按选定的切削深度,摇动中拖板使车刀作横向进刀;
(5)纵向车削工件3~5mm,然后向尾座方向退出车刀,停车,测量工件外圆,并与要求尺寸相比较,计算出需要修正的吃刀深度,再根据中拖板刻度盘调整吃刀深度,然后用手动或自动走刀,纵向进给切去多余的金属;
(6)车削至需要长度时,停止走刀,横向退出车刀,停车。
2.车台阶
台阶车削实际上是车外圆和端面的综合。其车削方法与车外圆基本相同,所不同的是车削台阶时需要兼顾台阶长度的尺寸要求。因此,车台阶时除了要控制外圆尺寸外,还要控制台阶长度尺寸。控制好长度尺寸的关键是必须按图纸找出正确的测量基准。常用的控制台阶尺寸的方法有以下几种:
刻线痕法:为了确定台阶的位置,可先用钢板尺或样板量出台阶长度尺寸,再用车刀刀尖在台阶的位置处刻出痕线,如图5-27所示。

图5-27 用钢直尺确定台阶长度
利用大拖板刻度盘车削台阶:车削时,刀尖对准工件端面,将大拖板刻度盘的起点刻度线调零,然后用大拖板刻度盘上的刻度控制台阶长度。
5.7.3 切槽与切断
1.切槽
切槽是指在工件表面上车削沟槽的方法,槽可分外圆上的槽、内孔中的槽和端面上的槽。车宽5mm 以下的槽,可以将主切削刃磨成与槽等宽,一次进给即可车出,如图5-28所示。若槽较宽,可用多次横车,最后一次精车槽底来完成,如图5-29所示。一根轴上有多个槽时,若各槽宽相同,用一把车槽刀即可完成,效率较高。

图5-28 切槽

图5-29 切宽槽
2.切断
切断就是在车削加工中将较长的毛坯棒料切成几段,或者是在工件车削完成后,把工件从原材料上切下来。
切断刀的形状与车槽刀类似,但是,当切断工件的直径较大时,切断刀刀头较长,切屑容易堵塞在槽中而使刀头折断,故把切断刀的头高度加大。切断刀的主切削刃必须调整到与机床旋转中心等高,较高或较低都会使切至靠近工件中心部分时形成小凸台,易使刀头损坏。切断时进给必须均匀。当接近切断时需放慢进给速度,以免刀头折断。
5.7.4 孔加工
常用的内孔车削为钻孔和镗孔。在实体材料上进行孔加工时,先要钻孔,钻孔时刀具为麻花钻,装在尾架套筒内由手动进给。
在已有孔的工件上如需对孔作进一步扩径加工,称车孔。车孔有加工通孔、盲孔两种情况,如图5-30所示。

图5-30 车孔
对孔径小于10mm 的孔,在车床上一般采用钻孔后直接铰孔。
5.7.5 车圆锥面
1.转动小拖板法
车削时,把小拖板按工件圆锥半角的要求转动相应的角度,使车刀的运动轨迹与所需要车削的圆锥母线平行即可,如图5-31所示。这种方法操作简单,调整范围大,可车削各种角度圆锥体或圆锥孔,适用范围广。但只能手动进刀,劳动强度较大,表面粗糙度较难控制。另外,因受小拖板的行程限制,只能车削长度较短的圆锥。

图5-31 转动小拖板法车圆锥面
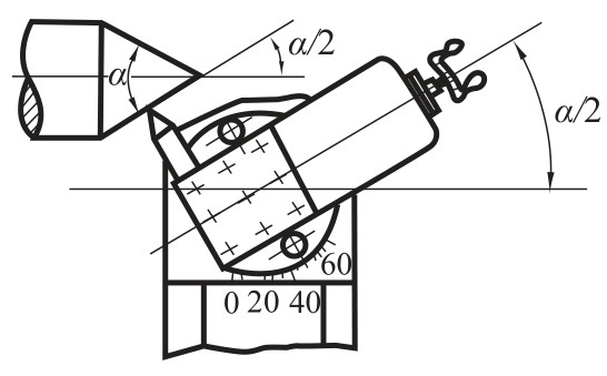
2.偏移尾座法
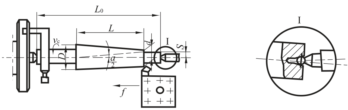
将工件装在两顶尖之间,把尾座横向移动一小段距离 S,使工件回转轴线与车床主轴轴线相交成一个角度,其大小等于锥体的圆锥斜角 a/2,如图5-32所示。它适用于锥体较长,锥度较小,且精度要求不高的圆锥体。
尾座偏移量 S 的近似计算公式为:


图5-32 偏移尾座法车圆锥面
3.宽刃车削法
在车削较短的圆锥时,可以用宽刃车刀直接车出。宽刃车削法实质上是成形法。因此,用宽刃车刀车圆锥时,刀刃必须平直,刀刃与主轴轴线的夹角应等于工件的圆锥斜角。采用宽刃车削圆锥,要求车床具有很好的刚性,否则容易引起振动。
5.7.6 车螺纹
螺纹种类很多,按牙形分有三角形螺纹、梯形螺纹和方牙螺纹等。按标准分有公制螺纹和英制螺纹两种,公制螺纹中三角螺纹的牙形角为60°,用螺距或导程来表示其主要规格。各种螺纹都有左旋、右旋、单线、多线之分,其中以公制三角螺纹应用最广,又称普通螺纹,如图5-33所示。

图5-33 普通螺纹的基本牙型
1.螺纹车刀及其安装
螺纹牙形角 α 要靠螺纹车刀的正确形状来保证,因此,三角螺纹车刀刀尖及刀刃的交角应为60°,而且粗车时车刀的前角 γ0应等于0°,刀具用样板安装,应保证刀尖分角线与工件轴线垂直,如图5-34所示。

图5-34 螺纹车刀的形状及安装方法
2.车床运动调整
车螺纹的传动示意图如图5-35所示,为了得到正确的螺距 P,应保证工件转一转时,刀具准确地纵向移动一个螺距,即
n丝·P丝=n·P

图5-35 车螺纹的传动示意图
通常,在具体操作时,可按车床进给箱表牌上表示的数值,按欲加工工件螺距值,调整相应的进给调整手柄即可满足要求。
5.7.7 其他车削工艺
1.车成形表面
手柄或圆球等零件上的曲线回转表面叫成形表面。车成形表面的方法如下:
(1)双向车削法 先用普通尖刀按成形表面的大致形状粗车许多台阶,然后用两手分别操纵作纵向和横向同时进给,用圆弧车刀车去台阶峰部并使之基本成形,用样板检验后需再经过多次车削修整和检验,形状合格后还需适当打磨修光。这种方法适用于单件小批生产,虽操作技术要求高,但不需要特殊的设备和刀具。
(2)成形刀法 成形刀的刀刃形状与成形表面的形状一致,只需用一次横向进给即可车出成形表面,也可先用尖刀按成形表面的大致轮廓粗车出许多台阶,然后再用成形刀精车成形。此法生产效率较高,但刀具刃磨困难,车削时容易振动,故只适用于在批量较大的生产中,车削刚性好、长度短且形状简单的成形面。
2.滚花
工具和零件的手握部分,为了美观和加大摩擦力,常在表面上滚压出花纹。滚花是在车床上用滚花刀挤压工件,使工件表面产生塑性变形而成花纹。滚花时,工件低速旋转,滚花刀径向挤压后,再作纵向进给。为避免研坏滚刀和防止细屑滞塞在滚花刀内而产生乱纹,应充分供给冷却润滑液。