1.5.1 3.1 实验1:集成门电路逻辑功能测试

第3章 基础实验

3.1 实验1:集成门电路逻辑功能测试

(1)实验目的

①学会用Multisim 10软件进行集成门电路的仿真实验。

②掌握基本门电路逻辑功能的测试方法。

③熟悉SAC-DMS2数字电路实验箱的使用。

④掌握常用集成门电路的逻辑功能。

⑤了解集成门电路的应用。

(2)实验设备及器材

①计算机及电路仿真软件Multisim 10。

②SAC-DMS2数字电路实验箱。

③UT39A型数字万用表。

④集成电路:74LS00,74LS32,74LS11各1片。

(3)实验原理

①本书实验所用到的集成电路的引脚功能图见附录2。

②门电路是最基本的逻辑元件,它能实现最基本的逻辑功能,即其输入与输出之间存在一定的逻辑关系。

③集成逻辑门电路是最简单、最基本的数字集成元件,目前已有种类齐全的集成门电路。TTL集成电路由于工作速度高、输出幅度大、种类多、不易损坏等特点而得到广泛使用。本实验中使用了74LS系列的TTL集成电路,它的电源电压为5 V +10%,逻辑高电平“1”时大于2.4 V,低电平“0”时小于0.4 V。实验使用的集成电路都采用的是双列直插式封装形式,其管脚的识别方法为:将集成块的正面(印有集成电路型号标记面)对着使用者,集成电路上的标识凹口朝左,左下角第一脚为1脚,按逆时针方向顺序排布其管脚。

图3.1 74LS00引脚排列

④以74LS00为例说明集成逻辑门引脚排列及逻辑功能。74LS00是四2输入与非门,内含4个独立的与非门,每个与非门有两个输入端,一个输出端,其引脚排列如图3.1所示。与非门的逻辑功能:有0出1,全1出0;其逻辑代数式为

Y =(AB)′

⑤常用基本逻辑门名称、符号代数和功能见表3.1。

表3.1 常用基本逻辑门名称、符号代数与功能

逻辑非的运算符号尚无统一标准。最常见的有“′”和“—”两种符号,通常用“A′”和“”来表示非运算。本书采用“′”表示A的非运算,但在有些图中,由于芯片管脚较多,间距小,为便于标示,采用了“”来表示A的非运算。

(4)Multisim 10仿真实验预习

1)与门逻辑功能测试

①调取与门74LS08

单击仿真软件Multisim 10元件工具条中的“TTL”按钮,如图3.2所示。弹出“选择元件”对话框,如图3.3所示。在“组”里选择“74LS”系列,在“元件”里选择“74LS08D”,单击“确定”按钮,出现如图3.4所示的部件条。有“A,B,C,D”4个选项,这是因为一个74LS08有4个与门。选择A,放置与门后又会出现刚才的界面,若不再需要与门则单击“取消”按钮。

图3.2 单击“TTL”按钮

图3.3 选择元件对话框

图3.4 元件部件条

②调取单刀双掷开关

单击“基础元件”按钮,出现如图3.5所示的对话框。选择“SWITCH”→“SPDT”,单击“确定”按钮。放置单刀双掷开关,共放置两个,双击“Key =Space”,弹出如图3.6所示的对话框。单击“参数”按钮,将“Key for Switch”设置成“A”,第二个开关同样设置成“B”。再右击开关图标,在弹出的菜单下选择“水平镜像”,将两个开关分别进行水平转向。

图3.5 调取单刀双掷开头

图3.6 修改单刀双掷开头参数

③调取电源和地线

单击元件工具条的“放置信号源”按钮,出现“选择元件”对话框。选择“VCC”,单击“确定”按钮,调出+5 V TTL电源,如图3.7所示。用同样的方法选择“GROUND”,调出地线。

④调取指示灯

单击元件工具条的“放置指示器”按钮,出现“选择元件”对话框。选择“PROBE”,选择“PROBE -RED”,单击“确定”按钮,调出红色指示灯,如图3.8所示。

图3.7 调取电源和地线

图3.8 调取指示灯

⑤调出万用表

单击虚拟仪器工具条的第一个按钮,调出虚拟万用表,如图3.9所示。双击万用表图标,出现万用表的面板,单击“V”和“—”按钮,测量电路输出端的电位,如图3.10所示。

图3.9 调出虚拟万用表

⑥连接电路图

如图3.10所示,连接好电路图。

图3.10 与门仿真电路

⑦仿真

按下仿真开关,根据表3.2要求分别按下单刀双掷开关的“A”和“B”,使与门的两个输入端为表3.2所示的4种状态。从虚拟万用表显示板上读出对应的电位,填入表3.2中,同时观察指示灯的亮暗,亮为高电平“1”,不亮为低电平“0”,判断出逻辑状态,比较两组数据是否统一。

表3.2 与门逻辑功能测试

2)异或门逻辑功能测试

①根据图3.11,调出所需元件并连接成异或门仿真电路。

图3.11 异或门仿真电路

②按下仿真开关,根据表3.3要求改变输入开关“A”和“B”,记录指示灯的亮暗,判断逻辑状态,填入表3.3中。

表3.3 异或门逻辑功能测试

(5)实验室操作内容

1)与非门逻辑功能测试

①按照图3.12所示,选取74LS00中任意一个与非门,14脚接+5 V电源,7脚接地,将其输入端A和B分别接至实验箱12位拨码开关区中任意两个拨码开关对应的插孔。每个插孔下方都对应有一个拨码开关,插孔与开关之间对应有一个指示灯。当开关向上扳为高电平,指示灯亮,向下扳为低电平,指示灯灭。将输出端接至LED电平显示灯区中的一个发光二极管的对应插孔,并在输出端接上万用表测量输出电平。

②根据表3.4所列出的A,B的几种组合,扳动拨码开关输入电平,通过发光二极管的亮和灭来观察与非门的输出状态,同时读出万用表的直流电压值,将观测结果填入表3.4中。

图3.12 与非门接线图

图3.13 或门接线图

表3.4 与非门逻辑功能测试

2)或门逻辑功能测试

①选中74LS32一个或门,按如图3.13所示接线。

②根据表3.5所列出的A,B的几种组合,扳动拨码开关输入4种电平组合。通过指示灯观察输出端Y的状态,同时读出万用表的直流电压值,将观测结果填入表3.5中。

表3.5 74LS32逻辑功能测试

图3.14 74LS11引脚排列图

3)与门逻辑功能测试

根据74LS11的引脚功能排列图(图3.14),选择其中一个与门参照前面方法自行连接电路。按表3.6测试其逻辑功能,将测试结果填入表3.6中。

表3.6 74LS11逻辑功能表

(6)Multisim 10仿真拓展性实验

1)用与非门组成或门

①将逻辑函数表达式Y =A +B用摩根定理转换成Y =(A′B′)′,将与非门多余的输入端进行处理后可以作非门使用,因此可用3个与非门构成或门。

②参照仿真实验预习调取元件的方法和步骤,将所需元件调出,组成或门仿真电路,如图3.15所示。

③按下仿真开关,根据表3.7所列出的A,B的4种组合,分别按下A和B开关,通过指示灯观察输出端Y的状态,将观测结果填入表3.7中,分析所测数据是否满足或门逻辑功能。

图3.15 与非门组成或门电路

表3.7 或门逻辑功能表

2)用门电路实现逻辑函数Y =AB +AC +BC

根据表达式选择二输入与门74LS08和二输入或门74LS32,参照如图3.16所示连接,进行仿真运行。根据表3.8设置开关A,B,C的状态,通过指示灯观察输出端Y的状态,将结果填入表3.8中。

图3.16 门电路实现逻辑函数

表3.8 Y =AB +AC +BC真值表

(7)思考题

①TTL与非门输入端悬空相当于输入什么电平?为什么?

②如何处理各种门电路的多余输入端?

③总结与门、与非门、或门、或非门、异或门的逻辑功能。

3.2 实验2:用小规模集成电路设计组合逻辑电路

(1)实验目的

①进一步熟悉用Multisim 10软件进行数字电路仿真实验。

②学会虚拟仪器逻辑转换仪的使用。

③掌握小规模集成电路设计组合电路的方法。

(2)实验设备及器件

①计算机及电路仿真软件Multisim 10。

②SAC-DMS2数字电路实验箱。

③集成电路:74LS00,74LS20,74LS11,74LS86各1片。

(3)实验原理

①数字电路的两大电路是组合逻辑电路和时序逻辑电路。其中,组合逻辑电路的特点是任何时刻的输出仅仅取决于同一时刻输入信号的取值组合,而与这一时刻前电路的原始状态没有任何关系。其电路结构基本上由逻辑门组成,这种电路只有从输入到输出的通路,没有从输出反馈到输入的回路,这种电路没有记忆功能。

②用小规模集成电路设计组合逻辑电路的步骤如下:

a.分析设计要求,设置输入和输出变量。

b.列真值表。

c.写出逻辑表达式,并化简。

d.画逻辑电路图。

逻辑化简是组合逻辑电路设计的关键步骤之一,但往往最简设计不一定是效果最佳的。在实际电路中,要考虑电路的工作速度、稳定性、可靠性。设计时,应在保证上述条件的前提下,使电路设计最简、成本最低。

(4)Multisim 10仿真实验预习

1)设计一个裁判表决电路

某足球评委会由1位教练和3位球迷组成,对裁判员的判罚进行表决。当满足以下条件时表示同意:有3人或3人以上同意,或者有2人同意,但其中1人是教练。试用2片与非门设计该表决电路。

①根据题意,设A为教练,B,C,D分别为3位球迷,表决结果为Y。

②列出真值表,见表3.9。

③用卡诺图化简,得到逻辑表达式,并化成“与非”表达式,即

Y =AB +AD +AC +BCD =((AB)′(AD)′(AC)′(BCD)′)′

④根据与非逻辑表达式可知,本设计需要3个二输入与非门,1个三输入与非门和1个四输入与非门。为了节约成本,三输入与非门和四输入与非门可选用1片二4输入与非门74LS20,3个二输入的与非门选用1片四2输入与非门。

⑤用Multisim 10进行仿真,仿真电路图如图3.17所示。按照表3.9改变A,B,C,D状态,观察仿真结果是否与真值表相符。

表3.9 裁判表决电路真值表

续表

图3.17 裁判表决电路

2)设计一个3人表决器

设计一个3人表决器,2人或2人以上同意为表决通过,用逻辑转换仪的各功能来分别设计。

在Multisim 10仪器仪表工具条中调出逻辑转换仪,再双击逻辑转换仪图标,出现控制面板后,单击左上方的A,B,C输入变量端口,使其自动列出真值表,根据3人表决器功能填出输出状态,填好的真值表如图3.18所示。

①真值表转换为逻辑表达式

单击图标,在控制面板下方的逻辑表达式区域出现最简逻辑表达式,,其含义为Y =AC +AB +BC,如图3.18所示。

如果单击图标,在控制面板下方的逻辑表达式区域出现与或逻辑表达式,其含义为

Y =A′BC +AB′C +ABC′+ABC

图3.18 真值表转换逻辑表达式

②逻辑表达式转换成电路

在图3.18中(已经生成了逻辑表达式),单击即可得到如图3.19所示的3人表决器电路图;若单击可得到只由“与非门”组成的电路。

(5)实验室操作内容

①设计一个1位半加器,该逻辑电路能对两个1位二进制数进行相加,并产生“和”及“进位”,在实验箱上进行验证。

②设计一个优先编码器,对4种电话进行控制。优先顺序由高到低为火警电话(11)、急救电话(10)、工作电话(01)、生活电话(00),编码如括号内所示,输入高电平有效。用2片与非门设计该电路并在实验箱上进行验证。

图3.19 3人表决器电路图

③设计一个4位奇偶校验检测器,当4个代码中“1”的个数为偶数时Y =1,否则Y =0。在实验箱上验证。

(6)Multisim 10仿真拓展性实验

1)用门电路设计一个1位数字比较器

该比较器能对两个1位二进制数A,B的大小进行比较,产生A>B,A<B和A =B这3个结果。

①根据设计要求,列出真值表,见表3.10。

表3.10 1位数值比较器真值表

②分别写出FA>B,FA<B,FA =B的逻辑表达式为

FA>B =AB′,FA<B =A′B,FA =B =AB

③画出逻辑电路图并用Multisim 10进行仿真,仿真电路图如图3.20所示。

④用逻辑转换仪进行设计步骤如下:

a.调出逻辑转换仪,双击图标打开控制面板,单击左上方的A,B输入变量端口,使其自动列出真值表,根据比较器功能分别填出FA>B,FA<B,FA =B的输出状态。

b.单击,填好的FA>B =AB′真值表及转换的表达式如图3.21所示。

图3.20 1位数值比较器仿真电路

c.单击,生成输出信号FA>B电路图。用同样的方法生成另外两个输出信号电路图。生成的电路图如图3.22所示。

d.将电路图进行整合,使整合后的电路图如图3.20所示。

图3.21 FA>B=AB′真值表及逻辑表达式

2)用门电路设计一个1位全加器

该全加器真值表见表3.11所示。设计方法参照前面数值比较器,这里不再赘述。

图3.22 逻辑转换仪生成的电路图

表3.11 全加器真值表

表中An,Bn分别为全加器的加数与被加数,Cn -1为低位来的进位数,Sn为全加器的和,Cn为向高位的进位。

(7)实验注意事项

①注意集成电路多余输入端的处理。

②两个集成芯片的连接,注意电平是否匹配。

③小规模集成电路设计组合电路,尽量使用较少的门电路,尽量使用与非门,提高电路的负载能力和抗干扰能力。

(8)思考题

①能否用其他逻辑门设计半加器和3人表决器?

②假如在设计时需要三输入的或门,而手上只有二输入的或门,应该怎么连接?

3.3 实验3:译码器及其应用

(1)实验目的

①掌握用Multisim 10软件进行译码器的仿真实验。

②掌握3/8线译码器74LS138的工作原理及测试方法。

③掌握用3/8线译码器74LS138构成组合电路的方法,学习译码器的扩展方法。

④熟悉七段LED数码管及BCD-七段译码/驱动器74LS47的工作原理及应用。

(2)实验设备及器件

①计算机及电路仿真软件Multisim 10。

②SAC-DMS2数字电路实验箱。

③集成电路:74LS138,74LS20,74LS47各1片。

(3)实验原理

1)中规模集成译码器74LS138

74LS138是集成3线-8线译码器,在数字系统中应用比较广泛。如图3.23所示为其引脚排列图,如图3.24所示为其内部电路图。其中A2,A1,A0为地址输入端,Y′0—Y′7为译码输出端,S1,S′2,S′3为控制端,也称“片选”输入端,可将多片74LS138连接起来以扩展译码器的功能。表3.12为74LS138真值表。

74LS138工作原理:当S1 =1,S2 +S3 =0时,电路完成译码功能,输出低电平有效。其中

表3.12 74LS138真值表

续表

图3.23 74LS138引脚排列图

图3.24 74LS138内部电路图

2)译码器应用

因为3/8线译码器74LS138的输出包括了三变量数字信号的全部8种组合,每一个输出端表示一个最小项。因此,可利用8条输出线组合构成三变量的任意组合电路,实现逻辑函数,还可用译码器构成数据分配器或时钟分配器等。

数据分配器也称为多路分配器,它可按地址的要求将一路输入数据分配到多输出通道中某一个特定输出通道去。它的作用相当于多个输出的单刀多掷开关。将带使能端的3/8线译码器74LS138改作8路数据分配器的电路图如图3.25所示。译码器控制端作为分配器的数据输入端,译码器的地址输入端作为分配器的地址码输入端,译码器的输出端作为分配器的输出端。这样分配器就会根据所输入的地址码将输入数据分配到地址码所指定的输出通道。

图3.25 3/8线译码器74LS138作8路数据分配器

3)显示译码器

①七段发光二极管(LED)数码管

LED数码管是目前常用的数字显示器。如图3.26(a),(b)所示分别为共阴管和共阳管的电路,如图3.26(c)所示为共阴管和共阳管的引脚功能图。

图3.26 LED数码管

一个LED数码管可用来显示1位0~9十进制数和一个小数点。小型数码管(0.5 in和0.36 in)每段发光二极管的正向压降,随显示光(通常为红、绿、黄、橙色)的颜色不同略有差别,通常为2.2.5 V,每个发光二极管的点亮电流为5~10 mA。LED数码管要显示BCD码所表示的十进制数字就需要有一个专门的译码器,该译码器不但要完成译码功能,还要有相当的驱动能力。

②BCD码七段译码驱动器

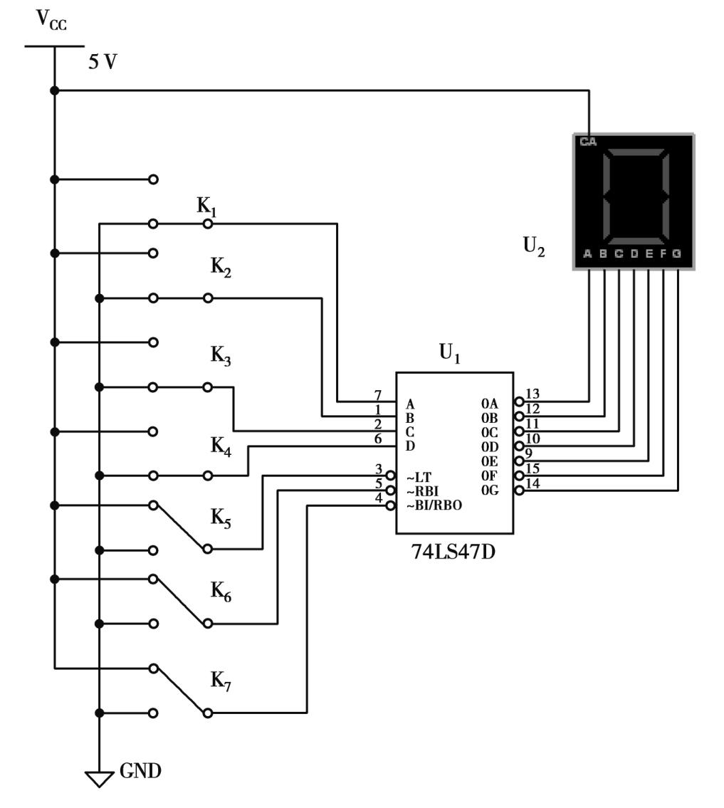
此类译码器型号有74LS47(输出低电平)、74LS48(输出高电平)、CC4511(输出高电平)等,本实验箱采用74LS47 BCD码锁存/七段译码/驱动器,驱动共阳极LED数码管。如图3.27所示为74LS47引脚排列图。

图3.27 74LS47引脚排列图

74LS47引脚排列说明如下:

A,B,C,D——BCD码输入端。

a,b,c,d,e,f,g——译码输出端,输出“0”有效,用来驱动共阳极LED数码管。

LT′——试灯输入端,LT′=“0”时,译码输出全为“0”,数码管七段同时点亮,以检查数码管各段能否正常发光。常态时LT′=1,对电路无影响。

BT′/RBO′——灭灯输入端,BI′=“0”时,译码输出全为“1”。作为输出端使用时,称灭“0”输出端。在A =B =C =D =0时,而且RBI′=0时,RBO′才会输出高电平,表示译码器把不希望显示的零熄灭了。

RBI′——熄零输入端。用来熄灭不希望显示的零。如0013.23000,显然前两个零和后3个零均无效,则可用RBI′使之熄灭。输入其他数码,照常显示。

(4)Multisim 10仿真实验预习

1)译码器74LS138逻辑功能测试

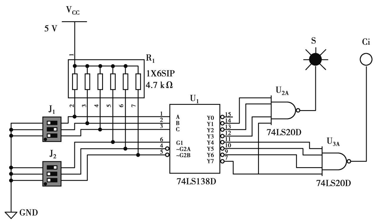
①按照图3.28所示,将74LS138、开关、红色指示灯、电源和地线调出,放置在电子平台上,照图3.28连接好。

②开启仿真开关,根据表3.13设置开关位置,将仿真结果填入表3.13中并分析所测结果是否与表3.12相符。图3.28中74LS138D的A,B,C分别对应表3.13中的A0,A1,A2,G1,~G2A,~G2B分别对应表3.13中的S1,S′2,S′3

2)显示译码器逻辑功能测试

①按照图3.29所示,将74LS47、共阳数码管、开关、电源和地线调出,放置在电子平台上并连接好。

②开启仿真开关,根据表3.14,设置开关位置,将仿真结果填入表3.14中。

表3.13 74LS138输出状态记录表

续表

图3.28 74LS138逻辑功能测试仿真电路

表3.14 BCD-七段译码显示器真值表

续表

图3.29 显示译码器逻辑功能测试仿真电路

(5)实验室操作内容

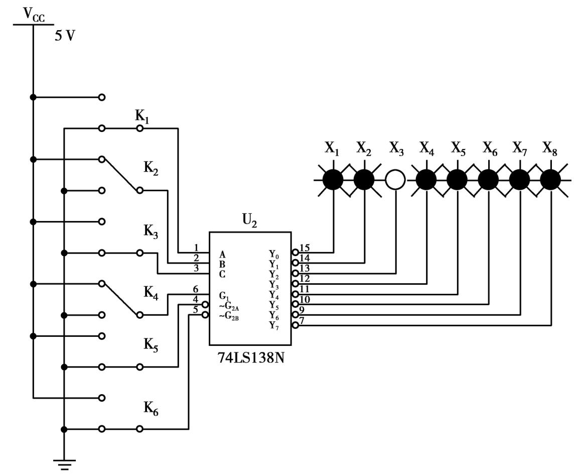
1)译码器74LS138逻辑功能测试

按照图3.30所示,将译码器使能端S1,S′2,S′3及地址端A2,A1,A0分别接至逻辑电平开关输出孔,8个输出端Y′7,…,Y′0依次连接在逻辑电平显示器的8个输入孔上,拨动逻辑电平开关,按表3.15所示条件输入开关状态,逐项测试74LS138的逻辑功能,观察并记录译码器输出状态。LED指示灯亮为“1”,灯不亮为“0”。

图3.30 74LS138逻辑功能测试电路

表3.15 74LS138逻辑功能测试

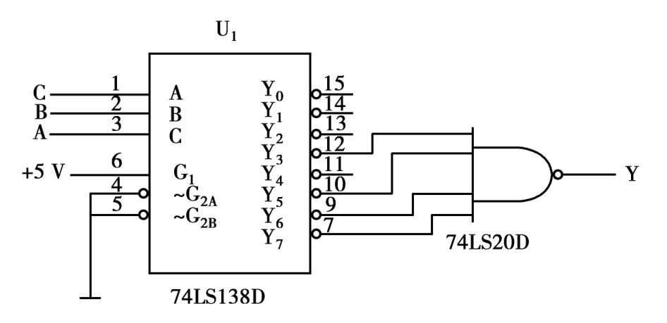
2)用74LS138实现逻辑函数Y =AB +BC +AC

如果设A2 =A,A1 =B,A0 =C,则函数Y的逻辑图如图3.31所示。用74LS138和74LS20 各1块在实验箱上连接线路,并将测试结果记录在表3.16中。

图3.31 用74LS138组成函数Y

表3.16 函数功能测试

3)译码显示电路功能测试

①依据图3.32所示连接电路。

图3.32 译码显示电路

②测试74LS47的管脚功能,并记录结果。

a.测LT′的功能,并将测试结果记录在表3.17中。

表3.17

b.测BI′/RBO′的功能,并将测试结果记录在表3.18中。

表3.18

c.测RBI′的功能,并将测试结果记录在表3.19中。

表3.19

③测试显示电路的显示结果。将LT,BI,RBO都接高电平,改变输入信号的状态,观察记录数码管的显示情况,填入表3.20中。

表3.20 BCD -七段显示译码器真值表

续表

(6)Multisim 10仿真拓展性实验

1)试用1片74LS138和1片74LS20实现全加器功能

自拟全加器真值表及电路图,并仿真验证。参考电路如图3.33所示。

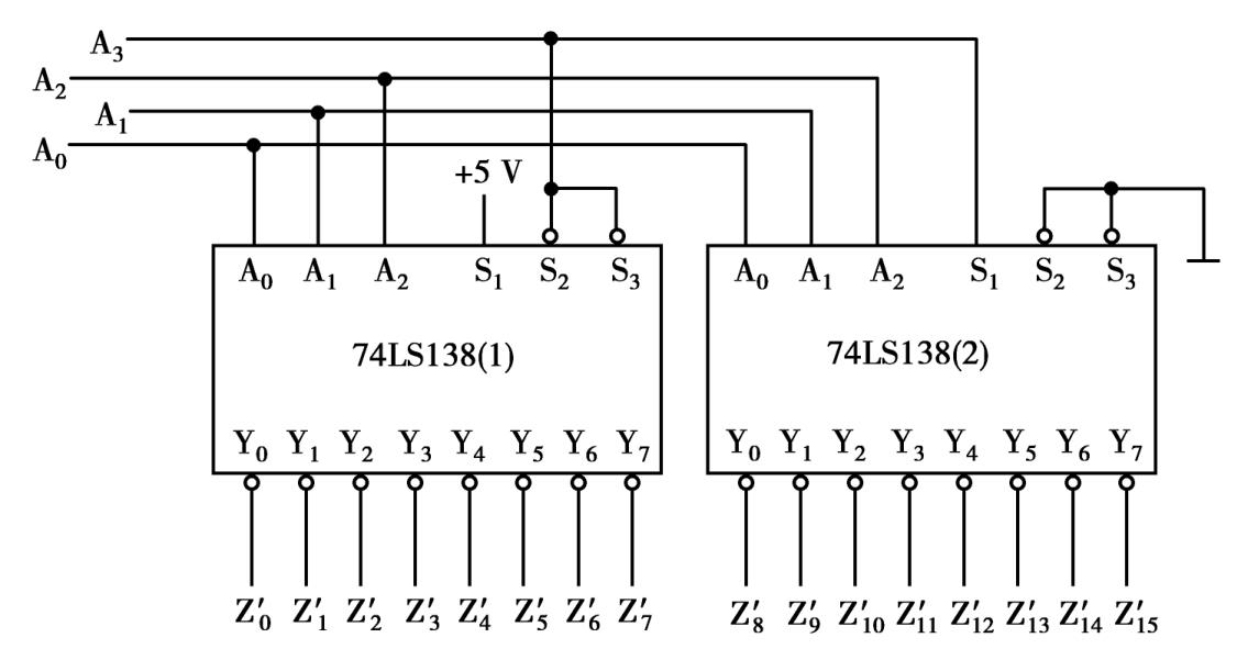
2)用两个3线-8线译码器构成4线-16线译码器

利用使能端能方便地将两个3/8译码器组合成一个4/16译码器,如图3.34所示。

图3.33 用74LS138实现全加器功能电路图

图3.34 用2片74LS138组合成4/16译码器

(7)实验注意事项

①注意集成电路输入控制端和输出控制端的信号。

②74LS138集成块搭接中注意输出信号的处理。

③注意显示器管脚与译码器的对应关系。

(8)思考题

①74LS138为什么能接成数据分配器?

②74LS47直接驱动共阴极数码管还是共阳极数码管?

3.4 实验4:数据选择器及其应用

(1)实验目的

①学习用Multisim 10软件进行数据选择器的仿真实验。

②了解中规模集成数据选择器的功能、管脚排列,掌握其逻辑功能。

③熟悉利用数据选择器构成任意逻辑函数的方法。

④了解数据选择器的扩展方法。

(2)实验设备及器件

①计算机及电路仿真软件Multisim 10。

②SAC-DMS2数字电路实验箱。

③集成电路:74LS153,74LS04,74LS32各1片。

(3)实验原理

数据选择器也称为多路选择器,其作用相当于多路开关,如图3.35所示。用于数字信号传输过程中从一组输入数据中选出某一个数据。有4选1、8选1、16选1等类别。现以双4 选1数据选择器74LS153为例,说明其工作原理。

1)双4选1数据选择器74LS153

所谓双4选1数据选择器,就是在一块集成芯片上有两个4选1数据选择器。4选1数据选择器内部结构如图3.36所示,引脚排列如图3.37,功能见表3.21。

图3.35 数据选择器功能示意图

图3.36 4选1数据选择器内部结构图

图3.37 74LS153引脚功能

表3.21 74LS153功能表

1S′,2S′为两个独立的使能端;A1,A0为公用的地址输入端;1D0—1D3和2D0—2D3分别为两个4选1数据选择器的数据输入端;Q1,Q2为两个输出端。

①当使能端1S′(2S′)=1时,多路开关被禁止,无输出,Q =0。

②当使能端1S′(2S′)=0时,多路开关正常工作,根据地址码A1,A0的状态,将相应的数据D0—D3送到输出端Q。

该电路的表达式为

2)数据选择器的应用——实现逻辑函数

用数据选择器实现逻辑函数,方法与译码器相似,只是将出现的最小项对应的数据端接入高电平,未出现的接低电平,将地址端作为自变量的输入端,则可以实现。

(4)Multisim 10仿真实验预习

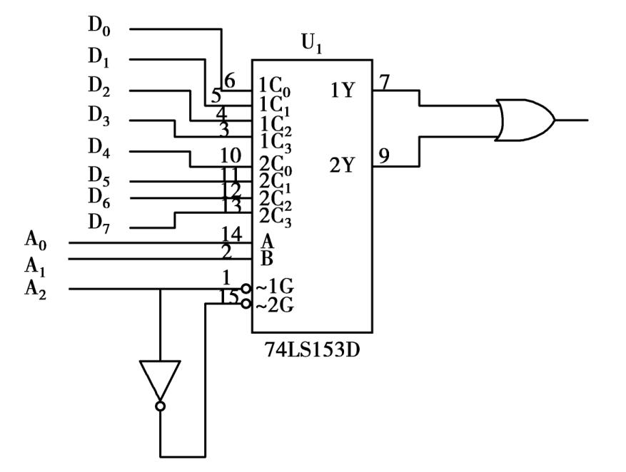
1)74LS153逻辑功能测试

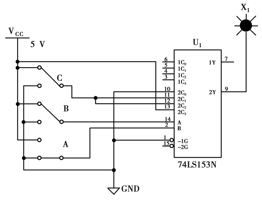
①按照图3.38所示,将74LS153、拨码开关、排阻、红色指示灯、电源和地线调出,放置在电子平台上,照图3.38连接好。

图3.38 74LS153逻辑功能测试仿真图

②开启仿真开关,根据表3.22,设置开关位置,将仿真结果填入表3.22中并分析所测结果是否与表3.21相符。图3.38中74LS153N的2C0,2C1,2C2,2C3分别对应表3.22中的D0,D1,D2,D3,A,B,2G分别对应表3.22中的A0,A1,S′。

2)用4选1数据选择器实现函数F =A′BC +A B′C +AB C′+ABC

根据逻辑表达式进行分析、设定变量,状态赋值。

函数F有3个输入变量A,B,C,而数据选择器有两个地址端A1,A0少于函数输入变量个数,在设计时可用地址输入端A1,A0作变量A,B,数据输入端根据需要作C或接电源、地,将74LS153的表达式(或功能表)与函数F对照,得

仿真图如图3.39所示,测试并记录结果填入表3.23中。

表3.22 74LS153逻辑功能测试

表3.23 函数F真值表

图3.39 用74LS153实现函数

(5)实验室操作内容

1)测试双4选1数据选择器的逻辑功能

按图3.40所示,在实验箱上接线,利用开关按74LS153功能表逐项进行测试,观测输出结果并记录于表3.24中。

表3.24 74LS153逻辑功能测试

图3.40 74LS153接线图

2)用数据选择器74LS153构成8选1数据选择器

参照图3.41所示搭接电路,观察电路的功能,将结果记录于表3.25中。

图3.41 74LS153构成8选1数据选择器

表3.25

3)用74LS153双4选1数据选择路设计一火灾报警系统

有一火灾报警系统,设有烟感、温感和紫外线光感3种类型的火灾探测器。为了防止误报警,只有当其中有两种或两种以上类型的探测器发出火灾检测信号时,报警系统才产生报警控制信号。试用74LS153双4选1数据选择器设计一个产生报警控制信号的电路并在实验箱上验证。

(6)Multisim 10仿真拓展性实验

1)用74LS153双4选1数据选择器实现一位全加器功能

列出该全加器真值表,自拟电路图,并仿真验证。

2)试用8选1数据选择器74LS151实现函数F =A′B′C′+AC +A′BC

参照前面4选1数据选择器实现函数的方法,并仿真验证。

(7)实验注意事项

①注意74LS153控制端的信号。

②注意数据选择器扩展时所用门电路的类型。

(8)思考题

①分析数据选择器的逻辑功能。

②总结用数据选择器实现函数的原理及扩展功能的连接方法。

③数据选择器与数据分配器有什么不同?

3.5 实验5:触发器

(1)实验目的

①掌握用Multisim 10软件进行触发器仿真实验的方法。

②掌握基本RS触发器、JK触发器、D触发器和T触发器的逻辑功能。

③了解各触发器之间的转换方法,并检验其逻辑功能。

(2)实验设备及器件

①计算机及电路仿真软件Multisim 10。

②SAC-DMS2数字电路实验箱。

③集成电路:74LS112,74LS74,74LS00各1片。

(3)实验原理

触发器是具有记忆功能的二进制信息存储器件,它是时序逻辑电路的基本单元之一。触发器具有两个稳定状态,分别用来表示逻辑0和逻辑1。在一定的外界信号作用下,可从一个稳定状态翻转到另一个稳定状态,在输入信号取消后,能将获得的新状态保存下来。触发器输出不但取决于它的输入,而且还与它原来的状态有关。触发器接收信号之前的状态称为初态,用Qn表示;触发器接收信号之后的状态称为次态,用Qn +1表示。触发器按逻辑功能,可分RS触发器、JK触发器、D触发器、T触发器等;按电路触发方式,可分为电平型触发器和边沿型触发器两大类。

1)基本RS触发器

如图3.42所示电路是由两个“与非”门交叉耦合而成的基本RS触发器,它是无时钟控制低电平直接触发的触发器,有直接置位、复位的功能,是组成各种功能触发器的最基本单元。

其输入端分别用R和S表示,输出端用Q和Q′表示,Q和Q′为两个互补输出端,正常工作时两个输出端总是处于相反的状态。基本RS触发器也可用两个“或非”门组成,它是高电平直接触发的触发器。其功能表见表3.26。

图3.42 与非门组成的基本RS触发器

表3.26 与非门组成的基本RS触发器功能表

2)JK触发器

JK触发器是一种逻辑功能完善、通用性强的集成触发器。在结构上可分为主从型JK触发器和边沿型JK触发器。在产品中应用较多的是下降边沿触发的边沿型JK触发器。JK触发器的逻辑符号如图3.43所示。它有3种不同功能的输入端:第一种是直接置位、复位输入端,用R′和S′表示。在S′=0,R′=1或R′=0,S′=1时,触发器不受其他输入端状态影响,使触发器强迫置“1”(或置“0”),当不强迫置“1”(或置“0”)时,S′,R′都应置高电平。第二种是时钟脉冲输入端,用来控制触发器翻转(或称为状态更新),用CP表示(在国家标准符号中称为控制输入端,用C表示),逻辑符号中CP端处若有小圆圈,则表示触发器在时钟脉冲下降沿(或负边沿)发生翻转,若无小圆圈,则表示触发器在时钟脉冲上升沿(或正边沿)发生翻转。第三种是数据输入端,它是触发器状态更新的依据,用J,K表示,在CP脉冲作用下,JK触发器具有置“0”“1”“保持”和“计数”4种功能。JK触发器的状态方程为

图3.43 JK触发器

图3.44 74LS112引脚排列图

本实验采用74LS112型双JK触发器,是下降边沿触发的边沿触发器。引脚排列如图3.44所示。表3.27为其功能表。

3)D触发器

D触发器是另一种使用广泛的触发器,它的基本结构多为维阻型。D触发器的逻辑符号如图3.45所示。D触发器是在CP脉冲上升沿触发翻转,触发器的状态取决于CP脉冲到来之前D端的状态,其状态方程为

图3.45 D触发器

图3.46 74LS74引脚排列图

本实验采用74LS74型双D触发器,是上升边沿触发的边沿触发器。引脚排列如图3.46所示,表3.28为其功能表。

表3.27 JK触发器功能表

注:×—任意态;↓—高到低电平跳变;↑—低到高电平跳
变;Qn(Q′n)—现态;Qn +1(Q′n +1)—次态。

表3.28 D触发器功能表

注:同表3.27。

不同类型的触发器对时钟信号和数据信号的要求各不相同。一般来说,边沿触发器要求数据信号超前于触发边沿一段时间出现(称为建立时间),并且要求在边沿到来后继续维持一段时间(称为保持时间)。对于触发边沿陡度也有一定要求(通常要求<100 ns)。主从触发器对上述时间参数要求不高,但要求在CP =1期间,外加的数据信号不允许发生变化,否则将导致触发器错误输出。

4)触发器的相互转换

在集成触发器的产品中,虽然每一种触发器都有固定的逻辑功能,但可利用转换的方法得到其他功能的触发器。如果把JK触发器的JK端连在一起(称为T端)就构成T触发器,其状态方程为

Qn +1=T′Qn+TQ′n

在CP脉冲作用下,当T =0时,Qn +1=Qn;T =1时,Qn +1=Q′n

工作在T =1时的JK触发器称为T′触发器。T和T′触发器广泛应用于计算电路中。值得注意的是,转换后的触发器其触发方式仍不变。

了解触发器间的相互转换可在实际逻辑电路的设计和应用中更充分地利用各类触发器,同时也有助于更深入地理解和掌握各类触发器的特点与区别。

①JK触发器转换为D触发器,如图3.47所示。

图3.47

图3.48

图3.49

②JK触发器转换为T触发器,如图3.48所示。

③D触发器转换为T′触发器,如图3.49所示。

(4)Multisim 10仿真实验预习

1)JK触发器逻辑功能测试

①按照图3.50所示,将74LS112、拨码开关、排阻、红色指示灯、电源和地线调出,放置在电子平台上,照图3.50连接好。

②开启仿真开关,根据表3.29和表3.30设置开关位置,将仿真结果填入表3.29和表3.30中并分析所测结果是否与表3.27相符。图3.50中74LS112D的1CLR,1PR,1J,1K,1CLK分别对应表3.29和表3.30中的R′D,S′D,J,K,CP。

图3.50 JK触发器逻辑功能测试

表3.29 JK触发器复位、置位功能测试

表3.30 JK触发器逻辑功能测试

2)观察JK 触发器输入输出波形

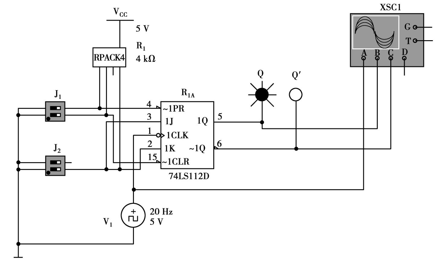
图3.51 JK触发器输入输出波形测试

①将图3.51中J1,J2拨码开关设置为计数状态(J =K =1),从仪器工具条中将虚拟4踪示波器器调出,放置在电子平台上。示波器A,B,C通道分别接脉冲信号、Q端、Q′端。

图3.52 示波器放大面板

②开启仿真开关,双击示波器图标,打开示波器面板,如图3.52所示。面板中第一行波形是脉冲信号波形,第二行是Q端波形,第三行是Q′端波形。从图3.52中可知,当脉冲信号下降沿到来时,Q端由低电平跳变为高电平,同时Q′端由高电平跳变到低电平;当脉冲上升沿到来时,Q端和Q′端保持原来的状态不变;触发器处于计数状态,每来一个脉冲下降沿,JK触发器翻转(计数)一次。

3)D触发器逻辑功能测试

①按照图3.53所示,将74LS74、拨码开关、排阻、红色指示灯、电源和地线调出,放置在电子平台上,照图3.53连接好。

图3.53 D触发器逻辑功能测试

②开启仿真开关,根据表3.31和表3.32设置开关位置,将仿真结果填入表3.31和表3.32中并分析所测结果是否与表3.28相符。图3.53中74LS74D的1CLR,1PR,1D,1CLK分别对应表3.31和表3.32中的R′D,S′D,J,K,CP。

表3.31 D触发器复位、置位功能测试

表3.32 D触发器逻辑功能测试

(5)实验室操作内容

1)测试基本RS触发器的逻辑功能

①如图3.54所示用与非门74L00构成基本RS触发器。

②输入端R′,S′D接逻辑开关,输出端Q,Q′接电平指示器,按表3.33要求测试逻辑功能。

图3.54 基本RS触发器

表3.33 基本RS触发器逻辑功能测试

2)测试双JK触发器74LS112逻辑功能

①测试R′D,S′D的复位、置位功能

任取一只JK触发器,RD,SD,J,K端接逻辑开关,CP端接单次脉冲源,Q,Q′端接电平指示器,按表3.34要求改变RD,SD(J,K,CP处于任意状态),并在RD =0(SD =1)或SD =0(RD = 1)作用期间任意改变J,K,CP的状态,观察Q,Q′状态并记录于表3.34中。

表3.34 JK触发器复位、置位功能测试

②测试JK触发器的逻辑功能

按表3.35要求改变J,K,CP端状态,观察Q,Q′状态变化,观察触发器状态更新是否发生在CP脉冲的下降沿(即CP由1→0)并记录于表3.35中。

表3.35 JK触发器的逻辑功能测试

3)测试双D触发器74LS74的逻辑功能

①测试R′D,S′D的复位、置位功能

按表3.36要求改变R′D,S′D(D,CP处于任意状态),并在R′D =0(S′D =1)或S′D =0(R′D = 1)作用期间任意改变D及CP的状态,观察Q,Q′状态并记录于表3.36中。

表3.36 D触发器复位、置位功能测试

②测试D触发器的逻辑功能

按表3.37要求进行测试,并观察触发器状态的更新是否发生在CP脉冲的上升沿(即由0→1)并记录于表3.37中。

表3.37 D触发器逻辑功能测试

4)将JK触发器的J,K端连在一起,构成T触发器

CP端接入1Hz连续脉冲,用电平指示器观察Q端变化情况。

CP端输入1kHz连续脉冲,用双踪示波器观察CP,Q,Q′的波形,注意相位和时间关系,并描绘。

5)将D触发器的Q′端与D端相连接,构成T′触发器

测试逻辑功能,观察其触发特性。

6)将JK触发器转换成D触发器

测试逻辑功能,观察其触发特性。

(6)Multisim 10仿真拓展性实验

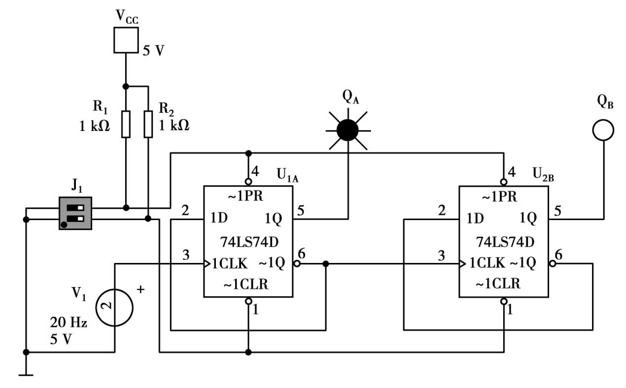
用双D触发器74LS74构成4分频器。

①按照图3.55所示,将74LS74、拨码开关、电阻、指示灯、信号源、电源和地线调出,放置在电子平台上,照图3.55连接好。D触发器D端与Q′端连接构成T′触发器。

图3.55 74LS74构成4分频器

②将4踪示波器从仪器工具条中调出,输入通道A接脉冲信号,B接Q0,C接Q1

③开启仿真开关,双击示波器图标,打开示波器放大面板,如图3.56所示。面板中第一行波形是脉冲信号波形,第二行是Q0端波形,第三行是Q1端波形。从图3.56中可知,Q0端波形1个周期等于脉冲信号的2个周期,Q1端波形1个周期等于脉冲信号的4个周期,因此Q1端对脉冲信号进行了4分频。

图3.56 示波器放大面板

(7)思考题

①分析各类型触发器的逻辑功能。

②总结JK触发器74LS112和D触发器74LS74的特点。

③JK触发器改成D触发器后其触发特性有无改变?为什么?

3.6 实验6:移位寄存器功能测试及应用

(1)实验目的

①掌握用Multisim 10软件进行移位寄存器仿真实验的方法。

②掌握中规模4位双向移位寄存器逻辑功能及使用方法。

③熟悉移位寄存器的应用——实现数据的串行、并行转换和构成环形计数器。

(2)实验设备及器件

①计算机及电路仿真软件Multisim 10。

②SAC -DMS2数字电路实验箱。

③集成电路:74LS194 1片。

(3)实验原理

寄存器是计算机和其他数字系统中用来储存代码或数据的逻辑部件,它的主要组成部分是触发器。一个触发器存储1位二进制代码,要存储n位二进制代码的寄存器就需要n个触发器。移位寄存器是一个具有移位功能的寄存器,是指寄存器中所存的代码能够在移位脉冲的作用下依次左移或右移。移位寄存器不仅可以用来寄存代码,还可以用来实现数据的串行并行转换、数值运算以及数据处理等。既能左移又能右移的称为双向移位寄存器,只需要改变左、右移的控制信号便可实现双向移位要求。根据移位寄存器存取信息的方式不同分为串入串出、串入并出、并入串出、并入并出4种形式。

1)本实验选用的移位寄存器简介

本实验选用的4位双向通用移位寄存器,型号为CC40194或74LS194,两者功能相同,可互换使用,其引脚排列及功能表如图3.57所示。

图3.57 74LS194引脚排列及功能表

74LS194引脚排列说明如下:

D0,D1,D2,D3为并行输入端;Q0,Q1,Q2,Q3为并行输出端;SR为右移串行输入端,SL为左移串行输入端;S1,S0为操作模式控制端;C′R为直接无条件清零端;CP为时钟脉冲输入端。

74LS194有5种不同操作模式:并行送数寄存,右移(方向由Q0→Q3),左移(方向由Q3→Q0),保持,清零。

S1,S0和C′R端的控制作用见表3.38。

表3.38 74LS/94功能表

2)移位寄存器的应用

移位寄存器应用很广,可构成移位寄存器型计数器;顺序脉冲发生器;串行累加器;可用作数据转换,即把串行数据转换为并行数据,或把并行数据转换为串行数据,等等。本实验研究移位寄存器用作环形计数器和数据的串、并行转换。

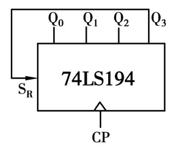
①环形计数器

把移位寄存器的输出反馈到它的串行输入端,就可以进行循环移位,如图3.58所示,把输出端Q3和右移串行输入端SR相连接,设初始状态Q0Q1.2.3 =1000,则在时钟脉冲作用下Q0Q1Q2Q3将依次变为0100→0010→0001→1000→…,见表3.39,由此可知,它是一个具有4个有效状态的计数器,这种类型的计数器通常称为环形计数器。图3.58电路可由各个输出端输出在时间上有先后顺序的脉冲,因此也可作为顺序脉冲发生器。

图3.58 环形计数器

表3.39 环形计数器状态表

如果将输出QO与左移串行输入端SL相连接,即可进行左移循环移位。

②实现数据串、并行转换

通常信息在线路上的传递是串行传送,而终端的输入或输出往往是并行的,因而需对信号进行串-并行转换或并-串行转换。

A.串行/并行转换器

串行/并行转换是指串行输入的数码,经转换电路之后变换成并行输出。

如图3.59所示为用两片74LS1944位双向移位寄存器组成的7位串/并行数据转换电路。电路中S0端接高电平1,S1受Q7控制,两片寄存器连接成串行输入右移工作模式。Q7是转换结束标志。当Q7 =1时,S1为0,使之成为S1S0 =01的串入右移工作方式,当Q7 =0时,S1 =1,有S1S0 =11,则串行送数结束,标志着串行输入的数据已转换成并行输出了。

图3.59 7位串行/并行转换器

串行/并行转换的具体过程如下:

转换前,C′R端加低电平,使Ⅰ、Ⅱ这两片寄存器的内容清零,此时S1S0 =11,寄存器执行并行输入工作方式。当第一个CP脉冲到来后,寄存器的输出状态Q0—Q7为01111111,与此同时S1S0变为01,转换电路变为执行串入右移工作方式,串行输入数据由I片寄存器的SR端加入。随着CP脉冲的依次加入,输出状态的变化见表3.40。

由表3.40可知,右移操作7次之后,Q7变为0,S1S0又变为11,说明串行输入结束。这时串行输入的数码已经转换成并行输出了。

当再来一个CP脉冲时,电路又重新执行一次并行输入,为第二组串行数码转换作好了准备。

B.并行/串行转换器

并行/串行转换器是指并行输入的数码经转换电路之后,换成串行输出。

表3.40 串行/并行转换状态表

续表

如图3.60所示是用两片74LS194(CC40194)组成的7位并行/串行转换电路,它比图3.59多了2只与非门G1和G2,电路工作方式同样为右移。

图3.60 7位并行/串行转换器

寄存器清“0”后,加一个转换启动信号(负脉冲或低电平)。此时,由于方式控制S1S0为11,转换电路执行并行输入操作。当第一个CP脉冲到来后,Q0Q1Q2Q3Q4Q5Q6Q7的状态为0D1D2D3D4D5D6D7,并行输入数码存入寄存器。从而使得G1输出为1,G2输出为0,结果,S1S2变为01,转换电路随着CP脉冲的加入,开始执行右移串行输出,随着CP脉冲的依次加入,输出状态依次右移,待右移操作7次后,Q0—Q6的状态都为高电平1,与非门G1输出为低电平,G2门输出为高电平,S1S2又变为11,表示并/串行转换结束,且为第二次并行输入创造了条件。转换过程见表3.41。

表3.41 并行/串行转换状态表

(4)Multisim 10仿真实验预习

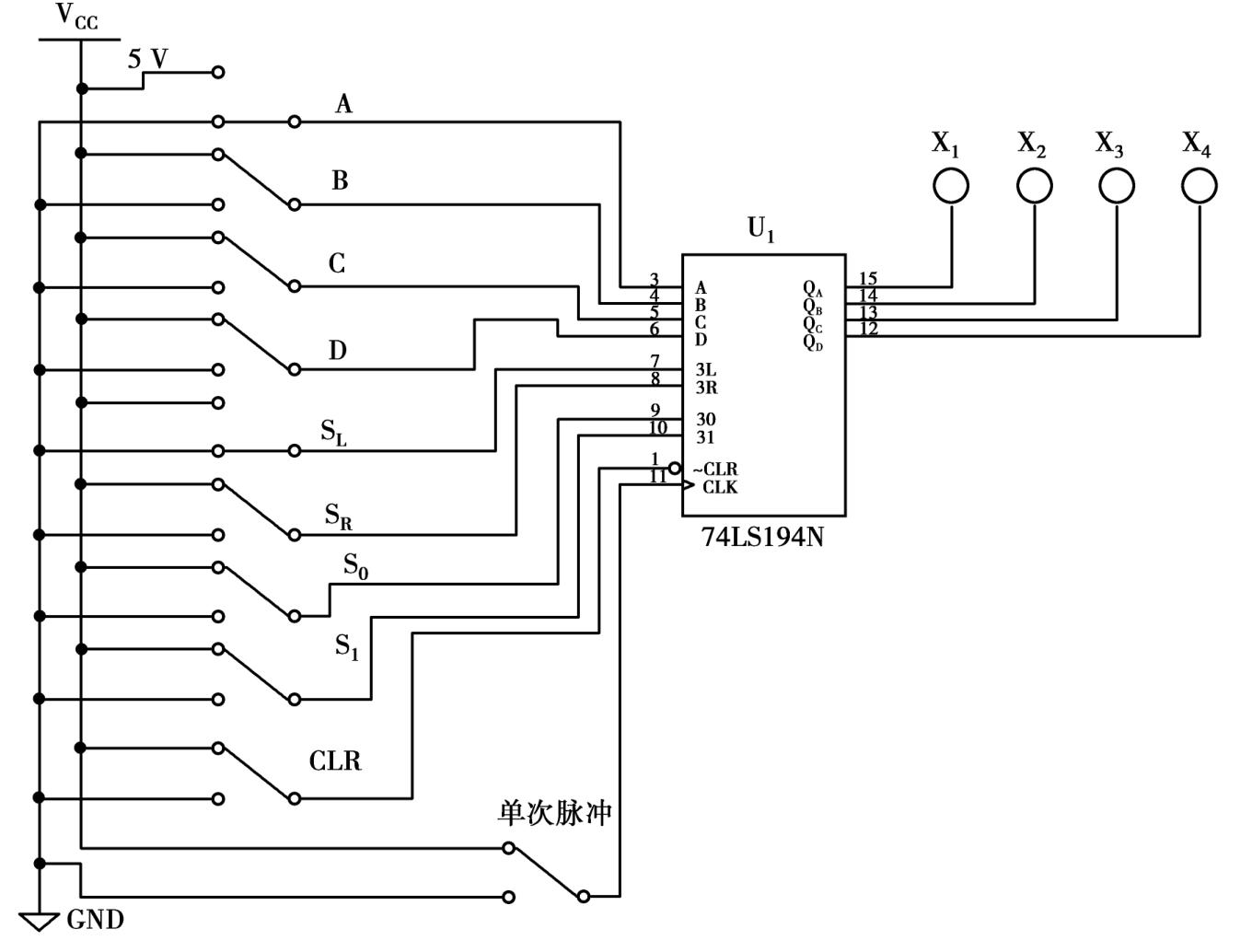
1)74LS194逻辑功能测试

按图3.61所示,从电子仿真软件Multisim 10元器件库中调出双向移位寄存器74LS194N、4个红色指示灯、8个单刀双掷开关、TTL电源、地线等,照图3.61连接成仿真电路。验证以下功能:

①送数

开启仿真开关,根据74LS194功能表3.38,用CLR开关实现“清零”功能;再根据“送数”功能,将S1和S0置于高电平,A,B,C,D数据输入端分别设为“0111”,观察CLK端加单次脉冲时输出端指示灯变化情况,并填写表3.42。

表3.42 送数功能测试

表3.43 保持功能测试

②保持。

根据74LS194功能表3.38“保持”功能,观察单次脉冲作用时输出端指示灯变化情况,并填入表3.43中。

③右移

开启仿真开关,将S1和S0置于“01”状态,根据表3.44将SR输入端按脉冲顺序依次输入“1000”,每设置一个数,按一次单脉冲,观察CP脉冲作用时输出端指示灯的变化情况,填入表3.44中。

图3.61 双向移位寄存器74LS194逻辑功能测试

表3.44 右移功能测试

表3.45 左移功能测试

④左移

开启仿真开关,将S1和S0置于“10”状态,根据表3.45将SL输入端按脉冲顺序依次输入“1000”,每设置一个数,按一次单脉冲,观察CP脉冲作用时输出端指示灯的变化情况,填入表3.45中。

2)环形计数器

将图3.61中SR输入端与QD相连。开启仿真开关,先将S1和S0设置成“送数”功能,给QA—QD送数“0100”,然后再将S1和S0设置成“右移”功能,观察当CP脉冲作用时输出端指示灯的变化情况,并填写表3.46。

表3.46 环形计数器

(5)实验室操作内容

1)测试四位双向移位寄存器的逻辑功能

按图3.62所示接线,C′R,S1,S0,SL,SR,D0,D1,D2,D3分别接至逻辑开关的输出插口;Q0,Q1,Q2,Q3接至逻辑电平显示输入插口。CP端接单次脉冲源。根据74LS194功能表3.38进行功能测试。

图3.62 CC40194逻辑功能测试

①清零:令C′R =0,其他输入均为任意状态,这时寄存器输出Q0,Q1,Q2,Q3应均为0。

②送数:令C′R =S1 =S0 =1,送入任意四位二进制数,如D0D1.2.3 =0111,加CP脉冲,观察CP =0、CP由0→1、CP由1→0这3种情况下寄存器输出状态的变化,观察寄存器输出状态变化是否发生在CP脉冲的上升沿,并将观察结果填入表3.47中。

表3.47 送数功能测试

表3.48 保持功能测试

③保持:寄存器预置任意四位二进制数码如D0D1.2.3 =0011,令C′R =1,S1 =S0 =0,加CP脉冲,观察寄存器输出状态,将结果填入表3.48中。

表3.49 右移功能测试

表3.50 左移功能测试

④左移:先清零或预置,再令C′R =1,S1 =1,S0 =0,由左移输入端SL送入二进制数码如0100,连续加4个CP脉冲,观察输出端情况,并将结果填入表3.50中。

⑤右移:清零后,令C′R =1,S1 =0,S0 =1,由右移输入端SR送入二进制数码如0100,由CP端连续加4个脉冲,观察输出情况,并将观察结果填入表49中。

2)环形计数器

自拟实验线路用并行送数法预置寄存器为某二进制数码(如0100),然后进行右移循环,观察寄存器输出端状态的变化,记入表3.51中。

表3.51 环形计数器

(6)Multisim 10仿真拓展性实验

实现数据的串、并行转换。

1)串行输入、并行输出

按图3.59接线,进行右移串入、并出实验,串入数码自定;改接线路用左移方式实现并行输出。自拟表格并记录。

2)并行输入、串行输出

按图3.60接线,进行右移并入、串出实验,并入数码自定。再改接线路用左移方式实现串行输出。自拟表格并记录。

(7)实验注意事项

①注意移位寄存器模式控制端的状态。

②使用移位寄存器的时候注意左移和右移的连接方式。

(8)思考题

①总结74LS194逻辑功能。

②使寄存器清零,除采用C′R输入低电平外,可否采用右移或左移的方法?可否使用并行送数法?若可行,如何进行操作?

3.7 实验7:计数器逻辑功能测试及应用

(1)实验目的

①学习用Multisim 10软件进行计数器的仿真实验。

②熟悉中规模集成电路计数器74LS161和74LS90的逻辑功能、使用方法及应用。

③掌握构成任意进制计数器的方法。

(2)实验设备及器件

①计算机及电路仿真软件Multisim 10。

②SAC-DMS2数字电路实验箱。

③集成电路:74LS161,74LS90,74LS00各1片。

(3)实验原理

计数器是一个用以实现计数功能的时序部件,它不仅可用来计脉冲数,还常用作数字系统的定时、分频和执行数字运算以及其他特定的逻辑功能。

计数器种类很多。按构成计数器中的各触发器是否使用一个时钟脉冲源,可分为同步计数器和异步计数器;根据计数制的不同,可分为二进制计数器、十进制计数器和任意进制计数器;根据计数的增减趋势,可分为加法、减法和可逆计数器;还有可预置数和可编程序功能计数器,等等。目前,无论是TTL还是CMOS集成电路,都有品种较齐全的中规模集成计数器。使用者只要借助于器件手册提供的功能表和工作波形图以及引出端的排列,就能正确地运用这些器件。

利用中规模集成计数器构成任意进制计数器的方法,归纳起来有级联法、清零法和置数法。

假定已有的集成计数器是N进制计数器,而需要得到的是M进制计数器,则有M>N和M<N两种可能的情况。

①级联法。适用于M>N当计数值超过计数器计数范围后,需要用2片以上的计数器连接完成任意进制计数器,这时要采用级联法。其中,有乘数级联和进位级联。

乘数级联:若M可以分解成两个小于N的因数相乘,即M =N1×N2,将两个计数器串接起来,即计数脉冲接到N1进制计数器的时钟输入端,N1进制计数器的输出接到N2进制计数器的时钟输入端,则两个计数器一起构成了N1×N2 =M进制计数器。74LS90就是典型例子,二进制和五进制计数器构成2×5 =10进制计数器。

进位级联适用于有进位端的计数器。将低位片的进位端与高位片的使能端相连,低位片始终处于计数状态,它的进位输出信号作为高位片的计数控制信号,使之处于计数或保持状态。

②清零法。又称复位法应用于M<N的情况,适用于有清零端的计数器。将计数器的输出状态反馈到计数器的清零端,使计数器由此状态返回到0,再重新开始计数,从而实现M进制计数。清零信号的选择与芯片的清零方式有关。若芯片为异步清零方式,可使芯片瞬间清零,其有效循环状态数与反馈状态相等;若是为同步清零方式,则必须等到下一个CP脉冲到来时清零,其有效循环状态数与反馈状态加1相等。

③置数法。又称置位法,即对计数器进行预置数,应用于M<N的情况,适用于有置数端的计数器。将计数器的输出状态反馈到计数器的置数端,使计数器由预置数开始重新计数,从而实现M进制计数。置数信号的选择与芯片的置数方式有关。若芯片为异步置数方式,可使芯片瞬间置数;若芯片为同步置数方式,芯片需要在CP脉冲到来时置数。

1)中规模同步二进制计数器74LS161和中规模同步十进制计数器74LS160

74LS161(74LS160与74LS161引脚排列相同)引脚排列如图3.63所示,功能表见表3.52。

图3.63 74LS161引脚排列

图3.64 74LS90引脚排列

表3.52 74LS161功能表

2)中规模异步集成计数器74LS90

集成计数器74LS90是二-五-十进制计数器。其引脚排列如图3.64所示,功能表见表3.53。

表3.53 74LS90功能表

(4)Multisim 10仿真实验预习

1)测试74LS160逻辑功能

①按照图3.65所示,将74LS160、开关、信号源、红色指示灯、电源和地线调出,放置在电子平台上,照图3.65连接好。

②开启仿真开关,根据表3.54设置开关位置,将仿真结果填入表3.54中并分析所测结果是否与表3.52相符。图3.65中74LS160D的1CLR,1PR,1J,1K,1CLK分别对应表3.54中的C′R,LD′,CTT,CTD,CP。

图3.65 74LS160逻辑功能测试仿真电路

表3.54 74LS160逻辑功能测试

2)用置数法将74LS160构成一个六进制计数器

如图3.66所示,用数码管显示数字。

3)测试74LS90逻辑功能

①按照图3.67所示,将74LS90、开关、红色指示灯、电源和地线调出,放置在电子平台上,照图3.67连接好。

图3.66 74LS160构成六进制计数器仿真电路

表3.55 74LS90逻辑功能测试

②开启仿真开关,根据表3.55设置开关位置,将仿真结果填入表3.55中,并分析所测结果是否与表3.53相符。图3.67中74LS90D的R01,R02,R91,R92,INA,INB分别对应表3.55中的R0A,R0B,S 0A,S0B,CP0,CP1

(5)实验室操作内容

1)用清零法将74LS161构成一个十进制计数器,并用数码管显示数字

参考图3.68所示搭接电路,其状态转换图如图3.69所示。

图3.67 74LS90逻辑功能测试仿真电路

图3.68 74LS161构成十进制计数器

图3.69 十进制计数器状态转换图

2)用74LS161芯片构成七进制计数器(采用置数法),并用数码显示数字参考图3.70所示搭接电路,并画出状态转换图。

图3.70 用74LS161芯片构成七进制计数器

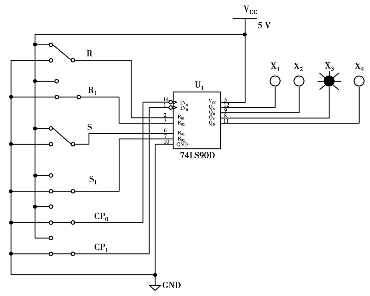
3)用74LS90芯片构成十进制计数器

参考图3.71所示搭接电路,并画出状态转换图。

图3.71 74LS90构成十进制计数器

图3.72 74LS90构成六进制计数器

4)用置数法将74LS90构成一个六进制计数器

参考图3.72接电路,并画出状态转换图。

5)利用74LS90构成一个二十四进制的计数器,并用数码显示管显示参考图3.73所示搭接电路,并画出状态转换图。

图3.73 74LS90构成二十四进制计数器

(6)Multisim10仿真拓展性实验

1)用74LS74构成2位异步二进制加法计数器

按照图3.74所示设计2位异步二进制加法计数器,并用数码管显示数字。

2)用74LS74构成4位异步二进制加法计数器

依照图3.74自行设计4位异步二进制加法计数器,并用数码管显示数字。

3)用74LS74构成4位异步二进制减法计数器

将图3.74改成4位异步二进制减法计数器,并用数码管显示数字。

提示:异步计数器不论加法计数器还是减法计数器都是将低位触发器的一个输出端连在高位触发器的CP上,如果加法计数器是用Q端输出,减法计数器则用Q′端输出。

图3.74 用74LS74构成二位二进制加法计数器

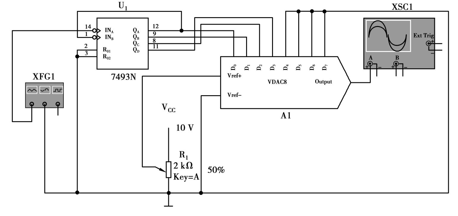
4)用级联法构成六十进制计数器

由2片74LS160用级联法构成六十进制计数器,自拟电路图,用Multisim 10仿真。

(7)实验注意事项

①注意集成块功能端有效的状态。

②实现其他进制计数器的时候注意中断状态和反馈线的处理。

(8)思考题

①计数器的同步置零方式和异步置零方式有什么不同?同步预置数方式和异步预置数方式有什么不同?

②在用十六进制计数器74LS161接成小于十六进制的计数器时,怎样使其原有的进位输出端产生进位输出信号?

3.8 实验8:555定时器

(1)实验目的

①熟悉555定时器的工作原理。

②熟悉555定时器的典型应用。

③学习用Multisim 10软件进行555定时器的仿真实验。

④了解定时元件对输出信号周期及脉冲宽度的影响。

(2)实验设备及器件

①计算机及电路仿真软件Multisim 10。

②SAC -DMS2数字电路实验箱。

③555定时器、电阻、电容。

④双踪示波器1台。

⑤函数信号发生器1台。

(3)实验原理

集成时基电路又称为集成定时器或555电路,是一种数字、模拟混合型的中规模集成电路,应用十分广泛。它是一种产生时间延迟和多种脉冲信号的电路,由于内部电压标准使用了3个5 kΩ电阻,故取名555电路。其电路类型有双极型和CMOS型两大类,二者的结构与工作原理类似。几乎所有的双极型产品型号最后的三位数码都是555或556;所有的CMOS产品型号最后四位数码都是7555或7556,二者的逻辑功能和引脚排列完全相同,易于互换。555和7555是单定时器。556和7556是双定时器。双极型的电源电压VCC =5~15 V,输出的最大电流可达200 mA,CMOS型的电源电压为3~18 V。

1)555电路的工作原理

图3.75 555定时器内部框图及引脚排列

555电路的内部电路方框图如图3.75所示。它含有两个电压比较器,一个基本RS触发器,一个放电开关管T,比较器的参考电压由3只5 kΩ的电阻器构成的分压器提供。它们分别使高电平比较器C1的同相输入端和低电平比较器C2的反相输入端的参考电平为。C与C的输出端控制RS触发器状态和放电管开关状态。当输入信号自6脚,即高12电平触发输入并超过参考电平时,触发器复位,555的输出端3脚输出低电平,同时放电开关管导通;当输入信号自2脚输入并低于时,触发器置位,555的3脚输出高电平,同时放电开关管截止。

555定时器功能见表3.56。

表3.56

R′D:复位端(4脚),当R′D =0,555输出低电平。平时R′D端开路或接VCC

VC:控制电压端(5脚),平时输出2/3VCC作为比较器A1的参考电平,当5脚外接一个输入电压,即改变了比较器的参考电平,从而实现对输出的另一种控制,在不接外加电压时,通常接一个0.01 μF的电容器到地,起滤波作用,以消除外来的干扰,确保参考电平的稳定。

T:放电管,当T导通时,将给接于脚7的电容器提供低阻放电通路。

555定时器主要是与电阻、电容构成充放电电路,并由两个比较器来检测电容器上的电压,以确定输出电平的高低和放电开关管的通断。这就很方便地构成从微秒到数十分钟的延时电路,可方便地构成单稳态触发器、多谐振荡器、施密特触发器等脉冲产生或波形变换电路。

2)555定时器的典型应用

①单稳态触发器

单稳态触发器在外来脉冲作用下,能够输出一定幅度与宽度的脉冲,输出脉冲的宽度就是暂稳态的持续时间tw

②施密特触发器

施密特触发器也有两个稳定状态,但与一般触发器不同的是施密特触发器采用电位触发方式,其状态由输入信号电位维持;施密特触发器有两个阈值电压,可以把边沿变化缓慢的周期性信号变换为边沿很陡的矩形脉冲信号。

③多谐振荡器

与单稳态触发器相比,多谐振荡器没有稳定状态,只有两个暂稳态,而且无须用外来触发脉冲触发,电路能自动交替翻转,使两个暂稳态轮流出现,输出矩形脉冲。

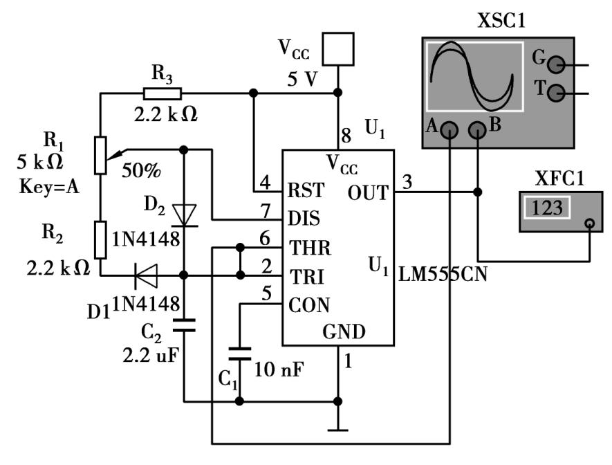
(4)Multisim 10仿真实验预习

1)测量555定时器逻辑功能

①按照图3.76所示,将3554AM、74LS10D、74LS00D、74LS04D、开关、指示灯、电压表、电源和地线调出,放置在电子平台上,照图3.76连接好。

②开启仿真开关,根据表3.57设置开关位置,将仿真结果填入表3.57中,并分析所测结果是否与表3.56相符。图3.57中线框边的6脚、2脚、4脚、3脚、7脚分别对应表中的TH,TR,R′D,OUT,T。

图3.76 555定时器内部结构及逻辑功能测试仿真

表3.57 555定时器逻辑功能测试

2)用555定时器构成产生500 Hz的多谐振荡器

①按照图3.77所示,将LM555CN、电阻、电容、示波器、频率计、电源和地线调出,放置在电子平台上,照图3.77连接好。

②开启仿真开关,双击示波器打开面板,观察C2和3脚输出波形,双击频率计打开面板观察频率,波形和测量频率如图3.77所示。

(5)实验室操作内容

1)用555定时器构成单稳态触发器

①将555定时器高电平触发端TH与放电端相连后接定时元件RC,从低电平触发端TR加入触发信号,则构成单稳态触发器,如图3.78所示。

图3.77 555定时器构成多谐振荡器电路及仿真频率和波形

图3.78 单稳态触发器

图3.79 施密特触发器

表3.58 555定时器构成单稳态触发器

②在Vi端分别输入频率为1 kHz幅度为2Vpp的正弦波和方波信号,用示波器观察并记录Vi,VC和Vo的波形,测出Vo的脉冲宽度,与理论值进行比较,将测量结果记入表3.58中。

2)用555定时器构成施密特触发器

①将555定时器的高、低电平触发端TH和TL连在一起作为信号输入端,构成施密特触发器,如图3.79所示。

②在Vi分别输入频率为10 kHz幅度为5 V的正弦波和三角波信号,用示波器观察Vi和Vo的波形记录在表3.59中,与单稳态触发器的波形作比较。

表3.59 555定时器构成单稳态触发器

3)用555定时器构成多谐振荡器

①将555定时器的TH端和TR端连在一起再外接电阻R1和R2和电容便构成多谐振荡器,如图3.80所示。

②用示波器观察3脚和6脚的波形。

③改变可调电阻RP的数值,观察输出波形的变化。注意f0的变化,将测量结果记入表3.60中。

图3.80 555定时器构成多谐振荡器

表3.60 555定时器构成多谐振荡器

(6)Multisim 10仿真拓展性实验

1)占空比可调的多谐振荡器

按图3.81所示接线,构成占空比可调的多谐振荡器,调节R1观察频率计所示频率及示波器上C2和3脚输出的波形。

2)电子眨眼电路

如图3.82所示,555和R1,R2,C组成无稳态多谐振荡器。f =1.44/(R1 +2R2)C,图3.82中参数的振荡频率在1 Hz左右,占空比为50%。它输出的高、低电平方波驱动LED1,LED2,使之轮流“眨眼”发光。R3,R4为限流保护电阻。

接通电源后,555起振,当3脚输出为高电平时,由于LED1正极与电源相连相当于高电平,负极通过R3与555多谐振荡器的3引脚相连,LED1不发光。LED2的正极相当于高电平,负极与地相接,因此LED2先发光。当3脚输出为低电平时,由于LED1正极与电源相连相当于高电平,负极通过R3与3脚相连相当于低电平,LED1发光。而LED2的正极相当于低电平,负极与地相接,因此LED2不发光。从而实现了电路的轮流眨眼功能。按图3.82接线,观察电路功能。

图3.81 占空比可调的多谐振荡器

图3.82 电子眨眼电路

(7)实验注意事项

①定量画出实验所要求记录的各点波形。

②整理实验数据,分析实验结果与理论计算结果的差异,并进行分析讨论。

(8)思考题

①用555定时器构成的施密特触发器电路中,怎样改变回差电压的大小?

②用555定时器构成的单稳态触发器电路中,如触发脉冲大于单稳态持续时间,电路能否正常工作?

3.9 实验9:数模转换器测试

(1)实验目的

①熟悉D/A转换器的工作原理。

②学习用Multisim 10软件进行DAC的仿真实验。

③熟悉D/A转换器集成芯片DAC0832的性能,学习其使用方法。

(2)实验设备及器件

①计算机及电路仿真软件Multisim 10。

②SAC-DMS2数字电路实验箱。

③数字万用表1块。

④集成电路:DAC0832,μA741各1片。

(3)实验原理

数字量转换成模拟量称为数/模转换器(D /A转换器,简称DAC)。完成这种转换的线路有多种,特别是单片大规模集成D /A转换器问世,为实现上述的转换提供了极大的方便。使用者可借助于手册提供的器件性能指标及典型应用电路,即可正确使用这些器件。本实验将采用大规模集成电路DAC0832实现D /A转换。

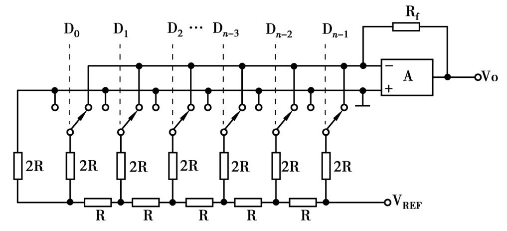
1)D /A转换器DAC0832

DAC0832是采用CMOS工艺制成的单片电流输出型8位数/模转换器。如图3.83所示为DAC0832的逻辑框图及引脚排列。

器件的核心部分采用倒T形电阻网络的8位D /A转换器,如图3.84所示。它是由倒T 形R-2R电阻网络、模拟开关、求和放大器和参考电源VREF这4部分组成。因为求和放大器反相输入端V-的电位始终接近于零,所以无论开关合到哪一边,都相当于接到了“地”上,流过每一边的电流也始终不变。从每一条虚线端口处往左看过去的等效电阻都是R,因此从参考电源流入倒T形电阻网络的总电流为I =VREF/R,而每个支路的电流依次为I/2,I/4,I/8,I/ 16、…。如果令Di =0时开关接地(接放大器的V+),而Di =1时开关接V -端,在求和放大器的反馈电阻阻值等于R的条件下,输出电压为

图3.83 DAC0832单片D/A转换器逻辑框图和引脚排列

由上式可知,输出电压Vo与输入的数字量成正比,这就实现了从数字量到模拟量的转换。

一个8位的D /A转换器,它有8个输入端,每个输入端是8位二进制数的一位,有一个模拟输出端,输入可有28=256个不同的二进制组态,输出为256个电压之一,即输出电压不是整个电压范围内任意值,而只能是256个可能值。

图3.84 倒T形电阻网络D /A转换电路

2)DACO832引脚功能

DAC0832的引脚功能说明如下:

D0—D7:数字信号输入端,D7——MSB,D0——LSB。

ILE:输入寄存器允许,高电平有效。

CS:片选信号,低电平有效,与ILE信号合起来共同控制WR′1是否起作用。

WR′1:写信号1,低电平有效,用来将数据总数的数据输入锁存于8位输入寄存器中,WR′1有效时,必须使CS′和ILE同时有效。

XFER′:传送控制信号,低电平有效,用来控制WR′2是否起作用。

WR′2:写信号2,低电平有效,用来将锁存于8位输入寄存器中的数字传送到8位D/A寄存器锁存起来,此时WFER应有效。

IOUT1:D/A输出电流1,当输入数字量全为1时,电流值最大。

IOUT2:D/A输出电流2。

Rfb:反馈电阻。DAC0832为电流输出型芯片,可外接运算放大器,将电流输出转换成电压输出,电阻Rfb是集成在内的运算放大器的反馈电阻,并将其一端引出片外,为在片外连接运算放大器提供方便。当Rfb的引出端(9脚)直接与运算放大器的输出端相连接,而不另外串联电阻时,则输出电压为

VREF:基准电压,通过它将外加高精度的电压源接至T形电压网络,电压范围为-10~+ 10 V,也可以直接向其他D/A转换器的电压端输出。

VCC:电源,电压范围+5~+15 V。

AGND:模拟地。

DGND:数字地。

由于DAC0832转换输出是电流,当要求转换结果是电压时,可在DAC0832的输出端接一运算放大器,将电流信号转换成电压信号。当VREF接+5 V(或-5 V)时,输出电压范围是-5~0 V(或0~+5V)。如果VREF接+10 V(或-10 V)时,输出电压范围是0~-10 V(或0~+10 V)。

(4)Multisim 10仿真实验预习

在电子平台上搭建一个如图3.85所示的倒T形电阻网络D/A转换器,测量输出电压Vo

图3.85 倒T形电阻网络D/A转换器

根据表3.61设置模拟开关位置,测出Vo的值填入表3.61中,并与理论值作比较。

表3.61 测量倒T形电阻网络D/A转换器输出电压

(5)实验室操作内容

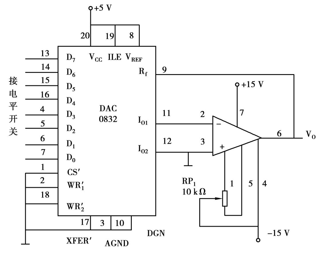
1)实验箱上搭接电路

①把DAC0832,uA741插入实验箱,按图3.86所示接线,电路接成直通方式,即CS′,WR′1,WR′2,XFER′接地;ILE,VCC,VREF接+5 V电源;运放电源接±15 V;D0—D7接逻辑开关的输出插口,输出端Vo接直流数字电压表。

②调零,令D0—D7全置零,调节运放的电位器使μA741输出为零。

③按表3.62所列的输入数字信号,用数字电压表测量运放的输出电压Vo,并将测量结果填入表3.62中,并与理论值进行比较。

2)记录实验结果

表3.62

(6)Multisim 10仿真拓展性实验

按图3.87所示接线,构成梯形波产生器。调节信号发生器产生1 kHz的信号作为计数器7493的时钟脉冲,计数器的输出端QD,QC,QB,QA分别与8位电压输出型DAC的D3,D2,D1,D0输入端相连接,DAC的高四位输入端接地。计数器在计数到最后一个数“1111”时,将复位到“0000”,开始下一轮计数。观察示波器的波形,调节R1阻值大小观察波形的幅度有无变化。

图3.86 D/A转换器实验线路

图3.87 DAC与计数器构成梯形波发生器

(7)实验注意事项

①各个仪器的正确使用。

②集成块端口较多,注意各个端口的正确连接。

(8)思考题

①D/A转换器的电路结构有哪些类型?它们各有什么优缺点?

②影响D/A转换器转换精度的因素有哪些?

3.10 实验10:模数转换器测试

(1)实验目的

①熟悉A/D转换器的工作原理。

②学习用Multisim 10软件进行ADC的仿真实验。

③熟悉A/D转换器集成芯片ADC0809的性能,学习其使用方法。

(2)实验设备及器件

①计算机及电路仿真软件Multisim 10。

②SAC-DMS2数字电路实验箱。

③集成电路:DAC08091片。

(3)实验原理

1)A/D转换器简介

A/D转换器用来将模拟量转变为数字量。模拟量可以是电压、电流等电信号,也可以是压力、温度、湿度、位移、声音等非电信号。但在A/D转换前,输入A/D转换器的输入信号必须经各种传感器把各种物理量转换成电压信号。A/D转换后,输出的数字信号可以有8位、10位、12位、14位和16位等。A/D转换有4个步骤:采样、保持、量化、编码。A/D转换主要有3种方法:逐次逼近法、双积分法和电压频率转换法。

①逐次逼近法

逐次逼近式A/D是比较常见的一种A/D转换电路,转换的时间为微秒级。采用逐次逼近法的A/D转换器是由一个比较器、D/A转换器、缓冲寄存器及控制逻辑电路组成。基本原理是从高位到低位逐位试探比较,好像用夭平称物体,从重到轻逐级增减砝码进行试探。逐次逼近法转换过程是:初始化时将逐次逼近寄存器各位清零;转换开始时,先将逐次逼近寄存器最高位置为1,送入D/A转换器,经D/A转换后生成的模拟量送入比较器,称为Vo,与送入比较器的待转换的模拟量Vi进行比较,若Vo<Vi,该位1被保留,否则被清除。然后再置逐次逼近寄存器次高位为1,将寄存器中新的数字量送D/A转换器,输出的Vo再与Vi比较,若Vo<Vi,该位1被保留,否则被清除。重复此过程,直至逼近寄存器最低位。转换结束后,将逐次逼近寄存器中的数字量送入缓冲寄存器,得到数字量的输出。逐次逼近的操作过程是在一个控制电路的控制下进行的。

②双积分法

采用双积分法的A/D转换器由电子开关、积分器、比较器和控制逻辑等部件组成。基本原理是将输入电压变换成与其平均值成正比的时间间隔,再把此时间间隔转换成数字量,属于间接转换。双积分法A/D转换的过程:先将开关接通待转换的模拟量Vi,Vi采样输入积分器,积分器从零开始进行固定时间T的正向积分,时间T到后,开关再接通与Vi极性相反的基准电压VREF,将VREF输入积分器进行反向积分,直到输出为0 V时停止积分。Vi越大,积分器输出电压越大,反向积分时间也越长。计数器在反向积分时间内所计的数值,就是输入模拟电压Vi所对应的数字量,从而实现A/D转换。

③电压频率转换法

采用电压频率转换法的A/D转换器由计数器、控制门及一个具有恒定时间的时钟门控制信号组成,它的工作原理是V/F转换电路把输入的模拟电压转换成与模拟电压成正比的脉冲信号。电压频率转换法的工作过程:当模拟电压Vi加到V/F的输入端,便产生频率F与Vi成正比的脉冲,在一定的时间内对该脉冲信号计数,时间到,统计到计数器的计数值正比于输入电压Vi,从而完成A/D转换。

2)A /D转换器ADC0809

ADC0809是采用CMOS工艺制成的单片8位8通道逐次渐近型模/数转换器,其逻辑框图及引脚排列如图3.88所示。器件的核心部分是8位A/D转换器,它由比较器、逐次渐近寄存器、D/A转换器及控制和定时5部分组成。

ADC0809的引脚功能说明如下:

INo-IN7:8路模拟信号输入端。

A2,A1,A0:地址输入端。

ALE:地址锁存允许输入信号,在此脚施加正脉冲,上升沿有效,此时锁存地址码,从而选通相应的模拟信号通道,以便进行A /D转换。

START:启动信号输入端,应在此脚施加正脉冲,当上升沿到达时,内部逐次逼近寄存器复位,在下降沿到达后,开始A /D转换过程。

EOC:转换结束输出信号(转换结束标志),高电平有效。

OE:输入允许信号,高电平有效。

CLOCK(CP):时钟信号输入端,外接时钟频率一般为640 kHz。

VCC:+5 V单电源供电。

VREF(+),VREF(-):基准电压的正极、负极。一般VREF(+)接+5 V电源,VREF(-)接地。

D7—Do:数字信号输出端。

①模拟量输入通道选择

8路模拟开关由A2,A1,A0这3个地址输入端选通8路模拟信号中的任何一路进行A/D转换,地址译码与模拟输入通道的选通关系见表3.63。

图3.88 ADC0809转换器逻辑框图及引脚排列

表3.63

②D /A转换过程

在启动端(START)加启动脉冲(正脉冲),D /A转换即开始。如将启动端(START)与转换结束端(EOC)直接相连,转换将是连续的,在用这种转换方式时,开始应在外部加启动脉冲。

(4)Multisim 10仿真实验预习

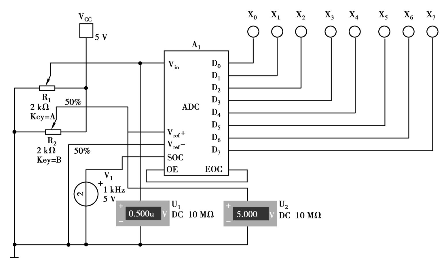
①单击元件工具条“杂项元件”按钮,在ADC-DAC系列中选“ADC”,放置在电子平台上,ADC为8位电路,Vin为模拟电压输入端;Vref +为参考电压“+”端,接直流参考电源的正端;Vref -为参考电压“-”端,一般与地连接;SOC为启动转换信号端,只有从低电平变成高电平时,转换才开始;OE为输出允许端;EOC为转换结束标志,高电平表示转换结束;D7—D0是8位数字量输出端。

②再将其他元件调出连接成如图3.89所示的8位A/D转换器仿真电路。

③R1用来调节模拟输入电压,R2用来调节基准电压,8个指示灯表示输出的8位二进制数。将R1滑动条调到0,R2调到100%,此时电压表U1显示为0.5.0 μV(即0 V),电压表U2显示为5 V,表明ADC基准电压为5 V。

图3.89 8位ADC转换器仿真电路

④调节R1的滑动条使其百分比以“2%”递增,同时电压表U1的显示值也在增加,表明模拟输入电压Vin在增加,此时指示灯所表示的二进制数也在变化。

⑤根据表3.64中模拟输入电压Vin的要求改变R1的百分比,将指示灯表示的二进制数和电压表U1显示的十进制数的电压值填入表3.64中。

表3.64 ADC转换器仿真测试

(5)实验室操作内容

1)实验箱上搭接电路

按图3.90所示电路接线,其中,输出端D7—D0分别接发光二极管LED,CLOCK接连续脉冲(频率大于1 kHz)。

图3.90 A/D转换器实验线路

2)记录实验结果

①8路输入模拟信号1.4.5 V,由+5 V电源经电阻R分压组成;变换结果D0—D7接逻辑电平显示器输入插口,CP时钟脉冲由计数脉冲源提供,取f =100 kHz;A0—A2地址端接逻辑电平输出插口。

②接通电源后,在启动端(START)加一正单次脉冲,下降沿到即开始A /D转换。

③按表3.65的要求观察,记录IN0—IN7这8路模拟信号的转换结果,并将转换结果换算成十进制数表示的电压值,并与数字电压表实测的各路输入电压值进行比较,分析误差原因。

表3.65 A/D转换器测试

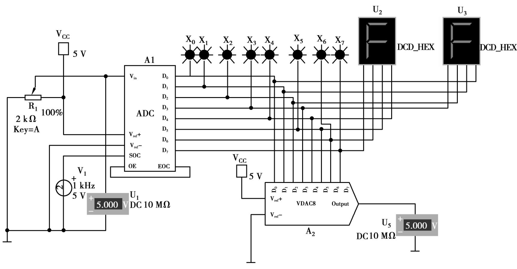
(6)Multisim 10仿真拓展性实验

①单击元件工具条“杂项元件”按钮,在ADC-DAC系列中选“ADC”,VDAC放置在电子平台上。

②再将其他元件调出连接成如图3.91所示的ADC-DAC综合应用的仿真电路。

图3.91 AD/DA综合应用电路

③R1用来调节模拟输入电压,U1用来显示模拟输入电压,8个指示灯表示输出的8位二进制数,两个数码管是十六进制的数码管,显示二位十六进制数。将R1滑动条调到0,此时电压表U1显示为0.5.0 μV(即0V),指示灯全部不亮,数码管显示为0,电压表U5显示为也0V。

④调节R1的滑动条使其百分比以“2%”递增,同时电压表U1的显示值也在增加,表明模拟输入电压Vin在增加,此时指示灯所表示的二进制数也在变化,数码管显示的二位十六进制数也在发生相应的变化,电压表U5的显示值与U1的显示值基本吻合。

⑤根据表3.66中模拟输入电压Vin的要求改变R1的百分比,将电压表U1,U5显示的电压值和指示灯表示的二进制数以及数码管显示的十六进制数填入表3.66中。

表3.66 AD/DA综合应用

续表

(7)实验注意事项

①各个仪器的正确使用。

②集成块端口较多,注意各个端口的正确连接。

(8)思考题

A/D转换器电路结构有哪些类型?它们各有什么优缺点?