项目8 数控机床PLC故障诊断与分析
知识目标
1.学习PLC的概念和在数控机床控制系统中的作用,明确FANUC 0i系统中的PMC信息交换;
2.能正确识读懂数控机床PMC梯形图;
3.学习如何运用数控机床中CNC、PLC和MT(机床本体)之间接口地址的信息状态(通“1”、断“0”)来判断数控机床的工作状态是否正常,并对常见故障加以排除。
技能目标
1.能够识记PLC的概念和在数控机床控制系统中的作用,明确FANUC 0i系统中的PMC信息交换;
2.培养PLC梯形图识读和综合逻辑分析能力;
3.初步掌握运用数控机床中CNC、PLC和MT之间接口地址的信息状态判断数控机床的工作状态是否正常,并对出现故障予以排除的基本技能。
任务1 认识FANUC 0i系统中的PMC
◎任务提出

图8.1 数控机床PLC梯形图
对于如图8. 1所示数控机床PLC梯形图(详见附录),要求能够查找和检测数控机床输入/输出开关量地址信号和功能指令信号,明确CNC、PLC、MT之间的逻辑控制关系,利用这些开关量信号的状态判断数控机床故障的发生部位,最终明确PLC弱电控制机床强电逻辑顺序的动作过程。
◎任务目标
1.能够识记PLC的概念和在数控机床控制系统中的作用,明确FANUC 0i系统中的PMC信息交换;
2.掌握PMC梯形图程序结构、熟悉FANUC PMC编程语言及编程指令,能够识读数控机床PMC梯形图;
3.认识PMC基本画面、学会PMC各种显示画面的操作。
◎相关知识
数控机床除了对各坐标轴的位置进行连续控制外,还要对诸如主轴正转和反转、换刀及机械手控制、工件夹紧松开、工作台交换、冷却和润滑等辅助动作进行顺序控制。在现代数控机床中,这些功能的实现是靠可编程逻辑控制器(Programmable Logic Controller,PLC)来完成的。PLC是由早期的继电器逻辑控制线路和装置发展起来的,今天PLC以其控制功能强、使用方便、性价比高、抗干扰能力强的诸多优点,作为很多自动化设备的通用控制器,在工业现场得到广泛应用。
在数控机床控制系统中,CNC和PLC分工合作完成对数控机床的控制,PLC主要实现M、S、T指令的处理以及数控机床辅助电气控制部分的控制,通过对程序的周期扫描来进行数控机床辅助电气部分的逻辑顺序控制,也称为可编程机床控制器PMC(programmable machine tool controller)。
一、PMC在数控机床控制系统中的作用
PMC在数控机床控制系统中的作用主要体现在以下几个方面:
1.机床操作面板的控制
数控机床的操作面板有两种:数控系统生产商提供的标准操作面板以及机床制造商自制单位操作面板。对于前者,面板上有标准的接口与PLC的I/ O板相连接,接线简单;后者则可以按照机床操作者的特殊要求布置按键,但接线相对复杂。
机床操作面板上的各按键、开关信号,如工作方式选择键、倍率开关、辅助动作按键等的信号都是直接进入PMC,如图8. 2所示,这些信号由PMC程序进行逻辑处理后,给机床输出相应的控制信号,或送给CNC作进一步处理,从而控制机床的运动。机床操作面板上各种指示灯信号则由PMC的输出信号控制,如图8. 3所示。
2.机床外部开关量输入信号控制
将机床侧的开关量信号送到PMC,这些开关量信号包括各类控制开关,如形成开关、接近开关、液位开关、压力传感器、温度开关等,如图8. 4所示。这些信号送入PMC后,由PMC进行逻辑运算后,送给CNC或直接输出给机床侧实现相应的控制功能。这些输入元件的故障率较高,故障形式有应闭合而未闭合、断开或接触不良等。

图8.2 数控机床操作面板上的按键信号

图8.3 数控机床操作面板上的指示灯信号
3.输出信号控制
PMC输出的信号经外围强电控制电路中的继电器、接触器、液压或气动电磁阀等输出给控制对象,如图8. 5所示,用于控制机床侧的辅助动作。如刀库的正转与反转、机械手换刀、工作台回转、冷却泵、润滑泵的开启与关闭等。
4.控制伺服和变频使能
控制主轴和伺服进给驱动装置的使能信号,以满足伺服驱动的条件,通过驱动装置,驱动主轴电动机、伺服进给电动机和刀架电动机等。

图8.4 机床侧开关信号输入

图8.5 PMC输出控制信号
二、FANUC 0i系统中的PMC信息交换
在数控机床的控制过程中,PMC与CNC及机床之间进行着丰富的信息交换,这些信息对于数控机床控制功能的实现起着重要作用,信息交换主要包括以下几方面:
1.机床侧至PMC
机床侧的开关量信号通过I/ O单元接口输入到PMC中,除极少数信号外,绝大多数信号的含义及所配置的输入地址,可由PMC程序编制者或使用者自行定义。数控机床生产厂家可以方便地根据机床的功能和配置进行地址分配,信号地址以字母X开头。
2. PMC至机床
PMC的控制信号通过PMC的输出接口送到机床侧,所有输出信号的含义和输出地址也是可由PMC程序编制者或使用者自行定义,信号地址以字母Y开头。
3. CNC至PMC
CNC送至PMC的信息可由CNC直接送入PMC的寄存器中,所有CNC送至PMC的信号含义和地址(开关量地址或寄存器地址)均由CNC厂家确定,PMC编程者只可使用不可改变和增删。如数控指令的M,S,T功能,通过CNC译码后直接送入PMC相应的寄存器中。信号地址以字母F开头。
4. PMC至CNC
PMC送至CNC的信息也是将开关量信号传送到寄存器,所用地址是“G”,此地址也是CNC厂家确定,PMC编程者只可使用,不可删改。例如,FANUC 0i数控系统中,在操作面板上由按钮发出要求机床单段运行的信号“MSBK”,该信号先由MT送到PMC,再由PMC送到CNC,其地址为“F004 # 3”。在[PMCDGN]→[STATUS]界面下,地址“F004 # 3”的状态如果是“1”,则指令信号已进入CNC;如果是“0”,则指令信号没到达CNC,可能面板与CNC之间有故障。
除了上述的X,Y,F,G地址外,FANUC PMC中的信号类型还有R,A,C,K等,FAUNC 0i数控系统PMC内部资源如表8. 1所示:
表8.1 FANUC PMC中的信号类型

续表

三、PMC语言及编程
1. PMC的梯形图程序
数控机床中采用PMC实现开关量的控制。PMC的控制过程是有用户程序规定的,PMC用户程序的表达方式有两种:即梯形图和语句表。编制用户程序可采用梯形图编程,也可采用语句表编程。PMC图形编辑器支持这两种编程方式。
(1)梯形图程序
梯形图又叫LADDER图,梯形图程序采用类似继电器触点、线圈的符号,如图8. 6所示。梯形图左右两条竖直线称为母线,梯形图是母线和夹在母线之间的节点(或称触点)、线圈(或称继电器线圈)、功能块(功能指令)等构成的一个或多个“网络”。每个梯形图由一行或数行构成。梯形图两边的母线没有电源,当控制节点全部接通时,并没有电流在梯形图中流过,在分析梯形图工作状态时沿用了继电逻辑电路的分析方法,故流过梯形图的“电流”是一种虚拟的电流。梯形图只描述了电路工作的顺序和逻辑关系。
梯形图中触点代表逻辑“输入”条件,如行程开关、面板按钮等。线圈通常代表逻辑“输出”结果,用来控制外部的指示灯、交流接触器、中间继电器和内部的输出条件等。如果输出为“1”状态,则表示梯形图中对应软继电器的线圈“通电”;如果该存储单元为“0”状态,其常开触点断开,常闭触点接通,表示线路“不通”。
梯形图中的继电器线圈和触头都被赋予了一个地址。梯形图程序执行过程是从梯形图的开头从上到下,由左至右,到结尾后再返回程序头继续循环执行,如此周期性地往复扫描CNC、MT接口地址信息,顺序执行。

图8.6 梯形图及执行过程
(2)梯形图程序和继电器的区别
梯形图使用与继电器逻辑电路相似的控制逻辑,一般可以按照继电器控制电路的逻辑原理进行分析,这样为电气工程人员识读梯形图提供了方便;但梯形图与传统的继电器控制电路有一定区别。
首先,梯形图两边的母线没有电源,当控制节点全部接通时,并没有电流在梯形图中流过,在分析梯形图工作状态时沿用了继电逻辑电路的分析方法,故流过梯形图的“电流”是一种虚拟的电流。梯形图只描述了电路工作的顺序和逻辑关系。
其次,梯形图的工作顺序与继电逻辑电路不同。梯形图是顺序程序,触头动作有先后;而在一般的继电逻辑控制电路中,各继电器在时间上完全可以同时动作,如图8. 7所示,在继电逻辑控制电路中图8. 7(a)与图8. 7(b)的动作是相同的,即接通触头A后,线圈B和C通电,C线圈接通后B断开。作为梯形图,在图8. 7(a)中PMC梯形图程序的作用和继电逻辑控制电路一样,即接通触头A后,线圈B和C通电,经过一个扫描周期后B线圈断电;而在图8. 7(b)中,按照梯形图的顺序,接通触头A后,C线圈接通,但B线圈并不接通。

图8.7 PMC程序与继电逻辑控制电路的区别
最后,在继电逻辑控制电路中,继电器的触点数是有限的,因此在控制线路设计时应认真考虑触电分配,而在PMC梯形图中继电器的触点认为有无限,不受数量限制。
(3)PMC程序结构
PMC程序从整体结构上分为第1级和第2级程序,还有子程序,但子程序必须在第2级程序中指定,其程序组成结构如图8. 8所示。

图8.8 PMC程序的构成
执行时先执行程序头的第1级程序,至END1结束;再执行第2级程序。第1级程序每8 ms执行1次,第二级程序在编程完成后向CNC的调试RAM中传送时被自动分割成n等分(依据其程序长短),每8 ms中扫描完第1级程序后,再依次扫描第2级程序,所以整个PMC程序的执行周期为8×n ms。如果第1级程序较长,将导致每8 ms中能扫描的第2级程序过少,这样一来第2级程序的分割数目n就会增多,从而使整个PMC程序执行周期延长。因此编写第1级程序时,应使其尽可能短,通常将与安全有关的急停处理和超程处理安排在第1级程序中。PMC执行周期如图8. 9所示。

图8.9 PMC执行周期
(4)PMC梯形图符号
PMC梯形图程序的基本要素是符号,所用符号如表8. 2所示。
表8.2 梯形图编程符号

注:细实线表示PMC内部符号;粗实线表示与CNC有关的符号;双实线表示MT侧符号。
2. PMC编程指令
编写PMC程序时通常有两种方法:第1种是使用助记符语言(RD、RD. NOT、WRT、AND、OR等PMC基本指令)写成语句表来编程;第2种方法是梯形图符号编程。使用梯形图符号编程不需要理解PMC指令就可以直接进行程序编制,易于理解,方便快捷,其基本指令运算过程如表8. 3所示。
表8.3 常见PMC功能指令

续表

续表

续表

续表

续表

续表

PMC的基本指令只能实现简单的逻辑关系控制,但有些功能,如M指令读取、定时(刀架换刀延时或液压系统动作延时)、计数(加工零件计数)、最短路径选择(使刀库沿最短路径旋转)、比较、检索、转移、代码转换、数据四则运算、信息显示等很难靠基本指令完成,PMC的功能指令刚好可以弥补基本指令的不足,可以实现数控机床信息处理和动作控制的特殊要求,常用的PMC功能指令如表8. 3所示。
四、系统PMC画面功能及具体操作
FANUC数控系统可通过屏幕对PMC实施操作,进行PMC梯形图的动态显示,监控与诊断PMC的各种输入/输出信号状态;可对定时器、计数器、保持型继电器、数据表等寄存器进行设定和显示;还能够对梯形图进行编辑等,由此来判断和查找数控机床故障位置。
在MDI方式下按系统功能键
,再按(PMC)软键,则在屏幕上显示PMC基本菜单画面,如图8. 10所示。
注意:要显示下面5个软件,需要按一下扩展键
。
1.动态显示梯形图程序(PMCLAD)
PMC提供直观梯形图显示,在PMC基本界面(见图8. 10所示)中按[PMCLAD]软键,即可显示如图8. 11所示的梯形图显示。梯形图执行时,如系统采用单色显示器,信号接通逻辑“1”状态用高亮度线条显示,信号断开为暗线显示;如系统采用彩色液晶显示器,信号接通为白色线显示,信号断开为绿色线显示。以此确认系统动作的控制状态,可有效地发现故障原因。
用光标移动键和翻页键可以变更显示位置。
软键[TOP]为返回梯形图开头的操作软键;
软键[BOTTOM]为返回梯形图末尾的操作软键;
软键[SRCH]为搜索梯形图中信号触头的操作软键,如要搜索信号F7. 3时,输入F7. 3,再按下[SRCH]软键,系统就会把信号F7. 3当前梯形图显示出来;

图8.10 PMC基本界面

图8.11 梯形图显示界面
软键[W-SRCH]为搜索梯形图中信号线圈的操作软键,如要搜索信号R6. 0的线圈时,输入R6. 0,再按下[W-SRCH]软键,系统就会把R6. 0信号线圈所在的当前梯形图显示出来;
软键[N-SRCH]为搜索梯形图的行号的操作软键;
软键[F-SRCH](需要按系统扩展键)为搜索梯形图中功能指令的操作软键,输入“功能指令号”或键入“功能指令名”,然后按[F-SRCH]。如搜索梯形图中可变定时器01,输入可变定时器的功能指令号3,然后按下[F-SRCH],系统就会把定时器01所在的梯形图显示当前画面。
2.系统梯形图的诊断界面(PMCDGN)
在PMC基本界面中按[PMCDGN]软键,即可显示出系统梯形图的诊断界面,如图8. 12所示。

图8.12 PMCDGN界面
在界面中可以分别显示:TITLE(标题)界面、STATUS(状态)界面、ALARM(报警)界面、TRACE(跟踪)界面、M. SRCH(存储器显示)和ANALY(分析)等界面。
(1)TITLE(标题)界面
系统内已经有梯形图程序时,应首先显示在内存中的标题数据,即TITLE(标题)界面,标题界面可有几页,用页面键可以翻页查阅。
(2)STAUS(状态)界面
STATUS(状态)界面用于显示输入/输出的信号、内部继电器等的开、关状态。程序中所有的使用地址(X,Y,F,G,R,A,C,K,D,T)的内容可在CRT屏幕上显示。这对于查找数控机床故障点非常重要,根据此可判断故障出现在CNC侧还是在MT侧等。操作步骤如下:
①在图8. 12诊断界面上按下[STATUS]软键,CRT屏幕显示如图8. 13所示。

图8.13 STATUS(状态)界面
②键入要显示的地址后按下[SEARCH]键或翻页键来显示另一地址。
(3)ALARM(报警)界面的显示
ALARM(报警)界面用于显示PMC中发生的报警。如果PMC发生报警,按下[ALARM]软键,可以显示报警信息,如图8. 14所示。
“ALM”在屏幕右下角闪烁。如果发生了一个致命错误,则顺序程序不能启动。对于界面上所显示的报警号的详细意义,可查找机床说明书中提供的“报警信息列表”。
(4)TRACE(跟踪)界面
用于系统PMC信号的跟踪画面显示。

图8.14 ALARM(报警)界面
3. PMC参数画面(PMCDGN)
在PMC基本界面上按软键[PMCPRM],能够显示PMC的参数界面,如图8. 15所示,可以分别打开TIMER(定时器)、COUNTR(计数)、DATA(数据表)、KEEPRL(保持型继电器)等界面。按光标键,把光标移到希望修改的地址号码上,输入数值,按功能键“INPUT”,数据被输入。

图8.15 参数界面(PMCPRM界面)
(1)定时器设定画面(TIMER)
该画面显示PMC控制中可变定时器的设定时间,定时器的时间设定单位为ms(十进制形式显示),每个定时器占用系统内部两个字节。系统在MDI状态下,并且参数保护PWE =1,就可直接对定时器设定时间进行修改。
(2)计数器画面(COUNTER)
该画面显示PMC控制中计数器号、计数器的存储地址(每个计数器占用系统内部4个字节)、计数器的预置值和计数器的当前数值(计数器的数值具有断电保护功能)。系统在MDI状态下,并且参数保护PWE =1,就可直接对计数器的预置值进行设定或进行修改。具体画面如图8. 15所示。
(3)保持型继电器画面
FANUC 0i A系统的保持型继电器地址位K0—K19,其中K16—K19为系统专用继电器,不能作为他用;FANUC 0i B/0i C系统(PMC为SB7)的保持型继电器地址位K0—K99(用户使用)和K900—K919(系统专用),具体画面见图8. 16所示。

图8.16 系统PMC保持型继电器画面
◎任务实施
基本任务 PMC基本操作与调试
(1)根据图8. 17所示流程,查阅PMC各模块的数据和信号,熟悉操作过程和步骤。

图8.17 PMC操作流程图
(2)操作PMC界面进入开关量显示状态,依据表8. 4给出的FANUC 0i Mate系统输入输出地址速查表,对照机床电气原理图(参见附录),检查PLC输入/输出点的连接和逻辑关系是否正确。手动检查机床超程限位开关、减速开关等开关量是否有效,报警显示是否正确。
表8.4 FANUC 0i Mate系统输入输出地址速查表

注:①X8. 3~X8. 7、X9. 0~X9. 2、X10. 0~X10. 3、X11. 1、X11. 5为常闭状态,其他为常开状态;
②ROV1/ MP1、ROV2/ MP2表示手轮/快速进给倍率;
③*OV1、*OV2、*OV4、*OV8表示点动进给倍率0~150%:0 =0000,10%=1000,20%=0100,…,150%=1 111;
④MD1、MD2、MD4为工作方式选择开关:存储器=110、自动=100、MDI = 000、手轮=001、GOG =101、返回参考点=111。
◎思考题
1.举例说明PMC在数控机床中的控制功能。
2.解释PMC地址含义:X,Y,F,G,T,C,R,K。
3. PMC控制与继电逻辑控制相比有什么优点?
4.查阅FANUC 0i C系统相关PMC程序,对照检查表8. 5,8. 6中给出的相关I/ O信号的地址是否一致,并明辨其含义。
表8.5 PMC与机床之间有关急停、运行准备的I/ O信号

表8.6 PMC与NC之间有关急停、运行准备的I/ O 信号

任务2 通过PMC进行故障诊断
◎任务提出
大家都知道,在实际操作中,如果在JOG手动进给时,经常会出现某轴超程故障,此刻CNC系统屏幕上会显示超程报警,同时机床点动功能失效。解决这一故障现象的方法是:按下控制面板上的“超程解除”功能键,与此同时按点动键,让机床沿反向移动退出超程区域,然后停止手动进给,松开超程解除按键,则报警消除。那么,这么做的依据是什么?
由前已知,PLC是CNC与数控机床之间信号传递与处理的中间环节,机床侧的开关、按键、传感器等输入信号首先送给PLC处理;CNC对机床侧的控制信号也要经过PLC传递给机床侧的继电器、接触器、电磁阀、指示灯等电器元件;PLC还要把指令执行的结果及机床的状态反馈给CNC。如果这些信号中的任何一个没有到位,任何一个执行元件没有按照要求动作,机床都会出现故障,而机床侧的输入/输出元件是数控机床上故障率较高的部位,在数控机床的故障中,和PLC相关的故障占有较高比例,显而易见,掌握这部分故障的分析方法很必要。
然而和PLC相关的故障主要有哪些表现形式呢?又如何通过PLC进行故障的分析查找呢?
◎任务目标
1.熟练掌握PMC梯形图程序显示、PMC诊断画面、PMC参数画面等操作技能;
2.明确PLC故障表现形式,学习PLC故障诊断的基本方法,依据报警号、动作顺序、控制对象工作原理、PLC的I/ O状态等来诊断故障。
◎相关知识
数控机床出现PLC方面的故障时,一般有3种表现形式:
①有明确报警信息,通过报警信息可直接找到故障的原因;
②有故障显示,但不反映故障的真正原因;
③没有报警信息和故障提示。
对于后两种情况,可以利用数控系统的自诊断功能,根据PLC的梯形图和输入/输出状态信息来分析和判断故障的原因,这是解决数控机床外围故障的基本方法。
一、根据系统报警分析查找PMC故障
在MDI方式下按系统功能键
,显示如图8. 18所示界面,在该画面中按下[DGNOS]软键,显示如图8. 19所示的系统诊断功能画面。不同的诊断号代表不同的含义。

图8.18 系统参数画面
实例体会:一数控机床在自动运行状态中,每当执行M8(切削液喷淋)这一辅助功能指令时,加工程序就不再往下执行了。但此时管道是有切削液喷出,系统无任何报警提示。
分析与检查过程如下:

图8.19 系统的诊断功能界面
①在MDI方式下按系统功能键
,再按下[DGNOS],调出系统诊断功能界面,发现诊断号000为“1”,即系统正在执行辅助功能,切削液喷淋这一辅助功能未执行完毕,可见在系统中未能确认切削液是否已喷出,而事实上切削液已喷出。
②查阅电气控制原理图,发现在切削液管道上安装有流量开关,用以确认切削液是否喷出。在PMC程序的信号状态监控界面中检查该流量开关的输入点X2. 2,检查发现该点的状态为“0”(有喷淋时正常应为“1”),于是故障原因可以确定为在有切削液正常喷出的情况下流量开关未能正常动作所致。
③更换新的流量开关后重新运行程序,故障排除。
二、观察PLC的I/ O状态,判断相应开关量是否已输入、输出以此判断故障
在MDI方式下按系统功能键
,再按[PMC]软键,则在屏幕上显示PMC基本菜单画面(见图8. 10)。
在PMC基本菜单画面中按[PMCLAD]软键,即可显示出梯形图(见图8. 11)。梯形图执行时,如系统采用单色显示器,信号接通逻辑“1”状态用高亮度线条显示,信号断开为暗线显示;如系统采用彩色液晶显示器,信号接通为白色线显示,信号断开为绿色线显示。通过此画面,可以实时监控PMC与CNC、机床之间各个信号的状态。
在PMC基本界面中按[PMCDGN]软键,即可进入系统梯形图的诊断界面(见图8. 12),再按下[STAUS]软键,显示图8. 13所示的PMC信号状态,可以直观观察梯形图相应开关量的通断,若逻辑为“1”或通,表示MT,CNC侧连接没有问题,若不通,则检查外部电路。对于M,S,T指令,可以在从MDI方式下写一段程序验证,在执行的过程中观察相应的地址位。
实例体会:某台数控车床通电后进行Z轴返回参考点操作,返回参考点速度很慢,且无论怎么执行,每次都出现急停报警。
分析与检查过程如下:
①经过仔细观察,发现Z轴在返回参考点过程中速度不仅较低而且一直不变,观察减速挡块,压到减速开关,但是速度没有变化。
②调出PMC诊断画面,在诊断画面中观察到Z轴减速信号X9. 1一直为“0”,进一步检查,确认减速开关动作正常,确认X9. 1信号线接线正常,再检查接至减速开关的24 V电源,结果24 V电源没有,故信号X9. 1总是“0”。
③FANUC数控机床回参考点的正确过程如图8. 20所示。

图8.20 数控机床返回参考点控制
出现故障时,由于X9. 1信号一直为“0”,相当于减速开关被撞块压下的状态,所以Z轴在返回参考点过程中以低速运行,表现为速度很慢。而CNC一直在等候减速开关信号X9. 1变为“1”,因为只有它变成“1”后系统开始找编码器一转信号,并在接收到一转信号后移动一个栅格偏移量准确停在机床的参考点上,但由于24V电源端子断开,X9. 1无法变成“1”,所以机床一直移动,直至超程,产生急停报警。
三、观察PMC动态梯形图,结合系统的工作原理,查找故障点
根据PMC的梯形图来分析和诊断故障是解决数控机床外围故障的基本方法。如果采用这种方法,首先应该清楚机床的工作原理、动作顺序和连锁关系,然后根据梯形图查看相关的输入/输出及标志位的状态,以确定故障原因。
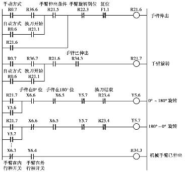
实例体会:配备FANUC 0i MC的卧式加工中心,采用机械手换刀。某次换刀过程中,机械手已伸出,但手臂一直不转,无法完成换刀过程。
分析与检查过程如下:
①换刀机械手动作过程如下:两端机械手爪夹紧(主轴刀具及刀库换刀位刀具夹紧 )
主轴及刀库刀具松开
主轴孔吹气
机械手臂伸出(将主轴刀具及刀库刀具卸出 )
手臂旋转 180
手臂缩回(将刀具装入主轴及刀库 )
主轴及刀库刀具夹紧
机械手松开
关断主轴孔吹气,换刀过程结束。
②在MDI方式下按系统功能键
,再按[PMC]软键调出PMC基本菜单,在PMC基本菜单画面中按[PMCLAD]软键打开PMCLAD界面,通过监控梯形图程序检查机械手不旋转的原因,有关的PMC程序如图8. 21所示。
③检查此程序运行情况,发现Y5. 6和Y5. 7都为“0”。从控制条件看,机械手臂已伸出即R23. 4为“0”,同时X6. 5为“0”,X6. 6为“1”,R21. 7为“0”,而只有当R21. 7为“1”时Y5. 6才会为“1”,此时机械手臂才会旋转。
④继续向上查阅R21. 7为“1”的控制条件,R0. 6为“1”,R21. 2为“1”,R21. 6为“1”,只要R34. 3为“1”,R21. 7就会为“1”。

图8.21 控制机械手旋转的PMC程序
⑤在检查R34. 3,发现X6. 3和X6. 4均为“0”,而在机械手臂伸出的状况下,手臂在外行程开关信号X6. 4的状态应该为“1”。
⑥在机床上检查这个行程开关,发现安装固定螺钉松动,开关位置有些变化,遂将开关位置调整好并重新固定,再试可正确完成换刀过程。
注意:检查开关前应将工作方式转换为手动方式后再检查开关,这样在调整开关位置时机械手臂及手爪均保持原来的位置和状态。
◎任务实施
基本任务 利用PMC进行故障诊断
以相关知识中介绍的RS-FANUC 0i C/0i Mate C数控机床综合实训系统为平台,利用系统中I/ O上的拨码开关模拟刀架刀位检测、超程等故障,并观察各故障对机床运行的影响,然后进行排除,在实际操作中体验利用PMC进行故障诊断的方法。具体内容如下:
1.手动点动运行
①机床通电,解除急停按钮,完成返回参考点操作。
②将机床工作方式设定为JOG方式,分别按下- X,+ X方向键,观察刀架运动,确认运行正确,然后再次返回参考点。
③将- X点动运行拨码开关断开,此时再按下- X,观察刀架运动情况(没有点动)。
④依据上一任务中给出FANUC 0i Mate系统输入/输出地址速查表,检查- X点动控制的PLC输入信号及地址,可知为X12. 3。
⑤按 
[PMC
[PMCLAD]打开PMC梯形图,通过键盘键入X12. 3,然后按软键[SEARCH]检索X12. 3信号,显示画面如图8. 22(a)所示。图中地址X12. 3显示为触点没导通。由于- X点动键已按下,梯形图触点却没导通,说明信号原因是信号不同。
⑥将- X点动运行拨码开关接通,再次按下- X键,则刀架作- X方向运动,故障消除。同时观察梯形图,此时梯形图如图8. 22(b)所示,- X点动控制信号接通。

图8.22 - X点动信号检测
2.超程及超程复位
超程故障现象:在实际操作中,如果在JOG手动进给时,不慎造成某轴超程故障,此刻CNC系统屏幕上会显示超程报警,同时机床点动功能失效。
①将机床工作方式设定为JOG方式,分别- X,+ X,- Z,+ Z方向键,观察刀架运动,确认运行正确。
②利用拨码开关断开,随机将- X,+ X,- Z,+ Z限位信号断开,此时CNC屏幕上会出现超程报警信息,如“411伺服报警:Z轴超程”。
③依据上一任务中给出FANUC 0i Mate系统输入/输出地址速查表,检查+ Z,- Z限位控制的PLC输入信号及地址,可知为X8. 6和X8. 3。
④按 
[PMC ]
[PMCLAD]打开PMC梯形图,观察超程时梯形图如图8. 23(a)所示。梯形图中X8. 3为细实线,表示该触点为断开状态,致使线圈G8. 4失电,从而使机床点动功能失效。
⑤按下控制面板上的“超程解除”功能键,此时梯形图如图8. 23(b)所示。图中超程解除信号X12. 7为粗实线(即触点导通),该触点提供一条支路使线圈G8. 4得电,使机床点动功能恢复。故与此同时按点动键,让机床沿反向移动退出超程区域,然后停止手动进给,松开超程解除按键,则报警消除。没有超程时的梯形图如图8. 23(c)所示。

图8.23 超程及超程解除控制
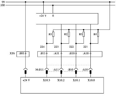
3.自动换刀故障检查
故障现象:四刀位数控车床处于MDI方式,当键入指令T02时,刀台一直转动不停,找不到刀具,不能完成换刀操作。
故障诊断处理思路及步骤:
①查阅四工位刀架电气控制原理图,详见附录FANUC 0i Mate TC实训系统电气原理图之3/18、5/18及14/18页,经分析检查确认刀架正转控制正常,即数控系统已发出换刀信号,刀架正转继电器得电,进而使刀架正转接触器得电,刀架电机正转,通过减速机构及升降机构将上刀体上升至一定位置,但刀台一直转动不停,未能转到所选刀位停止,故考虑问题产生于刀架检测信号。
②车床设置为MDI方式,键入换刀指令,但改换其他号刀具,换刀操作完成。
③继续查阅电气原理图中刀架检测控制信号,控制原理如图8. 24所示。由图中可看出2号刀的刀位信号为X10. 1。

图8.24 刀架检测信号
④打开PMC梯形图,在梯形图上检索2号刀信号地址,发现梯形图中X10. 1为细实线,表明X10. 1地址没有导通,即没有接收到2号刀位信号,进一步检查确认XT6处信号线接线不良所致。
◎思考题
1.当机床出现超程限位报警时,采取怎样的步骤进行消除?
2. FANUC PMC提供了哪些可利用的故障诊断功能?
3.怎样利用PMC排查数控机床故障,举例说明。
4.当你在MDI方式用程序寻找某一刀号时,刀架一直旋转不停找不到刀具,一般是由于什么原因引起的?