项目7 进给伺服系统典型故障诊断
知识目标
1.学习数控机床进给伺服系统的组成和功能特点;
2.以雷塞57HS13步进电机及雷塞M542V2. 0细分驱动器为例,学习开环步进伺服系统的控制原理、系统构成和典型故障处理;
3. FANUC 0i C伺服单元(SVU)驱动装置的功能接口、连接方法和典型故障处理;
4. FANUC 0i C伺服模块(SVM)驱动装置的功能接口、连接方法和典型故障处理;
5.学习FANUC伺服系统参数的设定与伺服调整及其典型故障处理;
6. FANUC伺服总线(FSSB)的设定和常见故障分析;
7.学习进给伺服系统位置检测装置的故障诊断与维修;
8.数控机床进给伺服系统典型故障诊断。
技能目标
1.掌握FANUC 0i C数控机床进给伺服系统的组成和功能特点;
2.学会开环步进伺服系统的控制原理、系统构成和典型故障处理;
3.正确实施FANUC 0i C伺服单元(SVU)驱动装置功能设定,能够分析排除常见故障;
4.正确实施FANUC 0i C伺服模块(SVM)驱动装置功能设定,能够分析排除常见故障;
5.学会FANUC伺服系统参数的设定与伺服调整及其典型故障处理;
6.学会FANUC伺服总线(FSSB)基本参数设定和常见故障分析;
7.掌握进给伺服系统位置检测装置编码器、光栅尺的检测原理和常见故障分析;
8.初步掌握数控机床进给伺服系统典型故障诊断。
任务1 数控机床进给伺服系统的组成和功能特点
◎任务提出
数控机床的伺服系统是由伺服放大器、伺服电动机、机械传动组件和检测装置等组成。伺服系统接受CNC所发出的位置指令来驱动电动机进行定位控制,是数控系统的“四肢”,发挥着重要作用。因此有必要了解进给伺服系统的组成和功能特点,为其进行故障诊断打好基础。伺服控制是由伺服控制理论、变流技术、电动机控制技术来组成位置、速度、电流的三环控制,如图7. 1所示为进给伺服系统简图,试简述各部分作用及工作原理。

图7.1 进给伺服系统简图
◎任务目标
1.回顾FANUC 0i Mate C进给伺服系统各组成部分的型号及特点;
2.了解进给伺服系统组成和各部分的功能;
3.重点学会伺服放大器的基本工作原理。
◎任务分析
为了熟悉掌握进给伺服系统组成和各部分的功能,我们还需要了解:
1.机械传动组件的基本工作原理;
2.检测装置的基本工作原理;
3. FANUC 0i C/ FANUC 0i Mate C数控系统的组成,掌握系统与主轴驱动装置、与进给伺服装置、与外围设备之间的功能连接。
◎相关知识
数控机床的伺服驱动系统按其功能和用途划分为主轴驱动系统和进给伺服系统。数控机床的进给伺服是一种位置随动系统,是数控装置和机床的联系环节。它的作用是快速、准确地执行由数控装置发出的控制命令,通过伺服驱动系统转换成坐标轴的运动,精确地控制机床进给传动链的坐标运动,完成程序所规定的操作。
伺服系统是以机床运动部件(如工作台)的位置和速度作为控制量的自动控制系统。它可以准确地执行CNC装置发出的位置和速度指令,由伺服驱动电路作一定的信号转换和放大后,经伺服电动机(步进电机、交/直流伺服电机)和机械传动机构驱动机床运动部件实现工作进给、快速运动以及位置控制。数控机床伺服系统的本质特点在于能够根据指令信号精确地控制执行部件的位置和进给速度。伺服系统由伺服驱动装置、伺服电机、位置检测装置等组成。
数控机床运动中,主轴运动和进给伺服运动是机床的基本成形运动。数控机床伺服系统按功能可分为主轴伺服系统和进给伺服系统。主轴伺服用于控制机床主轴的运动,提供机床的切削动力;进给伺服实现机床各进给轴的位置控制,不仅对单个坐标轴的运动速度和位置精度进行严格控制,而且在多轴联动时,还要求各轴有很多的动态配合,是要求最高的位置控制。
对于进给伺服系统,按有无反馈检测元件将其分为开环伺服系统和闭环伺服系统。其主要区别为是否采用了位置和速度检测反馈元件组成了反馈系统。开环控制常用步进电机作为驱动元件,它不需要由位置和速度检测元件组成反馈检测回路。闭环控制采用伺服电机作为驱动元件,根据位置检测元件所处在数控机床位置的不同,可以分为半闭环控制、全闭环控制和混合闭环控制。半闭环控制一般将检测元件安装在伺服电机的非输出轴端,伺服电机角位移通过滚珠丝杠等机械传动机构转换为数控机床工作台的直线位移。全闭环控制是将位置检测元件安装在机床工作台或某些部件上,以获取工作台的实际位移量。混合闭环控制则采用半闭环控制和全闭环控制相结合的方式。
一、伺服放大器
目前FANUC系统常用的伺服放大器有α系列伺服单元、β/βiS系列伺服单元、α/αi系列伺服模块和β/βis系列驱动单元,如图7. 2所示。

图7.2 伺服放大器
伺服放大器的作用是接收系统(伺服轴板)伺服信息传递信号,实施伺服电动机控制,并采集检测装置的反馈信号,实现伺服电动机闭环电流矢量控制及进给执行部件的速度和位置控制。
注意:伺服电机动力线是插头,用户要将插针连接到线上,然后将插针插到插座上,U,V,W顺序不能接错,一般是红、白、黑顺序,如图7. 3所示。

图7.3 伺服电机动力接线图

图7.4 伺服放大器的接口图
标记:XX,XY,YY分别表示1,2,3轴。各轴不能互换。
伺服放大器的接口如图7. 4所示:
单元之间的光缆长度应限制在100 m,光缆总长度应限制在500 m。
在CNC控制单元和伺服放大器之间只用一根光缆连接,与控制轴数无关。
在控制单元侧,COP10A插头安装在主板的伺服卡上。
FANUC 0i C进给伺服驱动的进给伺服放大器为αi系列,进给伺服电动机使用αis系列,最多可接4个进给轴电动机。
二、伺服电动机
伺服电动机是进给伺服系统的电气执行部件,现代数控机床进给伺服电动机普遍采用交流永磁式同步电动机,它是由定子部分、转子部分和内装编码器组成,如图7. 5所示。
FANUC系统进给伺服电动机一般采用α/αi系列伺服电动机和β/βis系列伺服电动机。

图7.5 伺服电动机
FANUC 0i C与0i B一样,经FANUC串行伺服总线FSSB,用一条光缆与多个进给伺服放大器(αi系列)相连。进给伺服电动机使用αis系列,最多可接4个进给轴电动机。
三、机械传动组件
数控机床进给伺服系统的机械传动组件是将伺服电动机的旋转运动转变为工作台或刀架直线运动以实现进给运动的机械传动部件。主要包括伺服电动机与丝杠联接装置、滚珠丝杠螺母副及其固定支承部件、导向元件和润滑辅助装置等。它的传动质量直接关系到机床的加工性能。数控机床进给组件具体组成如图7. 6所示。

图7.6 数控机床进给组件
四、数控机床位置检测装置
伺服电动机上装有脉冲编码器,标配为1 000 000脉冲/转。编码器既用做速度反馈,又用做位置反馈。系统支持半闭环控制和使用直线尺的全闭环控制。检测器的接口有并行口(A/ B相脉冲)和串行口两种。位置检测器可用增量式或绝对式,绝对式位置检测器(如绝对式编码器)必有电池。
数控机床的进给速度和位置检测装置有编码器、光栅尺等。FANUC 0i C系统的半闭环控制采用伺服电动机的内装编码器完成,其反馈信号即为速度反馈信号,同时又作为丝杠的位置反馈信号。进给伺服系统的全闭环控制装有分离型位置检测装置,直接反馈位置信号。在全闭环伺服系统中,速度反馈信号来自伺服电动机的内装编码器信号,而位置反馈信号是来自分离型位置检测信号。
分离型位置检测装置有旋转式位置检测装置(如旋转编码器)和直线式位置检测装置(如光栅尺)两种。FANUC 0i C系统是采用光栅尺作为分离型位置检测装置的全闭环控制伺服系统。进给伺服电动机的内装编码器信号作为工作台的实际速度反馈信号,光栅尺的信号作为工作台实际移动位置的反馈信号,如图7. 7所示。

图7.7 全闭环控制伺服系统
◎任务实施
基本任务1 半闭环控制进给伺服系统的组成和功能特点
如图7. 8所示是数控机床的半闭环伺服系统,反馈信号取自伺服电机,通过采样其旋转角度进行检测,而不是直接检测最终运动部件的实际位置。半闭环位置伺服系统是具有位置检测和反馈的闭环控制系统。它的位置检测器与伺服电机同轴相连,可通过它直接测出电动机轴旋转的角位移,进而推知当前执行机械(如机床工作台)的实际位置。

图7.8 半闭环伺服系统
基本任务2 全闭环控制进给伺服系统的组成和功能特点
如图7. 9所示是数控机床的全闭环伺服系统,位置反馈信号取自最终运动部件,直接采样其直线位移信号进行检测。它将位置检测器件直接安装在机床工作台上,从而可以获取工作台实际位置的精确信息,通过反馈闭环实现高精度的位置控制。从理论上说,这是一种最理想的位置伺服控制方案。

图7.9 全闭环伺服系统
基本任务3 FANUC αi系列伺服放大器各模块之间的连接

图7.10 FANUC αi系列伺服放大器各模块之间的连接实物图

图7.11 FANUC αi系列伺服放大器各模块之间的连接示意
基本任务4 伺服放大器现场硬件故障处理
任务描述:生产现场在用的一台配置FANUC 0i Mate TC数控系统的数控车床出现故障,显示屏报警为5136 FSSB:NUMBER OF AMPS IS SMALL(含义:FSSB识别的放大器数比控制轴数少)。发生该故障后按下“复位”键不能消除上述报警信息,机床下电后再上电,仍旧出现该报警、不能动作。经初步诊断检查,发现其X轴伺服电动机编码器电缆被切屑划破,对其破皮电线处理后,开机仍报警,故怀疑其X轴SV1-20i伺服放大器出现故障。把出现故障的该伺服放大器与现场同型号正常运转数控机床的伺服放大器互换后,怀疑出现故障的伺服放大器在正常运转的数控机床上故障重现,而正常运转数控机床的同型号伺服放大器在出现故障的数控机床上故障消失,因此排除了出现故障的数控机床外围故障因素,从而把故障范围缩小到了X轴SV1-20i伺服放大器。
任务实施:拆掉SV1-20i伺服放大器的黄色外壳后,发现它主要由动力印制电路板、控制印制电路板两部分构成。首先总体直观检查该伺服放大器,没有发现电阻爆裂、电容漏液、集成电路外壳变形、印刷电路板局部发黑、碳化等明显异常现象,再对各个部分具体故障诊断。

图7.12 MD1422N集成电路针脚排列图
1.动力印制电路板故障诊断
①检查测量各个贴片电阻,未见异常。
②检查测量30 Ω再生电阻,其两根黑线间阻值正确、两根白线间热敏开关触点闭合正确。
③测量10 Ω雪泥电阻,阻值正确。
④检查测量各电容元件,未见异常。
⑤检查其内置风扇,正常。
⑥检查测量富士6MBP20RTA060智能电源模块,功能正常。
⑦检查测量30L6P45东芝整流桥,未见异常。
⑧检查测量1MBH60-90晶体管,未见异常。
⑨检查测量YG226S8二极管,没有击穿。
⑩对G2R-1-E欧姆龙小型继电器、G6B-2014P欧姆龙固态继电器、RB105-DE控制继电器进行DC24V加电测试,各个触点闭合、断开动作正常。
测量检查TLP621-2光耦,功能正常。
测量检查LM339集成比较器,功能正常。
经以上初步诊断得出故障可能不在动力印制电路板元件上,把故障范围由整个伺服放大器又缩小到控制印制电路板元件上。
2.控制印制电路板故障诊断与维修
①自备DC24V开关稳压电源、空气开关、按钮等器件,自制了试验台,控制印制电路板的电源插口CXA19B两针脚焊上细导线引出。利用自制试验台对控制印刷电路板进行现场加电功能测试,结果其电源指示灯(绿色发光二极管)根本就不亮。检查发现控制印刷电路板上有一个3. 2 A保险(FU1),用万用表测量确认它已经烧断。该保险为FANUC公司专用的,在市面上购买相应玻璃管保险,用鱼形夹夹住保险管与两段细导线,细导线焊在FU1保险的相应针脚上,再次进行加电试验,结果保险再次烧坏,这样就确认了控制印刷电路板有故障。
②检查测量各个贴片电阻,阻值正确。
③检查测量各电容元件,未见异常。
④功能测试74LS123单稳态触发器,功能正常。
⑤检查并测试7860K光耦,功能正常。
⑥检查并测试VT244A三态输出驱动器,功能正常。
⑦检查并测试LVTH240三态输出驱动器,功能正常。
⑧检查并测试903FP比较器,未见异常。
⑨检查并测试MD1422N集成电路,发现异常。
具体介绍如下:
MD1422N集成电路由SHINDENGEN公司制造,双排共32针脚,针脚序号与功能符号的对应见表7. 1所示。
表7.1 MD1422N集成电路针脚序号与功能符号对应表

把万用表打到“二极管及通断测试”挡,红、黑表笔先后接MD1422N集成电路第16(P. GND)针脚、另一表笔分别测试其余各个针脚通断情况(现场测试结果见表7. 2)。
从现场测试结果表7. 2中可以看出,不管红表笔还是黑表笔接第16(P. GND)针脚,该针脚与第2(OCL -),3(OCL +),4(GND),5(R/ C),11(Vout),12(Vout),13(Vout),14(Vout),26 (GND)针脚都接通。但从集成电路功能原理方面分析:若该集成电路功能正常,其电源地针脚16与输出电压针脚11,12,13,14间不应该接通,其起过流保护作用的两针脚2,3间也不应该接通,上述10个针脚相互之间也不应该接通,故断定现场测试结果异常。从市面购买该集成电路更换后再加电试验、仍旧烧保险,诊断该控制印刷线路板上还有损坏的元件。
表7.2 MD1422N集成电路针脚现场通断测试结果表

⑩继续对控制印刷线路板故障查寻,发现一个长3. 6 mm、宽1. 6 mm、高0. 8 mm的两脚贴片元件正向、反向测试均导通。该元件表面只刻有“A3N”字样,不知是何类元件。再查看该元件附近线路板上印有“VP5”字样,经继续查寻到“VP1”3脚元件、“VP2”8脚元件、“VP3”2脚元件、“VP4”4脚元件。推测这5个元件应同类,其中“VP3”2脚元件应与“VP5”元件功能、特性应更类似。经测试“VP3”2脚元件正向导通、反向截止,故推断“VP5”元件可能被击穿损坏,用智能850A型热风台拆除该件。在拆除时发现,该件1端脚所熔焊的线路板金属基体早已烧损,这样就进一步证明该件异常。拆除该件后对控制线路板又进行加电试验,结果FU1保险不再烧了,从而确认“VP5”为故障件。这样,故障范围就由整个控制印制电路板定位到了元件。市场采购不到“VP5”原装元件。经攻关分析,该件可能起电压保护作用,属二极管类,决定采用1N4007塑封二极管代替现场试验。由于与“VP5”元件1端脚相熔焊的线路板金属基体已经烧损,经测试该端脚应该与LP1元件1端脚相连,这样就抛开原已烧损的线路板金属基体,直接从LP1元件相关端脚焊接引出1根线,再从与“VP5”另1端脚熔焊的完好线路板金属基体焊接引出另1根线,这两根线再与1N4007二极管两端脚相连,用热缩管处理后,对控制印制线路板再次进行现场加电测试。结果FU1保险不再烧了、其电源指示灯亮(绿色发光二极管)、ALM报警指示灯亮(黄色发光二极管)、COP10B / COP10A两光缆插口的上插口均发出红光(有了相应功能)。上述报警灯亮应该是因为试验现场没有连接编码器等器件所致,属正常现象。
将该伺服放大器组装好,整体装到数控机床上现场试验,机床运转正常,原故障排除。
本任务的实施,现场采用多种故障诊断方法逐步缩小故障范围,最终故障定位到元件级,可以减少现场机床故障停机时间,节省了数控机床用户费用。
◎思考题
1.混合闭环控制进给伺服系统的组成和功能特点。

2.现场硬件故障处理方法与注意事项?
任务2 步进进给系统典型故障诊断
子任务1 步进开环进给运动控制的实现
◎任务提出
由前已知,开环伺服系统不设位置检测反馈装置,不构成运动反馈控制回路,电动机按数控装置发出的指令脉冲工作,对运动误差没有检测反馈和处理修正过程。其典型代表是步进电动机开环进给伺服系统。那么步进电动机开环进给伺服系统是由哪些基本环节组成?又是如何实现坐标轴的运动控制呢?
◎任务目标
1.了解步进电动机开环进给控制系统的基本组成及其工作原理;
2.掌握一种步进电动机驱动控制装置的使用。
◎相关知识
一、步进电动机的工作原理和主要特性
步进电动机是一种将电脉冲信号转换成机械角位移的机电执行元件。同普通电动机一样,由转子、定子和定子绕组组成。当给步进电动机定子绕组输入一个电脉冲,转子就会转过一个相应的角度,其转子的转角与输入的脉冲个数成正比;转速与输入脉冲的频率成正比;转动方向取决于电动机定子绕组的通电顺序。
1.步进电动机的工作原理

图7.13 三相反应式步进电动机结构示意图
图7. 13所示为三相反应式步进电动机的结构示意图。其定子、转子铁芯都用硅钢片或软磁材料叠成双凸极形式。定子上有6个磁极,其上装有绕组,两个相对磁极上的绕组串联起来,构成一相绕组,组成三相独立的绕组,称为三相绕组,绕组接成三相星形接法作为控制绕组。绕组由专门的电源输入电脉冲信号,通电顺序称为步进电动机的相序。当定子中的绕组在脉冲信号的作用下,有规律地通电、断电工作时,在转子周围有一个按相序规律变化的磁场。转子铁芯的凸极结构就是转子均匀分布的齿,有4个磁极,上面没有绕组。转子的齿也称显极,转子开有齿槽,其齿距与定子磁极极靴上的齿距相等,而齿数有一定要求,不能随便取值。转子在定子产生的磁场中形成磁体,具有磁性转轴。定、转子间有气隙隔开。

如果先将脉冲加到A相绕组,B、C相不加电脉冲,A相磁极便产生磁场,在磁场力矩作用下转子1、3齿与定子A相磁极对齐,如图7. 14(a)所示;如将电脉冲加到B相绕组,A、C相不加电脉冲,B相磁极产生磁场,这时转子2、4两个齿与定子B相磁极靠得最近,转子便沿顺时针方向转过30°,使转子2、4齿与定子B相磁极对齐,如图7. 14(b)所示;如果继续A、B相不加电脉冲,将电脉冲加到C相绕组,C相磁极产生磁场,这时转子1、3两个齿与定子C相磁极靠得最近,转子便再沿顺时针方向转过30°,使转子1、3齿与定子C相磁极对齐,如图7. 14(c)所示。
如果按照A→B→C→A→…的顺序通电,步进电动机就沿顺时针方向转动;如果按照A→C→B→A→…的顺序通电,步进电动机就沿逆时针方向转动,且每步旋转30°。如果控制电路连续地按照一定顺序切换定子绕组的通电顺序,转子就按一定的方向连续转动。

图7.14 三相反应式步进电机工作原理图
步进电动机的定子绕组从一种通电状态换到另一种通电状态称为一拍,每拍转子转过的角度称为步距角。上述通电方式称为三相单三拍,即三相励磁绕组依次单独通电运行,换相3次完成1个通电循环。由于每一通电状态只有一相绕组通电,转子容易在平衡位置附近产生震荡,并且在绕组通电切换瞬间,电动机可能失去自锁转矩,易产生丢步。通常可采用三相双三拍控制方式,即按照AB→BC→CA→AB→…或者AC→CB→BA→AC→…的顺序通电。
如果步进电动机定子绕组按照A→AB→B→BC→C→CA→A→…或者A→AC→C→CB→B→BA→A→…的顺序通电,每个循环周期有6种通电状态,这种方式称为三相六拍。三相六拍运行方式的工作原理如下:当A相通电时,转子1、3齿与定子A相磁极对齐,如图7. 14所示;当A、B两相通电时,B相磁场对转子2、4齿有磁拉力,该拉力使转子顺时针方向转动,同时A相磁场继续对转子1、3齿有拉力,所以转子转到两磁拉力平衡的位置上,相对于B相单独通电时,转子转了一半角度;当B相通电时,转子2、4齿与定子B相磁极对齐,又转过了剩下的一半。依次改变通电状态,当电动机的通电状态历经了六拍(1个循环)后,磁场旋转过1周,转子转过1个齿距角(齿距角θt为360°/转子齿数Z)。在三相六拍通电方式中,其步距角是三相单三拍时的一半,且在换相过程中,总有一相保持通电,不易造成失步。
通过比较不同的通电方式,可以清楚地看到因通电方式不同,同一电动机运行时的步距角是不同的。在三相单三拍和三相双三拍通电方式下,步距角θs=θt/拍数=90°/3 =30°;在三相单六拍通电方式下,步距角θs=θt/拍数=90°/6 =15°。
综上所述,可以得到如下结论:
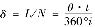
①步进电动机的步距角θs是指每给一个脉冲信号,电机转子应转过的角度的理论值,它取决于步进电机的结构和控制方式。步距角的计算方法见式(7. 1):

式中 m——定子相数;
z——转子齿数;
k——通电方式系数,若连续两次通电相数相同为1,若不同则为2。
②改变步进电机定子绕组的通电顺序,转子的旋转方向随之改变。
③步进电机定子绕组通电状态的变化频率决定步进电机的转速。

图7.15 小步距角步进电动机结构示意图
实际应用采用的步进电机的步距角多为小步距角,为产生小步距角,定子、转子都做成多齿的。如图7. 15所示是最常用的一种小步距角三相反应式步进电动机的结构示意图,图中转子上均匀分布了40个小齿,定子每个极面上也有5个小齿,定、转子小齿的齿距必须相等。对于三相双三拍步距角为3°,三相六拍步距角为1. 5°。
2.步进电动机主要特性
(1)步距角和步距误差
(2)静态转矩和矩角特性
(3)最大启动转矩
(4)最高启动频率
空载时,步进电机由静止突然启动,并不丢步地进入稳定运行,所允许的启动频率的最高值称为最高启动频率或突跳频率。空载启动时,步进电机定子绕组通电状态变化的频率不能高于该突跳频率,否则会造成失步。而且随着负载加大,启动频率会降低。
(5)最高工作频率
步进电机连续运行时,在保证不丢步的情况下所能接受的最高频率称为最高工作频率。它是决定定子绕组通电状态最高变化频率的参数,它决定了步进电机的最高转速。
(6)转频特性
以最大负载转矩(启动转矩)Tq为起点,随着控制脉冲频率增加,步进电动机的转速逐步升高、而带负载能力却下降。矩频特性是用来描述步进电动机连续稳定运行时输出转矩写连续运行频率之间的关系曲线。矩频特性曲线上每一频率所对应的转矩称为动态转矩。动态转矩除了和步进电动机结构及材料有关外,还与步进电动机绕组连接、驱动电路、驱动电压有密切的关系。如图7. 17所示的并联绕组和串联绕组的矩频特性图。

图7.16

图7.17 步进电机的矩频特性
二、步进进给开环系统的工作原理简介
在数控机床开环控制系统中,一般采用混合式步进电机作为执行元件,所构成的开环进给系统如图7. 18所示。由于受到步进电动机运行速度、带载能力的限制,以及开环控制精度的限制,步进进给开环系统一般用于经济型数控机床或老机床的数控改造中。

图7.18 数控机床开环进给系统
步进电机电源既不是交流正弦波,也不是恒定直流,而是脉冲电压/电流,给接收到一个脉冲,转子转过一个确定的角度,所以通过控制脉冲的个数来控制步进电机的角位移,通过控制脉冲的频率来控制步进电机的转速,通过改变通电相序控制电机的转向。
1.工作台位移量的控制
数控装置经过插补计算后发出N个进给脉冲,经驱动电路放大后,变成控制步进电机定子绕组通电、断电的电平信号变化次数,使步进电机定子绕组的通电状态变化N次。由步进电机工作原理可知:定子绕组通电状态的变化次数N决定了步进电机的角位移:
φ= Nθ (θ为步距角)
该角位移经减速齿轮、丝杠、螺母之后转变为工作台的位移量:
L =φ•t/360°i
式中 i——减速齿轮的减速比(i = Z1/ Z2);
t——滚珠丝杠螺距(mm)。
即进给脉冲的数量N→定子绕组通电状态变化次数N→步进电机的转角φ→工作台位移量L。
据此可推得开环进给系统的脉冲当量(一个进给脉冲对应工作台的位移量)δ(mm/脉冲)为:

2.工作台进给速度控制
控制系统发出的进给脉冲频率f,经驱动控制电路之后转换为控制步进电机定子绕组通电、断电的电平信号变化频率,而定子绕组通电状态的变化频率f决定了步进电机转子的转速ω。该转子转速ω经丝杠螺母转换之后,体现为工作台的进给速度v。即进给脉冲的频率f→定子绕组通电状态的变化频率f→步进电机的转速ω→工作台的进给速度v。据此可得开环进给系统进给速度v(mm/ mim)为:v = 60f δ

图7.19 步进电机开环进给系统参数示意图
3.工作台运动方向的控制
改变步进电机输入脉冲信号的循环方向,就可改变步进电机定子绕组中电流的通断循环顺序,从而实现对步进电机正转或反转的控制,相应地工作台的进给方向就被改变。
由此可见,在开环步进式伺服系统中,输入的进给脉冲的数量、频率、方向,经驱动控制线路和步进电机,转换为工作台的位移量、进给速度和进给方向,从而实现对工作台运动的控制。
4.步进电机的驱动控制
根据步进式伺服系统的工作原理,为保证其正常运动,必须由步进电机的驱动电路将CNC装置发出的弱电信号通过转换和放大变为强电信号,即将逻辑电平信号变换成步进电机定子绕组所需的具有一定功率的电脉冲信号,并使其定子励磁绕组循序通电,一个完整的步进电机的驱动控制线路由环形脉冲分配器和功率放大器电路组成。

图7.20 步进电机驱动电路方框图
(1)环形脉冲分配器
脉冲分配器用来控制步进电机的运行通电方式。其作用是将数控装置送来的一系列指令脉冲按照一定的循环规律依次分配给步进电机各相绕组,用以控制各相绕组的通电和断电。由于步进电动机有正反转要求,因而脉冲分配器的输出既是周期性的,又是可逆的,故称为环形脉冲分配器。如图7. 21所示为三相三拍步进电机环形脉冲分配器的输入/输出关系。环形脉冲分配器可采用软硬件两种方法实现。

图7.21 三相三拍步进电机环形脉冲分配器的输入/输出关系
(2)功率驱动(功率放大器电路)
环形脉冲分配器的输出电流一般只有几mA,而步进电机励磁绕组则需要几A至几十A的电流,功率放大器的作用是将环形脉冲分配器发出的电平信号经放大后送至步进电机各相绕组,驱动步进电机运转,每相绕组分别有一组功率放大电路。
由于步进驱动功率放大电路中的负载为步进电动机的绕组,是感性负载,主要有两点需要特别设计,那就是电路较大电感影响快速性以及感应电动势带来的功率管保护问题。过去常采用单电压驱动和高电压驱动,现在多采用恒流斩波和调频调压等形式的驱动电路。
◎任务实施
基本任务 步进开环进给控制系统的认识及部件连接
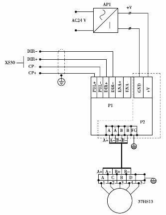
一、实训设备
1.雷塞57HS13两相混合式步进电动机一台;
2.雷塞M542V2. 0细分驱动器一台;
3. HNC-21S数控综合实训系统一套。

图7.22 雷塞57HS13两相混合式步进电动机
二、步进开环进给控制系统部件认识
一个完整的步进电机控制系统应包含步进电机、步进驱动器及控制器(脉冲源)。
1. 57HS13两相混合式步进电动机
步进电机采用57HS13步进电机,是两相混合式步进电动机,步距角为1. 8°,静态转矩1. 3 N•m,额定相电流2. 8 A。
57HS13两相混合式步进电动机有8根引线,引线标志如图7. 23(a)所示。这种电机既可以串联连接(如图7. 23(b)所示)又可以并联连接(如图7. 23(c)所示)。串联连接的电机,线圈长度增加,力矩较大;并联连接的电机,电感较小,所以启动、停止速度较快。

图7.23 步进电机引线及接线方式

图7.24 M542V2. 0步进驱动器外观图
2. M542V2. 0细分驱动器
M542V2. 0是细分型高性能步进驱动器,主要驱动雷塞42、57型两相混合式步进电机。其微步细分数有15种,最大步数为25 000 Pulse/ rev;其工作峰值电流范围为1. 0~4. 2 A,输出电流共有8挡,电流的分辨率约为0. 45 A;具有自动半流,过压和过流保护等功能。该驱动器为直流供电,建议工作电压范围为24~36 VDC,使用时电压不超过50 VDC,不低于20 VDC。在驱动器的侧边装有一排拨码开关组,可以用来选择细分精度,以及设置动态工作电流(8等级)和静态工作电流。当过压或过流时,驱动器指示灯由绿变红,清除保护状态,需解除过压或过流条件,重新上电,驱动器指示灯变绿才能正常工作。
M542V2. 0步进驱动器功能说明如表7. 3所示。
表7.3 M542V2. 0步进驱动器功能说明

续表

驱动器采用8位拨码开关SW1—SW8来设定细分精度、动态电流和半流/全流,描述如下:

驱动器工作电流的设定如表7. 4所示。
表7.4 驱动器工作电流的设定

关于细分的概念及设定见下一子任务。
3. HNC-21S数控系统XS30-XS33接口认识
图7. 25所示为HNC-21S数控系统接口总体框图。
HNC-21数控装置提供了不同类型的轴控制接口:即串行式HSV-11型伺服轴控制接口(XS40-XS43)及模拟、脉冲、步进进给轴控制接口(XS30-XS33)。可与目前流行的大多数驱动装置连接。XS30-XS33接口信号定义如图7. 26所示。

图7.25 HNC-21S数控装置接口总体框图

图7.26 XS30-XS33接口信号定义
三、步进开环进给控制系统部件连接
按照图7. 27所示,完成步进开环进给控制系统的部件连接。
在这里步进电机采用串联接法,即电机绕组
和
,
和
短接后,再A接驱动器的A,C接驱动器的
,B接驱动器的B,D接驱动器的
。
◎思考题
1.描述步进电机控制原理,绘制开环进给驱动系统构成框图。
2.区分步进电机控制系统的强、弱电连接。
3.比较步进电机绕组串联与并联接线方法的不同及适用场合。

图7.27 步进进给驱动系统的连接
子任务2 步进驱动系统常见故障处理
◎任务提出
由前面已知,步进电机是一种能将数字脉冲转化成步距角增量的电磁执行元件,能很方便地将电脉冲转换为角位移,无积累定位误差并能跟踪一定频率范围的脉冲列。随着计算机技术的发展,除功率驱动电路之外,其他部分均可由软件实现,从而进一步简化结构。因此,至今国内外对这种系统仍在进一步开发。
但是,步进电机并不能像普通交流电机那样在常规下方便使用。必须由环形脉冲信号、功率驱动电路等组成控制系统方可使用。由于步进电机的特殊性和其特有的矩频特性,使得步进进给驱动系统在使用中会出现一些特殊的问题,如输入脉冲频率过高,易导致失步;输入脉冲频率过低,易出现共振;转速升高转矩降低明显等。
◎任务目标
1.初步了解步进电机的选择依据;
2.了解步进开环进给控制系统在使用中存在的相关问题;
3.掌握步进电动机驱动控制常见故障的排查思路。
◎相关知识
一、步进电机的选用方法
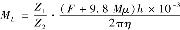
1.选择步进电机的转矩
在选择步进电机时,首先应保证步进电机的输出转矩大于负载所需的转矩,即先计算机械系统的负载转矩,并使步进电机的输出转矩有一定余量。图7. 13是步进进给结构示意图,通过下式来计算步进电机的负载力矩ML(N•m):

式中 F——进给方向的切削力,N;
M——工件和工作台总质量,kg;
μ——导轨摩擦系数;
η——传动总效率;
Z1——步进电机输出轴端齿轮齿数;
Z2——滚珠丝杠轴端齿轮齿数;
h——滚珠丝杠轴螺距,mm。
然后按下式选择步进电机转矩M(N•m):
(0. 2~0. 4)M≥ML
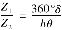
2.确定步进电机步距角
选择步进电机步距角应与机械系统相匹配,以满足机床所需的脉冲当量。由于步进电机输出轴端齿轮齿数、滚珠丝杠轴端齿轮齿数与机床的脉冲当量、步进电机步距角及滚珠丝杠轴螺距存在如下关系:

故可据此求得步进电机步距角为:

步进电机的相数是指电机内部的线圈组数,目前常用的有二相、三相、四相、五相步进电机。电机相数不同,其步距角也不同,一般二相电机的步距角为0. 9°/1. 8°、三相的为0. 75°/ 1.5°等、五相的为0. 36°/0. 72°。在没有细分驱动器时,用户主要靠选择不同相数的步进电机来满足自己步距角的要求。如果使用细分驱动器,则“相数”将变得没有意义,用户只需在驱动器上改变细分数,就可以获得所需的步距角。
3.频率选择
应使被选步进电机能与机械系统的负载惯量、机床要求的启动频率相匹配,并有一定余量,还应使其最高频率能够满足机床运动部件快速移动的要求。
4.确定步进电机驱动器供电电源
当然,步进驱动器电源的确定也是使用中必须认真选取的事项,如何确定步进电机驱动器直流供电电源?
(1)电源电压的确定
混合式步进电机驱动器的供电电源电压一般是在一个较宽的范围,电源电压通常根据电机的工作转速和响应要求来选择。如果电机工作转速较高或响应要求较快,那么电压取值也高,但注意电源电压的纹波不能超过驱动器的最大输入电压,否则可能损坏驱动器。如果电机工作转速较低,则可以考虑电压选取较低值。
(2)电源输出电流的确定
供电电源电流一般根据驱动器的输出相电流I来确定。如果采用线性电源,电源电流一般可取I的1. 1~1. 3倍;如果采用开关电源,电源电流一般可取I的1. 5~2. 0倍。如果一个供电源同时给几个驱动器供电,则应考虑供电电源的电流应适当加倍。
二、步进驱动系统使用中会出现的常见问题
1.加工大导程螺纹时,步进电机出现堵转现象
开环控制的数控机床的CNC装置的脉冲当量一般为0. 01 mm,Z坐标轴G00指令速度一般为2 000~3 000 mm/ min。开环控制的数控车床主轴结构一般有两类:一类是由普通车床改造的数控车床,主轴的机械结构不变,仍然保持换挡有级调速;另一类是采用通用变频器控制数控车床主轴实现无级调速。这种主轴无级调速的数控车床在进行大导程螺纹加工时,进给轴电机会产生堵转,这是步进电机高速低转矩特性造成的。
如果主轴无级调速的数控车床加工10 mm导程的螺纹时,主轴转速选择300 r/ min,那么刀架沿Z坐标轴需要用3 000 mm/ min的进给速度配合加工,Z坐标轴步进电动机的转速和负载转矩是无法达到这个要求的,因此会出现堵转现象。如果将主轴转速降低,刀架沿Z坐标轴加工的速度减慢,Z坐标轴步进电动机的转矩增大,螺纹加工的问题似乎可以得到改善,然而由于主轴采用通用变频器调速,使得主轴在低速运行时转矩变小,主轴会产生堵转。
2.步进电动机驱动单元的常见故障——功率管损坏
步进电动机驱动单元的常见故障为功率管损坏。功率管损坏的原因主要是功率管过热或过流造成的。要重点检查提供功率管的电压是否过高,功率管散热环境是否良好,步进电动机驱动单元与步进电动机的连线是否可靠,有没有短路现象等,如有故障要逐一排除。为了改善步进电动机的高频特性,步进电动机驱动单元一般采用大于80 V交流电压供电,经过整流后,功率管上承受较高的直流工作电压。如果步进电动机驱动单元接入的电压波动范围较大或者有电气干扰、散热环境不良等原因,就可能引起功率管损坏。对于开环控制的数控机床,重要的指标是可靠性。因此,可以适当降低步进电动机驱动单元的输入电压,以换取步进电动机驱动器的稳定性和可靠性。
3.两相混合式步进电机在低速运转时振动和噪声的克服
步进电机低速转动时振动和噪声大是其固有的缺点,一般可采用以下方案来克服:
①采用带有细分功能的驱动器,这是最常用的,最简便的方法。因为细分型驱动器电机的相电流变流较半步型平缓。
②换成步距角更小的步进电机,如三相或五相步进电机,或两相细分型步进电机。
③如步进电机正好工作在共振区,可通过改变减速比提高步进电机运行速度。
④换成交流伺服电机,几乎可以完全克服振动和噪声,但成本较高。
三、步进电机驱动器的细分控制
何为驱动器的细分控制?要了解“细分”,先要再次认识“步距角”这个概念:它表示控制系统每发一个步进脉冲信号,电机转自所转动的角度。电机出厂时给出了一个步距角的值,如M535型电机给出的值为0. 9°/1. 8°(表示半步工作时为0. 9°、整步工作时为1. 8°),这个步距角可以称之为“电机固有步距角”,它不一定是电机实际工作时的真正步距角,真正的步距角和驱动器有关,参见表7. 5(以86BYG250A型电机为例)所示。
表7.5 步距角和驱动器关系

表7. 5可以看出:步进电机通过细分驱动器的驱动,其步距角变小了,如驱动器工作在10细分状态时,其步距角只为“电机固有步距角”的十分之一,也就是说,当驱动器工作在不细分的整步状态时,控制系统每发一个步进脉冲,电机转动1. 8°;而用细分驱动器工作在10细分状态时,电机只转动了0. 18°,这就是细分的基本概念。步进电机的细分控制是由驱动器精确控制步进电机的相电流来实现的,以二相电机为例,假如电机的额定相电流为3 A,如果使用常规驱动器(如常用的恒流斩波方式)驱动该电机,电机每运行一步,其绕组内的电流将从0突变为3 A或从3 A突变到0,相电流的巨大变化,必然会引起电机运行的振动和噪声。如果使用细分驱动器,在10细分的状态下驱动该电机,电机每运行一微步,其绕组内的电流变化只有0.3 A而不是3 A,且电流是以正弦曲线规律变化,这样就大大改善了电机的振动和噪声。
细分功能完全是由驱动器精确控制电机的相电流来实现的,与电机无关。驱动器细分后的主要优点是完全消除了电机的低频振荡。低频振荡是步进电机(尤其是反应式电机)的固有特性,而细分是消除它的唯一途径,如果步进电机有时要在共振区工作(如走圆弧),选择细分驱动器是唯一的选择。同时由于减小了步距角、提高了步距的均匀度是不言而喻的。现在的驱动器设计多加入了细分控制技术。
需要特别说明的是,步进电机的细分技术实质上是一种电子阻尼技术(请参考有关文献),其主要目的是减弱或消除步进电机的低频振动,提高电机的运转精度只是细分技术的一个附带功能。比如对于步进角为1. 8°的两相混合式步进电机,如果细分驱动器的细分数设置为4,那么电机的运转分辨率为每个脉冲0. 45°,电机的精度能否达到或接近0. 45°,还取决于细分驱动器的细分电流控制精度等其他因素。不同厂家的细分驱动器精度可能差别很大;细分数越大精度越难控制。表7. 6是雷塞M542V2. 0细分驱动器的细分设定。
表7.6 雷塞M542V2. 0细分驱动器的细分设定

◎任务实施
基本任务 步进开环进给控制系统常见故障排查
1.步进电机转向不正确故障的排查
(1)检查是否接线错误所致
任意交换电机同一相的两根接线(例如A +,A -交换接线位置)。如是因接线错误所致,再任意交换电机同一相的两根接线后,电机转向将发生改变;否则继续下面的检查。
(2)查找电机线断路
分清电机绕组采用的连接方式,对照正确的连接方式检查确认电机绕组间、电机与驱动器间的接线,找出断线点。
2.通电后,步进电机不转动故障的排查
表7.7 通电后,步进电机不转动故障的排查

3.工作过程中停车的故障排查
步进电机在工作正常的状况下,发生突然停车现象。引起此故障的可能原因可依据表7. 8所示进行排查。
表7.8 工作过程中停车的故障排查

4.步进电机过热
故障确认:步进电机温度过高会使电机的磁性材料退磁,从而导致力矩下降甚至于丢失。电机允许的最高温度应取决于不同电机磁性材料的退磁点;一般来说,磁性材料的退磁点都在摄氏130°以上,但在实际运行中电机发热允许到什么程度,还需考虑电机内部绝缘等级。内部绝缘性能在高温下(130°以上)才会被破坏。所以只要内部不超过130°,电机便不会损坏,而这时表面温度会在90°以下。所以,步进电机表面温度在70°~80°都是正常的。简单的温度测量方法有用点温计的,也可以粗略判断:用手可以触摸1~2 s以上,不超过60°;用手只能碰一下,大约在70°~80°;滴几滴水迅速气化,则90°以上了。
有些系统会报警,显示电动机过热。无论是现实过热故障还是实测不正常,对此可按表7. 9进行逐一排查。
表7.9 电动机过热排查

◎思考题
1.为什么步进电机的力矩会随转速升高而下降?
2.驱动器细分有什么优点,为什么建议使用细分功能?
3.可通过哪些途径改善步进电机发热?
任务3 FANUC 0i C/ 0i Mate C伺服单元(SVU)驱动装置的功能接口、连接方法和典型故障处理
◎任务提出
FANUC 0i C为B型伺服接口。
FANUC 0i C/ 0i Mate C伺服装置按主电路的电压输入是交流还是直流,可分为伺服单元(SVU)和伺服模块(SVM)两种。伺服单元的输入电源通常为三相交流电(220 V,50 Hz),电动机的再生能量通常通过伺服单元的再生放电单元的制动电阻消耗掉。FANUC 0i C/ 0i Mate C伺服单元有α系列、β系列、βi系列。伺服模块的输入电源为直流电源(通常为300 DV),电动机的再生能量通过系统电源模块反馈到电网。FANUC系统的伺服模块有α系列、αi系列。
通过对FANUC交流α系列伺服单元、交流βi系列伺服单元的端子功能的学习、认识了解各端子的功能。了解端子接口的功能及各部件之间的连接要求。从前面的学习可知,FANUC 0i C/ 0i Mate C系统的一般配置如表7. 10所示(对于0i Mate C,如果没有主轴电机,伺服放大器是单轴型(SVU),如果包括主轴电机,放大器是一体型(SVPM))。本任务要求通过实践操作掌握FANUC 0i C伺服单元(SVU)驱动装置伺服功能连接和典型故障处理。
表7.10 FANUC 0i C/ 0i Mate C系统的一般配置

◎任务目标
掌握FANUC 0i C/ 0i Mate C伺服驱动系统与各功能模块之间的硬件连接要求和方法。能够正确实施:
1. FANUC 0i C伺服单元(SVU)端子功能及连接;
2. FANUC 0i C伺服单元(SVU)典型故障处理。
◎相关知识
一、FANUC 0i C(最多4轴)系统α系列伺服单元简介
1.α系列伺服单元的端子功能
α系列伺服单元的结构、接口如图7. 28所示。
L1,L2,L3:三相输入动力电源端子,交流200 V。

图7.28
L1C,L2C:单相输入控制电路电源端子,交流200 V(出厂时与L1、L2短接)。
TH1,TH2:为过热报警输入端子(出厂时,TH1-TH2已短接),可用于伺服变压器及制动电阻的过热信号的输入。
RC,RI,RE:外接还是内装制动电阻选择端子。
RL2,RL3:MCC动作确认输出端子(MCC的常闭点)。
100A,100B:C型放大器内部交流继电器的线圈外部输入电源(α型放大器已为内部直流24 V电源)。
2.电缆接口说明
UL,VL,WL:第1轴伺服电动机动力线。
UM,VM,WM:第2轴伺服电动机动力线。
JV1B,JV2B:A型接口的伺服控制信号输入接口。
JS1B,JS2B:B型接口的伺服控制信号输入接口。
JF1,JF2:B型接口的伺服位置反馈信号输入接口。
JA4:伺服电动机内装绝对编码器电池电源接口(6 V)。
CX3:伺服装置内MCC动作确认接口,一般可用于伺服单元主电路接触器的控制。
CX4:伺服紧急停止信号输入端,用于机床面板的急停开关(常闭点)。
二、FANUC 0i Mate C(最多3轴)系列βi系列伺服单元简介
βi系列伺服单元实物如图7. 29所示,βi系列伺服单元结构如图7. 30所示。

图7.29 βi系列伺服单元实体图

图7.30 βi系列伺服单元结构图
L1,L2,L3:主电源输入端接口,三相交流电源200 V、50/60 Hz。
U,V,W:伺服电动机的动力线接口。
DCC,DCP:外接DC制动电阻接口。
CX29:主电源MCC控制信号接口。
CX30:急停信号(*ESP)接口。
CXA20:DC制动电阻过热信号接口。
CX19A:DC24 V控制电路电源输入接口,连接外部24 V稳压电源。
CX19B:DC24 V控制电路电源输出接口,连接下一个伺服单元的CX19A。
C0P10A:伺服高速串行总线(HSSB)接口。与下一个伺服单元的C0P10B连接(光缆)。C0P10B:伺服高速串行总线(HSSB)接口。与CNC系统的C0P10A连接(光缆)。
JX5:伺服检测板信号接口。
JF1:伺服电动机内装编码器信号接口。
CX5X:伺服电动机编码器为绝对编码器的电池接口。
◎任务实施
基本任务1 βi系列伺服单元连接
图7. 31使用的伺服放大器是βi主轴βis伺服,带主轴的放大器是SPVM一体型放大器,连接如图7. 31所示。
①24 V电源连接CXA2C(A1-24V,A2-0V)。
②TB3(SVPM的右下面)不要接线。
③上部的两个冷却风扇要自己接外部200 V电源。
④3个(或2个)伺服电机的动力线插头是有区别的,CZ2L(第1轴),CZ2M(第2轴),CZ2N(第3轴)分别对应为XX,XY,YY。

图7.31 βi系列伺服单元连接
基本任务2 伺服单元典型故障分析
1.伺服单元过电流报警
表7.11 伺服单元过电流报警

2.伺服单元过电压报警
表7.12 伺服单元过电压报警

3.伺服单元欠电压报警
表7.13 伺服单元欠电压报警

4.伺服单元过热报警
表7.14 伺服单元过热报警

◎思考题
交流β系列伺服单元,单轴,型号为:A06B-6093-HXXX,I/ O LINK形式控制,控制刀库、刀塔或机械手,有LED显示报警号。被烧坏的原因分析。
任务4 FANUC 0i C伺服模块(SVM)驱动装置的功能接口、连接方法和典型故障处理
◎任务提出
通过对FANUC交流α系列伺服单元、交流βi系列伺服单元的端子功能的学习、认识了解各端子的功能。了解端子接口的功能及各部件之间的连接要求。从前面的学习可知,FANUC 0i C进给伺服驱动的进给伺服放大器为αi系列,进给伺服电动机使用αis系列,最多可接4个进给轴电动机。本任务要求通过实践操作掌握FANUC 0i C伺服模块(SVM)驱动装置伺服功能连接和典型故障处理。
◎任务目标
掌握FANUC 0i C/ 0i Mate C伺服驱动系统与各功能模块之间的硬件连接要求和方法。能够正确实施:
1. FANUC 0i C伺服模块(SVM)端子功能及连接;
2. FANUC 0i C伺服模块(SVM)典型故障处理。
◎相关知识
一、α系列伺服模块的端子功能
α系列伺服模块的端口如图7. 32、7. 33所示。

图7.32 α系列伺服模块实体图

图7.33 α系列伺服模块结构图
P,N:DC Link端子盒。
BATTERY:绝对脉冲编码器电池。
STATUS:为伺服模块状态指示窗口。
CX5X:绝对编码器电池电源连接线。
S1/ S2:接口型设定开关。
F2:24V电源保险。
CX2A/ CX2B:24 V电源I/ O连接器。
JX5:信号检测板连接器。
JX1A:模块之间接口输入连接器。
JX1B:模块之间接口输出连接器。
JV1B/ JV2B:A型接口伺服信号连接器。
JS1B/ JS2B:B型接口伺服信号连接器。
JF1/ JF2:B型接口伺服电机编码器连接器。
二、αi系列伺服模块的端子功能
αi系列伺服模块结构如图7. 34、7. 35所示。

图7.34 αi系列伺服模块实体图

图7.35 αi系列伺服模块结构图
BATTERY:为伺服电动机绝对编码器的电池盒(DC 6 V)。
STATUS:为伺服模块状态指示窗口。
CX5X:为绝对编码器电池的接口。
CX2A:为DC 24 V电源、*ESP急停信号、XMIF报警信息输入接口,与前一个模块的CX2B相连。
CX2B:为DC 24 V电源、*ESP急停信号、XMIF报警信息输出接口,与后一个模块的CX2A相连。
C0P10A:伺服高速串行总线(HSSB)输出接口。与下一个伺服单元的C0P10B连接(光缆)。
C0P10B:伺服高速串行总线(HSSB)输入接口。与CNC系统的C0P10A连接(光缆)。
JX5:为伺服检测板信号接口。
JF1,JF2:为伺服电动机编码器信号接口。
CZ2L,CZ2M:为伺服电动机动力线连接插口。
◎任务实施
基本任务1 αi系列伺服模块的连接
下面以FANUC 0i MC系统为例(数控铣床),说明伺服模块的具体连接,如图7. 36所示。从αi伺服模块的硬件连接可以看出,通过光缆的连接取代了电缆的连接,不仅保证了信号传输速度,而且保证了传输的可靠性,减少了故障率。各模块之间的信息传递是通过CXA2A/ CXA2B的串行数据来传递,而不是通过信号电缆JX1A/ JX1B(BCD代码形式)来传递,从而进一步减少了连接电缆。

图7.36 FANUC 0i MC系统的αi系列伺服模块连接图(4轴)
基本任务2 FANUC 0i C伺服模块(SVM)典型故障处理
1.内部风扇停止报警代码“1”
故障原因可能有:
①内部风扇故障或风扇连接不良。
②伺服模块不良。
2.控制电路电压低报警代码“2”
故障原因可能有:
①电源模块提供的DC 24 V电压低。
②伺服模块的CX2A/ CX2B连接不良。
③伺服模块不良。
3.主电路DC 300 V电压低报警代码“5”
故障原因可能有:
①电源模块提供的DC 300 V电压低。
②伺服模块内的熔断器熔断。
③伺服模块不良。
4.伺服模块过热报警代码“6”
故障原因可能有:
①伺服电动机过载。
②电箱内部温度过高(如电箱风扇损坏或通风不良)。
③伺服模块不良。
5.伺服模块的冷却风扇停止报警代码“F”
故障原因可能有:
①伺服模块的冷却风扇损坏或连接不良。
②伺服模块不良。
6.伺服模块之间通信错误报警代码“P”
故障原因可能有:
①伺服模块通信接口CX2A/ CX2B连接不良。
②伺服模块不良。
7.伺服模块主电路(DC 300 V)过电流报警代码“8”
故障原因可能有:
①伺服电动机及连接电缆短路故障。
②伺服模块的逆变块短路。
③伺服模块不良。
8.伺服模块的IPM过电流报警代码“8”“9”“A”。
故障原因可能有:
①伺服电动机过载。
②周围温度过高。
③伺服模块不良。
9.伺服电动机过电流报警代码“b”(第1轴)、“c”(第2轴)、“d”(第3轴)故障原因可能有:
①伺服电动机过载或匝间短路。
②伺服参数设定不良。
③伺服模块不良。
基本任务3 FANUC 0i C驱动系统的组成及与CNC的连接
◎思考题
1.伺服单元和伺服模块有什么不同?
2.交流α系列SVM伺服单元,DC LINK低电压(LED显示2 ALM),试分析故障原因和解决办法。

图7.37 FANUC 0i C驱动系统的组成及与CNC的连接示意图
任务5 FANUC 0i MC伺服系统参数的设定、伺服调整与典型故障处理
◎任务提出
在操作与维护数控机床时,伺服系统的参数设定是很重要的一步。掌握伺服系统参数的设定、伺服调整及其典型故障诊断处理是机床操作与维护的重要知识。
◎任务目标
1.学习伺服参数设定方法;
2.学习伺服参数初始化方法;
3.学习伺服调整方法;
4.掌握伺服设定与调整的典型故障处理。
◎相关知识
一、伺服参数设定的准备工作
①CNC单元的类型及相应软件(功能),如系统是FANUC 0i MC还是FANUC 16/18/21/ 0i系统。
②伺服电动机的类型及规格,如进给伺服电动机是α系列、αi系列、β系列还是βis系列。
③电动机内装的脉冲编码器类型,如编码器是增量编码器还是绝对编码器。
④系统是否适用分离型位置检测装置,如是否采用独立型旋转编码器或光栅尺作为伺服系统的位置检测装置。
⑤电动机一转机床工作台移动的距离,如机床丝杠的螺距是多少,进给电动机与丝杠的传动比是多少。
⑥机床的检测单位(例如0. 001 mm),检测装置的分辨率。
⑦CNC的指令单位(例如0. 001 mm)。
二、FANUC 0i MC系统伺服参数设定
首先进入伺服参数的设定画面,对于FANUC 0i MC系统具体操作:按系统功能键“system”,然后按下系统扩展软键,再按下系统软键“SV-PRM”即可进入,设定画面如图7. 38所示。在图7. 38所示的伺服设定画面中,把光标移动到需要设定的参数项,可直接输入相应数据。

图7.38 伺服设定画面
1.设定伺服电动机ID号(MOTOR ID NO)
选择所使用的电机的ID号,按照电动机类型号和规格号列于表7. 15中。
2. AMR:设定电枢倍增比,FANUC 0i系统参数为2001,设定为00000000,与电动机类型无关。
3.设定伺服系统的CMR指令倍乘比
FANUC 0i系统参数为1820,设定各轴最小指令增量与检测单位的指令倍乘比。参数设定值:指令倍乘比为1/2~1/27时,设定值=1/指令倍乘比+100,有效数据范围:102~107;指令倍乘比为1~48时,设定值=2×指令倍乘比,有效数据范围:2~96。
4.设定伺服系统的柔性进给齿轮比N/ M
FANUC 0i系统参数为2084、2085。对不同丝杠的螺距或机床运动有减速齿轮时,为了使位置反馈脉冲数与指令脉冲数相同而设定进给齿轮比,由于是通过系统参数可以修改,所以又叫做柔性进给齿轮比。
半闭环控制伺服系统:N/ M =(伺服电动机一转所需的位置反馈脉冲数/100万)的约分数;
全闭环控制伺服系统:N/ M =(伺服电动机一转所需的位置反馈脉冲数/电动机一转分离型检测装置位置反馈的脉冲数)的约分数。
表7.15 FANUC系统常用的伺服电动机的ID代码

【例】 某数控车床的X轴伺服电动机与进给丝杠直连,丝杠的螺距为6 mm伺服电动机为α6/2000。则N/ M =6000/1000000 =1/200。
【例】 某数控铣床X、Y轴伺服电动机与进给丝杠采用1∶2齿轮比连接,进给丝杠的螺距为10 mm,伺服电动机为αc12 /2000。则N/ M =10000×0. 5/1000000 =1/200。
5.设定电动机移动方向
FANUC 0i系统参数为2022,111为正方向(从脉冲编码器端看为顺时针方向旋转);-111为负方向(从脉冲编码器端看为逆时针方向旋转)。
6.设定速度脉冲数
FANUC 0i系统参数为2023,串行编码器设定为8192。
7.设定位置脉冲数
FANUC 0i系统参数为2024,半闭环控制系统中,设定为12500,全闭环系统中,按电动机一转来自分离型检测装置的位置脉冲数设定。
8.设定参考计数器
FANUC 0i系统参数为1821,参考计数器用于在栅格方式下返回参考点的控制。必须按电动机一转所需的位置脉冲数或按该数能被整数整除的数来设定。
三、伺服参数初始化
伺服参数初始化就是将系统的参数按设定条件恢复到系统出厂时的标准设定。当数控系统的伺服驱动更换,或因为更换电池等原因,使伺服参数出现错误时,必须对伺服系统进行初始化处理与重新调整。
1.伺服初始化参数设定
①分离型检测装置是否有效的系统参数。
②绝对位置检测是否使用参数。
2.伺服参数初始化操作
①在紧急停止状态,接通电源。②显示伺服参数的设定画面。
系统功能键SYSTEM—系统扩展软件—系统软件[SV-PRM]。
③使用光标,翻页键,将伺服初始化设定参数2000#1的1设定为0,然后系统断电再重新上电,从而完成数字伺服参数的初始化操作。当伺服初始化结束后,初始化定位#1自动变为1。
初始化设定为如下:

#0(PLC01):设定为0时,检测单位为1 μm,FANUC 0i MATE TC系统使用参数2023(速度脉冲数)、2024(位置脉冲数)。设定为1时,检测单位为0. 1 μm,相应的系统参数为把上面系统参数的值乘10倍。
#1(DGPRM):设定为0时,系统进行数字伺服参数初始化的设定,当伺服参数初始化后,该值自动变为1。
#3(PRMCAL):进行伺服初始化设定时,该值自动变为1。根据编码器的脉冲数自动计算下列参数:2043,2044,2047,2053,2054,2056,2057,2059,2074,2076。
四、数控系统的伺服调整
图7. 39为伺服调整画面(通过按SV. TUN系统操作软件显示),在该画面中可以进行伺服参数的调整和报警的诊断。这方面的调整对机床的性能更为重要,必需根据以下步骤仔细调整。
①设定时,首先将功能位(2003)的位3(PI)设定1(冲床为0),回路增益(1825)设定为3000(在机床不产生振动的情况下,可以设定为5000),比例、积分增益不要改,速度增益从200增加,每增加100后,用JOG方式分别以慢速和最快速移动坐标,看是否振动。或观察伺服波形(TCMD),检查是否平滑。调整原则是:尽量提高设定值,但是调整的最终结果,都要保证在手动快速,手动慢速,进给等各种情况都不能有振动。
注意:速度增益=(1 +负载惯量比(参数2021)/256)×100。负载惯量比表示电机的惯量和负载的惯量比,直接和机床的机械特性相关,一定要调整。
②伺服波形显示:参数3112#0 =1(调整完后,一定要还原为0),关机再开。采样时间设定5000,如果调整X轴,设定数据为51,检查实际速度,如图7. 40所示画面设定。

图7.39 伺服调整画面
如果在启动时,波形不光滑,则表示伺服增益不够,需要再提高。如果在中间的直线上有波动,则可能由于高增益引起的振动,这可通过设定参数2066 = - 10(增加伺服电流环250 μm)来改变,如果还有振动,可调整画面中的滤波器值(参数2067)= 2000左右,再按上述步骤调整。

图7.40 伺服波形设定画面
③N脉冲抑制:当在调整时,由于提高了速度增益,而引起了机床在停止时也出现了小范围的振荡(低频),从伺服调整画面的位置误差可看到,在没有给指令(停止时),误差在0左右变化。使用单脉冲抑制功能可以将此振荡消除,按以下步骤调整:
a)参数2003#4 =1,如果震荡在0~1范围变化,设定此参数即可。
b)参数2099,按以下公式计算。

注:400相当于检测单位1脉冲;
标准设定400左右;

图7.41 伺服波形画面
“0”与400相同。
④有关250 μm加速反馈的说明:
电机与机床弹性连接,负载惯量比电机的惯量要大,在调整负载惯量比的时候(大于512),会产生50~150 Hz的振动,此时,不要减小负载惯量比的值,可设定此参数进行改善。
此功能把加速度反馈增益乘以电机速度反馈信号的微分值,通过补偿转矩指令TCMD,来达到抑制速度环的振荡。

图7.42 250 μm加速反馈
参数2066 = -10到-20,一般设-10。
参数2067(Tcmd)一般设2000左右,具体如表7. 16所示。
表7.16 参数2067(Tcmd)设定表

可通过SERVO GUID测出振动频率,也可以通过降低或升高设定值来观察伺服波形。对于低频率振动,此方法有效,对于高频率的机械共振(200 Hz以上),可使用HRV滤波器来抑制(使用[伺服调整引导]软件自动测量)。
◎任务实施
基本任务1 防止过冲的伺服调整
在手轮进给或其他微小进给时,发生过冲(指令1脉冲,走2个脉冲,再回来1个脉冲),可按如下步骤调整。
单脉冲进给动作原理,如图7. 43所示。

图7.43 单脉冲进给动作原理
①在积分增益PK1V稳定的范围内尽可能取大值。
②从给出1个脉冲进给的指令到机床移动的响应将提高。
③根据机床的静摩擦和动摩擦值,确定机床是否发生过冲。
④机床的动摩擦①大于电动机的保持转矩时,不发生过冲。
⑤使用不完全积分PK3V调整1个脉冲进给移动结束时的电机保持转矩。
⑥参数:2003#6 =1,2045 =32300左右,2077 =50左右。
注:如果因为电机保持转矩大,用上述参数设定还不能克服过冲,可增加2077的设定值(以10为倍数)。如果在停止时不稳定,是由于保持转矩太低,可减小2077(以10为倍数)。

图7.44 不完全积分PK3V调整1个脉冲进给移动结束时的电机保持转矩
基本任务2 防止累计进给(爬行)的调整
①在手轮进给或其他的微小量进给时,发出指令1脉冲不走,两个脉冲一起走或更多个脉冲一起走,和上述情况相反,使用VCMD偏移功能来提高单脉冲进给功能。
②主要是由于机械摩擦太大,如果没有必要,一般可不调整此功能,调整不当会产生过冲。
③动作过程原理如下:
参数:2003#7 =1,2045接近32767(32700),用手脉X1挡移动,用千分表测量位置变化,进行调整。

图7.45 防止累计进给(爬行)的调整原理图
基本任务3 重力轴防落调整
①一般重力轴的电机都带有制动器,在按急停时或伺服报警时,由于制动器的动作时间而产生的轴的跌落,可通过参数调整来避免。
②参数调整:2005#6 =1,2083设定延时时间(ms),一般设定200左右,具体要看机械重力的多少。如果是该轴放大器是2或3轴放大器,每个轴都要设定。
③原理如图7. 46所示。

图7.46 重力轴防落调整原理图
基本任务4 全闭环伺服参数调整
1.基本连接

图7.47 全闭环伺服系统连接图
2.基本设定
分离型接口板M1可接4个轴的位置反馈,分别为JF101-JF104,在FSSB的设定画面上相应的轴上设定此号码,比如,如果Y,A分别接JF101,JF102,如图7. 48所示。

图7.48 FSSB设定画面
注意:此参数设定结束后,不需要进行初始化或自动设定操作。
3.伺服参数修改
参数:1815#1 =1。
在伺服参数设定画面上,修改以下参数:
①柔性齿轮比,按如下设定:

设定值和光栅的最小分辨率有关系,如果最小分辨率是0. 1,则设定值为1∶10。
举例说明:
例:直线尺A、B相1脉冲 :1/1000 mm
电动机1转的移动量 :12 mm/ r
检测单位 :1/1000 mm

例:直线尺A、B相1脉冲 :5/10000 mm(0. 5 μm检测)
电动机1转的移动量 :12 mm/ r
检测单位 :1/1000 mm

②位置脉冲数,按如下方法设定:
位置脉冲数=电动机1转由直线尺输入的脉冲数×4
例:直线尺A、B相1脉冲 :1/1000 mm
电动机1转的移动量 :1 m/ r
检测单位 :1/1000 mm
位置脉冲数=12/0. 001 =12000
例:直线尺A、B相1脉冲 :1/10000 mm(0. 5 μm检测)
电动机1转的移动量 :12 mm/ r
检测单位 :1/1000 mm
位置脉冲数=12/0. 0005 =24000
注:如果设定数大于32767,用参数2185做乘数。
③参考计数器容量,按如下方法设定:
直线尺的参考标记只有1个时,可以为任意值。
设定值=30000(任意)
直线尺的参考标记有2个以上时,设定为标记间隔的整数分之一的值
设定值=10000,20000,25000
基本任务5 全闭环振动抑制的参数调整
1.参数设定
图7. 49流程图左边为全闭环的设定步骤,要注意的是CMR,N/ M,位置脉冲数,如果设定错误,有时候轴可以走,并且移动的距离也正确,但会加大振动,例如:

图7.49 参数设定流程图
丝杠12 mm,光栅尺为串行LC491F,实际分辨率为0. 01 μm,则设定如下:
CMR =2
AMR =0000000
N/ M =指令单位/输出脉冲=1 μm/(1/0. 01 μm)=1∶100
注意:当设定了以上的N/ M,系统可能会出现417报警,这时,可以查找诊断352内容,为10016(参数的内部数值失控检测溢出),可通过设定参数2200#0 =1来屏蔽此报警。
位置脉冲Ns =丝杠螺距/光栅分辨率=12000/0. 01 =30000×40
参数2024 =30000,参数2185 =40(位置反馈脉冲数如果大于32767时,则设定值= A× B,A:参数2024,B:参数2185)。
2.有关增益参数设定
伺服增益先设定为100(参数2021 =0),位置增益设定为3000(参数1825 =3000),等其他参数设定完成后,再适当增加速度增益的设定。
注意:
①全闭环控制时,不要使用[SERVO GUIDE]中的导航器进行调整,最好也不要进行频率响应测量,以免由于振动太大而损坏机床。
②不要设定增益快速/切削切换功能,即参数2202#1和2107不要设定。
③不要设定停止时增益可变功能,即参数2016#3和2119不要设定。
④可以使用HRV2功能。
3.机械速度反馈参数设定
原理如图7. 50所示。

图7.50 机械速度反馈原理图
参数:2012#1 =1(机械速度反馈有效),2088(机械速度反馈增益)按表7. 17设定。
表7.17 机械速度反馈增益设定方法

注意:对于串行光栅,设定参数2088如果超过100会出现417报警,诊断352内容为883,这时,参数2088设定0~100之间,一般设定为50。
4.振动抑制参数的设定
(1)原理图

图7.51 振动抑制参数的设定原理图
(2)参数2033(变换因子)的设定
A/ B相光栅尺:设定值=电机每转反馈回来的脉冲数(FFG之前)/8。
例:5 mm丝杠,0. 5 μm/ P光栅。FFG =1/2
N2033 =10000/8 =1250
串行光栅尺:设定值=电机每转反馈回来的脉冲数(FFG之后)/8。
例:5 mm丝杠,0. 5 μm/ P光栅。FFG =1/2
N2033 =5000/8 =625
参数2034(振动抑制控制的增益)的设定:先设定500,再通过移动该轴观察振动,每次增加100。如果设定后,振动反而加大,可设定为负数(-500)。
(3)双位置反馈参数的设定
该功能在18I/16I系统上是选择功能,一般不要设定,如果机械实在太差,通过以上两个功能都不能消除振动,可以使用该功能。但调试出来的结果不是很理想。可以看到,在速度比较高的情况下,轴定位后会回退一段距离,或者左右晃动几下。
原理如图7. 52所示。

图7.52 双位置反馈参数的设定原理
ER1:半闭环的误差计数器
ER2:全闭环的误差计数器
一阶延时时间常数=1/(1 + tS)时的实际误差
t =0时(停止时)
ER = ER1 +(ER2 - ER1)= ER2(全闭环的误差)
t =无穷大时(加减速中)
ER = ER1(半闭环的误差)
这样,移动中就可用半闭环控制,停止时就可用全闭环控制。
使用此功能,在移动中就可获得如同半闭环一样的高控制性能,而在停止时可使用反馈检测元件的高精度定位。
参数2078/2079的设定:等于相当于半闭环控制时的柔性齿轮比N/ M。
参数2080的设定:10~300设定值越大,越接近半闭环控制。当在轴移动时,由于电机侧的位置反馈和机械侧的位置反馈不一致,等该轴到达指令位置后,再精确检测机械侧的位置,所以就会出现来回晃动的情况。
◎思考题
1.怎样设定FANUC伺服系统的柔性进给齿轮比N/ M?
2.对旋转轴,机械有一1/10的减速齿轮和设定为1/1000度的检测单位,则电机每转一转工作台旋转360/10度的移动量,试对其进行设定。
任务6 FANUC伺服总线(FSSB)的设定和常见故障分析
◎任务提出
FSSB是Fanuc Servo Bus(FANUC伺服总线)是缩写,它能够将1台主控器(CNC装置)和多台从控器用光缆连接起来,在CNC与伺服放大器间用高速串行总线(串行数据)进行通信。主控器侧是CNC本体,从控器侧是伺服放大器(主轴放大器除外)及分离型位置检测器用的接口装置。
◎任务目标
1.掌握伺服放大器FSSB设定方法;
2.掌握伺服轴FSSB设定方法;
3.掌握FSSB设定过程中常见故障的诊断方法。
◎相关知识
一、FSSB基本参数设定
①参数1023设定为1,2,3等。对应光缆接口X,Y,Z等。
②参数1902的位0 = 0,伺服FSSB参数自动设定。

③运用参数设定帮助功能进行设定操作,按[SYSTEM]功能键会循环出现参数、诊断、参数设定支援3个画面。图7. 53即为参数设定支援画面。运用光标来选择FSSB(AMP)和FSSB(轴)进行相应设定。
二、伺服放大器FSSB设定
1.设定步骤
①通过图7. 53所示进入伺服放大器FSSB设定画面,指定各放大器连接的被控轴的轴号(1,2,3等)。在CUR下面会显示放大器的电流(如40A),如果没有或显示--,则检查伺服放大器的电源是否正常或光缆的连接是否正确。
②按[SETING]软键(若显示报警信息,请重新设定)。
显示如图7. 54所示。
注意:先按[AMP](放大器),再按[OPRT],选择[SETTING]。

图7.53 参数设定支援画面

图7.54 伺服放大器FSSB设定画面
③如果正常设定,会出现000报警,关机再开机。
2.伺服放大器设定画面中显示的各项内容的意义。
NO:表示某通道下第几从属装置,如2表示第2从属装置。
AMP:表示从属装置所接的放大器及第几轴,如A1-M表示第2从属装置接到第1放大器的第2轴上。
SERIES:表示放大器的系列。
UNIT:表示放大器是伺服单元还是伺服模块,如SVM表示伺服模块。
CUR:表示该从属装置驱动放大器控制的轴的最大电流。
AXIS:表示从属装置的连接顺序号。
NAME:表示从属装置的轴名。
三、伺服轴FSSB设定
1.设定步骤
①通过图7. 53所示进入伺服轴FSSB设定画面,在轴设定画面上,指定关于轴的信息,如分离型检测器接口单元的连接器号。
②按[SETING]键(若显示警告信息,重复上述步骤)。此时,应关闭电源,然后开机,如果没有出现5138报警,则设定完成。显示如图7. 55所示。

图7.55 伺服轴FSSB设定画面
③按下[AXIS](轴)
上述的M1,M2表示全闭环的接口所连接的插座对应的轴,比如:M1的JF101连接X轴位置反馈,则在上面的X行的M1处设定为1。如果是半闭环控制,则不用设定。
2.伺服轴设定画面中显示的各项内容的意义
AXIS:被控轴的编号,表明NC控制轴的安装位置。
NAME:被控轴的名称。
AMP:各轴所连放大器的形式。
M1:分离型检测器接口单元1的连接器号(在参数1931中设定)。
M2:分离型检测器接口单元2的连接器号(在参数1932中设定)。
1-DSP:参数1904第0位(1DSP)的设定值。如果某个轴设为1,表示使用专门的DSP。通常1个DSP控制2个轴。
CS:Cs轮廓控制轴(在参数1933中设定)。对于Cs控制轴,应设为1。
TNDM:参数1934的指定值,0i和0i Mate不用。
◎任务实施
基本任务1 不能自动设定FSSB
检查参数1902。若参数1902 =00000000,则设定1905 =00000000,并将1910到1919均设为0。
①当参数1815#1 =1时,检查参数1910到1919是否设为16(靠近CNC的第1个分离型检测器接口单元)或48(远离CNC的第2个分离型检测器接口单元)。
②检查传输是否打开(绿色LED亮)。如果传输没有打开,检查放大器的电源以及光缆连接。
基本任务2 在FSSB画面的轴设定上,M1和M2的连接器号码不能设定
查看FSSB画面,分离型检测器接口单元的ID是否读取正确。如果位置模块ID读取不正确,检查分离型检测器接口单元的连接。
基本任务3 电源关机再开机后,FSSB设定画面被取消
在设定需求的值后,在放大器设定画面和轴设定画面按软键[SETTING]。
基本任务4 发生放大器/电动机的搭配无效报警(466)
检查ID画面上的放大器最大电流值,对应参数No. 2165的设定。再次检查放大器/电动机的搭配。
①伺服电动机ID代码设定错误,正确设定伺服电动机的ID代码并进行初始化。
②进行伺服参数初始化操作。
③按实际连接重新进行FSSB初始化操作。
④伺服放大器故障。
⑤系统轴板故障。
基本任务5 发生P/ S报警(5138)
FSSB画面的自动设定没有正常完成。
①确认FSSB放大器设定画面和轴设定画面无误。
②在两个画面(放大器和轴设定画面)上按软键[SETTING]。
③系统断电并重新上电。
基本任务6 FSSB放大器数目小报警(5136)
系统检测实际放大器与设定不符。
①检查系统参数1010和实际轴数是否一致。
②放大器控制电路电源故障。
③放大器连接信息光缆不良。
④按实际连接情况重新进行FSSB初始化。
⑤伺服放大器本身故障。
⑥系统轴板故障。
FSSB报警及故障原因如表7. 18所示。
表7.18 FSSB报警及故障原因

◎思考题
1. FSSB自动设定过程中,轴的设定未完成,故障原因和解决方法?
2.伺服放大器发生故障,会导致其他哪些相关故障发生?
任务7 FANUC 0i MC进给伺服系统检测装置故障诊断与维修
进给伺服系统检测装置按类型不同分为绝对编码器和相对编码器;按连接形式不同分为伺服电动机内装编码器的检测装置和分离型的检测装置。
FANUC数控系统既可以用于半闭环工作,又可以用于全闭环工作,半闭环位置检测为伺服电机尾部的光电编码器,通过伺服电动机内装编码器实现进给伺服的位置和速度反馈控制。全闭环位置检测来自于机床上直线光栅尺等直线位移检测器件。
◎任务提出
在操作与维护数控机床进给伺服系统检测装置时,认识检测装置的接口,学会相关的硬件连接是很重要的一步。
◎任务目标
1.数控机床进给伺服系统对检测装置的要求;
2.分离型检测装置接口认识;
3.学习伺服电动机内装编码器报警及维修技术;
4.掌握分离型检测装置(光栅尺)的拆装与调试;
5.掌握FANUC 0i MC封闭光栅尺的方法;
6.学习分离型检测装置(光栅尺)的维修技术;
7. FANUC 0i MC进给伺服系统检测装置典型故障分析。
◎任务分析
为了实现分离型检测装置(光栅尺)的拆装与调试,我们还需要了解:
1.直线型光栅尺的结构;
2.光栅尺的维护。
◎相关知识
一、数控机床进给伺服系统对检测装置的要求
1.数控机床对检测元件的要求
检测元件是检测装置的重要部件,其主要作用是检测位移和速度,发送反馈信号。位移检测系统能够测量的最小位移量称为分辨率。分辨率不仅取决于检测元件本身。也取决于测量电路。
数控机床对检测元件的主要要求是:
①寿命长,可靠性高,抗干扰能力强。
②满足精度和速度要求。
③使用维护方便,适合机床运行环境。
④成本低。
⑤便于与计算机连接。
2.数控机床对位置检测装置的要求
位置检测装置是数控机床伺服系统的重要组成部分。它的作用是检测位移和速度,发送反馈信号,构成闭环或半闭环控制。数控机床的加工精度主要由检测系统的精度决定。不同类型的数控机床,对位置检测元件,检测系统的精度要求和被测部件的最高移动速度各不相同。现在检测元件与系统的最高水平是:被测部件的最高移动速度高至240 m/ min时,其检测位移的分辨率(能检测的最小位移量)可达1 μm,如24 m/ min时可达0. 1 μm。最高分辨率可达到0. 01 μm。
数控机床对位置检测装置有如下要求:
①受温度、湿度的影响小,工作可靠,能长期保持精度,抗干扰能力强。
②在机床执行部件移动范围内,能满足精度和速度的要求。
③使用维护方便,适应机床工作环境。
④成本低。
二、FANUC 0i MC分离型检测装置接口
1. FANUC 0i MC分离型检测装置接口图,如图7. 55所示
当使用分离型编码器或直线尺时,需要如图7. 56所示的分离型检测器接口单元。分离型检测器接口单元应该通过光缆连接到CNC控制单元上,作为伺服接口(FSSB)的单元之一。虽然在图7. 56中分离型检测器接口单元作为FSSB的最终级连接,但它也可作为第一级连接到CNC控制单元。或者,它可以安装在两个伺服放大器模块之间。
2. FANUC 0i MC分离型检测器接口单元规格
接口单元能提供0. 35 A(5 V)给每个分离型检测器。
表7.19 FANUC 0i MC分离型检测器接口单元规格

3. FANUC 0i MC分离型检测器电源的连接
由外部24 V电源给分离型检测器接口单元供电。
输入到CP11A的24 V能从CP11B输出。CP11B的连接与CP11A的连接相同。这时,CP11A的容量应等于分离型检测器接口单元与CP11B后面所连接单元的容量总和。

图7.56 FANUC 0i MC分离型检测装置接口图

图7.57 FANUC 0i MC分离型检测器电源的连接
4. FANUC 0i MC分离型检测器直线尺接口(并行接口)(如图7. 58)
三、伺服电动机内装编码器报警及维修技术
通过伺服电动机内装编码器实现进给伺服的位置和速度反馈控制,属于半闭控制。
四、分离型检测装置(光栅尺)的相关知识
1.光栅基础知识
光栅利用光的透射、衍射原理,通过光敏元件测量莫尔条纹移动的数量来测量机床工作台的位移量。一般用于机床数控系统的闭环控制。光栅主要由标尺光栅和光栅读数头两部分组成。通常,标尺光栅固定在机床运动部件上(如工作台或丝杠上),光栅读数头产生相对移动。
透射光栅的工作原理透射光栅测量系统原理,它由光源、透镜、标尺光栅、指示光栅、光敏元件和信号处理电路组成。透射光栅的工作原理透射光栅测量系统原理如图7. 59所示,它由光源、透镜、标尺光栅、指示光栅、光敏元件和信号处理电路组成。信号处理电路又包括放大、整形和鉴向倍频等。通常情况下,标尺光栅与工作台装在一起随工作台移动外,光源、透镜、指示光栅、光敏元件和信号处理电路均装在一个壳体内,做成一个单独部件固定在机床上,这个部件称为光栅读数头,其作用是将光信号转换成所需的电脉冲信号。光栅读数是利用莫尔条纹的形成原理进行的。图7. 60是莫尔条纹形成原理图。将指示光栅和标尺光栅叠合在一起,中间保持0. 01~0. 1 mm的间隙,并且指示光栅和标尺光栅的线纹相互交叉保持一个很小的夹角θ,如图所示。当光源照射光栅时,在a—a线上,两块光栅的线纹彼此重合,形成一条横向透光亮带:在b—b线上,两块光栅的线纹彼此错开,形成一条不透光的暗带。这些横向明暗相间出现的亮带和暗带就是莫尔条纹。直线光栅尺外观如图7. 61所示。

图7.58 FANUC 0i MC分离型检测器直线尺接口(并行接口)
两块光栅每相对移动一个栅距,则光栅某一固定点的光强按明—暗—明规律变化一个周期,即莫尔条纹移动一个莫尔条纹的间距。因此,光电元件只要读出移动的莫尔条纹数目,就可以知道光栅移动了多少栅距,也就知道了运动部件的准确位移量。
2.光栅尺

图7.59 透射光栅测量系统工作原理示意图

图7.60 莫尔条纹

图7.61 直线光栅尺
在数控机床中,为了实现位置控制,必须有位置检测装置用于检测机床运动部件的位移。数控机床常用的位置检测装置有光栅尺、编码器等。光栅尺是一种高精度的直线位移检测装置,通过光电转换,对莫尔条纹进行计数,得到移动部件的位移及方向等信号。FANUC 0i MC系统把光栅尺信号反馈到系统的位置模块,通过伺服总线完成与系统轴板的数据交换。
3.光栅尺常见故障及处理方法
(1)由于维护不当或光栅尺密封不良引起的光栅尺脏
采用3 m以上的光栅尺时,从光栅尺盒抽出主光栅进行清洗;采用3 m以下的光栅尺时,将读数头卸下,把整个光栅盒(带主光栅)进行清洗。如果光栅尺密封破损则需要更换光栅尺。
(2)读数头不良
清洗读数头上指示光栅并检查读数头电路板,更换读数头。
(3)读数头连接电缆不良及读数头电源电压(DC 5 V)电压低
检查连接电缆是否有断路或接触不良,位置模块供电电路故障。
(4)系统位置模块或系统轴板不良(FANUC 0i MC系统)
检查后更换损坏部件。
(5)系统主板不良
更换系统主板。
◎任务实施
基本任务1 FANUC 0i MC进给伺服系统检测装置典型故障及处理
当机床出现如下故障现象时,首先要考虑到是否是由检测器件的故障引起的,并正确分析查找故障部位。
1.机械振荡(加/减速时)
引发此类故障的常见原因有:
①脉冲编码器出现故障,此时应重点检查速度检测单元上的反馈线端子上的电压是否在某几点电压下降,如有下降表明脉冲编码器不良,更换编码器。
②脉冲编码器十字联轴节可能损坏,导致轴转速与检测到的速度不同步,更换联轴节。
③测速发电机出现故障,修复,更换测速发电机。维修实践中,测速发电机电刷磨损、卡阻故障较多。应拆开测速发电机,小心将电刷拆下,在细砂纸上打磨几下,同时清扫换向器的污垢,再重新装好。
2.机械运动异常快速(飞车)
检修此类故障,应在检查位置控制单元和速度控制单元工作情况的同时,还应重点检查:
①脉冲编码器接线是否错误,检查编码器接线是否为正反馈,A相和B相是否接反。
②脉冲编码器联轴节是否损坏,如损坏更换联轴节。
③检查测速发电机端子是否接反和励磁信号线是否接错。
3.主轴不能定向移动或定向移动不到位
检修此类故障,应在检查定向控制电路的设置调整,检查定向板,主轴控制印刷电路板调整的同时,应检查位置检测器(编码器)是否不良,此时一般要测编码器的输出波形,通过判断输出波形是否正常来判断编码器的好坏(维修人员应注意在设备正常时测录编码器的正常输出波形,以便故障时查对)。
4.坐标轴进给时振动
检修时应在检查电动机线圈是否短路,机械进给丝杠同电机的连接是否良好,检查整个伺服系统是否稳定的情况下,检查脉冲编码是否良好、联轴节连接是否平稳可靠、测速发电机是否可靠。
5.出现NC错误报警
NC报警中因程序错误,操作错误引起的报警。如FAUNUC 6ME系统的NC报警090. 091。出现NC报警,有可能是主电路故障和进给速度太低引起。同时,还有可能是:
①脉冲编码器不良。
②脉冲编码器电源电压太低(此时调整电源电压的15 V,使主电路板的+5 V端子上的电压值在4. 95~5. 10 V内)。
③没有输入脉冲编码器的一转信号而不能正常执行参考点返回。
6.出现伺服系统报警
伺服系统故障时常出现如下的报警号:如FAUNUC 6ME系统的伺服报警:416,426,436,446,456。此时要注意检查:
①轴脉冲编码器反馈信号断线,短路和信号丢失,用示波器测A相、B相一转信号,看其是否正常。
②编码器内部故障,造成信号无法正确接收,检查其受到污染、太脏、变形等。
基本任务2 分离型检测装置(光栅尺)的拆装与调试
1.光栅尺的基本结构
光栅有长光栅和圆光栅两种,长光栅用于检测直线位移量;圆光栅用于检测转角位移量。FANUC 0i MC系统数控机床采用长光栅来检测直线位移量。
光栅位置检测装置由光源、标尺光栅(长光栅)、指示光栅(短光栅)和光电元件等组成,如图7. 62所示。光栅是在一块长条形的光学玻璃上均匀地刻上线条。线条之间的距离称为栅距。栅距决定精度,一般是每毫米50,100,200条线。长光栅G1装在机床的移动部件上;短光栅装在机床的固定部件上。两块光栅互相平行并保持一定的间隙(如0. 05 mm或0. 1 mm等),且两块光栅的栅距相同。

图7.62 光栅组成
2.光栅尺测量原理

图7.63 光栅尺测量原理
3.光栅尺的拆装
用于数控机床的直线光栅尺采用封闭结构,铝制外壳保护光栅尺、扫描单元和轨道免受灰尘、切削和切削液的影响,自动向下的弹性密条保持外壳的密封。图7. 64为光栅尺的安装图。

图7.64 光栅尺安装图
安装光栅尺时,密封条朝下或远离溅水的方向。
安装封闭式光栅尺非常简单,只需在多点位置处将光栅尺与机床导轨对正。也可以用限位面或者限位销对正光栅尺。
安装辅助件以将光栅尺和扫描单元间的间隙以及横向公差调整正确。如安装空间有限,必须在安装光栅尺前先安装辅助件,精确地调定光栅尺和扫描单元的间隙,还必须确保符合横向公差要求。
除了采用两个M8的螺栓将直线光栅尺固定在平面上的标准安装方法外,还可以采用安装板安装(如果测量长度超过1 240 mm,必须使用安装板安装)。
用安装板安装时,安装板可以作为机床的一部分安装在机床上,最后安装时只需将光栅尺夹紧即可。因此,可以很容易地更换光栅尺,便于维修。
4.光栅尺的维护
防污:避免受到冷却液的污染,从而造成信号丢失,影响位置控制精度。
防振:光栅尺拆装时要用静力,不能用硬物敲击,以免引起光学元件的损坏。
基本任务3 封闭光栅尺
实际中进行故障诊断或应急处理时,经常通过封闭光栅尺的方法进行处理。下面以FANUC 0i MC系统为例,说明封闭光栅尺的方法及具体步骤。
①系统返回参考点的减速功能(1425):由原来的100 mm/ min改为200 mm/ min。
②系统是否使用反向间隙加速功能(2003#5):由原来的1改为0。
③系统双位置反馈功能(2019#7):由原来的1改为0。
④系统由全闭控制变成半闭控制(1815#1):由原来的1改为0。
⑤按半闭控制设定伺服参数:包括进给齿轮比N/ M、位置脉冲数、参考计数器容量。
⑥振荡抑制系数(2033):设定为0。
⑦系统下电并重新上电。
实际封光栅尺时的注意事项:
①机床的参考点位置发生了变化,加工工件坐标系变化,尤其是有自动换刀、自动对刀器时要重新调整。
②机床的精度下降后,加工工件的工艺要求是否满足。
③重新进行机床反向间隙的测量和系统参数的补偿。
④在封光栅尺前对系统数据进行系列备份,以便对光栅尺的恢复。
基本任务4 某立式加工中心,数控系统采用FANUC 0i MC系统,伺服电机为αi12/3000,外加直线光栅构成全闭环,在使用过程中产生Z轴445#报警,系统停止工作。
1.故障报警过程
当数控系统设计和调试为全闭环位置控制方式,数控系统除实时检测编码器是否有断线报警外,还实时对半闭环检测的位置数据与分离式直线位置检测反馈的脉冲数进行偏差计算,若超过参数NO. 2064设置值,就会产生445#报警。
2.故障产生原因
根据直线位置检测反馈工作过程,故障原因可能由于直线位置检测器件断线或插座没有插好产生的;直线位置反馈装置的电源电压偏低或没有;位置反馈检测器件本身故障;光栅适配器等,闭环位置检测器件是通过光栅适配器进入伺服位置控制回路。
◎思考题
1.伺服电动机内装编码器,绝对式和增量式的区别?
2.某数控机床采用光栅尺作为位置反馈装置,有时加工中出现伺服位置反馈断线报警,如何进行故障的诊断与排除?
任务8 FANUC 0i MC进给伺服系统典型故障诊断
进给伺服系统出现故障时,通常有3种表现形式:一是在CRT或操作面板上显示报警内容或报警信息;二是进给伺服驱动单元上用报警灯或数码管显示驱动单元的故障;三是运动不正常,但无任何报警。
◎任务提出
由于进给伺服系统出现故障时,通常有3种表现形式,因此可根据3种不同的故障表现形式对故障进行分析处理。其中常见的故障有伺服轴跟踪误差过大报警、系统发生410号报警(伺服停止误差过大)、系统发生“401”报警(伺服不能就绪报警)、机床运行中回转台交流伺服电机突然不启动,是突发性、无报警故障。
◎任务目标
1.学习进给伺服系统的常见报警与处理方法;
2.学习伺服轴跟踪误差过大报警处理方法;
3.系统发生410号报警(伺服停止误差过大)处理方法;
4.系统发生“401”报警(伺服不能就绪报警)处理方法;
5.机床运行中回转台交流伺服电机突然不启动,突发性、无报警故障的处理方法。
◎任务分析
1.相关检测元件的基本工作原理和使用方法;
2.检测元件的设定方法;
3.相关元器件的更换方法。
◎相关知识
一、进给伺服的常见故障
1.超程
有软件超程、硬件超程和急停保护3种。
2.过载
当进给运动的负载过大、频繁正反向运动,以及进给传动润滑状态和过载检测电路不良时,都会引起过载报警。
3.窜动
在进给时出现窜动现象:测速信号不稳定;速度控制信号不稳定或受到干扰;接线端子接触不良;反响间隙或伺服系统增益过大所致。
4.爬行
发生在启动加速段或低速进给时,一般是由于进给传动链的润滑状态不良、伺服系统增益过低以及外加负载过大等因素所致。
5.振动
分析机床振动周期是否与进给速度有关。
6.伺服电机不转
数控系统至进给单元除了速度控制信号外,还有使能控制信号,使能信号是进给动作的前提。
7.位置误差
当伺服运动超过允许的误差范围时,数控系统就会产生位置误差过大报警,包括跟随误差、轮廓误差和定位误差等。主要原因:系统设定的允差范围过小;伺服系统增益设置不当;位置检测装置有污染;进给传动链累积误差过大;主轴箱垂直运动时平衡装置不稳。
二、伺服系统的常见报警
1.进给伺服系统出错报警故障
这类故障的起因,大多是速度控制单元方面的故障引起的,或是主控制印制线路板与位置控制或伺服信号有关部分的故障。
2.检测元件或检测信号方面引起的故障
例如:某数控机床显示“主轴编码器断线”,引起的原因有:
①电动机动力线断线。如果伺服电源刚接通,尚未接到任何指令时,就发生这种报警,则由于断线而造成故障可能性最大。
②伺服单元印制线路板设定错误,如将检测元件脉冲编码器设定成了测速发电动机等。
③没有速度反馈电压或时有时无,只能根据测量的速度反馈信号来判断,这类故障除检测元件本身存在故障外,多数是由于连接不良或接通不良引起的。
④由于光电隔离板或中间的某些电路板上劣质元器件所引起的。当有时开机运行相当长一段时间后,出现“主轴编码器断线”,这时重新开机,可能会自动消除故障。
3.参数被破坏
表7.20 参数被破坏报警

4.主电路检测部分异常
表7.21 主电路检测部分异常报警

5.超速
表7.22 超速报警

6.限位动作
表7.23 限位动作报警

7.过热报警故障
表7.24 过热报警

8.电动机过载
表7.25 伺服驱动系统过载报警

续表

9.伺服单元过电流报警
表7.26 伺服单元过电流报警

续表

10.伺服单元过电压报警
表7.27 伺服单元过电压报警

11.伺服单元欠电压报警
表7.28 伺服单元欠电压报警

12.位置偏差过大
表7.29 位置偏差过大报警

13.再生故障表
表7.30 再生故障排除报警

14.编码器出错
表7.31 编码器出错报警

15.漂移补偿量过大的报警
表7.32 漂移补偿量过大报警

三、伺服报警号
表7.33 伺服报警号

续表

四、伺服诊断画面的使用
伺服驱动系统所配套的位置检测编码器状态、驱动器工作状态等信息可以通过CNC的FSSB总线从驱动器传送到CNC中,在CNC上可以通过诊断数据检查驱动系统的工作状态,这些状态大部分以二进制位信号的形式在CNC诊断页面显示,它们是CNC发生伺服驱动报警时的故障判别依据。
◎任务实施
基本任务1 伺服轴跟踪误差过大报警及排除

图7.65 1829和1828的参数限定值

图7.66 误差计数器读数过程图

图7.67 系统信号原理
系统检测伺服移动误差的原理是:当系统发出移动指令时,系统的位置误差计数器(FANUC OC/ OD系统的诊断号为800~803;FANUC16/16i/18/18i/21/21i/0i系统的诊断号为300)中的误差值超过了系统参数(FANUC OC/ OD系统为504~507,FANUC16/16i/18/18i/21/21i/0i系统为1 828)所设定的数值时,系统发生移动误差过大报警,如图7. 67所示。
故障分析:
(1)如果给出移动指令而机床不移动,则故障原因可能:
①机械传动卡死。
②如果故障发生在垂直轴控制时,则故障为伺服电动机的电磁制动回路。
③伺服电动机及动力线有断相故障或伺服电动机的动力线连接错误。
④伺服放大器本身故障。
(2)如果给出移动指令且机床移动后报警,则故障原因:
①系统软件故障。伺服参数设定不当或伺服软件不良。
②硬件故障。机械传动间隙过大或导轨润滑不良:伺服电动机编码器及系统有故障。伺服放大器不良。
基本任务2 系统发生410号报警(伺服停止误差过大)
当系统发出停止移动指令或静止时,系统的位置误差计数器偏差值超过了系统参数(FANUC OC/ OD)系统为593~596;FANUC 16/18/21/0i系统为1829)所设定的数值时,系统发出停止误差过大报警。
故障分析:
(1)如果是垂直轴,则故障原因可能:
①伺服电动机及动力电缆断相故障或伺服电动机的动力线连接错误。
②伺服放大器。
③系统该轴的伺服控制板。
(2)如果不是垂直轴,则故障产生的原因可能:
①系统软件故障。伺服参数设定不当(停止误差检测标准参数)或伺服软件不良。
②系统硬件故障。伺服放大器故障或系统伺服控制板不良。
基本任务3 伺服电机过载或过热报警故障诊断与排除
1.检测原理
伺服放大器具有过热检测信号,该信号由放大器内的智能逆变模块发出。但放大器的逆变模块温度超过规定值时,通过PWM指令传递到CNC系统,CNC系统发出400#过热报警,如图7. 68所示。

图7.68 伺服电机过载检测原理
伺服电动机的过热信号是由伺服电动机定子绕组的热偶开关检测的,当伺服电动机的温度超过规定值时,电动机的热偶开关(动断触点)动作,通过伺服电动机的串行编码器(数字伺服)传递给CNC系统,FANUC 0i C系统的CNC系统发出430#伺服电动机过热报警,431#伺服报警为伺服放大器过热报警。
2.诊断方法
系统发生400号报警(伺服过热)故障检查:
打开伺服单元调整画面,观察通过画面的报警1和报警2作进一步判断。
如果画面上报警1的#7位为“1”,则为伺服过载报警。
如果画面上报警2的#7位为“1”,则为伺服电机过热报警;#7位为“0”,则为伺服放大器过热报警。
故障分析:
(1)可能产生电动机过热原因
①机械传动故障引起的电动机过载。
②切削条件引起的电动机过载。
③电动机本身不良(电动机定子绕组的热敏电阻不良)。
④系统伺服参数整定不良。
(2)可能产生伺服放大器过热原因
①伺服放大器的风扇故障。
②如果为伺服单元化(SVU),还可能是TH1和TH2的接口或外接的热保护元件故障。
③伺服放大器本身故障,硬件故障(智能逆变模块不良),伺服软件不良。
基本任务4 系统发生“401”报警(伺服不能就绪报警)
故障分析:
控制单元与伺服系统之间传输的信号原理,如图7. 69所示。

图7.69 系统信号原理
在系统运行中如果各伺服放大器的准备信号(VRDY)没有接通,或者信号关断,则发生401号报警。有时因发生了其他伺服报警,也会导致此报警发生。在这种情况下,应该首先解除其他报警。
可能产生VRDY信号没有接通故障的原因:
①伺服放大器外围的强电电路故障。
②伺服放大器单元故障。
③CNC侧的轴控制卡故障。
故障检查:
采用信号短接的方法来判别故障的部位,把伺服模块JV1B(JV2B)的8和10短接后系统上电,如果伺服放大器为“0”则故障在轴板或系统主板;如果伺服放大器为“1”则故障在伺服放大器本身。
如果确认是系统轴控制卡(轴板)故障或系统伺服模块故障,则应更换系统轴板或对该板进行检修。
基本任务5 机床运行中回转台交流伺服电机突然不启动,是突发性、无报警故障
故障分析:故障发生在进给驱动范围,应该是伺服系统发生故障,由控制原理对伺服调节过程分析,初步分析不是位置环故障(如果是位置环故障,PLC可以报警)。PLC报警不包括速度环的故障,不该利用调用PLC状态参数信息表。估计故障点应在速度环,是速度环的硬件故障。为验证、发现故障点,检查速度环节的硬件:
①驱动电缆是否断线或接触不良。
②是否过载保护装置的误动作。
③机械负荷太大。
④速度调节器故障,是否功率驱动中大功率管击穿。
⑤电机故障,是否永磁体脱落或退磁。
用简单排他法分析:外观检查无异常,过载保护装置没动作,正常;故障发生后处于制动状态,制动未释放、无传动故障。
故障检查:对速度控制单元进行测试,检查可能发生故障的部位。采用信号强制输入法,检查速度调节器是否发出速度指令。操作过程:断电;首先查电缆,接点是否完好;然后断开速度调节器两端,标准+24 V模拟速度信号强制输入,测试其输出是否正常,若发现没有输出,断定故障点是速度调节器,本例中正是此问题。
故障处理:更换速度调节器,故障排除。
◎思考题
1.伺服驱动器不上电,故障原因可能有哪些?如何排除?
2.伺服电动机上电不转,编码器不反馈,故障原因可能有哪些?如何排除?