项目6 主轴控制系统典型故障诊断
知识目标
1.学习模拟交流主轴伺服系统和数字式(串行)主轴伺服系统的基本组成和控制原理;
2.以三菱FR-S500系列变频器为例,学习变频器的基本工作原理、功能设定和典型故障处理;
3.学习认识FANUC系统电源模块和串行数字模块的组成、接口功能和连接要求;
4.学习串行数字主轴伺服系统参数的含义及设定。
技能目标
1.掌握一种常用变频器的使用方法;
2.正确实施模拟交流主轴伺服系统的连接和调试,能够分析排除常见故障;
3.掌握FANUC系列电源模块和主轴模块的接口功能,能够正确实施系统的连接;
4.初步掌握串行数字主轴伺服系统参数设定与调整过程。
数控机床主轴驱动系统是主运动的动力装置部分,它的精度对零件的加工精度有较大的影响,在数控机床的故障诊断与维护中,主轴驱动系统是很重要的一部分。
数控机床主轴驱动系统包括主轴驱动装置(也称主轴放大器)、主轴电动机、传动机构、主轴组件、主轴信号检测装置及主轴辅助装置,图6. 1为某加工中心主轴驱动系统的各组成部分。

图6.1 加工中心主轴驱动系统组成
主轴放大器:接收系统发出的主轴转速及功能控制信号,实施主轴电动机控制。它可以是变频器也可以是系统专用的主轴放大器。
主轴电动机:主轴电动机是主轴驱动的动力来源,可以是普通型电动机、变频专用型电动机及系统专用的主轴电动机。
主轴传动机构:数控机床主轴传动主要有3种配置方式,即带变速齿轮的主传动方式、通过带传动的主传动方式及由变速电动机直接驱动的主传动方式。
主轴组件:主轴组件都是成套的标准组件。如加工中心主轴组件包括主轴套筒、主轴、主轴轴承、拉杆、蝶形弹簧、拉刀爪等。
主轴信号检测装置:主轴信号检测装置由于实现主轴速度和位置反馈,以及主轴功能(如主轴定向和刚性攻螺纹)的信号检测,可以是主轴外置编码器、主轴电动机内装传感器及外接一转信号配合电动机内装传感器检测装置。
辅助装置:主要包括刀具锁紧/松开装置、冷却和润滑装置等。
数控机床的主轴驱动装置根据主轴速度控制信号的不同分为模拟量控制的主轴驱动装置和串行数字控制的主轴驱动装置两大类。模拟量控制的主轴驱动装置采用变频器实现主轴电动机的控制;串行数字控制的主轴驱动系统采用数控生产厂家专用数字驱动装置驱动其专用的主轴电机来实现。
任务1 模拟主轴驱动系统典型故障诊断
由前面的学习已经知道数控机床的伺服驱动系统按其功能划分为主轴驱动系统和进给伺服系统。明确了主轴驱动系统与进给伺服系统各自的功能和相应的要求。为了实现螺纹加工、恒线速度切削、准停功能,则需要对主轴进行位置检测控制,主轴电动机装配有编码器或在主轴上安装编码器作为位置检测装置,这时的主轴驱动系统称为主轴伺服系统。
数控机床的主轴驱动系统包括主轴驱动装置、(主轴)电机、位置检测装置、传动机构及主轴。随着电子技术、微电子技术的发展,主轴驱动装置目前已从模拟控制逐步发展到全数字控制系统,并随着系统硬件功能的软件化,控制性能有了更多的提高。驱动元件从早期的可控硅(晶闸管)SCR、大功率晶体管GTR发展到目前的智能型功率元件IPM。
目前,在FANUC的主轴驱动系统中,主轴电动机主要的控制有两种接口模拟(0-10VDC)和数字(串行传送)输出。模拟接口采用变频器和三相异步电动机来驱动控制;数字串行口采用全数字驱动装置控制伺服电动机。
子任务1 变频器的认识与功能预置
◎任务提出
由于数字SPWM变频调速技术的发展,在机床的数控改造及一些低中档数控机床的主轴控制中采用变频器控制的比较多,为了实现采用变频器对机床主轴实施控制,有必要了解掌握变频器这一典型主轴驱动装置的基本知识和常规使用,我们需要了解变频器的功能和基本工作原理、典型变频器的面板操作和功能设置等。
◎任务目标
1.了解变频器的功能和基本工作原理、明确变频器的使用注意事项;
2.学习典型变频器的操作和功能设置;
3.会用变频器操作面板实现电动机的启动、正反转控制。
◎相关知识
一、变频调速的基本概念
根据电机学理论,交流异步电机的转速n(r/ m)为:

式中 f——电源频率;
p——磁极对数;
s——转差率。
可知改变三相异步电动机的电源频率f,可以改变旋转磁场的同步转速,达到调速的目的。电源频率提高,电动机转速提高;电源频率下降,则电动机转速下降。若电源频率可以做到匀速调节,则电动机的转速就能平滑改变。但在实际调速过程中,只改变电源频率f是不够的。这是因为由电机学原理可知:
若电源电压U不变,当降低电源频率f1调速时,则磁通Φm将增加会造成磁路饱和,从而导致励磁电流和铁损耗的大量增加,电动机温升过高等,这是不允许的。
因此在变频调速的同时,应同时改变电源电压U,以保持磁通Φ不变,即使Ul/ f1或El/ f1为常数。
额定频率称为基频,变频调速时,可以从基频向上调,也可以从基频向下调。
1.从基频向下调变频调速
降低电源频率时,必须同时降低电源电压。降低电源电压U1,有以下两种控制方法:
①保持El/ f1为常数。降低电源频率f1时,保持El/ f1为常数,则Φm为常数,是恒磁通控制方式,也称恒转矩调速方式。降低电源频率f1调速的人为机械特性,如图6. 2(a)所示。

图6.2 基频向下变频调速时的机械特性
降低电源频率f1调速的人为机械特性特点为:同步速度n1与频率f1成正比;最大转矩不变;转速降落Δn =常数,特性斜率不变(与固有机械特性平行)。这种变频调速方法与他励直流电动机降低电源电压调速相似,机械特性较硬,在一定静差率的要求下,调速范围宽,而且稳定性好。由于频率可以连续调节,因此变频调速为无级调速,平滑性好,另外,转差功率Ps较小,效率较高。
②保持Ul/ f1为常数。降低电源频率f1,保持Ul/ f1为常数,则Φm近似为常数,在这种情况下,当降低频率f1时,Δn不变。但最大转矩会变小,特别在低频低速时的机械特性会变坏,如图6. 2(b)所示。其中虚线是恒磁通调速时为常数的机械特性,以示比较。保持Ul/ f1为常数,则低频率调速近似为恒转矩调速方式。

图6.3 基频向上变频调速时的机械特性
2.从基频向上变频调速
从基频向上变频调速,升高电源电压是不允许的。因此,升高频率向上调速时,只能保持电压为不变,频率越高,磁通Φm越低,是一种降低磁通升速的方法,类似他励直流电动机弱磁升速情况,其机械特性如图6. 3所示。保持电压不变升速,近似为恒功率调速方式。随着f1↑,T2↓,n↑,而p2近似为常数。因而该方法适合于带恒功率负载。
二、变频器基础知识
工业控制中,为实现变频调速控制,其关键控制部件为变频器。变频器是一种静止的频率变换器,是利用半导体器件的通断作用将固定频率(通常为工频50 Hz)的交流电(三相或单相)变换成频率连续可调的交流电的电能控制装置。
1.变频器的种类
变频器的种类很多,分类方法多种多样,主要有以下几种:
(1)按变换环节分类

1)交—交变频器
交—交变频器是把频率固定的交流电直接变换成频率和电压连续可调的交流电。其主要优点是没有中间环节,变换效率高,但连续可调频率范围较窄,通常为额定频率的1/2以下,主要适用于电力牵引等容量较大的低速拖动系统中。
2)交—直—交变频器
交—直—交型是将工频交流电源通过变频器的电源接线端输入到变频器,利用其内部的整流器把交流电转换为直流电,再经逆变电路输出频率、电压均可控制的交流电,又称为间接式变频器。由于把直流电逆变成交流电的环节较易控制,因此在频率的调节范围以及对改善变频后的电动机的特性等方面,都有明显的优势,是目前广泛采用的变频方式。
(2)按工作原理可分为V/ f控制变频器、转差率控制变频器和矢量控制变频器
1)V/ f控制变频器
为了实现变频调速,常规定通用变频器在变频时使用电压与频率的比值V/ f保持不变而得到所需的转矩特性,控制的基本特点是对变频器输出的电压和频率同时进行控制。因为在V/ f系统中,由于电机绕组及连线的电压降引起有效电压的衰落而使电机的扭矩不足,尤其在低速运行时更为明显。一般采用的方法是预估电压降并增加电压,以补偿低速时扭矩的不足。采用V/ f控制的变频器控制电路结构简单、成本低,大多用于对精度要求不高的通用变频器。
2)转差频率控制变频器
转差频率控制方式是对V/ f控制的一种改进,这种控制需要由安装在电动机上的速度传感器检测出电动机的转速,构成速度闭环,速度调节器的输出为转差频率,而变频器的输出频率则由电动机的实际转速与所需转差频率之和决定。由于通过控制转差频率来控制转矩和电流,与V/ f控制相比,转差频率控制变频器的加减速特性和限制过电流的能力均得到了提高。
3)矢量控制变频器
矢量控制是一种高性能异步电动机控制方式。它的基本控制方法是:将异步电动机的定子电流分为产生磁场的电流分量(励磁电流)和与其垂直的产生转矩的电流分量(转矩电流),并分别加以控制。由于在这种控制方式中必须同时控制异步电动机的定子电流的幅值和相位,即定子电流的矢量,因此,这种控制方式被称为矢量控制方式。
(3)按用途分类
按用途变频器分为通用变频器和高性能专用变频器。
1)通用变频器
通用变频器是指能与普通的笼型异步电动机配套使用,能适应各种不同性质的负载,并具有多种可供选择功能的变频器。
2)高性能专用变频器
高性能专用变频器主要应用于对电动机的控制要求较高的系统。与通用变频器相比,高性能专用变频器大多采用矢量控制方式,驱动对象通常是变频器生产厂家指定的专用电动机。

图6.4 变频器的构成
2.变频器的构成
交—直—交型变频器的构成如图6. 4所示,可分为主电路和控制电路两大部分。主电路包括整流电路和逆变电路两部分,整流电路是把交流电转换为直流电;逆变电路是把直流电再逆变成交流电。控制电路主要用来完成对主电路的控制。
三、三菱FR-S500系列变频器的使用
市场上的通用变频器产品很多,如西门子的MicroMaster4(MM4)系列、日立SJ100系列、三菱的FR-S500系列等。
三菱的FR-S500变频器是具有免测速机矢量控制的通用变频器,它可计算出所需的电流和频率的变化量以维持所期望的电机转速,而不受负载条件变化的影响,并可通过数字操作面板或通过远程操作器方式。
1.变频器操作面板说明及基本操作
图6. 5为FR-S500系列变频器操作面板的示意图并给出各键的功能。
FR-S500系列变频器的基本操作有:监视器、频率设定、参数设定、报警履历,如图6. 6所示。

图6.5 FR-S500系列变频器操作面板说明

图6.6 变频器的基本操作
2.三菱变频器基本功能参数说明
变频器参数的设置对于变频器的运行十分重要,参数的正确设置基于对参数的准确理解。FR-S500的基本参数如表6. 1所示。
下面对基本功能参数含义进行阐述说明。
(1)上限频率Pr. 1和下限频率Pr. 2
上限频率Pr. 1和下限频率Pr. 2用于确定变频器的运行范围。如要求某电机工作在10~50 Hz,则可设定为Pr. 1 =50,Pr. 2 =10,这样电机就不能再低于10 Hz运行。

图6.7 上限频率Pr. 1和下限频率Pr. 2

图6.8 加速时间Pr. 7和减速时间Pr. 8
表6.1 FR-S500变频器基本参数

(2)基波频率Pr. 3
基波频率Pr. 3是指电动机额定转矩时的基准频率。按照电动机的铭牌来设置,可在0~120 Hz范围内设定,一般国产标准电机的额定频率为50 Hz,故出厂设置为50 Hz,使用时多不需改变。
(3)加减速时间(Pr. 7、Pr. 8、Pr. 20)
加速时间Pr. 7是指从0 Hz开始上升到加减速基准频率Pr. 20所设定的频率时所需的加速时间;减速时间Pr. 8是指从加减速基准频率Pr. 20所设定的频率开始减速到0 Hz时所需的减速时间。
Pr. 20为加减速基准频率,出厂设定为50 Hz。
(4)电子过流保护Pr. 9
电子过流保护Pr. 9是为保护电动机不过热而设定的电流值。设定范围为0~50 A,设定值为0时保护功能无效,通常设定为电动机的额定电流值,对于0. 4K、0. 75K的电机设定为电动机的额定电流值的85%。
(5)扩展功能显示选择Pr. 30
当设定Pr. 30 =0时,仅显示基本功能参数;
当设定Pr. 30 =1时,显示全部参数。
(6)操作模式选择Pr. 79
变频器的操作模式可以用PU(旋钮 、
)操作,也可以用外部信号操作或组合使用。设定值可取0~4、7、8,在数控机床的调试和使用中多涉及的为:
当设定Pr. 79 =0时,用
键可以切换PU(旋钮 、
)操作或外部信号操作;
当设定Pr. 79 =1时,只能执行PU(旋钮 、
)操作;
当设定Pr. 79 =2时,只能执行外部信号操作;
Pr. 79出厂设定为0。
(7)转矩提升Pr. 0

图6.9 转矩提升Pr. 0
转矩提升的使用场合是当低速范围时,电动机输出转矩不足。图6. 9中直线1表示V/ f特性,横坐标为运行频率,纵坐标为对应的输出电压,100%表示变频器输出的最大电压,也就是电源电压。变频器的运行都有这样的特性,就是在改变其输出频率时也改变输出电压,从V/ f特性线上可看出运行频率越低,变频器输出的电压也越低,当运行频率达到50 Hz时,输出电压等于电源电压,而电机得到的输入电压越低,其输出转矩矩就越小,因此如果按照原有的V/ f特性运行,当频率很低时,
变频器输出电压也很低,电动机的输出转矩就很小,无法带动负载,为了满足电机在低频运行时也能带动负载的要求,把V/ f曲线的起点进行提高,称之为转矩提升。这样就保证了在很低的频率下运行时,变频器仍有一定的输出电压,从而使电机具有一定的输出转矩。
注意:转矩提升并非越大越好,因为设定值大时,电机的电流也较大,会使电机过热,同时变频器的输出电流较大,可能引起过电流断路。
◎任务实施
基本任务1 使用变频器操作面板改变变频器参数
1.设定运行频率(例如设定为30 Hz运行)
按照表6. 2中操作步骤进行:
表6.2 用操作面板设定运行频率操作步骤

续表

注:变更设定频率时,进行上述3、4操作。
2.把参数Pr. 30的设定值由“0”改变为“1”
按照表6. 3中操作步骤进行:
表6.3 把参数Pr. 30的设定值由“0”改变为“1”操作步骤

注:1.设定完成后,旋转设定旋钮
可读出其他参数,按1次
,再次显示设定值;按两次
,则显示下一个参数。
2.设定完成后,按1次
显示报警履历;按2次
,则变为频率设定画面。
基本任务2 用变频器操作面板实现电动机的启动、正反转控制
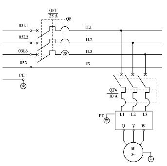
①按图6. 10所示完成系统硬件接线,检查电路正确无误后,合上主电源总开关QF1及变频器电源开关QF4。

图6.10 变频器控制电动机运行接线图
②按基本任务1中“设定运行频率”第1—4步骤内容设定变频器运行频率(如设定运行频率为30 Hz);设定完成后,按下
启动变频器控制电动机正转运行。
③按
键停止变频器。
④设定变频器扩展功能参数Pr. 17,进行电动机旋转方向选择/切换,操作步骤如表6. 4所示。
表6.4 电动机旋转方向选择/切换操作步骤

续表

注:Pr. 17为扩张功能参数,Pr. 30必须为“1”。
⑤按下
启动变频器控制电动机反转运行。
⑥选择不同的运行频率控制电动机的正、反转运行并用转速测试表对实际运行速度进行测定。
◎思考题
1.电动机正转运行控制,要求稳定运行频率为40 Hz,画出变频器外部接线图,并进行参数设置、操作调试。
2.对变频器的上、下限运行频率进行设定,将上限频率设定为40 Hz,将下限频率设定为10 Hz。
子任务2 模拟主轴驱动系统的实现
◎任务提出
由前已知,主轴驱动装置目前已几近全部采用交流伺服系统,根据主轴控制信号不同主轴驱动装置分为:模拟量控制的主轴驱动装置和串行数字控制的主轴驱动装置两大类。模拟量控制的主轴驱动方案采用变频器实现主轴电动机控制。

图6.11 FANUC 0i Mate MC数控系统的综合连接图
图6. 11所示为FANUC 0i Mate MC数控系统的综合连接图方案之一,在该系统中主轴驱动采用了模拟量控制的主轴驱动方案,如图中虚线部分所示。在此以在数控机床主轴控制中应用较多的三菱的FR-S500系列变频器为例学习掌握这一类主轴驱动装置的控制原理和实现方式。
◎任务目标
1.理解模拟主轴驱动装置的工作原理;
2.明确数控机床CNC系统与变频器之间的信号流程;
3.明确变频器和控制系统(CNC)的连接、变频器主电路的连接、控制信号的连接;
4.辨别硬件接口含义,达到正确接线。
◎相关知识
一、变频器主电路的连接
数控机床主轴电动机的功率一般较大,为了减少感性负载对电网功率因数的影响,在变频器电源进线电路上安装电抗器;由于变频器会对周围电气元器件产生较大的电磁干扰,在电源进线电路上安装滤波器,如图6. 12所示,主回路的输入端子用L1/ L2/ L3标志,输出端子用U/ V/ W标志,绝对不能接错,否则会导致变频器的烧毁。在电器元部件的安装上,CNC等控制板、编码器信号电缆等应远离变频器,变频器到主轴电机的电缆应与信号线电缆分开走线,且此电缆最好采用屏蔽电缆,并在电气柜中的长度尽可能短。为进一步减少干扰,提高数控机床控制系统的稳定性,可给变频器加装防护罩。

图6.12 变频器主电路连接示意图
二、CNC系统与变频器之间的信号流程
虽然通用变频器型号规格众多,但是命令信号来源大致相同,主要有以下几种:面板控制、旋转电位器控制、上位机指令控制。变频器在数控机床主轴驱动系统中的应用主要是最后一种控制方式。CNC系统与变频器之间的信号流程具体如下:
1. CNC到变频器的信号
①主轴正、反转信号。通过PLC程序处理,用于手动操作(JOG)和自动状态(M03、M04、M05)中,实现主轴的正转、反转及停止控制。
②系统故障输入信号。当系统出现故障时,通过系统PMC发出信号控制变频器停止输出,实现主轴自动停止控制。
③系统复位信号。通过系统PMC控制,进行变频器复位。如变频器受到干扰出现报警时,可以在不切断系统电源的情况下,直接使用系统MDI键盘的复位键,<RESET>进行复位。
④主轴电机速度模拟量信号。用来接收数控系统发出的主轴转速信号(模拟电压信号),实现主轴的速度控制。系统把程序中的S指令值与主轴倍率的乘积转换成相应的模拟电压(0~10 V)输送到变频器的模拟量电压频率给定端,从而实现主轴的速度控制。
2.变频器到CNC的信号
①变频器故障信号输入。当变频器出现任何故障时,数控系统应停止工作并发出相应的报警。主轴故障信号由变频器的输出端发出,通过PMC处理,向系统发出信号,使系统停止工作。
②主轴速度到达信号。系统通过PMC检测到频率到达信号后,切削进给才能开始,否则系统进给指令一直处于待机状态。
③主轴零速信号。当数控车床的卡盘采用液压控制(通过机床的脚踏开关)时,主轴零速信号用来实现主轴旋转与液压卡盘的连锁控制,只有主轴速度为0时,液压卡盘控制才有效;主轴转动时,液压卡盘控制无效。
注:选择电流输入时,应将信号AU设定为ON,AU信号用Pr. 60~Pr. 63(输入端子功能选择)设定,具体可查看FR-S500变频器使用手册。
三、FR-S500系列变频器外部端子说明
FR-S500系列变频器的外部端子有3种类型:双圆圈◎表示主回路端子,单圆圈○表示控制回路输入端子,黑点●表示控制回路输出端子。

图6.13 FR-S500系列变频器接线端子图
1.主回路端子
L1,L2,L3:为变频器外接三相电源输入端,U,V,W为变频器三相输出端,也就是接电动机,输入端与输出端分别用不同字母表示,接线时务必分辨清楚,切勿接反,否则会烧毁变频器。
P1和(+):在这两个端子之间接了一个短路片,在通常场合使用时,不可将短路片卸掉,卸掉直流母线就会断开,变频器不能工作;只有在需要接入提高功率因数用直流电抗器(FR-BEL选件)时,才将短路片卸掉,在这两个端子之间接上直流电抗器。
注意:使用直流电抗器时布线的距离应在5 m之内,同时所用电缆应与电源线一样或更粗些,因为P1和(+)是变频器的直流母线,有大电流通过,连接电抗器的导线中也是有大电流通过。
接地:变频器工作时,切记要将此端子接地。
2.控制回路信号输入端子
PC:连接变频器内部24 V电压的正端,24 V电压的负端为输入公共接点SD,如果用万用表去测量在PC和SD之间的电压为24 V,因此注意端子PC-SD间不可短路。
STF:正转启动STF信号为ON时为正转,OFF时为停止指令。
STR:正转启动STR信号为ON时为反转,OFF时为停止指令。
RH,RM,RL:为变频器高速、中速、低速运行的控制信号。
SD:输入公共端,即端子STF,STR,RL,RM,RH的公共端子。
端子2:频率设定(电压信号):输入DC0~5 V(0~10 V)时,输出成比例,输入5 V(10 V)时,输出为最高频率。多采用这种频率设定方式。
注:5 V/10 V切换用Pr. 730~5 V,0~10 V选择,见后面任务。
端子4:频率设定(电流信号):输入DC4~20 mA。出厂时设定为4 mA对应0 Hz,20 mA对应60 Hz,最大允许输入电流为30 mA,输入阻抗约250 Ω。
端子5:频率设定公共端。
3.控制回路输出端子
A,B,C:异常输出,变频器的保护功能动作,输出停止的输出端子。正常时B—C间导通(A—C间不导通);报警时B—C间不导通(A—C间导通)。因此如果在A处接一个指示灯,就可作为报警指示灯。
RUN:变频器运行状态输出,当变频器运行时,RUN有信号输出,采用集电极开路输出方式。
SE:为集电极开路输出的公共端。
也就是说输出端子RUN对应一个输出晶体管,晶体管的发射极接在SE端子,集电极从端子RUN输出。
AM:为变频器模拟信号输出,输出一个为0~5 V的电压信号,该电压信号随变频器输出频率的不同而不同,默认设置变频器输出频率为0 Hz时,AM输出电压为0 V,变频器输出频率为50 Hz时,AM输出电压为5 V,该端子输出的0~5 V电压与变频器的输出运行频率0~50 Hz成线性正比关系。
◎任务实施
基本任务 FANUC 0i Mate MC系统主轴驱动控制的实现
变频器采用三菱公司生产的FR-S500变频器。接线时需拆下前盖板和接线盖,如图6. 14所示。

图6.14 拆下变频器前盖板和接线盖
一、变频器主回路连接
FR-S500变频器电源及电机动力线接线端子排列如图6. 15所示,变频器电源接线位于变频器的左下侧,单相交流电AC220 V供电,接线端子L1,N及接地PE。

图6.15 变频器电源及电机动力线接线端子
变频器电机接线位于变频器的右下侧,接线端子U,V,W及接地PE引线接三相电动机。在我们FANUC 0i Mate MC系统中具体如何连接的呢?从FANUC 0i Mate MC系统电气原理图中可知,变频器电源的接通与切断最终是受交流接触器KM3的常开主触头控制的,因此将交流接触器KM3常开主触头下端出线6L3、6N分别与变频器电源进线端子L1,N1相连接,并将电源接地线PE与变频器的接地端PE可靠连接。
由变频器的电机接线端子U,V,W及接地PE引线接三相电动机(接线标号为U2,V2,W2及PE)。

图6.16 FANUC 0i Mate MC系统模拟主轴驱动连接
(取自FANUC 0i MC系统电气图8/18)
二、控制回路的连接
FANUC 0i Mate MC系统其控制信号是从FANUC 0i C系统的JA40接口输出模拟电压用于模拟主轴的控制,通过PLC实现主轴的正反转运行及速度控制。图6. 17和图6. 18分别为FANUC 0i C系统接口位置及功用图和变频器控制回路端子排列图。

图6.17 FANUC 0i C系统接口位置及功用图
前已述及,频率设定信号可采用直流电压信号或电流信号,在此采用DC0~5 V信号,由FANUC 0i Mate C系统的JA40接口连接电缆至变频器的频率信号给定端2和公共端5。

图6.18 变频器控制回路端子排列及接线
变频主轴的正、反转控制是通过PLC控制实现。变频器正、反转启动、停止信号STF和STR来自于PLC的输出继电器KA3,KA4(见图6. 19、图6. 16)。将KA3的一组常开触头的两端分别与变频器正转启动端子STF(接线标号为65)和公共端SD(接线标号为68)相连,将KA4的一组常开触头的两端分别与变频器反转启动端子STR(接线标号为66)和公共端SD(接线标号为68)相连。

图6.19 FANUC 0i Mate MC系统模拟主轴驱动连接(取自FANUC 0i MC系统电气图14/18)
◎思考题
1.采用变频器改造数控车床主轴驱动,CNC系统与变频器之间的信号有哪些?这些信号的作用是什么?
2.在采用变频器主轴驱动控制方案的FANUC 0i Mate MC系统中,如何实现主轴的转向和速度控制?
3.在采用变频器主轴驱动控制方案的FANUC 0i Mate MC系统中,当系统首次连接好后应对变频器的哪些参数进行设定?
子任务3 典型故障诊断处理
◎任务提出
在采用变频主轴驱动控制的数控机床中,有时会出现电机转速与指令不符、电动机不运转、电机转动不稳定、电动机过载、变频器过电流/过电压等故障。对于这些故障如何进行处理呢?
◎任务目标
1.了解变频器本身典型故障报警的含义及故障排查方向;
2.能够利用万用表对变频器主回路元件进行检测;
3.掌握变频主轴驱动控制中常见故障的成因及排除思路;
◎相关知识
一、变频器的基本组成及工作原理
变频器按其工作原理分为交—交型和交—直—交型。
交—交型是将工频交流电直接转换为频率、电压可控制的交流,又称为直接型变频器;交—直—交型是将工频交流电源通过变频器的电源接线端输入到变频器,利用其内部的整流器把交流电转换为直流电,再经逆变电路输出频率、电压均可控制的交流电,又称为间接式变频器。控制中多采用交—直—交型变频器。下面以交—直—交变频器为例,学习变频器的基本组成及主电路工作原理。
交—直—交型变频器的组成可分为主电路和控制电路两大部分。变频器主电路部分包含整流部分、中间部分和逆变部分,如图6. 20所示。

图6.20 变频器主电路控制原理图
1.整流部分
图6. 20中R,S,T为三相交流电的输入端,由VD1—VD6 6个二极管构成的整流桥将输入的交流电变为直流;RL为缓冲电阻,它由晶闸管或继电器SL的触点进行控制,当变频器刚刚接通电源运行时,通常晶闸管不导通或SL是断开的,这时缓冲电阻RL串联在电路中,起到一个限流作用,限制电流迅速增加,当变频器运行一段时间后晶闸管导通或SL接通,将缓冲电阻RL短接掉。
2.中间环节
CF1,CF2为滤波电容,经过整流后是一个脉动的直流,经过滤波电容滤波成为平滑的直流电,由于整流后加在母线上的直流电压比较高,一个滤波电容器的耐压不易达到要求,通常采用两个电容器串联来提高耐压,由于电容器制造参数不同,在两个电容器上的分压会不均匀,为此在每一个电容器上并联一个电阻R1和R2,称为分压电阻,选择R1和R2的阻值一致,这样就使得电容器CF1,CF2上的分压一致。
HL为变频器电源指示灯,整流电源接通后HL点亮,当R,S,T电源切断后,电源指示灯仍然会维持点亮一段时间,是因为电容会向指示灯放电,因此在维修变频器,特别是主电路接线时,在切断电源后一定要等到该电源指示灯熄灭再进行操作,否则很可能造成触电。
VB是一个大功率晶体管(IGBT),和制动电阻RB构成内部制动单元,制动单元的作用是防止电动机在减速或制动过程中变频器出现过电压。由于电动机是电感性负载,在减速或制动过程中会放电,通过续流二极管放到直流母线上,从而提升直流母线上的电压,当电压过高时会将逆变管或整流管击穿,为了避免这种情况发生,在变频器内设计了制动单元,当电动机减速或制动时将VB导通,将电动机放电产生的电流通过这一回路在放电电阻RB上消耗掉。如果电机功率比较大,电机经常处于正、反转和刹车的工作情况下,需要外加制动电阻,RB2为外加制动电阻,外加制动电阻一端接在变频器直流母线的正端(+),另一端PR连与制动晶体管,即与内部制动电阻RB并联,电阻并联阻值减小消耗放电更快。故(+)和RP端是由于接外加制动电阻的,如无外加制动电阻,就靠内部制动电阻来工作。
直流母线的正端(+)和P1之间通常用一短路片连接,将短路片去掉,直流母线就会断开,这时可在直流母线的正端(+)和P1之间接入一外加的直流电抗器来改善电路的功率因素,如不用外加的直流电抗器,直流母线的正端(+)和P1之间必须用短路片连接,短路片切不可拆除,否则直流母线就断开了。
滤波、电源指示和制动单元为主电路的中间环节。
3.逆变部分
V1,V3,V5,V2,V4,V6 6个大功率晶体管(IGBT)构成了逆变部分,变频器的控制电路就是控制V1,V3,V5和V2,V4,V6 6个大功率晶体管的导通和关断,从而将直流逆变成交流。
假设某一瞬间V1,V2,V6是导通的而其他是断开的,电流沿直流母线正端(+)经V1到达U,通过电动机内部绕组,一路经V,V6返回负端,另一路经W,V2返回负端,这样电动机内部绕组就有电产生磁场。

图6.21 变频器逆变原理示意图
下一时刻切换为V3,V2,V4是导通的而其他是断开的,这时电流沿直流母线正端(+)经V3到达V,通过电动机内部绕组,一路经U,V4返回负端,另一路经W,V2返回负端……将V1—V6 6个IGBT轮流切换,就使得通过电动机绕组的电流发生变化,只要按照一定的规律切换,加在电机绕组上的就是交流电,这就是逆变——将直流转换为交流。

图6.21 变频器逆变原理示意图(续)
为了对IGBT起保护作用,在每个IGBT上并联一个续流二极管和阻容吸收回路,电动机在刹车时其电感线圈会对外放电,如无续流二极管,就会将IGBT反向击穿,有了续流二极管放电电流就会经续流二极管加在直流母线上,直流母线通过制动单元将这一部分能量消耗掉。
二、三菱FR-S500系列变频器常见报警代码及维修处理
变频器面板上的指示灯和显示器,可以指示变频器的工作状态、故障代码和报警信息。当变频器检测出故障时,典型故障会在操作面板上以故障代码的形式予以显示,虽然不同品牌的变频器显示的故障代码各不相同,但就同一类故障而言,其故障成因大体相同,因此了解一种常用品牌变频器的常见故障报警及其可能的故障原因,对于处理变频器的一些典型故障具有借鉴作用。表6. 5给出了三菱FR-S500系列变频器常见报警代码、故障含义、可能故障成因和排查方法。
表6.5 三菱FR-S500系列变频器常见故障

续表

◎任务实施
基本任务1 变频器主回路元件检测
如果变频器出现故障,断电以后不能马上进行检修,因为电源开关刚断开时,变频器的电源输入线、直流回路端子和电机端子上仍然可能带有危险电压,因此,断开电源开关以后还必须等待5 min,保证电路放电完毕后,再进行操作。变频器主回路元件的检测主要是整流模块和逆变模块的检测,检测方法和步骤如下:
①拆下与外连接的电源线(R,S,T)及和电动机的连线(U,V,W);
②将万用表设置为1 Ω挡或二极管测量挡;
③在变频器的接线端子R,S,T,U,V,W和P1(+)和“-”之间交换万用表极性,测定它们的导通状态,便可判断是否良好。
注意:①测量时必须确认平波电容放电以后才能进行;②不导通时,通常显示为无穷大,但由于平波电容的影响会瞬间导通,导通瞬间可能不显示无穷大;导通时显示几十或几百Ω,其数值的大小取决于模块的种类和万用表的型号等,种类等不同显示的数值可能会有不同,但同类型号模块如所测量的数值几乎相同,即可确认此模块是没问题的。表6. 6给出了整流模块中二极管和逆变模块中IGBT正常状态下的测量值。如果不符合表中给出的状态,可判断该元件损坏。
表6.6 变频器整流二极管和逆变IGBT的检测

基本任务2 变频主轴驱动系统常见故障排除
1.电动机不运转
①检查变频器操作面板是否为故障显示(如OC1等),如有,依据相关知识中介绍的“三菱FR-S500系列变频器常见报警代码及维修处理”逐一进行排查。
②检查确认主轴电机三相动力线是否正确连接,无脱落,检查变频器输出端子是否提供电源,用万用表检测三相输出电源U,V,W是否正常;如三相输出电压正常,则为电机故障,否则从变频器及控制电路方面进行如下方面的检查。
③检查变频器P1和+之间的导体是否脱落。
④检查确认变频器得电(Y1. 7有输出→继电器KA2吸合→KM3吸合→变频器得电),检查变频器电源输入端子L1,N1输入电压是否正常。
⑤检查确认运转信号是否输入:观察检测中间继电器KA5、KA6的吸合情况。
⑥检查确认频率设定信号正常:检测变频器频率设定端子2,5之间的电压是否在0~5 V之间,如为“0”,检查电路连接,如排除线路连接故障,检查系统基本单元的模拟量主轴速度接口JA40到主轴变频器的指令输入端的信号是否正常。
⑦检查变频器参数设定:检查运行模式选择是否正常(Pr. 78应为0或者2);检查上限频率设定(Pr. 1)应是否为零;检查是否选择了反转限制(Pr. 78 =1),此时不可执行反转。
⑧检查负荷是否太重;是否实施机床锁住,即按下机床锁住按钮。
2.电动机运转方向与指令方向相反
①检查变频器输出端子与电动机的连线是否正确,查看电动机正反转的相序是否与U,V,W相对应。通常:正转(FWD)= U—V—W,反转(REV)= U—W—V。
②检查变频器控制端子STF和STR连线是否正确,STF用于正转控制,STR用于反转控制,查看变频器连接电路图中正、反转控制端子及相应继电器的线路连接是否一致。
3.电机转动不稳定
①检查输入电源是否有波动,如输入电源长期不稳定,可增加稳压电源。
②检查负载波动是否过大,在工艺许可的情况下减少负载波动,必要时可考虑增加变频器及电机容量。
③检查调速信号是否受干扰,如果频率设定信号输出线与变频器的主回路线相互靠近,运行中就会出现干扰,出现转速波动。整理控制线路走线,让控制线路与动力线严格分开,控制信号线一定要屏蔽良好,并将屏蔽层一端良好接地。
④如该现象只是出现在某一特定频率下,可稍稍改变输出频率,使用频率跳跃功能(Pr. 31、Pr. 32)将有此问题的频率跳过去。
◎思考题
1.如何判断变频器的自身故障?
2.如果主轴电动机转速达不到指令设定值,如何进行故障原因排查?
3.电机转速与指令不符,如何进行故障原因排查?
4.查阅相关资料,学习分析查找主轴振动和噪音异常的故障原因。
任务2 串行数字控制主轴驱动装置及常见故障诊断
子任务1 串行数字控制主轴驱动装置的连接
◎任务提出
前已述及,数控机床的主轴驱动装置根据主轴速度控制信号的不同分为模拟量控制的主轴驱动装置和串行数字控制的主轴驱动装置两大类。模拟量控制的主轴驱动装置采用变频器实现主轴电动机的控制;串行数字控制的主轴驱动系统采用数控生产厂家专用数字驱动装置驱动其专用的主轴电机来实现。各生产商的技术策略和实现方案各不相同。
图6. 22(a)及(b)分别为FANUC 0i MA数控系统和FANUC 0i Mate MC数控系统的综合连接图,在系统中主轴驱动采用了串行数字控制的主轴驱动方案,如图中虚线部分所示。在此以在数控机床主轴控制中应用较多的FANUC α系列和αi系列主轴模块为例,学习掌握这一类主轴驱动装置的控制原理和实现方式。


图6.22 FANUC 0i Mate MC数控系统主轴模块连接图
◎任务目标
1.理解串行数字主轴伺服系统的基本构成;
2.明确FANUC系统电源模块和串行数字主轴模块的组成、接口功能和连接要求;
3.能够正确实施系统的连接;
4.初步掌握串行数字主轴伺服系统参数设定与调整过程。
◎相关知识
一、FANUC系统电源模块
电源模块的功能是为主轴模块和伺服模块提供直流主回路电源(标准型为DC300V,高压型为DC600 V)、控制回路电源(DC24 V)及电源模块本身内部的直流电源;电动机再生能量通过电源模块反馈到电网,实现回馈制动。现在的电源模块已经将整流、逆变及保护电路集成一体,成为智能模块IPM。表6. 7为FANUC α系列和αi系列电源模块接口功能说明,将α系列和αi系列电源模块集于一表以便于对照。
表6.7 FANUC α系列和αi系列电源模块接口功能说明

续表

二、FANUC系统主轴模块
主轴模块的作用是实现主轴速度控制、主轴位置反馈及主轴控制功能的控制。按电压等级分为标准型(主电路输入电压为DC300V)和高压型(主电路输入电压为DC600V)。表6. 8 为FANUC α系列和αi系列主轴模块接口功能说明,将α系列和αi系列主轴模块集于一表以便于对照。
表6.8 FANUC α系列和αi系列主轴模块接口功能说明

续表

◎任务实施
基本任务1 串行数字控制主轴驱动装置的连接实施
实训设备:FANUC 0i MA数控系统、FANUC α系列电源模块、主轴模块及主轴电动机。
1.电源模块的连接
①CX1A为AC200V控制电源输入接口,是电源模块风扇电源,与机床控制变压器AC200V输出端连接;CX1B为AC200V输出接口,连接到主轴模块的CX1A。
②CX2A/ CX2B为电源模块DC24V输出接口,将CX2A与机床面板的I/ O卡的DC24V输入连接;将CX2B与主轴模块CX2A连接。
③将CX3与控制电源模块三相交流电源接通的主接触器MCC的线圈串联。
④CX4为机床*ESP急停信号接口,与机床操作面板急停开关常闭点相连接。
2.主轴模块的连接
①确认已将主轴模块的CX1A连接到电源模块的CX1B,由于系统只有1个主轴模块,所以主轴模块的CX1B不接。
②CX2A为DC24V输入接口,确认已将CX2A连接到电源模块的CX2B;CX2B为DC24V输出接口,将其连接到伺服模块的CX2A。
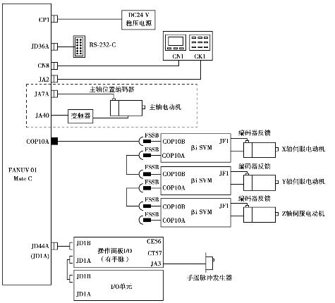
③JA7B为串行数字主轴信息接口,将其连接到系统单元的JA7A端子。
3.主轴电动机的连接
①将主轴电动机的动力线连接到主轴模块的输出端U,V,W上,连接时注意输出电源相序。
②将主轴电动机内装速度传感器信号和电动机绕组温度检测信号与主轴模块的JY2连接;主轴电动机风扇电源与机床伺服变压器输出端连接。
4.模块间信号的连接
将电源模块的JX1B与主轴模块的JX1A相连,然后将主轴模块的JX1B与第一个伺服模块的JX1A相连,再将第一个伺服模块的JX1B与下一伺服模块的JX1A相连,将最后一个伺服模块的JX1B用短接盒(5,6脚短接)将模块间的使能信号短接。

图6.23 FANUC系统α系列电源模块和主轴模块的实际连接
基本任务2 FANUC α/αi系列电源模块常见故障分析
电源模块启动过程首先是控制电路端输入交流电源200 V,如电源模块内部电路正常及后续模块正常,电源模块控制电路工作,此时接通电源模块的主电路,完成电源模块的启动。电源模块的故障主要表现为启动未就绪和电源模块报警。
1.电源模块不启动(状态窗口无显示)故障检测排查
首先检查排除机床外部控制电路故障,检查确认是否因机床外部控制电路故障导致没有提供电源模块控制电路的AC200V输入。
如确实无电源模块控制电路的AC200V输入,则检查机床强电控制回路,找出故障点,确保电源模块控制电路的AC200V输入正常。
如电源模块的AC200V输入正常,则是电源模块控制电路本身故障,即电源模块控制电路板上的开关稳压电源故障,需将电源模块送检。
2.电源模块启动不就绪故障检测排查
状态窗口有指示状态:α系列电源模块为“- -”,αi系列电源模块为“-”。
①检查电源模块是否有急停信号输入,检查急停信号输入接口CX4是否正常。
②检查电源模块内部就绪继电器MCC是否故障,必要时更换。
③检查是否后续模块异常,通过封锁伺服放大器或使能信号短接进行排除。
④如上述方法均不能奏效,需将电源模块送检。
3.电源模块报警代码及处理
针对电源模块的主要报警代码,表6. 9给出了对应的处理方法,可依此进行排查。
表6.9(a) α系列电源模块报警代码

表6.9(b) αi系列电源模块报警代码

◎思考题
1.模拟量控制主轴和串行数字控制主轴驱动装置控制原理有何不同?
2. FANUC串行数字控制主轴驱动系统中电源模块出现“02”(风扇)报警,应如何检查处理?
3. FANUC串行数字控制主轴驱动系统中主轴模块出现“01”(电动机过热)报警,应如何检查处理?
子任务2 串行数字控制的主轴系统参数设定及初始化操作
◎任务提出
虽然系统出厂时已把串行数字电动机的标准控制参数存储在系统中,通过主轴参数初始化操作即可选择与实际主轴电动机相对应的标准参数。但在主轴参数初始化时,还需进行系统相关功能参数的设定,因为主轴参数初始化就是将主轴的设定参数(数控系统厂家设定的初始值)按实际选用的FANUC标准主轴电机型号进行重新覆盖,还不是机床厂家主轴实际调整后的参数,还需按照机床的实际情况设定机床厂家的相关主轴参数。
那么与串行数字主轴相关的功能参数有哪些?主轴参数初始化的操作任何进行呢?
◎任务目标
1.理解主轴参数初始化的作用;
2.了解与串行主轴相关的功能参数及含义;
3.能够正确实施主轴参数初始化操作。
◎相关知识
一、串行主轴参数设定、调整和监控画面
1.主轴伺服画面显示参数
为了显示主轴伺服画面,需要将主轴伺服画面显示参数(SPS)设置为“1”,FANUC 16/ 16i/18/18i/21/21i/0i/0i Mate系统的参数为3111#1。
2.主轴画面显示操作
在FANUC 16/16i/18/18i/21/21i/0i/0i Mate系统,执行下面操作即可显示主轴伺服画面:

3.主轴伺服画面
主轴伺服画面包含主轴参数设定画面、主轴调整画面和主轴监控画面。通过系统软件选择相应的主轴伺服画面。[SP. SET]为主轴参数设定画面软键;[SP. TUN]为主轴调整画面软键;[SP. MON]为主轴监控画面软键。
(1)主轴参数设定画面
在主轴伺服画面中,按主轴参数设定软键[SP. SET],显示如图6. 24所示。
GEAR SELECT(齿轮选择):显示机床侧的主轴齿轮选择状态,有1,2,3,4挡显示(1为主轴第1挡,2为主轴第2挡,以此类推)。
SPINDLE(主轴):选择对应某一主轴的数据,S1为第1主轴放大器,S2为第2主轴放大器。
GEAR RATIO(齿轮比):与主轴齿轮挡位相对应的齿轮比参数(系数是0. 01)。

图6.24 主轴设定画面

图6.25 主轴调整画面
MAX SPINDLE SPEED:主轴最高转速。
MAX MOTOR SPEED:主轴电动机最高转速。
MAX C AXIS SPEED:主轴作为C轴控制时,C轴最高转速。
(2)主轴调整画面
在主轴伺服画面中,按主轴参数设定软键[SP. TUN],显示如图6. 25所示。
OPERATION(运行方式):主轴运行方式有速度控制方式、主轴定向方式、主轴同步方式、刚性攻螺纹方式、主轴恒线速度控制方式等。
PROP. GAIN:比例增益(一般是电动机的标准参数)。
INT. GAIN:积分增益(一般是电动机的标准参数)。
MOTOR VOLT:电动机电压(一般是电动机的标准参数)。
REGEN. PW:再生能量(一般是电动机的标准参数)。
MOTOR:主轴电动机速度显示。
SPINDLE:主轴速度显示。
(3)主轴监控画面
在主轴伺服画面中,按主轴参数设定软键[SP. MON],显示如图6. 26所示。

图6.26 主轴监控画面
ALARM:主轴报警。当主轴系统出现故障时,显示主轴放大器的报警号及报警内容。
LOAD METER:主轴负载表。显示主轴电动机瞬时电流是电动机额定电流的百分比。
CONTROL INPUT:显示主轴当前输入的控制信号,如SFR为主轴正转信号、SRV为主轴反转信号、*ESP为主轴急停信号、ORCM为主轴定向信号、TLML为转矩限制信号(低速)、ARST为报警复位信号等。
CONTROL OUTPUT:显示主轴当前输出的控制信号,如SST为主轴速度零速信号、SDT为主轴速度检测信号、SAR为主轴速度到达信号、ORAR为主轴定向结束信号、ALM为主轴报警信号等。
二、串行数字主轴相关功能参数
虽然系统出厂时已把串行数字电动机的标准控制参数存储在系统中,通过主轴参数初始化操作选择与实际主轴电动机相对应的标准参数,但在主轴参数初始化时,还需进行系统相关功能参数的设定,那么与串行数字主轴相关的功能参数有哪些?
1.串行数字主轴控制功能选择参数及串行主轴个数选择参数
FANUC 16/16i/18/18i/21/21i/0i/0i Mate系统串行主轴控制功能选择参数为3701#1,设定为“0”为串行数字控制主轴,“1”为模拟量控制串行主轴。
串行主轴个数选择参数为3701#4,“0”为1个串行主轴,“1”为2个串行主轴。
2.主轴位置编码器控制功能选用参数
FANUC 16/16i/18/18i/21/21i/0i/0i Mate系统主轴位置编码器控制功能选用参数4002#1,设置为“0”为不使用外接编码器作为主轴位置反馈,设置为“1”为使用外接编码器作为主轴位置反馈。
参数4002#0设置为“1”为使用电动机内装传感器作为主轴位置反馈。
3.主轴与位置编码器的传动比参数
FANUC 16/16i/18/18i/21/21i/0i/0i Mate系统主轴与位置编码器的传动比参数为3706#0、3706#1(二进制代码组合设定,分别为1∶1,1∶2,1∶4,1∶8),通常设定为“00”,即为1∶1。
4.主轴速度到达检测功能参数
FANUC 16/16i/18/18i/21/21i/0i/0i Mate系统主轴速度到达检测功能参数为3708#0,“0”为不检测主轴到达速度,设置为“1”为检测主轴到达速度。如果设定为“1”,系统PMC控制中还需编制程序实现切削进给的开始条件。
5.主轴齿轮挡位传动比参数
FANUC 16/16i/18/18i/21/21i/0i/0i Mate系统的主轴齿轮挡位传动比参数为4 056~4 059。
6.主轴齿轮挡位的最高速度参数
FANUC 16/16i/18/18i/21/21i/0i/0i Mate系统的主轴齿轮挡位最高速度参数为3 741~3 744。
7.主轴电动机最高转速设定参数
FANUC 16/16i/18/18i/21/21i/0i/0i Mate系统的主轴电动机最高转速设定参数为4 020。
◎任务实施
基本任务 主轴模块标准参数的初始化实施
主轴模块标准参数的初始化,就是将主轴的设定参数(数控系统厂家设定的初始值)按实际选用的FANUC标准主轴电机型号进行重新覆盖。按照下述步骤实施主轴模块标准参数的初始化:
①将系统设置急停状态,打开电源。
②将主轴电动机型号的代码(见表6. 10)设定在系统串行主轴电动机代码参数中,FANUC 16/16i/18/18i/21/21i/0i/0i Mate系统为4133。如果在参数手册上查不到,则输入最接近的电机代码。
表6.10 主轴电动机型号的代码

③将自动设定串行数字主轴标准值的参数(LDSP)置为“1”。16/16i/18/18i/21/21i/0i/ 0i Mate系统为PRM4019#7,即将参数PRM4019#7置为“1”。
④将系统断电再重新上电,主轴标准参数被写入。
⑤初始化后对照主轴电动机参数表对照一下,有不同的部分加以修改(没有出现的不用更改)。
⑥根据机床的具体要求,设定机床厂家主轴实际调整后相关参数,如相关的电机速度(3 741~3 744)等。
⑦在MDI状态时输入“M03 S100”检查电机运行情况。
注意:如在主轴初始化操作中不能完成主轴参数的自动设定或出现报警,在排除操作不当的情况下,其故障原因多为主轴模块控制电路不良,需要更换相应的故障板。
◎思考题
1.主轴参数初始化的含义是什么?如何进行主轴参数初始化操作?
2.与串行数字主轴相关的功能参数有哪些?
3. FANUC串行数字控制主轴驱动系统中主轴模块出现“主模块过电流”报警,造成此故障的可能因素有哪些?
子任务3 数控车床螺纹加工中常见故障处理
◎任务提出
螺纹加工是数控车床的重要加工功能之一,在螺纹加工中会出现下列常见的故障现象,诸如:不执行螺纹加工;螺纹加工出现“乱扣”现象;螺纹加工出现螺距不稳等故障现象。
因此,维修人员必须了解、掌握螺纹加工控制原理、常见故障的诊断方法及实际处理过程。
◎任务目标
1.明确螺纹加工控制原理;
2.了解主轴编码器的作用及功能连接;
3.能够排查螺纹加工中出现的常见故障。
◎相关知识
一、数控车床主轴位置编码器的功能
一般情况下主轴电动机与主轴并不是直连的,主轴电动机内装传感器的反馈信号并不是主轴速度的位置的直接反馈信号。为了实现主轴的速度和位置(主轴的转角)的精确控制,必须安装主轴独立位置编码器作为主轴的反馈信号。

图6.27 数控车床主轴编码器
1.实现主轴与进给轴的同步控制
数控车床车螺纹及数控铣床、加工中心攻螺纹时,为满足切削螺距的需要,要求主轴每转一周,刀具准确地移动一个螺距(或导程)。系统通过主轴编码器的位置反馈信号实现主轴旋转与进给轴的插补功能,完成主轴位置脉冲的计数与进给同步控制。
2.实现恒线速度切削控制
数控车床进行端面或锥面切削时,为了保证加工表面粗糙度保持一定的值,要求刀具与工件接触电的线速度为恒定值。随着刀具的横向进给和切削直径的逐渐减小或增大,应不断地提高或降低主轴转速,保持V =2πDn为常数。其中D为刀具位置反馈信号(工件的切削直径),V为加工程序中编制的恒线速度值,上述数据经协调软件处理后,传输到主轴放大器作为主轴速度控制信号,并通过主轴编码器的反馈信号准确实现主轴的速度控制。
3.实现主轴位置、速度和一转信号的控制
加工中心自动换刀时,为了使机械手对准刀柄实现准确换刀,主轴必须停在固定的径向位置。在固定切削循环中,如精镗加工,要求刀具必须停在某一径向位置才能退刀。以上功能都要求主轴能够准确地停在某一固定位置上,这就是主轴定向准停控制功能。现代数控机床的主轴定向准停功能是通过主轴上的编码器实现控制,此时主轴的控制为PMC控制。当系统接收到主轴位置编码器的一转信号后,主轴就按照PMC程序规定的方向、速度转过规定的角度准确停止。
主轴编码器发出的信号有PA和*PA、PB和*PB、PZ和*PZ,其中PA和*PA、PB和*PB实现主轴位置(反馈位置脉冲数)和速度(反馈位置脉冲的频率)控制,同时实现主轴方向的判别;PZ和*PZ信号实现主轴一转信号控制。
二、主轴位置编码器信号及连接
主轴位置编码器的信号接口及功能连接如图6. 28所示。当主轴采用变频器驱动时,主轴编码器连接到数控系统的JA7A(FANUC 0iA/0iB/0iC),如图6. 28(a)所示;当主轴采用FANUC主轴模块时,主轴编码器连接到主轴模块的JY4(采用α系列主轴模块)/ JYA3,采用ttαi系列主轴模块,如图6. 28(b)所示。

图6.28 主轴编码器信号接口和功能连接
◎任务实施
基本任务1 不执行螺纹加工的故障排查
故障现象:某配套FANUC 0iC系统的数控车床,在自动加工时不执行螺纹加工程序。
1.控制原理分析
数控车床螺纹加工的实质就是主轴旋转与Z轴进给之间的插补。执行螺纹加工指令时,当系统得到主轴位置检测装置发出的一转信号后开始进行螺纹加工,根据主轴的位置反馈脉冲进行Z轴的插补控制,即主轴转一周,Z轴进给一个螺距或导程(多头螺纹加工)。
2.故障成因分析
造成自动加工时不执行螺纹加工指令的可能故障原因有以下:
①主轴编码器与系统之间的连接不良。
②主轴编码器的位置信号PA和*PA、PB和*PB不良或连接电缆断开。
③主轴编码器的一转信号PZ和*PZ不良或连接电缆断开。
④系统或主轴放大器故障。
3.故障诊断处理
①对于可能的故障原因①,如系统采用的是FANUC主轴模块,系统会发出9027(AL-27)报警,检查连接电缆接口及电缆线的校线查出故障并进行修复。
②对于可能的故障原因②,查看系统显示装置上是否有主轴转速显示,如无主轴转速显示,则是该原因导致此故障。
③对于可能的故障原因③,可通过加工指令G99(每转进给)和G98(每分钟进给)切换来判别,如果G98进给切削正常而G99进给切削不正常,即为该原因所致。对于可能的故障原因③也可利用示波器检查PZ和*PZ信号,确认是否是因为主轴编码器一转信号输出故障造成。
④如果以上故障成因均已排除,则需检查系统或主轴放大器,需送售后服务进一步检测维修。
基本任务2 螺纹加工时出现“乱扣”、螺距不准现象的故障排查
1.控制原理分析
一般的螺纹加工需要经过几次切削才能完成,每次重复切削时,开始的进刀位置必须相同。为了保证重复切削不乱扣,数控系统在接收到主轴编码器的一转信号后才开始螺纹切削的计算。
2.故障成因分析及排查
当数控系统接收到的一转信号不稳时,就会出现“乱扣”、螺距不准等现象。
①检查主轴编码器是否存在连接不良,将两端连接头连接处插紧。
②检查是否存在主轴编码器的一转信号PZ和*PZ不良或连接电缆断开。
③排除主轴编码器信号线受到干扰,检查确认信号线屏蔽完好,确保两端的屏蔽街头可靠接地。
④检查主轴编码器内部太脏或编码器本身出现问题,必要时更换主轴编码器。
⑤从机械方面检查丝杠有无窜动,主轴跳动是否过大,机械传动是否稳定,负载是否松动,刀架定位是否准确。
⑥如果以上故障成因均已排除,还出现“乱扣”现象,则需检查系统或主轴放大器,需送售后服务进一步检测维修。
基本任务3 螺纹加工时,出现起始段螺纹“乱扣”的故障排查
故障现象:某配套FANUC系统的数控机床,主轴采用变频器驱动,在执行G92车削螺纹时,出现起始段螺纹“乱扣”的现象。
1.控制原理分析
同于基本任务1的控制原理分析,数控车床螺纹加工的实质就是主轴旋转与Z轴进给之间的插补。“乱扣”是由于主轴与Z轴的进给不能实现同步引起的。
螺纹加工时,出现起始段螺纹“乱扣”现象是由于该机床使用变频器作为主轴驱动装置,主轴速度为开环控制,在不同的负载下,主轴的启动时间不同,且启动时的主轴速度不稳,转速有相应变化,导致了主轴与Z轴的进给不能实现同步引起。
2.故障排除
分别采用下述两种方法解决上述故障:
①在主轴旋转指令(M03)之后,螺纹加工指令G92之前增加G04延时指令,以保证在主轴速度稳定后在开始进行螺纹切削加工。
②更改螺纹加工程序的起始点,使其离开工件一段距离,保证在主轴速度稳定后,再接触工件,开始进行螺纹切削加工。
◎思考题
1.主轴位置编码器的作用有哪些?主轴编码器发出的信号有哪些?
2.当主轴采用变频器驱动时其主轴编码器的连接与采用FANUC主轴模块时有何不同?
子任务4 数控机床主轴准停控制功能及故障处理
◎任务提出
主轴准停功能又称为主轴定向功能,即当主轴停止时,控制其停于固定位置。主轴准停功能的作用主要有:
1.自动换刀的数控铣镗类机床,为保证准确地自动换刀,主轴必须停止在某一固定的位置上,从而保证刀柄上的键槽必须与主轴的凸键对准,防止换刀时出现撞刀现象;
2.在精镗时为不使刀尖划伤已加工的表面,切削完毕后主轴定向停止,并在定向的反方向偏移一个微小量(一般取0. 5~1. 0 mm)后返回;
3.多功能数控车床在圆柱面或端面进行铣槽等特殊加工时,要求先进行主轴准停控制,然后主轴旋转与进给轴的插补控制,即C轴控制。
那么数控机床上主轴准停功能是如何实现的?主轴准停控制过程中又有哪些常见故障?这些常见故障该如何排除呢?
◎任务目标
1.理解主轴准停控制功能的含义和作用;2.了解主轴准停功能的实现方法;
3.能够进行常见故障的分析处理。
◎相关知识
一、主轴准停控制形式简介
当数控系统接收到准停命令M19或机床面板主轴准停信号(点动主轴准停开关),主轴按规定的速度(定向速度)旋转,当检测到主轴一转信号后,主轴旋转一个固定角度(可以通过参数修改)停止。
主轴准停机构有两种方式,即机械式与电气式。机械方式采用机械凸轮机构或光电盘方式进行粗定位,然后有一个液动或气动的定位销插入主轴上的销孔或销槽实现精确定位,完成换刀后定位销退出,主轴才开始旋转。采用这种传统方法定位,结构复杂,在早期数控机床上使用较多。而现代数控机床大多采用电气方式实现主轴的准停控制。
在FANUC数控系统中主要采用下述3种方式实现主轴准停控制,见图6. 29所示。

图6.29 主轴准停控制装置
1.通过主轴电机内装传感器实现主轴准停控制
利用主轴电动机内装传感器发出的主轴速度、主轴位置信号及主轴一转信号实现主轴准停控制,这种方式适用于主轴电动机与主轴直连或1∶1传动的场合。
2.主轴外接主轴独立编码器实现主轴准停控制
利用与主轴1∶1连接的主轴编码器发出的主轴速度、主轴位置信号及主轴一转信号实现主轴准停控制,这种方式适用于主轴电动机与主轴之间有机械齿轮传动的场合。
3.通过主轴电动机内装传感器和外接一转检测信号(接近开关)实现主轴准停控制
利用主轴电动机内装传感器的主轴速度、主轴位置信号及主轴外接—转信号开关(接近开关)发出的主轴一转信号实现主轴准停控制,这种方式适用于主轴电动机与主轴之间有机械齿轮传动的场合。
二、主轴准停控制功能的实现方法
下面以FANUC数控机床为例,介绍主轴准停控制的实现方法。
1.通过主轴电机内装传感器实现主轴准停控制
这种控制方式主轴电动机传感器为带有一转检测信号的传感器,即FANUC系统α系列主轴电动机MZ系列或αi系列主轴电动机MZi系列。

图6.30 主轴电动机内装传感器实现主轴准停控制
由CNC装置发出主轴准停信号,通过主轴放大器的JY2(α系列主轴模块)/ JYA2(αi系列主轴模块)进行主轴速度、位置及一转信号反馈。
这种准停控制方式下,相关的参数设置如表6. 11所示。
表6.11 主轴电机内装传感器实现主轴准停控制的系统参数设定

2.主轴外接主轴独立编码器实现主轴准停控制
这种控制方式主轴电动机的传感器为不带一转检测信号的传感器,即FANUC系统α系列主轴电动机M系列或αi系列主轴电动机Mi系列。
由CNC装置发出主轴准停信号,通过主轴放大器的JY2(α系列主轴模块)/ JYA2(αi系列主轴模块)进行主轴电动机闭环电流矢量控制,通过JY4(α系列主轴模块)/ JYA3(αi系列主轴模块)进行主轴位置及一转信号反馈。

图6.31 主轴外接主轴独立编码器实现主轴准停控制
这种准停控制方式下,相关的参数设置如表6. 12所示。
表6.12 主轴外接主轴独立编码器实现主轴准停控制的系统参数设定

3.通过主轴电动机内装传感器和外接一转检测信号(接近开关)实现主轴准停控制
这种控制方式主轴电动机的传感器为不带一转检测信号的传感器,即FANUC系统α系列主轴电动机M系列或αi系列主轴电动机Mi系列。

图6.32 主轴外接一转信号检测元件(接近开关)实现主轴准停控制
由CNC装置发出主轴准停信号,通过主轴放大器的JY2(α系列主轴模块)/ JYA2(αi系列主轴模块)进行主轴速度和位置控制,通过JY3(α系列主轴模块)/ JYA3(αi系列主轴模块)进行主轴一转信号反馈。
这种准停控制方式下,相关的参数设置如表6. 13所示。
表6.13 主轴外接一转信号检测开关实现主轴准停控制的系统参数设定

三、主轴准停功能的控制
1.主轴准停功能控制信号
FANUC 18/18i/21/21i/0i系统主轴定向准停控制信号为G70. 6,定向完成信号为F45. 7。
2.主轴准停的速度
FANUC 18/18i/21/21i/0i系统主轴定向准停速度系统参数为3732。
3.主轴准停的控制角度
FANUC 18/18i/21/21i/0i系统主轴定向准停控制角度系统参数为4077。
◎任务实施
基本任务 主轴定向准停过程中常见故障排除
一、主轴不能实现主轴定向准停控制的故障排查
故障现象:当执行主轴准停控制功能指令M19时,主轴静止不动或执行主轴准停指令时系统就发出主轴报警。
故障分析查找步骤:
①检查是否主轴准停控制参数设定与实际不符。
通过实际机床准停装置的控制情况,检查主轴准停控制装置与系统参数设定是否一致。各种控制形式下相关的参数设定祥见本节“相关知识”中的讲述。
②通过系统PMC控制程序检查主轴定向控制信号G70. 6是否满足。
如果主轴定向控制信号G70. 6不满足,依据PMC控制程序检查造成不满足的原因。
如主轴定向控制信号G70. 6已满足,故障原因可能是主轴准停装置故障,可用交换法进检查验证。
③如以上原因均可排除,检查故障原因是否是因主轴放大器控制电路板不良所致,最好用交换法进行进一步检查验证。
二、主轴慢转、“定向准停”不能完成的故障排查
故障现象:当执行主轴准停控制功能指令M19时,主轴以定向速度旋转一直到超时报警。
故障分析查找步骤:
①检查主轴准停控制装置与系统参数设定是否一致;各种控制形式下相关的参数设定祥见本节“相关知识”中的讲述。
②检查是否因主轴定向装置接线不良或一转信号不良所致。
仔细检查主轴定向装置的安装和接线,首先排除因连接不良造成此故障,然后用手缓慢转动主轴(速度一定要慢),用万用表测量一转信号是否正常。
③检查故障原因是否是因主轴放大器控制电路板不良所致。
三、主轴定向准停角度出现偏差的故障排查
故障现象:当执行主轴准停控制功能指令M19时,主轴能够实现定向准停控制,但准停的角度与规定的角度有偏差。
故障分析查找步骤:
检查确认主轴定向准停角度出现的偏差是固定的还是随机的。
如主轴定向准停角度出现的偏差是固定,故障原因是参数设定不当或被修改,重新设定主轴定向准停角度参数4077。
如主轴定向准停角度出现的偏差是随机的,则从以下几个部分进行检查查找:
①排除机械方面的原因,如用手旋转一下,主轴则会产生相反方向的位移,则为机械方面原因,如主轴与主轴齿轮、主轴电动机轴与电动机齿轮之间的键连接测间隙过大。
②主轴位置检测装置与机械连接不良或松动、移位。
③检查是否因主轴定向装置不良或一转信号不良所致。
④检查故障原因是否是因主轴放大器控制电路板不良所致。
当然,如上述原因均可排除,故障原因是否是控制系统故障所致,需进一步检查验证。
◎思考题
1.主轴定向的概念是什么?常用的方法和各自的实现策略是什么?
2.与主轴定向相关的控制参数有哪些,简述其含义。