项目1 数控机床电气控制原理图识读
知识目标
1.了解电气原理图中图形符号和文字符号的含义;
2.理解电气控制线路分析的主要内容、一般方法和步骤。
技能目标
1.熟知机床电气控制原理图绘制原则、各电气元件的作用、相互关系及标注方法;
2.正确识读数控机床电气控制原理图。
由前面的学习已知道,我们可以从不同的角度对数控机床的故障进行分类,其中一种比较实用的基本分类方法就是按故障发生性质进行分类,按故障发生性质数控机床的故障可以分成主机故障与电气故障两大类。
主机故障(也称机械故障)是指那些发生于机床本体部分的故障(通常简称发生部位是“机床侧”)。主机部分主要包括机械、润滑、冷却、排屑、液压、气动与防护装置系统等。
电气控制系统故障又可分为强电故障与弱电故障。数控机床的弱电部分主要包括CNC装置、伺服驱动单元、PLC及输入/输出等(其中CNC装置、伺服驱动单元等部分的内容在其他项目中学习和掌握);强电部分是指控制系统中的主回路、大功率回路中的继电器、接触器、开关、熔断器、电源变压器、电动机、电磁铁、行程开关等电器元件及所组成的控制电路。虽然与弱电部分相比强电部分的维修、诊断较为简单,但由于强电部分处于高压、大电流工作状态,且易受到磨损、污染、氧化与腐蚀、振动与碰撞等诸多不利因素的影响,另外操作人员的非正常操作、电气元件的寿命限制这一切都使得这部分电路发生故障的几率较高。因此有必要掌握强电部分的工作原理和控制策略。
任务1 掌握电气控制原理图基本识读方法
◎任务提出
电气原理图用于详细解读电气控制电路、设备或成套装置及其组成部分的构成及工作原理,表明电气控制系统中各电气元件的作用及相互关系,对电气控制系统的安装调试、运行维护、测试和查找故障提供信息。现代数控机床的电气图往往有几十页,甚至上百页,正确、熟练识读电气控制原理图是电气维修人员最基本的技能要求,也是采用原理分析法进行故障分析诊断的前提。
为了能够正确、熟练地识读电气原理图,我们需要:
1.了解常用低压电气元件的作用;
2.明确电气原理图中各图形符号和文字符号的含义;
3.熟知机床电气控制原理图绘制原则、各电气元件的作用、相互关系及标注方法;
4.在实践的基础上掌握正确的读图方法。
◎任务目标
1.了解电气控制图的种类及符号的意义;
2.掌握电气控制线路分析的主要内容;
3.掌握电气控制原理图的识图方法;
4.正确识读数控机床强电部分电气控制原理图。
◎相关知识
一、电气控制系统图的基本知识
电气控制系统图是指根据国家电气制图标准,用规定的电气符号、图线来表示系统中各电气设备、装置、元器件的连接关系的电气工程图。电气控制系统图包括电气原理图、电器元件布置图、电气安装接线图。
1.电气原理图
表示电流从电源到负载的传送情况和各电器元件的动作原理及相互关系,而不考虑各电器元件实际安装的位置和实际连线情况。电气原理图是依据国家标准规定的原则进行绘制的。
(1)文字符号和图形符号
①文字符号用来表示电气设备、装置、元器件的名称、功能、状态和特征的字符代码。例如,FR表示热继电器。
②图形符号用来表示一台设备或概念的图形、标记或字符。例如,“~”表示交流。
国家电气图用符号标准GB/ T 4728规定了电气简图中图形符号的画法,该标准及国家电气制图标准GB/ T 6988于1997年1月1日正式开始执行。
(2)绘制电气原理图应遵循的原则
①电气控制电路一般分为主电路、控制电路和辅助电路(如照明、保护电路),电气原理图按主电路、控制电路和辅助电路分开绘制,电气原理图可水平或垂直布置。水平布置时,电源线垂直绘制,其他部分水平绘制,控制电路中的耗能元件(如电器的线圈,电磁铁,信号灯等)绘在电路最右端;垂直布置时,电源线水平绘制,其他部分垂直绘制,控制电路中的耗能元件(如电器的线圈,电磁铁,信号灯等)绘在电路最下端。
②在电气原理图中,所有电器元件的图形、文字符号、接线端子标记必须采用国家规定的统一标准。
③采用电器元件展开图的画法。同一电器元件的各部分可以不画在一起,但需用同一文字符号标出。若有多个同一种类的电器元件,可在文字符号后加上数字序号,例如KM1、KM2。
④在原理图中,所有电器按自然状态画出。所有按钮、触点均按电器没有通电或没有外力操作,触点没有动作的原始状态画出;当图形垂直布置时,各元器件触点图形符号以“左开右闭”绘制。当图形为水平布置时以“上闭下开”绘制。
⑤在原理图中,有直接联系的交叉导线连接点,要用黑圆点表示。无直接联系的交叉导线连接点不画黑圆点。
⑥在原理图上将图分成若干个图区,并标明该区电路的用途和作用。在继电器、接触器线圈下方列出触点表,说明线圈和触点的从属关系。
(3)电气原理图图面区域的划分
在原理图上可将图划分成若干区域,以便阅读查找。在原理图的上方沿横坐标方向划分图区,以数字1,2,3,…表明,并用文字标明该图区的功能和作用,使读者能清楚地知道某个元件或某部分电路的功能,当然图区编号也可设置在图的下方。同时也可在图的左右两侧沿竖直方向划分区域,以字母A,B,C,D,…表明,以便于检索电气线路,方便阅读分析。
(4)电气原理图标号
以图1. 1为例说明。
1)主电路的标号
在机床电气控制电路的主电路中,标号由文字标号和数字标号构成。文字标号表明主回路中电器元件和电路的种类和特征,如三相电动机绕组用U,V,W表示。数字标号由3位数字构成,并遵循按回路标注的原则。

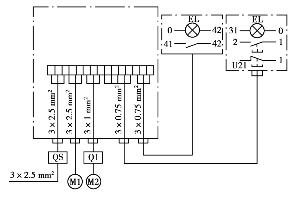
图1.1 某机床电气控制系统电气原理图
三相交流电源的引入线用L1,L2,L3标记,1,2,3分别代表三相电源的相别,中性线用N表示。经电源开关后标号变为U,V,W,这是因为电源开关前后属于不同的线段。
在有多台电动机的主电路中,各电动机支路中的接点标记采用在三相文字代号后加数字来表示,图中数字的十位是用来表示电动机的,个位数字表示该支路各接点的代号,如U12,V12,W12为电动机M1支路的第2个节点代号,U21,V21,W21为电动机M2支路的第1个节点代号,以此类推。
电动机主电路的标号可从电源至电动机绕组自上而下标注,以图1. 1中M1电动机主回路为例,从三相电源线U,V,W开始,经熔断器FU1后标号为U11,V11,W11,再经过交流接触器KM1后标号为U12,V12,W12与热继电器FR的上触头相连,由热继电器下触头与电动机绕组相连,M1电动机绕组的标号为U1,V1,W1。电动机M2主回路的标号可以次类推。在有些技术资料和图册中也有从电动机绕组开始自下而上标注的。
2)控制(辅助)电路的标号
采用1~3位阿拉伯数字,按“等电位”原则标注,控制(辅助)电路通常的标注方法是首先编好控制电路电源引线线号,通常在控制线的最左最上方标“1”,然后按照控制电路从上到下、从左到右的顺序,每经过一个触头线号依次递增,电位相等的导线线号相同,接地线为“0”号线,如图1. 1控制电路所示。
(5)符号位置的索引
线路中的接触器、继电器的线圈与其所控的触头的从属关系(即触头位置)应按下述方法标志:
在每个接触器线圈的文字符号KM下方画两条竖直线,分成左、中、右3栏,把受其控制的触头所处的图区号按表1. 1规定的内容填写,对备用的触头在相应的栏中用“X”标出。
表1.1 接触器触头位置索引

在每个继电器线圈的文字符号下方画一条竖直线,分成左、右两栏,把受其控制的触头所处的图区号按表1. 2规定的内容填写,对备用的触头在相应的栏中用“X”标出。
表1.2 继电器触头位置索引

2.电器元件布置图
电器元件布置图也叫位置图,详细绘制出电气设备、零件的安装位置。图中各电器代号应与有关电路和电器清单上所有元器件代号相同。
3.安装接线图
接线图表示各电器元件之间或成套装置之间的实际连接关系,用于安装接线、电路检查、电路维修和故障处理等。在实际中接线图通常与原理图和位置图一起使用。
二、电气识图方法与步骤
1.分析方法

图1.2 某机床控制柜电器元件布置图
分析电气原理图的基本方法为“先机后电、先主后辅、化整为零、集零为整、统观全局、总结特点”。即以某一电机或电器元件为对象,从电源开始,由上而下,自左至右,逐一分析其接通断开关系,根据图区坐标所标注的检索和控制流程的方法分析出各种控制条件与输出的结果之间的因果关系,弄清电路工作原理。
(1)先机后电
首先了解设备的基本结构、运动情况、工艺要求和操作方法。以期对设备有个总体了解,进而明确该设备对电力拖动自动控制的要求,为分析电路做好前期准备。
(2)先主后辅

图1.3 某机床电器安装接线图
先阅读主电路图,看有几台电动机,各电动机有何作用。结合加工工艺要求弄清各台电动机的启动、转向、调速、制动等各方面的控制要求及其保护环节。而主电路各控制要求是由控制电路来实现的。
(3)化整为零
在分析控制电路时,将控制电路按照功能划分成若干个局部控制回路,先从主电路的控制开始,经过逻辑分析,写出控制流程,用简单明了的方式表达出电路的自动工作过程。然后分析辅助电路。辅助电路包括照明电路、保护电路、检测电路等。这部分电路具有相对独立性,仅起辅助作用并不影响主要功能,但是它们又都是由控制电路中的元件来控制的,因此应结合控制电路一并分析。
(4)集零为整、统观全局
经过化整为零分析了每一局部电路工作原理之后,应进一步集零为整看全部,弄清各局部电路之间的控制关系、联锁关系,以及机、电、液之间的配合情况,各种保护的设置等。以便对整个电路有一个清晰的理解,并对电路如何实现工艺全过程有个明确的认识。
(5)总结特点
各种设备的电气控制虽然都是由各种基本控制环节组合而成。但其整机的电气控制都各有特点,这些特点也是各种设备电气控制的区别所在,应认真总结。通过总结各自的特点,也就加深了对电气控制的理解。
2.分析步骤
(1)分析主电路
根据每台电动机和执行电器的控制要求,分析各电动机和执行电器的控制内容。
(2)分析控制电路
根据主电路中各电动机和执行电器的控制要求,逐一找出电器中的控制环节,将控制电路化整为零,按照功能不同分成若干局部控制电路来进行分析。生产机械对于安全性、可靠性要求很高,为实现这些要求,除了合理选择拖动、控制方案外,在电路中还设置了一系列的电气保护和必要的电气联锁,对于这些部分也应进行透彻分析。
(3)分析辅助电路
辅助电路包括执行元件的工作状态指示、电源指示、参数测定、照明和故障报警等部分。辅助电路中很多部分是由控制电路中的控制元件来控制的,所以分析时还要对照控制电路来进行分析。
(4)总体检查
经过化整为零,逐步分析了每一局部电路的工作原理以及各部分之间的控制关系后,还必须用集零为整的方法,检查整个控制电路,看是否有遗漏。特别要从整个角度去进一步检查和理解各控制环节之间的关系。清楚地理解原理图中每个元器件的作用、工作过程及主要参数。
◎任务实施
基本任务:以我们已有的知识对图1. 1进行分析识读。
1.主电路分析
主电路共有两台电动机:M1为主电动机,M2为冷却泵电动机,用以输送切削液。合上电源开关QS时,接通三相电源。主电动机的运转和停止M1交流接触器KM1控制,交流接触器KM1还具有失压和欠压保护功能,热继电器FR作为过载保护,熔断器FU1作为短路保护;冷却泵电动机的启停由1交流接触器KM2控制;两台电动机均设有接地安全保护(PE)。
2.控制电路分析
控制电路的电源由控制变压器TC二次侧输出的110 V AC电压经熔断器FU5后提供。
(1)主电机M1的控制
正常情况下按下启动按钮SB2(5区5—7),交流接触器KM1线圈得电,KM1常开辅助触头(6区5—7)闭合自锁,KM1常开主触头(2区)闭合,主电动机启动运转;按下停车按钮SB1,接触器KM1线圈失电,其主触头复位分断,主电动机M1失电停转。
(2)冷却泵电动机M2的控制
操作手动旋钮开关SA1(7区)至接通状态,交流接触器KM2线圈得电,其主触头(3区)闭合,冷却泵电动机启动运转输送冷却液;将旋钮开关SA1至断开状态,交流接触器KM2线圈失电,其主触头复位分断,冷却泵电动机失电停转。
(3)照明电路分析
以控制变压器TC二次侧输出的36 V安全电压作为机床照明灯的电源,照明灯的打开与熄灭由开关SA2(8区101—13)控制,由熔断器FU3作为短路保护。
◎思考题
1.电气原理图的绘制原则有哪些?
2.化整为零的分析方法是什么意思?
任务2 FANUC 0i Mate TC系统强电部分电气原理图分析
◎任务提出
虽然与弱电部分相比数控机床的强电控制部分的故障诊断较为简单,但由于强电部分处于高压、大电流工作状态,且易受到磨损、污染、氧化与腐蚀、振动与碰撞等诸多不利因素的影响,加之电气元件的寿命限制,这一切都使得这部分电路发生故障的几率较高。
强电控制部分故障将直接导致系统的停机甚至毁坏。由于数控机床采用的数控系统、伺服系统种类较多,不同机床、不同数控系统、不同伺服系统对控制的要求也不尽相同,因此,维修人员应具体了解数控机床强电控制部分的工作原理和控制策略,做到心中有数。
◎任务目标
1.了解FANUC 0i Mate TC系统电源的实际配置情况;
2.正确识读FANUC 0i Mate TC强电部分电气原理图,明确各器件之间的连接及控制原理。
◎相关知识
一、强电部分常用电气控制元件认知
电气控制柜中常用电气元件及其功能如表1. 3所示。
表1.3 电气控制柜内常见元件及功能

续表

二、FANUC 0i Mate TC系统动力电源及控制电源部分说明
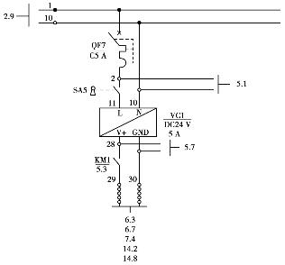
FANUC 0i Mate TC系统电源经接线端子0L1,0L2,0L3,0N,0PE接入,经过电源切断开关(SA0)后接入漏电保护开关QF0,再接入各电源回路,在漏电保护开关QF0之后有7个小型断路器QF1—QF7、5个交流接触器KM1—KM5、1个DC24 V/5 A开关电源、1个1 000 VA伺服变压器、1个400 VA控制变压器。
1.伺服系统的供电
经电源总开关QF1后,三相380 V电源(1L1,1L2,1L3)经空气开关QF2到伺服变压器TC1变为三相AC200 V为伺服系统提供动力电源。
两相380 V电源(1L1,1L2)经空气开关QF5到控制变压器TC2变为两相AC220 V(1,10)控制电源,为DC24 V开关电源提供电源。
当伺服系统的MCC准备好后,相应接触器线圈得电吸合,伺服驱动器得以同时上电启动,并为伺服电动机提供动力电源。

图1.4 伺服系统电源(源自FANUC 0i Mate TC电气原理图2/18)
2.主轴变频器的供电
经电源总开关QF1后,AC220 V(1L3,1N)经自动空气开关QF6后由交流接触器KM3实现逻辑控制给变频器提供电源。

图1.5 主轴变频器的供电(源自FANUC 0i Mate TC电气原理图9/18)
3. DC24 V开关电源的供电
经电源总开关QF1后,两相380 V电源(1L1,1L2)经空气开关QF5到控制变压器TC2变为两相AC220 V(1,10)控制电源,AC220 V(1,10)控制电源经自动空气开关QF7、钥匙开关SA5(11,10)后给开关电源供电,开关电源输出DC24 V由接触器为数控系统、伺服系统、输入/输出信号提供DC24 V电源。

图1.6 DC24 V开关电源(源自FANUC 0i Mate TC电气原理图4/18)
◎任务实施
基本任务:FANUC 0i Mate TC系统强电部分电气原理图分析
1.数控系统的启动与停止(NC ON/ OFF)
(1)数控系统的启动
如图1. 7所示,按下数控系统的启动按钮SB4,中间继电器KA1得电,使得其一组常开触头吸合实现自锁,另一组常开触头吸合交流接触器KM1得电,使得开关电源输出的DV24 V经由其输出端(29,30,见图1. 6)供至数控系统,数控系统上电,如图1. 8中虚线部分所示。
(2)强电回路的接通
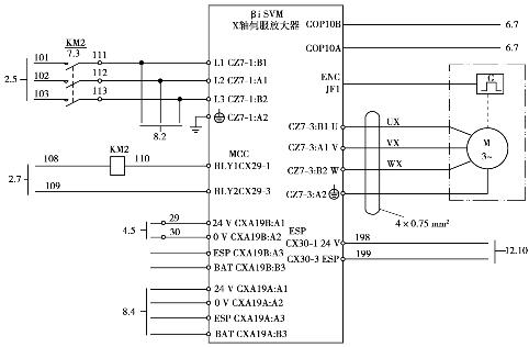
待数控系统启动完成后,输出一个信号至X轴驱动器的MCC,使得交流接触器KM2吸合,所有驱动器同时上电启动,如图1. 9及图1. 10所示。
与此同时,数控系统I/ O输出端的Y1. 7输出一个信号,如图1. 11所示,继电器KA2得电吸合,使控制变频器电源接通的接触器KM3得电吸合,从而完成变频器上电,实现整个强电电路的接通,数控机床得以启动。
(3)系统的停止
按下停止按钮SB1,中间继电器KA1线圈失电,交流接触器KM1失电,KM1常开触头的断开使得数控系统断电,驱动器断电。而数控系统的断电使所有输出信号消失,继电器KA2失电断开,使控制变频器电源接通的交流接触器KM3失电,变频器供电停止,数控机床停止工作。

图1.7 数控系统的启动(源自FANUC 0i Mate TC电气原理图5/18)

图1.8 数控系统的启动(源自FANUC 0i Mate TC电气原理图6/18)
2.主轴电机的正反转控制
当按机床控制面板上的主轴正转按钮或执行M03指令时,I/ O端Y1. 0输出一个信号,控制继电器KA5得电吸合,从而接通变频器正转指令,实现主轴正转,当按机床控制面板上的主轴反转按钮或执行M04指令时,I/ O端Y1. 1输出一个信号,控制继电器KA6得电吸合,从而接通变频器反转指令,实现主轴反转,如图1. 11所示。

图1.9 伺服放大器供电(源自FANUC 0i Mate TC电气原理图7/18)

图1.10 伺服放大器供电(源自FANUC 0i Mate TC电气原理图8/18)

图1.11 主轴变频器通电及主轴、刀架正/反转控制
(源自FANUC 0i Mate TC电气原理图14/18)
3.刀架换位与锁紧
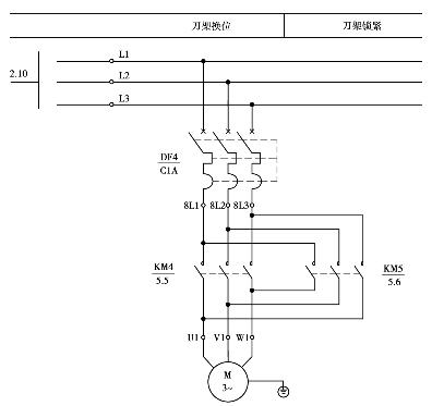
刀架换刀时,I/ O端Y1. 2输出一个信号,控制刀架正转的继电器KA3得电吸合(见图1. 11),从而使接触器KM3得电吸合,控制刀架电机正转,刀架换位;当系统检测到刀架到位,I/ O端Y1. 3输出一个信号,控制刀架反转的继电器KA4得电吸合(见图1. 11),从而使接触器KM4得电吸合,控制刀架电机反转,刀架锁紧。在刀架换位与锁紧过程中通过接触器KM3和KM4的常闭触头形成互锁,以确保刀架正确进行换位与锁紧,如图1. 7、图1. 12所示。
拓展任务 FANUC 0i Mate TC系统强电部分的检测及功能确认
(1)FANUC 0i Mate TC系统强电部分通电前的检查
关断电源切断开关SA0、漏电保护开关QF0,用试电笔确认电源总开关QF1进线端03L1、03L2、03L3无电,依据附录中数控机床电路图,用万用表检测图中强电部分电气元器件的完好,操作步骤如下:
①低压断路器QF的检查:将低压断路器QF进行通断,检测QF前后电路的通断以及三相相间电阻。
②交流接触器KM的检测:手动控制KM的通断,检测QF前后电路的通断、三相相间电阻以及线圈短阻。
③中间继电器的检测:检测继电器底座上(1—9)、(1—15)、(4—12)、(4—8)4组触头之间的通断,以及线圈的电阻(13—14端)。
④控制变压器绝缘检测:拆去变压器上原、次边全部引线,用500 V绝缘摇表以120 r/ min的转速摇测高压线圈对地(外壳)、低压线圈对地和高、低压线圈之间的绝缘电阻值,应不低于500 Ω;如用万用表测量,把万用表电阻挡调到最大挡,所测的高压线圈对地(外壳)、低压线圈对地以及初—次级之间电阻应该显示为无穷大。

图1.12 刀架换位与锁紧(源自FANUC 0i Mate TC电气原理图3/18)
(2)FANUC 0i Mate TC系统强电部分通电检测及功能确认
①先将电源切断开关SA0和漏电保护开关QF0合上,交流380 V电源接入,合上电源总开关QF1,检测并确认QF1出线端1L1,1L2,1L3三相间380 V电压无误。
②合上低压断路器QF2及QF5,检测伺服变压器TC1次边输出电压三相AC200 V无误,检测控制变压器TC2次边输出电压两相AC220 V无误。
③合上低压断路器QF7,接通钥匙开关SA5(11,10)给开关电源VC1通电,检测开关电源VC1进线端(L,N)电压为AC220 V,输出端(V +,GND)电压为DV24 V。
④合上低压断路器QF3,QF6,按下NC启动按钮,继电器KA1得电吸合,交流接触器KM1随即得电,观察KA1和KM1吸合情况,这时数控系统、伺服系统上电。
⑤数控系统、伺服系统上电,约30S系统自检完成,此时KM2吸合,伺服系统强电,同时变频器电源接通。检测确认各伺服放大器输入端子L1,L2,L3间输入电压为AC200 V,变频器强电输入端子L1,N1间输入电压为AC220 V。
(3)先按下停止按钮SB1,停止数控系统的工作。
(4)重新关断电源切断开关SA0、漏电保护开关QF0及包含电源总开关QF1在内的全部7个低压断路器QF1—QF7,再次执行上面步骤2的全过程,注意观察各继电器、接触器的吸合情况及先后顺序。
◎思考题
1.如何用万用表测量低压断路器QF、交流接触器KM、中间继电器KA及控制变压器的好坏?
2.用电阻测量法检查故障时,应注意什么?
3.对照电气控制原理图,思考电气控制柜内交流接触器触头及控制线圈的连接。
4.结合附录中数控机床原理图,详细分析体会机床上电顺序。