1
液压与气压传动
1.14.7 习 题 10

习 题 10

10-1 油水分离器的作用是什么?为什么它能将油和水分开?

10-2 油雾器的作用是什么?试简述其工作原理。

10-3 简述常见气缸的类型、功能和用途。

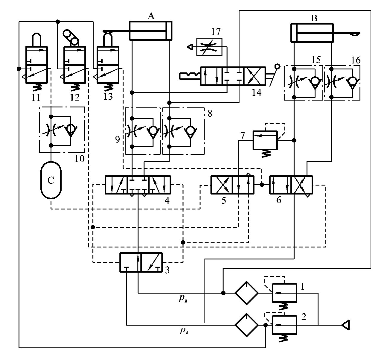
img629

图10-65 气动计量系统回路

1、2—减压阀;3—高、低压切换阀;4—主控换向阀;5、6—气控换向阀;7—顺序阀;

8、9、10、15、16—单向节流阀;11、12、13—行程阀;14—手动换向阀;

17—排气节流阀;A—计量缸;B—止动缸;C—气容

10-4 简述冲击气缸是如何工作的。

10-5 选择气缸应注意哪些要素?

10-6 气动方向控制阀有哪些类型?各自具有什么功能?

10-7 减压阀是如何实现减压调压的?

10-8 常用气动逻辑元件有哪些?各自具有什么功能?

10-9 简述常见气动压力控制回路及其用途。

10-10 试说明排气节流阀的工作原理、主要特点及用途。

10-11 画出采用气液阻尼缸的速度控制回路原理图,并说明该回路的特点。