10.5 气动基本回路
气压传动系统和液压传动系统一样,同样是由不同功能的基本回路所组成的。熟悉常用的气动基本回路是分析和设计气压传动系统的基础,本节主要讲述气动基本回路的工作原理和特点。
10.5.1 换向控制回路
1.单作用气缸换向回路
图10-43(a)所示为常用的二位三通阀控制换向回路,当电磁铁通电时靠气压使活塞杆伸出,断电时靠弹簧作用使活塞杆缩回。
图10-43(b)所示为三位五通阀控制换向回路。该阀具有自动对中功能,可使气缸停在任意位置,但定位精度不高、定位时间不长。

图10-43 单作用气缸换向回路
2.双作用气缸换向回路
图10-44所示为二位五通阀控制换向回路。换向阀处在右位时气缸活塞杆伸出,处在左位时气缸活塞杆缩回。图10-45所示为三位五通阀控制换向回路。该回路有中停功能,但定位精度不高。

图10-44 二位五通阀控制换向回路

图10-45 三位五通阀控制换向回路
10.5.2 压力控制回路
1.气源压力控制回路
图10-46所示的气源压力控制回路用于控制气源系统中气罐的压力,使之不超过调定的压力值和不低于调定的最低压力值。常用外控溢流阀或电接点压力表来控制空气压缩机的转、停,使储气罐内压力保持在规定的范围内。采用溢流阀结构简单、工作可靠,但气量浪费大;采用电接点压力表对电机及控制要求较高,常用于对小型空压机的控制。

图10-46 气源压力控制回路
2.工作压力控制回路
为使气动系统得到稳定的工作压力,可采用如图10-47(a)所示的基本回路。从压缩空气站来的压缩空气,经分水滤气器、减压阀、油雾器供给气动设备使用。调节溢流式减压阀能得到气动设备所需要的工作压力。
如回路中需要多种不同的工作压力,可采用图10-47(b)所示的回路。

图10-47 工作压力控制回路
1—分水滤气器;2—减压阀;3—压力表;4—油雾器
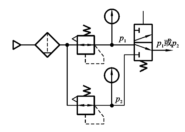
3.高、低压转换回路
在气动系统中有时需要实现高、低压切换,可采用如图10-48所示的利用换向阀和减压阀实现高、低压转换输出的回路。
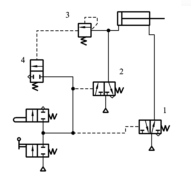
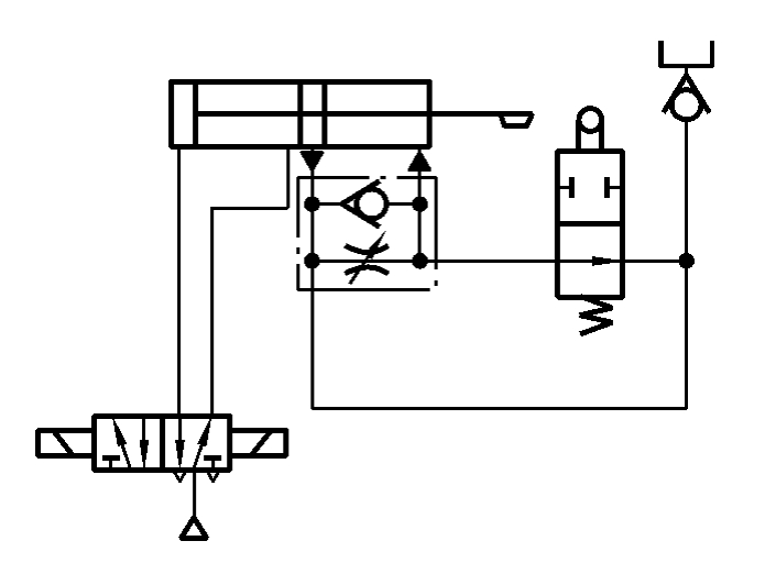
4.过载保护回路
图10-49所示为过载保护回路。当活塞右行遇到障碍或其他原因使气缸过载时,左腔压力升高,当超过预定值时,打开顺序阀3,使换向阀4换向,气控阀1、2同时复位,气缸返回,从而保护设备安全。
5.增压回路
一般气动系统的工作压力比较低,但在有些场合,由于气缸尺寸的限制得不到应有的输出力,或者局部需要使用高压的场合,可使用增压回路。图10-50所示为采用增压缸的增压回路。
10.5.3 速度控制回路
因气动系统使用的功率不大,其调速的方法主要是节流调速。

图10-48 高、低压转换回路

图10-49 过载保护回路
1、2—气控阀;3—顺序阀;4—换向阀

图10-50 增压回路
1.单作用气缸调速回路
图10-51所示为单作用气缸调速回路。在图10-51(a)中,由两个单向阀分别控制活塞杆的升降速度。在图10-51(b)中,气缸上升时可调速,气缸下降时通过快速排气阀排气,使气缸快速返回。

图10-51 单作用气缸调速回路
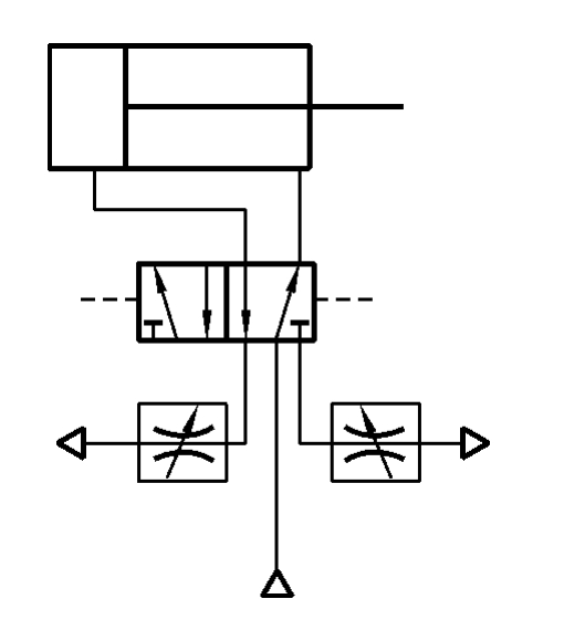
2.排气节流阀调速回路
图10-52所示为通过两个排气节流阀来控制气缸伸缩速度,形成一种双作用气缸速度控制的回路。该回路可实现双向节流调速。

图10-52 排气节流阀调速回路

图10-53 速度换接回路
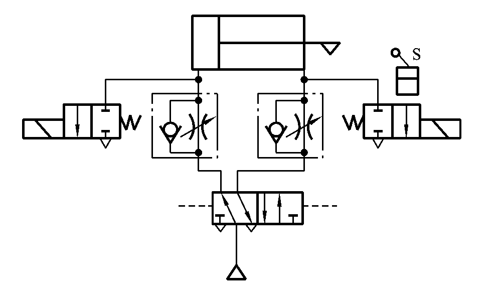
3.速度换接回路
图10-53所示回路是利用两个二位二通阀与单向节流阀并联,当挡块压下行程开关时发出电信号,使二位二通阀换向,改变排气通路,从而使气缸速度改变。
4.缓冲回路
由于气动执行元件动作速度较快,当活塞惯性力大时,可采用如图10-54所示的缓冲回路。当活塞向右运动时,缸右腔的气体经二位二通阀排气,直到活塞运动接近末端,压下机动换向阀时,气体经节流阀排气,活塞低速运动到终点。

图10-54 缓冲回路

图10-55 气液缸调速回路
5.气液联动速度控制回路
由于气体的可压缩性,气缸的运动速度不稳定,定位精度也不高。因此,在气动调速及定位精度不能满足要求的情况下,可采用气液联动速度控制回路。
图10-55所示回路通过两个单向节流阀,利用液压油不可压缩的特点,实现两个方向的无级调速。
图10-56所示为通过用行程阀变速调节的回路。当活塞杆右行到挡块碰到机动换向阀后开始做慢速运动,改变挡块的安装位置即可改变开始变速的位置。
10.5.4 其他基本回路
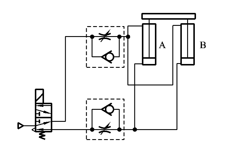
1.同步控制回路
图10-57所示为简单的同步控制回路,采用刚性零件把A、B两个气缸的活塞杆连接起来。

图10-56 气液缸变速回路

图10-57 同步控制回路
2.位置控制回路
图10-58所示为采用串联气缸的位置控制回路,气缸由多个气缸串联而成。当换向阀1通电时,右侧的气缸就推动中侧及右侧的活塞右行到达左气缸行程的终点。图10-59所示为三位五通阀控制的能在任意位置停止的回路。

图10-58 串联气缸的位置控制回路
1、2、3—换向阀

图10-59 气控阀在任意位置停止的回路
3.顺序动作回路
气动顺序动作回路是指在气动回路中,各个气缸按一定程序完成各自的动作。单气缸有单往复动作、二次往复动作、连续往复动作;双气缸及多气缸有单往复顺序动作和多往复顺序动作。
4.计数回路
计数回路可以组成二进制计数器。如图10-60(a)所示的回路中,按下手动换向阀1,则气信号经阀2至阀4的左位或右位控制端使气缸推出或退回。设按下阀1时,气信号经阀2至阀4的左端使阀4换至左位,同时使阀5切断气路,此时气缸向外伸出;当阀1复位后,原通入阀4左控制端的气信号经阀1排空,阀5复位,于是气缸无杆腔的气经阀5至阀2左端,使阀2换至左位等待阀1的下一次信号输入。当阀1第二次按下后,气信号经阀2的左位至阀4的右控制端使阀4换至右位,气缸退回,同时阀3将气路切断。待阀1复位后,阀4右控制端信号经阀2、阀1排空,阀3复位并将气导至阀2左端使其换至右位,又等待阀1的下一次信号输入。因此,第1、3、5……次(奇数)按阀1,则气缸伸出;第2、4、6……次(偶数)按阀1,则气缸退回。

图10-60 计数回路
图10-60(b)所示回路的计数原理与图10-60(a)类似。不同的是按阀1的时间不能太长,只要使阀4切换就要放开,否则气信号将经阀5或阀3通至阀2左或右控制端,使阀2换位,气缸反行,使气缸来回振荡。
5.延时回路
图10-61所示为延时回路。图10-61(a)所示为延时输出回路,当控制信号切换阀4后,压缩空气经阀3向气容2充气。当充气压力经延时升高至使阀1换位时,阀1才有输出。在图10-61(b)中,按下阀8,则气缸在伸出行程压下阀5后,压缩空气经节流阀3到气容6延时后才将阀7切换,气缸退回。

图10-61 延时回路
1、4—气控换向阀;2、6—气容;3—单向节流阀;5—行程阀;7—换向阀;8—手动换向阀