9.7 液压系统的设计计算举例
某厂气缸加工自动线上要求设计一台卧式单面多轴钻孔组合机床,机床有主轴16根,钻14个φ13.9mm的孔,2个φ8.5mm的孔,要求的工作循环是:快速接近工件,然后以工作速度钻孔,加工完毕后快速退回原始位置,最后自动停止;工件材料:铸铁,硬度为240HBW;机床工作部件总质量为G=9 800N;快进、快退速度为v1=v3=5.4m/min;动力滑台采用平导轨,静、动摩擦因素分别为fs=0.2、fd=0.1;往复运动加速、减速时间不希望超过0.16s;快进行程l1=100mm;工进行程l2=50mm;液压系统中的执行元件使用液压缸。试设计计算其液压系统。
一、负载分析
1.切削阻力
钻铸铁孔时,其轴向切削阻力可用以下公式计算

式中:D——钻头直径,单位为mm;
f——每转进给量,单位为mm/r;
HBW——工件材料硬度。
钻孔时的主轴转速n和每转进给量f按《组合机床设计手册》选取:钻φ13.9mm的孔时,主轴转速n1=360r/min,每转进给量f1=0.147mm/r;钻φ8.5mm的孔时,主轴转速n2=550r/min,每转进给量f2=0.096mm/r。
代入式(9-4)得
Ft=(14×25.5×13.9×0.1470.8×2400.6+2×25.5×8.5×0.0960.8×2400.6)N
=30 468N 2.摩擦阻力静摩擦阻力为
Fs=fsG=(0.2×9 800)N=1 960N
动摩擦阻力为
Fd=fdG=(0.1×9 800)N=980N
3.惯性阻力
惯性阻力为

由此得出液压缸在各个工作阶段的负载如表9-5所示。
表9-5 液压缸在各工作阶段的负载值

注:①液压缸的机械效率取ηm=0.9;
②不考虑动力滑台上颠覆力矩的作用。
二、负载图和速度图的绘制
负载图根据表9-5给出的数值绘制,如图9-3(a)所示。速度图根据已知数值v1=v3=5.4m/min、l1=100mm、l2=50mm、快退行程l3=l1+l2=150mm和工进速度v2等绘制,如图9-3(b)所示,其中v2由主轴转速及每转进给量求出,即v2=n1f1=n2f2≈53mm/min。
三、液压缸主要参数的确定
由表9-2和表9-3可知,组合机床液压系统在最大负载约为35 000N时宜取p1=4MPa。
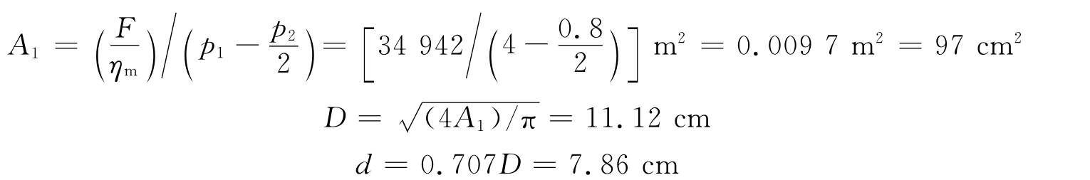
鉴于动力滑台要求快进、快退速度相等,这里液压缸选用单杆式的,并在快进时作差动连接。此时液压缸无杆腔工作面积A1应为有杆腔工作面积A2的两倍,即活塞杆直径d与缸筒直径D的关系为d=0.707D。

图9-3 组合机床液压缸的负载图和速度图
在钻孔加工时,液压缸回油路上必须具有背压p2,以防孔被钻通时滑台突然前冲。根据《液压工程手册》给出的推荐数值,可取p2=0.8MPa。快进时液压缸虽作差动连接,但由于油管中有压降Δp存在,有杆腔的压力必须大于无杆腔的压力,估算时可取Δp≈0.5 MPa。快退时回油腔中是有背压的,这时p2也可按0.6MPa估算。
由工进时的推力计算液压缸面积
F/ηm=A1p1-A2p2=A1p1-(A2/2)p2
故有

当按GB/T 2348—1993将这些直径圆整成标准值时得:D=11cm,d=8cm。由此求得液压缸两腔的实际有效面积为
A1=πD2/4=95.03cm2
A=π(D2-d2)/4=44.77cm2
经检验,活塞杆的强度和稳定性均符合要求。
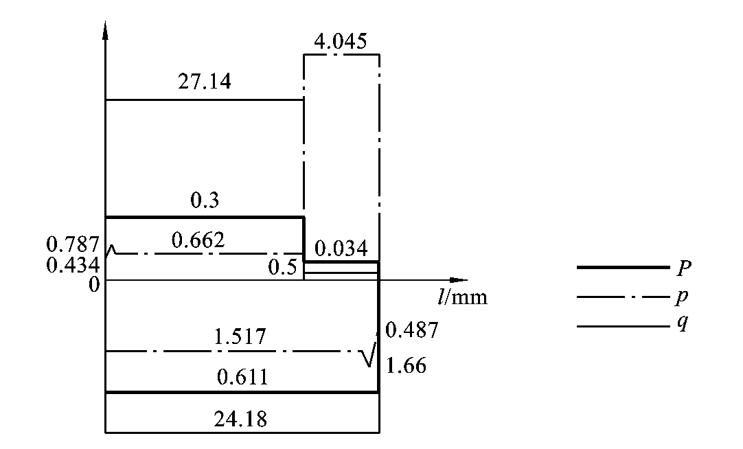
根据上述D与d的值,可估算液压缸在各个工作阶段中的压力、流量和功率,如表9-6所示,并据此绘出工况图,如图9-4所示。
表9-6 液压缸在不同阶段的压力、流量和功率值

续表


图9-4 组合机床液压缸工况图
四、液压系统图的拟定
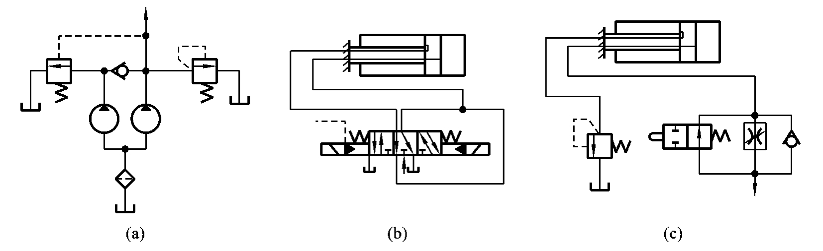
1.液压回路的选择
首先选择调速回路。由图9-4中的一些曲线得知,这台机床液压系统的功率小,滑台运动速度低,工作负载变化小,可采用进口节流的调速形式。为了解决进口节流调速回路在孔钻通过时的滑台突然前冲现象,回油路上要设置背压阀。
由于液压系统选用了节流调速的方式,系统中油液的循环必然是开式的。
分析工况图可知,在这个液压系统的工作循环内,液压缸交替地要求油源提供低压大流量和高压小流量的油液。最大流量与最小流量之比约为5.4,而快进快退所需的时间t1和工进所需的时间t2分别为

亦即是t2/t1≈21。因此,从提高系统效率、节省能源的角度上来看,采用单个定量泵作为油源显然是不合适的,宜选用大、小两个液压泵自动并联供油的油源方案,如图9-5(a)所示。
其次是选择快速运动和换向回路。系统中采用节流调速回路后,不管采用什么油源形式都必须有单独的油路直接通向液压缸两腔,以实现快速运动。在本系统中,单杆液压缸要作差动连接,所以它的快进和快退换向回路应采用图9-5(b)所示的形式。

图9-5 液压回路的选择
再次是选择速度换接回路。由工况图(见图9-4)中的q-l曲线得知,当滑台从快进转为工进时,输入液压缸的流量由27.14L/min降为0.5L/min,滑台的速度变化较大,宜选用行程阀来控制速度的换接,以减少液压冲击(见图9-5(c))。当滑台由工进转为快退时,回路中通过的流量很大——进油路中为24.18L/min,回路中为24.18×(95.03/44.77)L/min=51.26L/min。为了保证换向平稳,可采用电液换向阀式换接回路(见图9-5(b))。
由于这一回路要实现液压缸的差动连接,因此换向阀必须是五通的。
最后再考虑压力控制回路。系统的调压问题已在油源中解决(见图9-5(a))。卸荷问题如采用中位机能为Y型的三位换向阀来实现(见图9-5(b)),就不须再设置专用的元件或油路。
2.拟定液压系统图
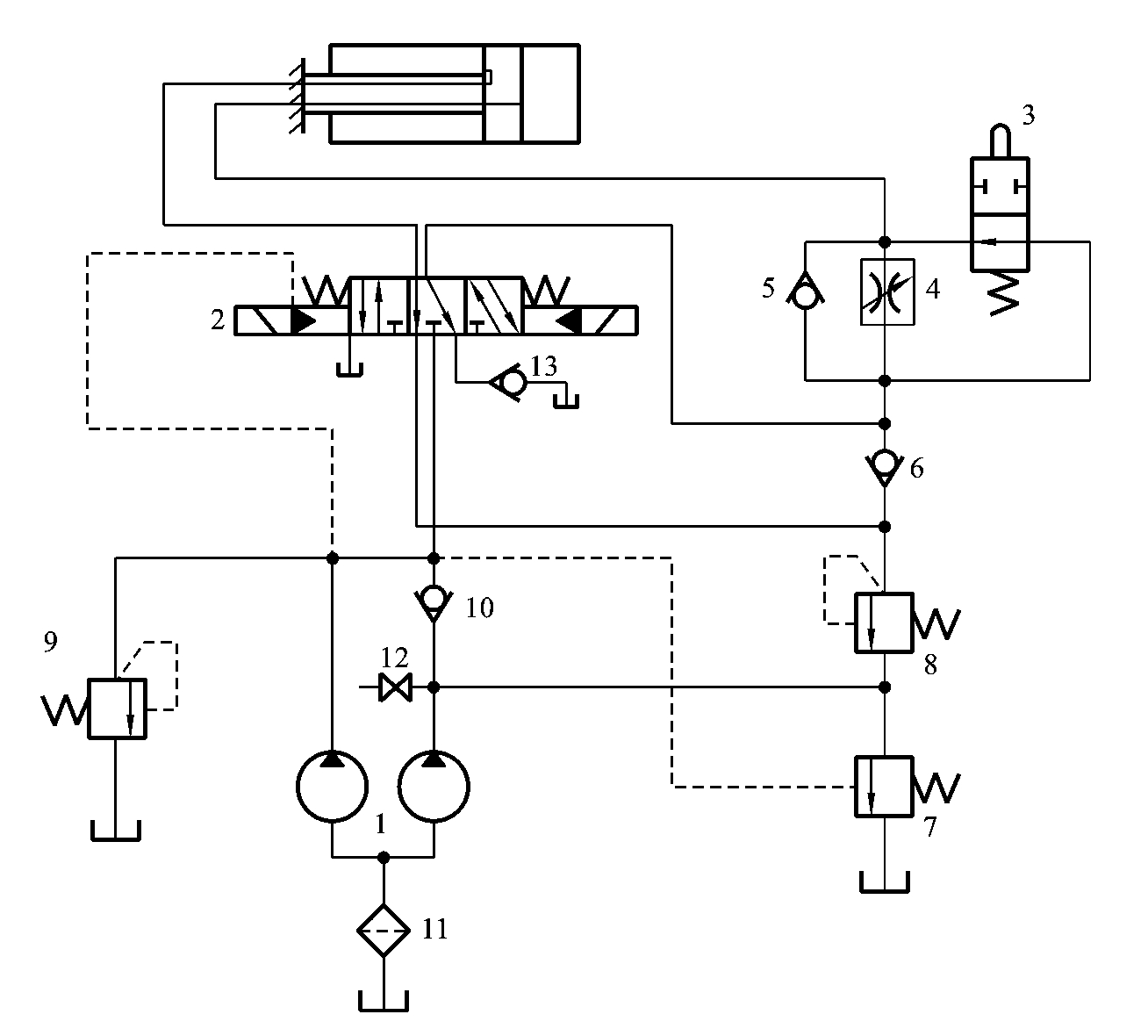
综合上述分析和所拟订的方案,将各种回路合理地组合成为该机床液压系统原理图,如图9-6所示。
五、液压元件的选择
1.液压泵
液压缸在整个工作循环中的最大工作压力为4.054MPa,如取进油路上的压力损失为0.8MPa(见表9-4),压力继电器调整压力高出系统最大工作压力之值为0.5MPa,则小流量泵的最大工作压力应为
pp1=(4.054+0.8+0.5)MPa=5.354MPa
大流量泵是在快速运动时才向液压缸输油的,由图9-4可知,快退时液压缸中的工作压力比快进时大,如取进油路上的压力损失为0.5MPa,则大流量泵的最高工作压力为
pp2=(1.517+0.5)MPa=2.017MPa
两个液压泵应向液压缸提供的最大流量为27.14L/min(见图9-4),若回路中的泄漏按液压缸输入流量的10%估计,则两个泵的总流量应为qp=1.1×27.14L/min=29.85L/min。
由于溢流阀的最小稳定流量为3L/min,而工进时输入液压缸的流量为0.5L/min,由小流量液压泵单独供油,所以小液压泵的流量规格最少应为3.5L/min。

图9-6 液压系统图
1—双联叶片泵;2—三位五通电液阀;3—行程阀;4—调速阀;5、6、10、13—单向阀;
7—顺序阀;8—背压阀;9—溢流阀;11—滤油器;12—压力表开关
根据以上压力和流量的数值查阅产品样本,最后确定选取YYB-AA36/6型双联叶片泵。
由图9-4可知,最大功率出现在快退工况,取泵的总效率ηp=0.7,则液压泵驱动电机所需的功率为

根据此数值查阅电机产品目录,选取与上述功率和泵的转速相适应的电动机。
2.阀类元件及辅助元件
根据液压系统的工作压力和通过各个阀类元件和辅助元件的实际流量,可选出这些元件的型号及规格,表9-7列出了所选出的一种方案。
表9-7 元件的型号及规格

续表

3.油管和油箱
管道尺寸见第6章,详细计算从略。
油箱容量可按经验公式估算,取V=(5~7)q。V=6q=[6×(6+36)]L=252L。
有关系统的性能验算从略。