8.5 车床液压系统
8.5.1 车床液压系统概述
C7620型卡盘多刀半自动车床是应用于加工盘套类零件的高效率机床。主传动采用双速电动机,结构简单。卡盘的夹紧和松开、前后刀架的纵向与横向进给由液压系统驱动,前后刀架的进给分别用调速阀调节进给速度和进给量,分别实现快进→工进→快退循环。机床由电气及液压联合控制,并用插孔板调整程序,实现加工过程自动循环。该机床液压系统装置采用单独油箱和组合控制板(集成块),用双联叶片泵供油,油箱容积为153L。
8.5.2 C7620型卡盘多刀半自动车床工作原理
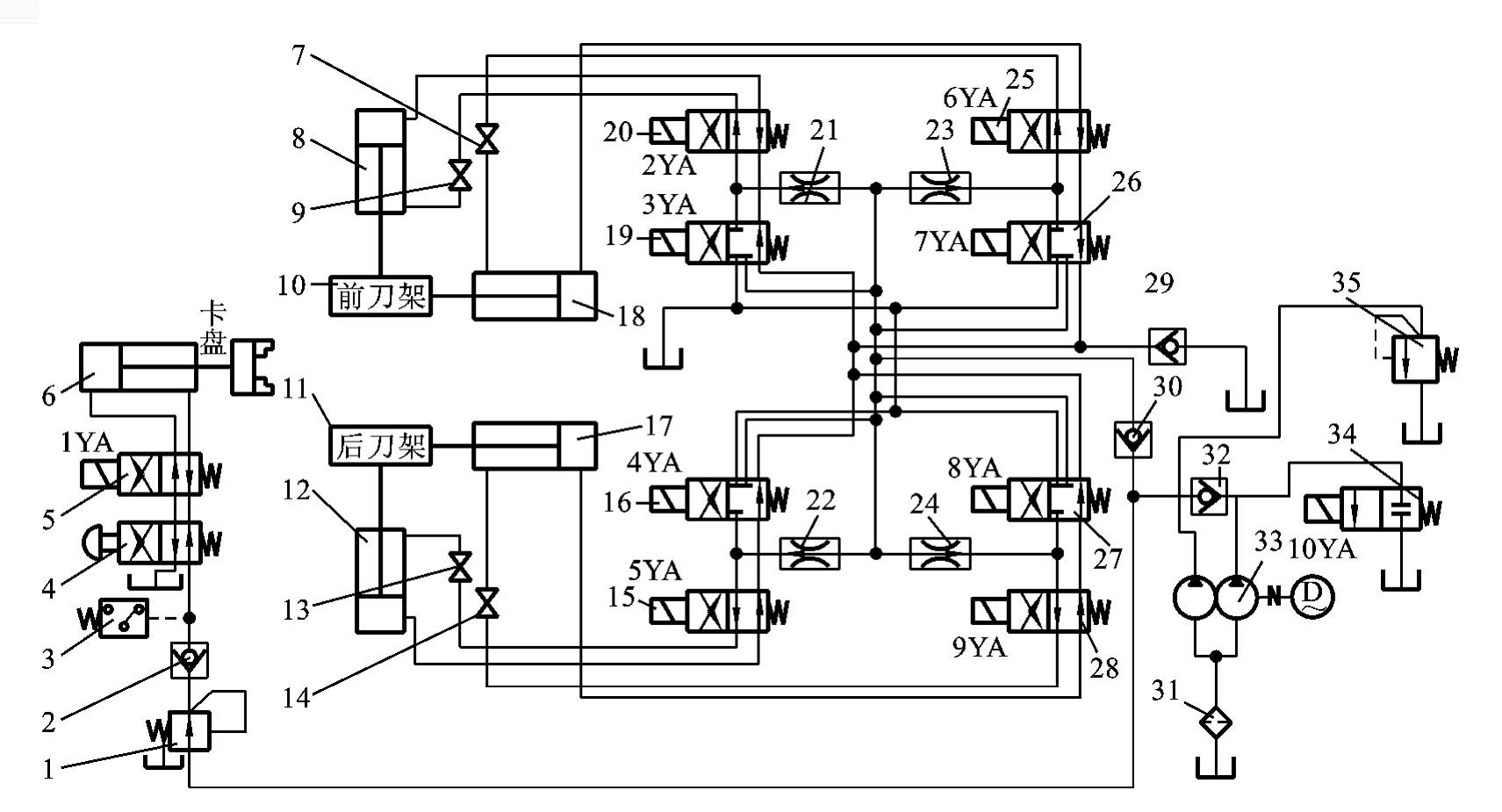
图8-10所示为该车床具体的液压系统原理图。系统工作的具体情况如下。
1.卡盘夹紧和松开
卡盘夹紧和松开是车床加工工件前和完成加工后必须做的工作,在加紧过程中,保证工件不松开是首要的问题,它由液控单向阀2来保证。这时油路的流动情况具体如下。
进油路:过滤器31→双联叶片泵33→减压阀1→液控单向阀2→手动换向阀4→电磁换向阀5→卡盘油缸6的右腔或左腔,实现卡盘的夹紧或松开。
回油路:卡盘油缸6的右腔或左腔→电磁换向阀5→手动换向阀4→油箱。
如手动换向阀4和电磁换向阀5都在左位工作或手动换向阀4和电磁换向阀5都在右位工作时,卡盘松开;手动换向阀4和电磁换向阀5一个在左位一个在右位工作时,卡盘夹紧。当工件被夹紧后,系统压力升高,升高到压力继电器3发出信号,使主电路工作,启动机床开始工作,否则机床不能启动。
2.前、后刀架纵、横向进给
前、后刀架各带有纵向和横向进给油缸,它们的油路完全相同,各油缸采用进口节流调速,可使刀架实现工作行程和快速行程自动循环,主要用于切削外圆、内孔、端面、倒角和沟槽等。

图8-10 C7620型卡盘多刀半自动车床液压系统原理
1—减压阀;2、29、30、32—液控单向阀;3—压力继电器;4—手动换向阀;5—电磁换向阀;
6—卡盘油缸;7、9、13、14—截止阀;8、12、17、18—液压缸;10—前刀架;11—后刀架;
15、20、25、28—二位四通电磁换向阀;16、19、26、27—二位五通电磁换向阀;
21、22、23、24—调速阀;31—过滤器;33—双联叶片泵;34—二位二通电磁换向阀;35—溢流阀
1)前刀架纵向快速进给
进油路:过滤器31→双联叶片泵33→液控单向阀30→二位五通电磁换向阀19(左位)→二位四通电磁换向阀20(左位或右位)→液压缸8(上腔或下腔),驱动前刀架实现纵向快速行程,此时双联叶片泵全部向系统供油。
进油路:液压缸8(上腔或下腔)→二位四通电磁换向阀20(左位或右位)→二位五通电磁换向阀19(左位)→油箱。
2)前刀架纵向工作进给
前刀架纵向工作进给是当二位五通电磁换向阀19处于左位情况下进行的,这时系统压力较高,使10YA通电,大泵通过二位二通电磁阀34卸荷,只有小泵供油,油路的流动情况具体如下。
进油路:过滤器31→双联叶片泵33(小泵)→液控单向阀30→调速阀21→二位四通电磁换向阀20(左位或右位)→液压缸8(上腔或下腔),驱动前刀架实现工作行程。
进油路:液压缸8(上腔或下腔)→二位四通电磁换向阀20(左位或右位)→二位五通电磁换向阀19(左位)→液控单向阀29→油箱。
3)前刀架横向快速进给
进油路:过滤器31→双联叶片泵33→液控单向阀30→二位五通电磁换向阀26(左位)→二位四通电磁换向阀25(左位或右位)→液压缸18(左腔或右腔),驱动前刀架实现横向快速行程,此时双联泵全部向系统供油。
进油路:液压缸18(左腔或右腔)→二位四通电磁换向阀25(左位或右位)→二位五通电磁换向阀26(左位)→油箱。
4)前刀架横向工作进给
前刀架纵向工作进给是当二位五通电磁换向阀26处于左位情况下进行的,这时系统压力较高,使10YA通电,大泵通过二位二通电磁阀34卸荷,只有小泵供油,油路的流动情况具体如下。
进油路:过滤器31→双联叶片泵33(小泵)→液控单向阀30→调速阀23→二位四通电磁换向阀25(左位或右位)→液压缸18(左腔或右腔),驱动前刀架实现横向工作行程。
进油路:液压缸18(左腔或右腔)→二位四通电磁换向阀25(左位或右位)→二位五通电磁换向阀26(左位)→液控单向阀29→油箱。
后刀架纵、横向情况的分析方法完全相同,这里不再一一叙述。
8.5.3 C7620型卡盘多刀半自动车床的主要性能特点
从图8-10可以看出,该液压系统由用调速阀的节流调速、减压、换向、双泵供油的快速运动、低压卸荷等液压基本回路组成,其性能特点如下。
(1)采用双联叶片泵向系统提供压力油,双联叶片泵分别为6L/min的油泵和25L/min的油泵。驱动刀架实现快速进给时双泵全部向系统供油;而工作进给时,仅有小流量油泵向系统供油,大流量油泵则经二位二通电磁换向阀进行卸荷。系统能量利用比较合理。
(2)卡盘夹紧时为了获得稳定的低压,采用了用减压阀的减压回路,并用液控单向阀2保证当电源断电或机床发生故障时,卡盘仍能夹紧工件,防止工件松开发生事故。
(3)系统工进时采用了调速阀的进口节流调速,用液控单向阀29作为工进回油背压力,使油缸工作平稳。
(4)系统在双泵供油出口处安装了单向阀液控30,保证系统在不供油时,前、后刀架进油管道中的油不产生回流,使斜置的后刀架拖板不会因为自重而下滑。关闭手动截止阀14(或7、9和13)可切断油路,从而调整刀架的行程挡铁及行程开关等,操作方便。