7.4 多缸工作控制回路
在液压系统中,如果由一个油源给多个液压缸输送压力油,这些液压缸会因压力和流量的彼此影响而在动作上相互牵制。因此,必须使用一些特殊的回路才能实现预定的动作要求,常见的这类回路主要有以下三种。
7.4.1 顺序动作回路
顺序动作回路的功用是使多缸液压系统中的各个液压缸严格地按规定的顺序动作。按照控制方式的不同,有压力控制的顺序动作回路和行程控制的顺序动作回路两大类。
1.压力控制的顺序动作回路
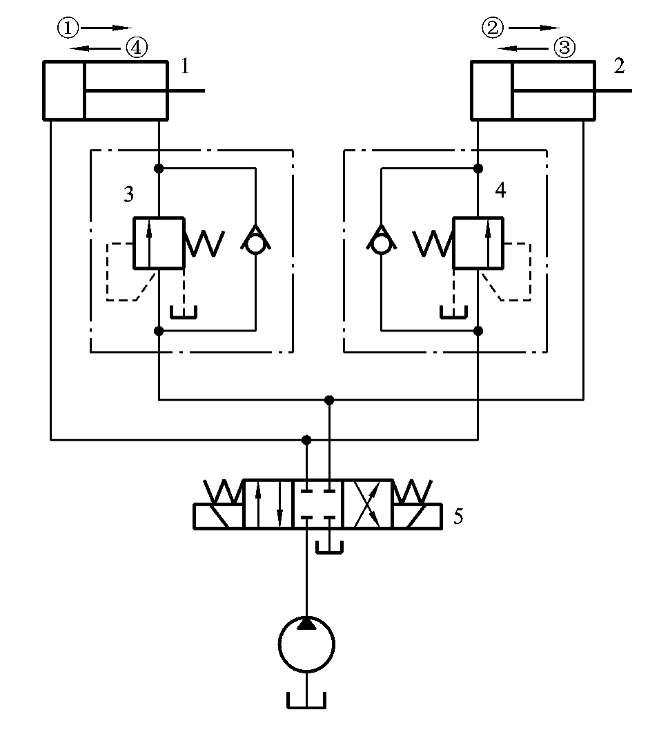
图7-25所示为使用顺序阀的压力控制的顺序动作回路。当换向阀5处于左工位且顺序阀4的调定压力大于液压缸1前进的最大工作压力时,压力油先进入液压缸1的左腔,实现动作①;当液压缸1行至终点后,压力上升,压力油打开顺序阀4进入液压缸2的左腔,实现动作②;同样,当换向阀处于右工位且顺序阀3的调定压力大于液压缸2返回的最大工作压力时,两液压缸按③、④的顺序返回。这种回路顺序动作的可靠性取决于顺序阀的性能及其压力调定值,一般后一个动作的压力必须比前一个动作的压力高0.8~1MPa。
2.行程控制的顺序动作回路
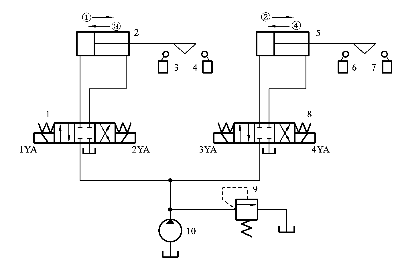
图7-26所示为采用行程开关控制的远程控制的顺序动作回路。这种回路以液压缸2和液压缸5的行程位置为依据来实现相应的顺序动作。换向阀1和换向阀8的通、断电主要由固定在液压缸活塞杆前端的挡块触动其行程上布置的行程开关来完成。当按下启动按钮后,电磁铁1YA通电,使换向阀1切换至左工位,压力油先进入液压缸2的左腔,实现动作①;当液压缸2的挡块触动行程开关4时,电磁铁3YA通电,使换向阀8切换至左工位,压力油进入液压缸5的左腔,实现动作②;当液压缸5的挡块触动行程开关7时,电磁铁2YA通电,使换向阀1切换至右工位,液压缸2返回,实现动作③;当液压缸2的挡块触动行程开关3时,电磁铁4YA通电,使换向阀8切换至右工位,液压缸5返回,实现动作④,最后液压缸5的挡块触动行程开关6,所有电磁铁均断电,液压缸2和液压缸5均停止动作,完成一个工作循环。表7-1所示为此回路的电磁铁动作顺序表。这种回路的可靠性取决于电气行程开关和电磁阀的质量,对变更液压缸的动作行程和动作顺序来说都比较方便,因此它在机床液压系统中得到了广泛的应用,特别适合于顺序动作的位置精度要求较高、动作循环经常要求改变的场合。

图7-25 压力控制的顺序动作回路
1、2—液压缸;3、4—顺序阀;5—三位四通电磁换向阀

图7-26 行程控制的顺序动作回路
1、8—三位四通电磁换向阀;2、5—液压缸;3、4、6、7—行程开关;
9—溢流阀;10—单向定量液压泵
表7-1 行程控制的顺序动作回路的电磁铁动作顺序表

7.4.2 同步回路
同步回路的功用是保证系统中的两个或多个液压执行元件在运动中的位移量相同或以相同的速度运动。从理论上讲,对两个工作面积相同的液压缸输入等量的油液即可使两液压缸同步。但因液压缸外负载、泄漏、摩擦阻力、制造精度、结构弹性变形及油液中含气量等因素的影响,都会使运动不同步。为此,同步动作回路要尽量克服或减少这些因素的影响,有时要采取补偿措施,清除累积误差。
1.用流量阀控制的同步回路
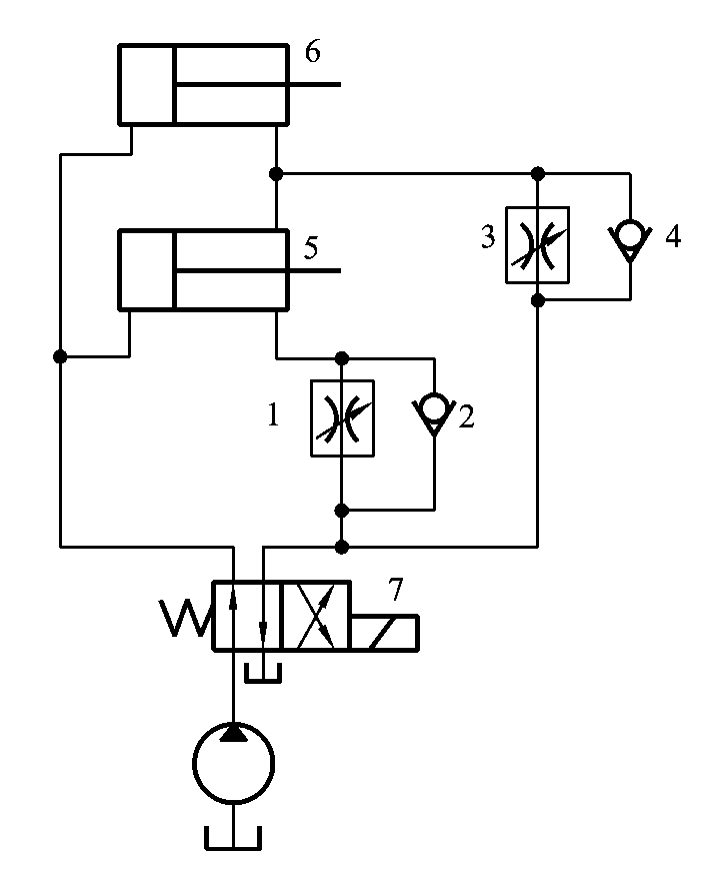
图7-27所示为并联调速阀的同步回路。液压缸5和液压缸6的油路并联,其运动速度分别用调速阀1和调速阀3调节。当两个工作面积相同的液压缸作同步运动时,通过两个调速阀的流量要调节得相同。当换向阀7处在右工位时,压力油可通过单向阀2和单向阀4使两缸的活塞快速退回。这种同步方法比较简单,但因为两个调速阀的性能不可能完全一致,同时还受到负载变化和泄漏的影响,故同步精度不高。
2.带补偿措施的串联液压缸同步回路
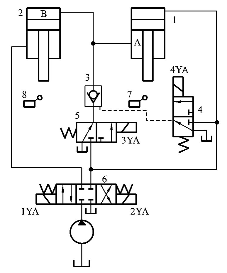
如图7-28所示为带补偿措施的串联液压缸同步回路。回路中液压缸1有杆腔A的有效面积与液压缸2无杆腔B的有效面积相等,因而从A腔排出的油液进入B腔后,两液压缸便同步下降。回路中采取补偿措施使同步误差在每一次下行运动中都得到消除,以避免误差的积累。其原理为:当三位四通换向阀6处于右工位时,两液压缸活塞同时下行。若液压缸1的活塞先运动到底,它就触动行程开关7,使电磁铁3YA通电,换向阀5处在右工位,压力油经换向阀5和液控单向阀3向液压缸2的B腔补油,推动活塞继续运动到底,误差即被清除。若液压缸2先运动到底,则触动行程开关8,使电磁铁4YA通电,换向阀4处于上工位,控制压力油使液控单向阀反向通道打开,使液压缸1的A腔通过液控单向阀与回油接通,其活塞即可继续运动到底。这种串联式同步回路只适用于负载较小的液压系统。
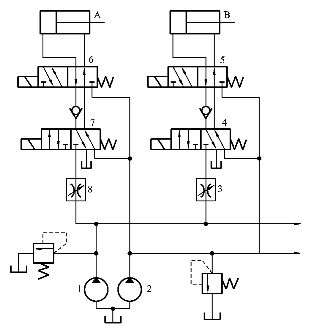
7.4.3 多缸快慢速互不干扰回路
多缸快慢速互不干扰回路的功用是防止液压系统中的几个液压缸因速度快慢的不同而在动作上产生相互干扰。图7-29所示为用双泵供油来实现的多缸快慢速互不干扰回路。

图7-27 并联调速阀的同步回路
1、3—调速阀;2、4—单向阀;
5、6—液压缸;7—二位四通电磁换向阀

图7-28 带补偿措施的串联液压缸同步回路
1、2—液压缸;3—调速阀;4、5—二位三通电磁换向阀;
6—三位四通电磁换向阀;7、8—行程开关

图7-29 双泵供油互不干扰回路
1、2—单向定量液压泵;3、8—调速阀;4、5、6、7—二位五通电磁换向阀;A、B—液压缸
图中的液压缸A和B各自要完成“快进—工进—快退”的自动工作循环。其具体工作情况为:在图示状态下各缸原位停止。当换向阀5、换向阀6均通电时,各缸均由双联泵中的大流量泵2供油并作差动快进。这时如果其中一个液压缸,例如缸A,先完成快进动作,由挡块和行程开关使换向阀7通电,换向阀6断电,此时大泵进入缸A的油路被切断,而双联泵中的高压小流量泵1的进油路打开,缸A由调速阀8调速工进,此时缸B仍作快进,互不影响。当各缸都转为工进后,它们全由小泵1供油。此后,若缸A又率先完成工进,行程开关应使换向阀7和换向阀6均通电,缸A即由大泵2供油快退,当电磁铁都断电时,各缸停止运动,并被锁在所处的位置上。由此可见,这个回路之所以能够防止多缸的快慢速运动互不干扰,是由于快速和慢速各由一个液压泵来分别供油,再由相应的电磁铁进行控制的缘故。