7.3 方向控制回路
方向控制回路用来控制液压系统各油路中液流的接通、切断或改变流向,这类控制回路主要有换向回路、锁紧回路等。
7.3.1 换向回路
换向回路的作用是改变执行元件的运动方向。简单的换向回路只要采用标准的普通换向阀即可,但对于换向要求高的主机(如各类磨床),其换向回路的换向阀往往需要专门设计,换向过程一般分为执行元件的减速制动、短暂停留和反向启动三个阶段,这一过程是通过换向阀的阀芯与阀体之间位置变换来实现的,因此选用不同换向阀组成的换向回路,其换向性能也不同。根据换向制动原理的不同,分为时间控制制动式换向回路和行程控制制动式换向回路。
1.时间控制制动式换向回路
所谓时间控制制动的换向指的是从发出换向信号到实现减速制动(停止),这一过程的时间基本上是可控的。
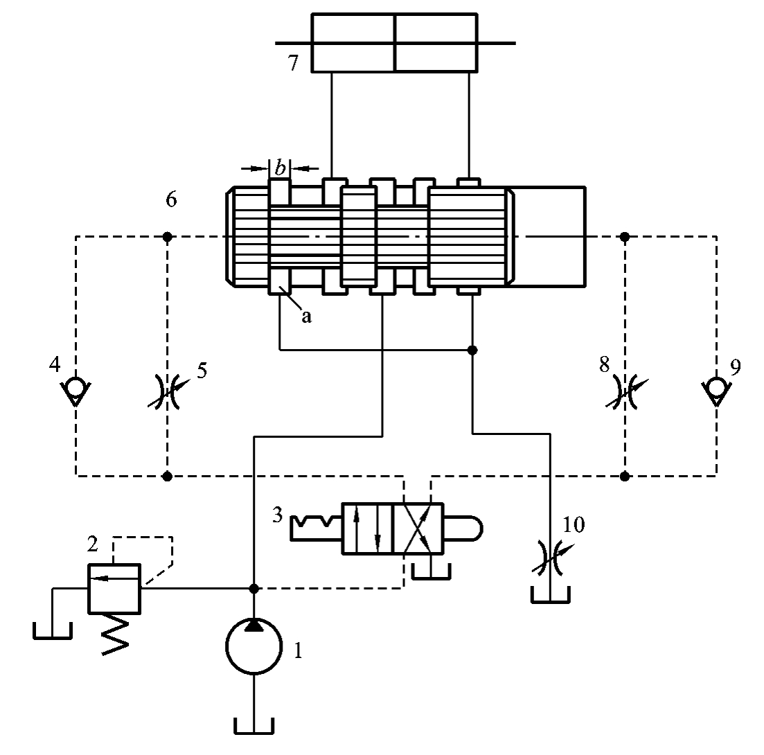
图7-22所示为时间控制制动式换向回路。其主油路只受换向阀6的控制,该阀的换向受控于机动先导阀3。在图示位置,换向阀6处于左端,液压泵1的压力油经换向阀6进入液压缸7的右腔,故液压缸7的活塞向左运动,液压缸左腔的油液经换向阀6和主节流阀10排回油箱。当活塞带动工作台运动到终点时,工作台上的挡块通过杠杆使先导阀3换向,先导阀3左位接入回路。此时,控制压力油经先导阀3、单向阀4进入液动换向阀6的左腔,使其阀芯向右移动;换向阀6右腔的油液经节流阀8、先导阀3排回油箱,阀芯的移动速度v可由节流阀8调节。在换向阀6的阀芯向右移动之前,活塞虽已使先导阀3换向,但活塞仍继续以原来的速度向前运动,在换向阀6的阀芯开始移动之后,液压缸左腔回油路上换向阀6的环槽开口逐渐减小而产生节流作用,使活塞得到制动。当环槽开口为零时,回油路封闭,活塞停止运动。回路的制动时间为t=b/v(b为换向阀6环槽开口的初始宽度),时间控制制动因此得名。显然,在制动时间调节为一定值后,活塞原来运动速度的大小直接影响换向时的冲击量。这种回路结构简单,制动时间可随工作情况不同进行调整,但缺点是换向时冲击量大,换向进度差,适用于对换向精度要求不高的场合。

图7-22 时间控制制动式换向回路
1—单向定量液压泵;2—溢流阀;3—机动先导阀;
4、9—单向阀;5、8—节流阀;6—换向阀;7—液压缸
2.行程控制制动式换向回路
所谓行程控制制动的换向是指从发出信号到工作部件制动、停止这一过程中,工作部件所走过的行程基本上是一定的。
图7-23所示为一种较简单的行程控制制动式换向回路。与图7-22所示换向回路相比,其主要特点是液压缸7的回油路经过换向阀6后,还需再经机动先导阀3及节流阀10流回油箱。在图示位置,液压缸活塞向左运动,当活塞达到左端终点时,与活塞相连的挡铁12碰到杠杆11,通过杠杆11推动先导阀3向右移动。这时主回油路上通过先导阀3的油口逐渐减小,使活塞得到制动作用。当先导阀3向右移动使油口接近封闭时,通向换向阀6左端的控制油口被打开,这时控制油经先导阀3、单向阀4进入换向阀6左端,使换向阀的阀芯向右移动,换向阀右端的油液经节流阀8、先导阀3流回油箱。活塞行程的极端位置就是当先导阀3的油口完全封闭时的位置,这时活塞完全停止运动。因此采用这种制动方式时,不管活塞原来运动速度的快慢如何,先导阀3总是移动一定的行程后油缸活塞就停止运动,故这种制动方式称为行程控制制动。这种回路具有较小的冲击量,换向精度高,但由于运动部件的制动行程基本上是一定的,所以运动部件原来的运动速度越高,则制动时间就越短,换向时的冲击也就会越大。此外,其先导阀3的结构较复杂,制造精度要求也较高。所以,这种制动方式主要适用于运动速度不高,但换向精度要求较高的场合。

图7-23 行程控制制动式换向回路
1—单向定量液压泵;2—溢流阀;3—机动先导阀;4、9—单向阀;
5、8、10—节流阀;6—换向阀;7—液压缸;11—杠杆;12—挡铁

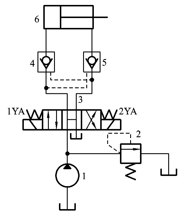
图7-24 采用液控单向阀的锁紧回路
1—单向定量液压泵;2—溢流阀;
3—三位四通电磁换向阀;
4、5—液控单向阀;6—液压缸
7.3.2 锁紧回路
锁紧回路的功能是使液压执行机构能在任意位置停留,且不会因外力作用而移动位置。采用O型或M型机能的三位换向阀,当阀芯处于中位时,液压缸的进、出口都被封闭,可以将活塞锁紧,但是这种锁紧回路由于受到滑阀泄漏的影响,锁紧效果较差。
图7-24所示为采用液控单向阀的锁紧回路。在液压缸的进、回油路中都串接液控单向阀(又称双向液压锁),活塞可以在行程的任何位置锁紧。如图7-24所示,当电磁铁1YA通电使换向阀3处于左位时,液压泵1的压力油经左边液控单向阀4进入液压缸6的无杆腔,同时通过控制口导通右边液控单向阀5,使液压缸右腔的回路可经液控单向阀5及换向阀3排回油箱,活塞向右运动;反之,活塞向左运动。到了需要停留的位置,只要使换向阀3处于中位,因阀的中位为H型机能,所以两个液控单向阀均关闭,液压缸双向锁紧,液压泵卸荷。应当注意,使用液控单向阀的锁紧回路,其换向阀的中位机能不宜采用O型,而应采用H型或Y型,以便在中位时,液控单向阀的控制压力能立即释放,液控单向阀关闭,活塞停止运动。在这种回路中,由于液控单向阀的密封性好,液压缸锁紧可靠,其锁紧精度主要取决于液压缸的泄漏。这种回路被广泛应用于工程机械、起重运输机械等有较高锁紧要求的场合。