7.1 压力控制回路
压力控制回路是利用压力控制阀来调定系统或某一局部的压力,以满足液压执行元件对力或力矩要求的回路。这类回路包括调压回路、减压回路、增压回路、卸荷回路、保压回路和平衡回路等多种回路。
7.1.1 调压回路
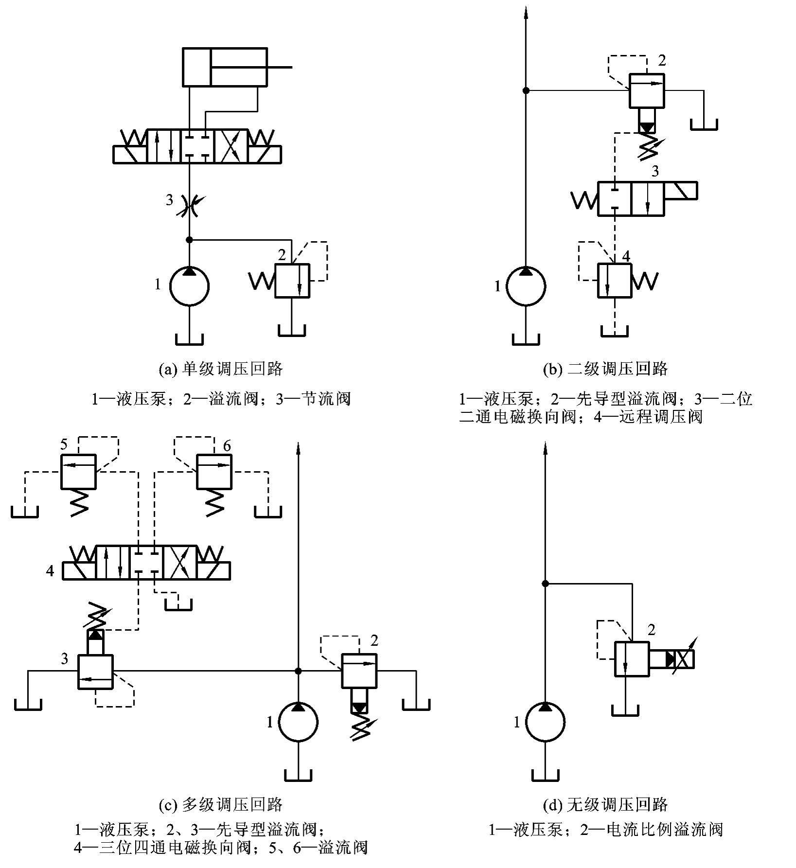
调压回路的功用是使液压系统整体或部分的压力保持恒定或限制系统压力的最大值。在定量泵系统中,液压泵的供油压力可以通过溢流阀来调节;在变量泵系统中,用安全阀来限定系统的最高压力,防止系统过载。若系统中需要两种以上的压力,则可采用多级调压回路。实现调压的主要元件是溢流阀。
1.单级调压回路
如图7-1(a)所示,在液压泵1出口处并联溢流阀2,节流阀3可以调节进入液压缸的流量,若液压泵输出的流量大于进入液压缸的流量,则多余的油液便从溢流阀流回油箱。液压泵的出口压力由溢流阀的调定压力决定,且溢流阀的调定压力必须大于液压缸最大工作压力和油路上各种压力损失的总和。
2.二级调压回路
如图7-1(b)所示,先导型溢流阀2的遥控口串接二位二通电磁换向阀3和远程调压阀4。当阀3处于图示位置时,系统压力由阀2调定;当阀3电磁线圈通电后处于右工位时,系统压力由阀4调定。但要注意:阀4的调定压力一定要低于阀2的调定压力,否则不能实现二级调压;当系统压力由阀4调定时,阀2的先导阀口关闭,但主阀开启,液压泵的溢流流量经主阀流回油箱。
3.多级调压回路
如图7-1(c)所示为多级调压回路。将溢流阀5和溢流阀6通过三位四通电磁换向阀4与先导型溢流阀3的外控口相连,阀3的调整压力低于阀2的调整压力,阀3的调整压力大于阀5和阀6的调整压力,阀5和阀6的调整压力不相等。这样,系统可获得三种压力值:当阀4处于中位时,系统的压力由阀3调定;当阀4处于左位时,系统的压力由阀5调定;当阀4处于右位时,系统的压力由阀6调定。其中阀2多作为安全阀使用。

图7-1 调压回路
4.无级调压回路
如图7-1(d)所示,阀2为电液比例溢流阀,调节阀2的输入电流,即可实现系统压力的无级调节。此回路不但结构简单、压力切换平稳,且易于实现系统的远距离控制或计算机控制。
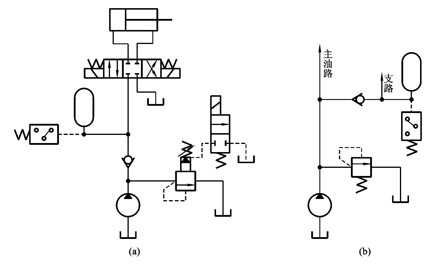
7.1.2 减压回路
减压回路的功用是使单泵供油液压系统中的某一部分油路具有比主油路更低的稳定压力,常用于液压系统中的一些辅助回路,如控制回路、夹紧回路和润滑回路等的支路上。
1.单级减压回路
最常见的减压回路采用定值减压阀与主油路相连接,如图7-2(a)所示。回路中的单向阀3用来防止由于主油路压力降低(低于定值减压阀2的调整压力)时油液倒流,起短时保压作用。

图7-2 减压回路
2.多级减压回路
在减压回路中,也可以采用类似两级或多级调压的方法获得两级或多级减压。图7-2(b)所示为工件夹紧机构中常用的减压回路,先导型减压阀1的远控口接一远程调压阀2,使减压油路获得两种预定的减压压力:当二位二通换向阀3处于图示位置时,减压油路的压力由先导型减压阀1调定;当二位二通换向阀3通电后,减压油路的二次压力由远程调压阀2调定,但要注意,远程调压阀2的调定压力值一定要低于先导型减压阀1的调定压力值。
为了使减压回路工作可靠,负载在减压阀出口处所产生的压力应不低于减压阀的调定压力,否则,减压阀将不起减压作用,处于非工作状态。此外,减压阀的最低调整压力应不小于0.5MPa,最高调整压力至少应比系统压力小0.5MPa。当减压回路中的执行元件需要调速时,调速元件应放在减压阀的后面,以避免减压阀泄漏(指由减压阀泄油口流回油箱的油液)对执行元件的速度发生影响。
7.1.3 增压回路
增压回路是用以使液压系统中某些支路获得高于系统压力的回路。当液压系统中局部油路需要较高压力而流量却很小时,采用低压大流量泵加上增压回路比选用高压大流量泵要经济得多。
1.单作用增压缸的增压回路
图7-3(a)所示为单作用增压缸的增压回路。在图示位置时,系统的供油压力p1进入增压缸的大活塞左腔,此时在小活塞右腔可得到所需的较高压力p2,增压倍数等于增压缸大、小活塞工作面积之比(A1/A2)。当二位四通电磁换向阀处在右工位时,增压缸返回,辅助油箱中的油液经单向阀补入小活塞右腔。该回路只能间断增压,适宜执行器单向作用和小行程场合。
2.双作用增压缸的增压回路
图7-3(b)所示为采用双作用增压缸的增压回路,能连续输出高压油。在图示位置,液压泵输出的压力油经换向阀5和单向阀1进入增压缸左端大、小活塞腔,右端大活塞腔的回油通油箱,右端小活塞腔增压后的高压油经单向阀4输出,此时单向阀2、3被关闭。当增压缸活塞移到右端时,换向阀得电换向,增压缸活塞向左移动。同理,左端小活塞腔输出的高压油经单向阀3输出,这样,增压缸的活塞不断往复运动,两端便交替输出高压油,从而实现连续增压供油。

图7-3 增压回路
7.1.4 卸荷回路
当液压系统中的执行元件短时间停止工作(如装卸载荷或测量工件)时,为避免因频繁启闭而对液压泵和驱动电机的寿命产生影响,一般不采取停止液压泵的工作方式。但若让这些液压泵在溢流阀调定压力下回油,又会造成很大的能量浪费,还会使油温升高,系统性能下降,为此应设置卸荷回路解决上述矛盾。
液压泵卸荷回路的功用是在液压泵处于运转的状态下,使其输出功率近似为零,以减少功率损耗,降低系统发热,延长泵和驱动电机的使用寿命。液压泵的输出功率为压力和流量的乘积,因而,两者任一近似为零,输出功率即近似为零,故液压泵的卸荷有流量卸荷和压力卸荷两种方式。流量卸荷适用于变量泵,泵仅为补偿泄漏而以最小流量运转,此方法比较简单,但泵仍处在高压状态下运行,磨损比较严重;压力卸荷是使液压泵在近似零压下工作,这是常用的卸荷方法。
实现卸荷的方法通常有以下几种。
1.换向阀卸荷回路
当具有M、H和K型等中位机能的三位换向阀处于中位时,可使泵卸荷。图7-4(a)所示为采用M型中位机能的电液换向阀的卸荷回路,这种回路切换时压力冲击小,但回路中必须设置单向阀,以使系统能保持0.3MPa左右的压力,供控制油路之用。
2.二位二通阀卸荷回路
如图7-4(b)所示,当执行元件停止工作时,二位二通阀断电,液压泵与油箱连通,液压泵卸荷。在这种回路中,二位二通阀通过泵的全部流量,卸荷效果较好,但选用二位二通阀的规格时应与泵的额定流量相适应。
3.插装阀卸荷回路
图7-4(c)所示为二通插装阀的卸荷回路。正常工作时,泵压力由溢流阀调定。当二位二通电磁换向阀通电后,主阀上腔接通油箱,主阀口全部打开,实现泵的卸荷。由于二通插装阀通流能力大,因而这种卸荷回路适用于大流量的液压系统。
4.先导型溢流阀卸荷回路
如图7-4(d)所示,在先导型溢流阀的远控口接一个小流量的二位二通电磁换向阀。当二位二通电磁换向阀电磁线圈通电时,先导型溢流阀的远控口与油箱相通,液压泵输出的液压油以很低的压力经先导型溢流阀返回油箱,实现压力卸荷。这种卸荷回路便于远距离控制,同时卸荷压力小,切换时的压力冲击也小。
5.卸荷阀卸荷回路
如图7-4(e)所示,泵1为低压大流量泵,泵2为高压小流量泵,两泵并联,可组成双联泵。先导型溢流阀5一般作为安全阀使用,卸荷阀3(外控内泄式顺序阀)的开启压力比先导型溢流阀5低。当系统压力较低时,两泵同时向系统供油,使执行元件获得快速运动;当系统压力随负载变化而升高时,卸荷阀3打开,泵2输出的油液经卸荷阀流回油箱卸荷,泵1单独向系统供油,执行元件实现低速运动。这种载荷回路能随外载的变化自动实现液压缸轻载高速、重载低速的切换,以充分发挥原动机的功率。
6.变量泵卸荷回路
图7-4(f)所示为限压式变量泵的卸荷回路。根据限压式变量泵的工作原理可知,泵的输出压力超过限定压力以后,泵的输出流量将随泵出口压力的增加而直线下降,减少到只补充液压缸或换向阀的泄漏,此时尽管泵出口的压力很大,但由于泵输出的流量很小,其耗费的功率大为降低,实现了泵的卸荷。

图7-4 卸荷回路
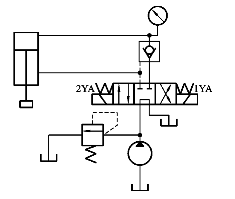
7.1.5 保压回路
有的机械设备在工作过程中,常常要求液压执行机构在其行程终止时保持一段时间的压力,这时需采用保压回路。所谓保压回路,是指使系统在液压缸不动或仅有工件变形所产生的微小位移的情况下,能稳定地维持系统压力的回路。最简单的保压方法是采用密封性能好的单向阀,但这种方法对液压缸自身的泄漏及单向阀后面油路的泄漏不起作用,且保压时间短,压力稳定性不高,只能短时保压。为了使液压缸获得有效的保压,通常将蓄能器、压力继电器与单向阀联合使用,即可实现长时间保压。
1.利用液压泵的保压回路
利用液压泵使回路保压是一种最简单的方法。在这种保压回路中,液压泵始终以较高的压力(保压所需要的压力)工作。此时,定量泵排出的压力油几乎全部经溢流阀流回油箱,系统功率损失大,发热严重,所以这种回路只在小功率系统且需保压时间较短时使用。
2.利用蓄能器的保压回路
利用蓄能器的保压回路是指借助蓄能器来保持系统压力、补偿系统泄漏的回路。如图7-5(a)所示,当主换向阀在左位工作时,液压缸向前运动且压紧工件,进油路压力升高至调定值,压力继电器发出信号使二通阀通电,泵即卸荷,单向阀自动关闭,液压缸则由蓄能器保压。液压缸压力不足时,压力继电器复位时泵重新工作。保压时间的长短取决于蓄能器的容量,调节压力继电器的工作区间即可调节缸中压力的最大值和最小值。如图7-4(b)所示为多缸系统中的一种保压回路,当主油路压力降低时,单向阀关闭,支路由蓄能器保压并补偿泄漏,压力继电器的作用是当支路中压力达到预定值时发出信号,使主油路开始工作。

图7-5 用蓄能器的保压回路
3.利用液控单向阀的保压回路
图7-6所示为采用液控单向阀和电接触式压力表的自动补油式保压回路。其工作原理如下:当电磁线圈1YA通电,换向阀处于右工位,液压缸上腔压力上升至电接点压力表的上限值时,压力表上触点通电,1YA断电,换向阀回到中位,液压泵卸荷,液压缸由液控单向阀保压。当液压缸上腔压力下降到电接点压力表调定的下限值时,压力表下触点接通并发出信号,使1YA通电,液压泵向液压缸上腔供油,使压力上升。该回路能自动地保持液压缸上腔的压力在某一范围内。

图7-6 利用液控单向阀的保压回路
7.1.6 平衡回路
在有垂直负载的液压系统中,为了防止立式液压缸的运动部件在悬空停止期间因自重而自行下落或下行时超速失控,运动不平稳,常采用平衡回路。该回路的功用是在负载下行的回油路上设置一个适当的阻力,使之产生一定的背压,以便与自重相平衡,并起限速作用。
图7-7(a)所示为采用单向顺序阀的平衡回路。顺序阀的调定压力应稍大于工作部件的自重在液压缸下腔形成的压力。这样,当换向阀处在中位,液压缸不工作时,顺序阀关闭,工作部件不会自行下滑。当换向阀在左位工作,液压缸上腔通压力油,下腔的背压大于顺序阀的调定压力时,顺序阀开启,活塞与运动部件下行,由于自重得到平衡,故不会产生超速现象。当换向阀采用M型中位机能换向阀,可使液压缸停止工作时,缸上下腔的油被封闭,从而有助于锁住工作部件,另外还可使泵卸荷,以减少能耗。这种回路,当活塞向下快速运动时功率损失大,锁住时活塞和与之相连的工作部件会因单向顺序阀和换向阀的泄漏而缓慢下落,因此它只适用于工作部件质量不大、活塞锁住时定位要求不高的场合。
图7-7(b)所示为采用液控顺序阀的平衡回路。换向阀在右位工作时,压力油进入缸下腔,缸上腔回油,使活塞上升吊起重物。当换向阀处于中位时,缸上腔卸压,液控顺序阀关闭,缸下腔油被封闭,活塞及工作部件停止运动被锁住。当换向阀在左位工作时,压力油进入缸上腔,同时进入液控顺序阀的外控口,使顺序阀开启,液压缸下腔可顺利回油,于是活塞下行,放下重物。由于背压较小,因而功率损失较小。下行时,若速度过快,必然使液压缸上腔油压降低,将使液控顺序阀关闭。当顺序阀关闭时,因活塞停止下行,使液压缸上腔油压升高,又打开液控顺序阀。因此液控顺序阀始终工作于启闭的过渡状态,影响工作的平稳性,这种回路适用于运动部件质量不大、停留时间较短的液压系统。

图7-7 采用顺序阀的平衡回路