1
液压与气压传动
1.10.2 6.2 滤油器

6.2 滤油器

液压油中往往含有颗粒状杂质,这些杂质会造成液压元件相对运动表面的磨损、滑阀卡滞、节流孔口堵塞,使系统工作可靠性大为降低。在系统中安装一定精度的过滤器,是保证液压系统正常工作的必要手段。

6.2.1 油液的污染度和过滤器的过滤精度

1.油液的污染度

液压油液的污染是液压系统发生故障的主要原因。关于液压油液的污染及其控制,已在前面的章节中作了详细的叙述,这里不再重复。控制污染最主要的措施是控制过滤精度及使用过滤器和过滤装置。

2.过滤器的过滤精度

过滤器的过滤精度是指滤芯能够滤除的最小杂质颗粒的大小,以直径d作为公称尺寸表示,按精度可分为粗过滤器(d<100μm)、普通过滤器(d<10μm)、精过滤器(d<5μm)、特精过滤器(d<1μm)。一般对过滤器的基本要求有以下几点。

(1)能满足液压系统对过滤精度的要求,即能阻挡一定尺寸的杂质进入系统。

(2)滤芯应有足够强度,不会因压力而损坏。

(3)通流能力大,压力损失小。

(4)易于清洗或更换滤芯。

各种液压系统的过滤精度要求如表6-1所示。

表6-1 各种液压系统的过滤精度要求

img431

6.2.2 过滤器的种类和典型结构

按滤芯的材料和结构形式,可将过滤器分为网式过滤器、线隙式过滤器,纸质过滤器、烧结式过滤器及磁性过滤器等。按过滤器安放的位置不同,还可以分为吸滤器、压滤器和回油过滤器。考虑到泵的自吸性能,吸油过滤器多为粗滤器。

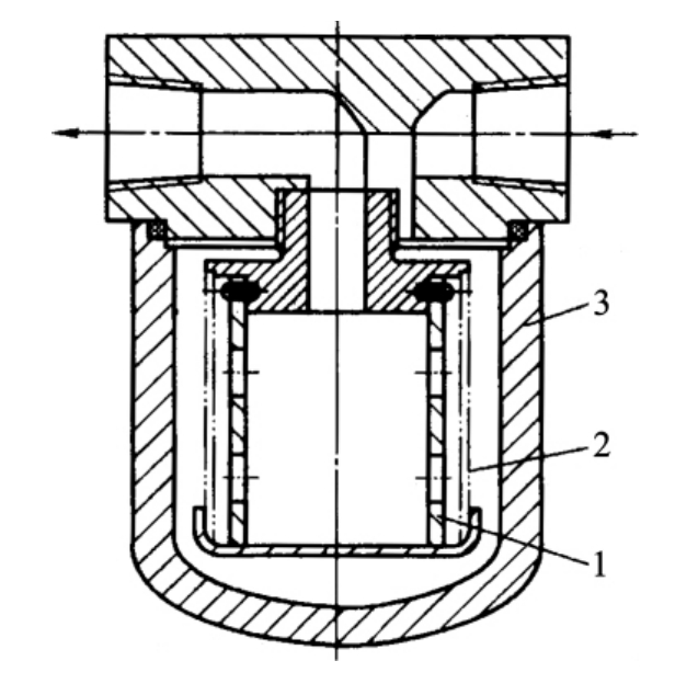
1.网式滤油器

网式过滤器如图6-1所示,其滤芯以铜网为过滤材料,在周围开有很多孔的塑料或金属筒形骨架上,包着一层或两层铜丝网,其过滤精度取决于铜网层数和网孔的大小。这种过滤器结构简单、通流能力大、清洗方便,但过滤精度低,一般用于液压泵的吸油口。

img432

图6-1 网式滤油器

1—骨架;2—铜丝网

img433

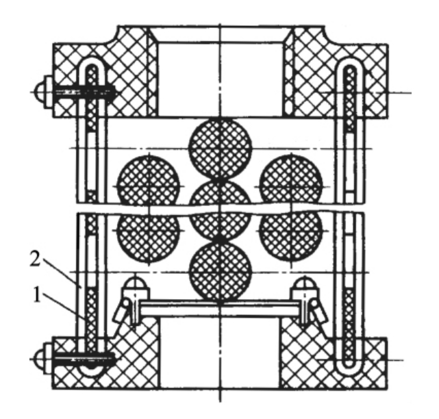
图6-2 线隙式滤油器

1—骨架;2—滤网;3—外壳

2.线隙式滤油器

线隙式过滤器如图6-2所示,用钢线或铝线密绕在筒形骨架的外部来组成滤芯,依靠铜丝间的微小间隙滤除混入液体中的杂质。其结构简单、通流能力大、过滤精度比网式过滤器高,但不易清洗,多为回油过滤器。

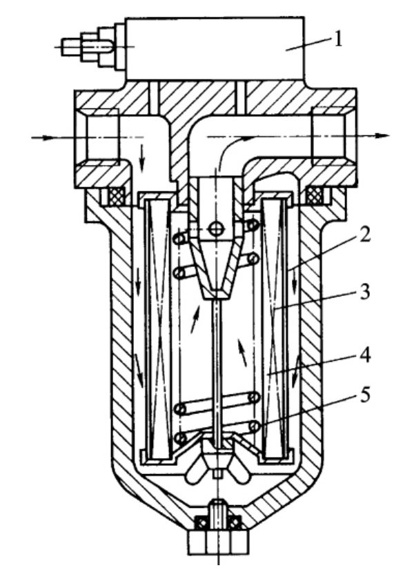
3.纸质过滤器

纸质过滤器如图6-3所示,其滤芯为平纹或波纹的酚醛树脂或木浆微孔滤纸制成的纸芯,将纸芯围绕在带孔的镀锡铁做成的骨架上,以增大强度。为增加过滤面积,纸芯一般做成折叠形。其过滤精度较高,一般用于油液的精过滤,但堵塞后无法清洗,须经常更换滤芯。

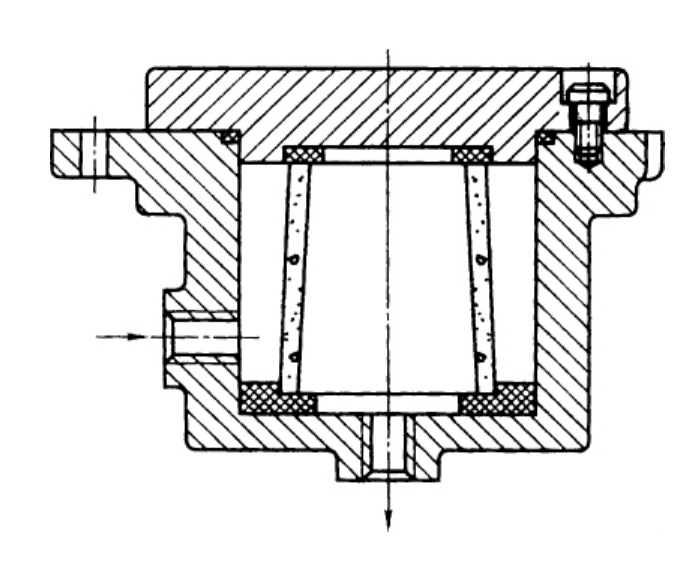
4.烧结式滤油器

烧结式过滤器如图6-4所示,其滤芯用金属粉末烧结而成,利用颗粒间的微孔来挡住油液中的杂质通过。其滤芯能承受高压,抗腐蚀性好,过滤精度高,适用于要求精滤的高压、高温液压系统。

img434

图6-3 纸质滤油器

1—压差报警器;2—粗眼钢板网;3—滤纸;4—金属丝网

img435

图6-4 烧结式滤油器

6.2.3 过滤器的选用原则、安装位置及注意的问题

1.过滤器的选用原则

滤油器按其过滤精度(滤去杂质的颗粒大小)的不同,有粗过滤器、普通过滤器、精密过滤器和特精过滤器四种,它们分别能滤去大于100μm、10μm、5μm和1μm的杂质。

选用过滤器时,要考虑下列几点。

(1)过滤精度应满足预定要求。

(2)能在较长时间内保持足够的通流能力。

(3)滤心具有足够的强度,不因液压的作用而损坏。

(4)滤心抗腐蚀性能好,能在规定的温度下持久地工作。

(5)滤心清洗或更换简便。

因此,过滤器应根据液压系统的技术要求,按过滤精度、通流能力、工作压力、油液黏度、工作温度等条件选定其型号。

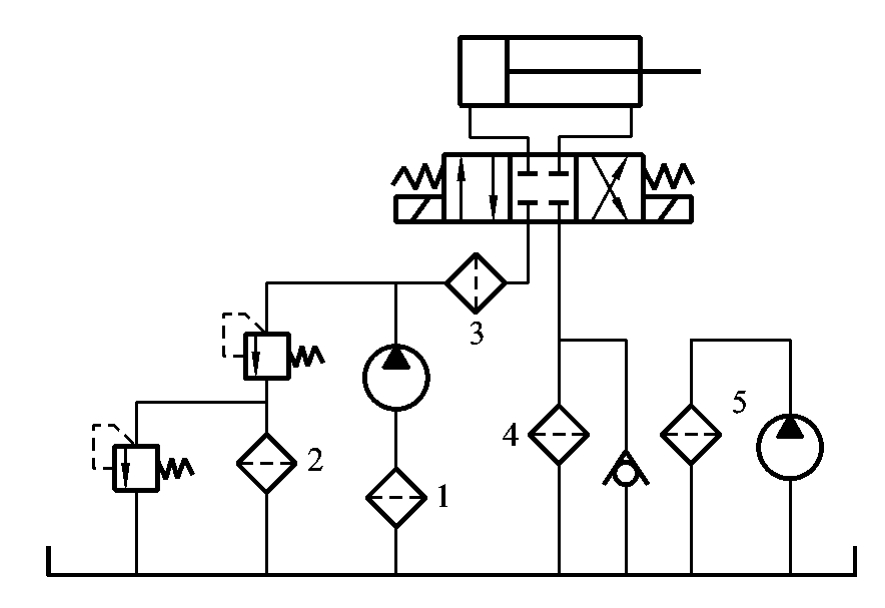
2.安装位置及注意的问题

如图6-5所示,过滤器在液压系统中的安装位置通常有以下几种。

1)安装在泵的吸油口处

泵的吸油路上一般都安装有表面型滤油器,目的是滤去较大的杂质微粒以保护液压泵,此外过滤器的过滤能力应为泵流量的两倍以上,压力损失小于0.02MPa。

2)安装在系统分支油路上

过滤器也可安装在系统的分支油路上。

3)安装在泵的出口油路上

此处安装过滤器的目的是用来滤除可能侵入阀类等元件的污染物。其过滤精度应为5~10μm,且能承受油路上的工作压力和冲击压力,压力损失应小于0.35MPa。同时应安装安全阀以防过滤器堵塞。

4)安装在系统的回油路上

这种安装起间接过滤作用,一般与过滤器并联安装一背压阀,当过滤器堵塞达到一定压力值时,背压阀打开。

5)单独过滤系统

大型液压系统可专设一液压泵和过滤器组成独立过滤回路。

液压系统中除了整个系统所需的过滤器外,还常常在一些重要元件(如伺服阀、精密节流阀等)的前面单独安装一个专用的精过滤器来确保它们的正常工作。

img436

图6-5 滤油器的安装位置