5.4 方向控制阀
5.4.1 方向控制阀的概述
方向控制阀是控制和改变液压系统中各油路之间液流方向的阀。方向控制阀可分为单向阀和换向阀两大类。
对换向阀的主要要求是压力损失要小;泄露要小;换向平稳、迅速且可靠。
5.4.2 单向阀
单向阀是用以防止油液倒流的元件。按控制方式不同,又可将其分为普通单向阀和液控单向阀两种。
1.普通单向阀
1)普通单向阀的工作原理和结构
普通单向阀简称单向阀,又称止回阀,其作用是使液体只能向一个方向流动,反向截止。单向阀按阀芯的结构形式不同,可分为球芯阀、柱芯阀、锥芯阀;按液体的流向与进、出口的位置关系,又分为直通式阀和直角式阀两类。
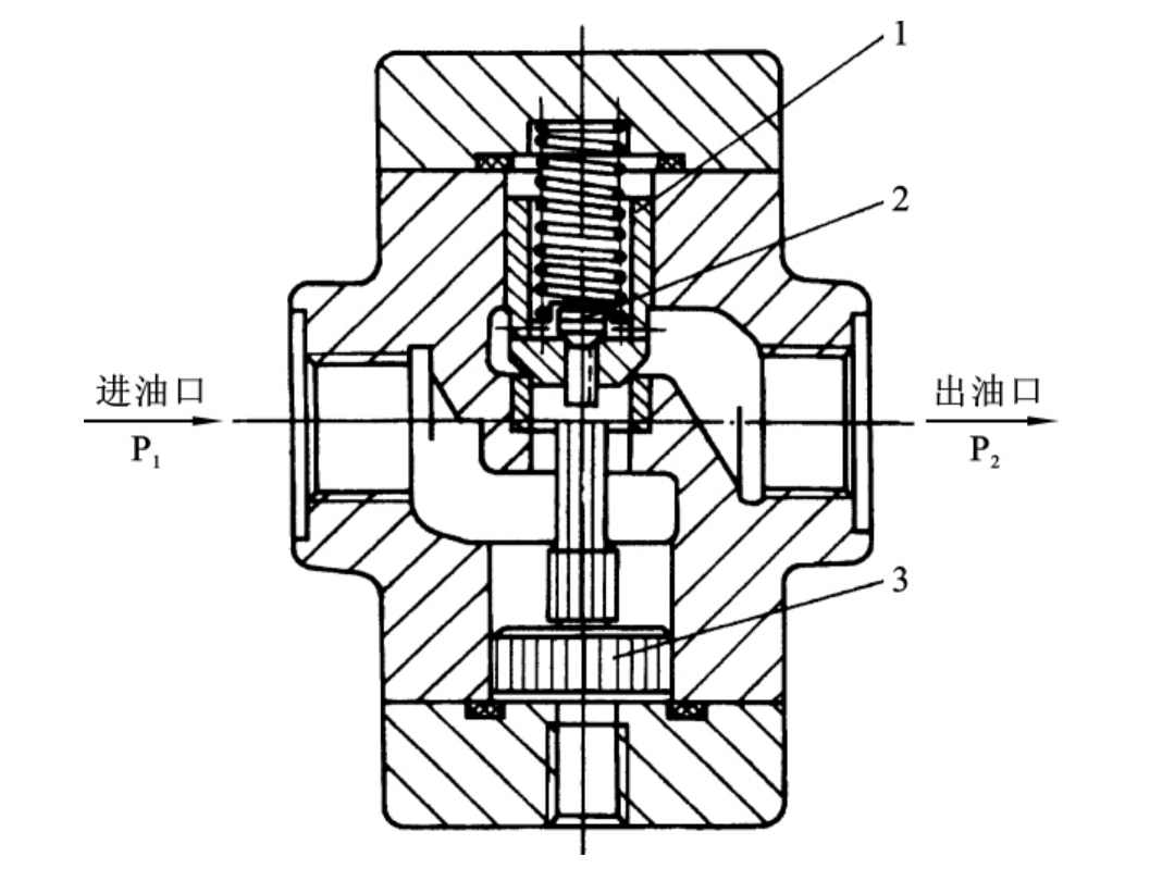
图5-40(a)、(b)所示均为普通直通式单向阀,只是连接方式不同。其工作原理如下:当液压油从P1口流入时,压力油推动阀芯压缩弹簧,从P2口流出。当液压油从P2口流入时,阀芯锥面紧压在阀体的结合面上,油液无法通过。当单向阀导通时,使阀芯开启的压力称为开启压力。单向阀的开启压力一般为0.03~0.05MPa。若用做背压阀时可更换弹簧,开启压力可达0.2~0.6MPa。图5-40(c)所示为普通单向阀的职能符号。图5-41所示为直角式单向阀,其工作原理与直通式阀相似。

图5-40 普通直通式单向阀
1—挡圈;2—弹簧;3—阀芯;4—阀体

图5-41 直角式单向阀
1—阀体;2—阀座;3—阀芯;4—弹簧;5—阀盖;6—密封圈
2)普通单向阀的应用
(1)单向阀安装在泵的出口处,可以防止由于系统压力突然升高而损坏泵。
(2)单向阀可安装在液压缸的回油管路上作为背压阀使用,如图5-42所示,这样会使系统的运动平稳性得到增加,并减少因负载突然变小时液压缸的前冲现象。

图5-42 单向阀用做背压阀

图5-43 单向阀用于锁紧回路
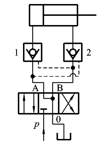
(3)图5-43所示为单向阀用于锁紧回路。当负载FL增大,使液压缸A腔油压超过溢流阀的调定压力时,溢流阀将增大溢流,使液压缸有可能向A端移动,使油液倒流,在这种情况下,加置一单向阀使A腔锁紧,令其不受外载变化的影响(如不考虑换向阀泄露的影响)。
(4)单向阀还可以与节流阀(或调速阀)、顺序阀、减压阀等组合使用,构成单向节流阀(见图5-44(a))、单向顺序阀(见图5-44(b))、单向定值减压阀(见图5-44(c))等。

图5-44 单向阀的组合使用(职能符号图)
2.液控单向阀
1)液控单向阀的工作原理和结构
液控单向阀又称为单向闭锁阀,其作用是使液流有控制的单向流动。液控单向阀分为普通型和卸荷型两大类。
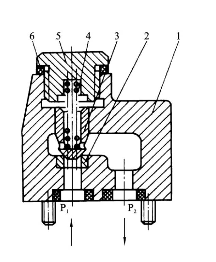
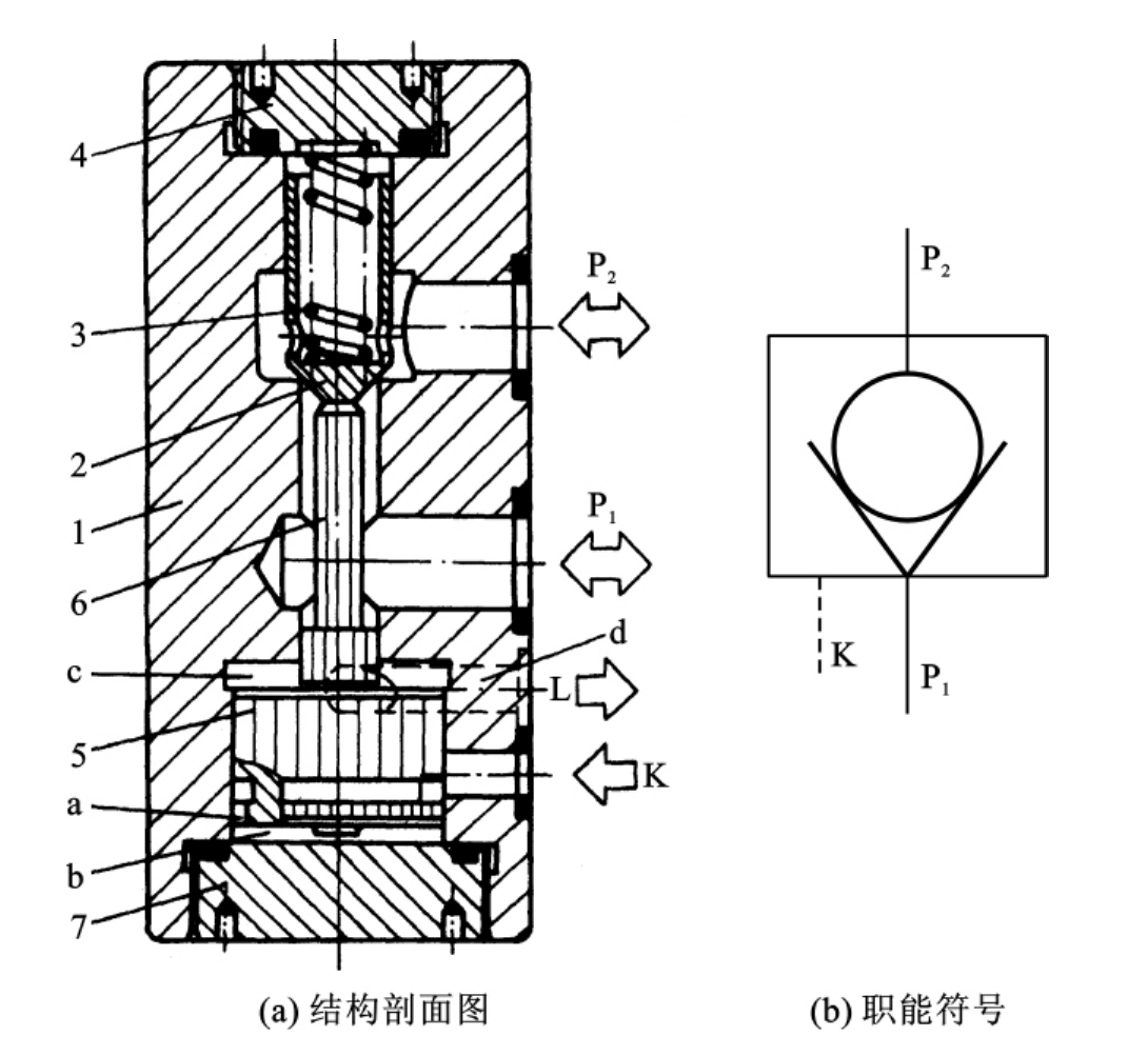
图5-45(a)所示为普通液控单向阀的结构剖面图。它是由单向阀和微型控制油缸组成的。其工作原理如下:当液控油口K有控制油压时,压力油推动控制活塞5,推动锥阀芯2开启,使油口从P1到P2或从P2到P1均能接通;当液控油口K处的油压为零时,此阀与普通单向阀功能一样,油口P1到P2导通,P2到P1不通,L为泄漏孔。图5-45(b)所示为液控单向阀的职能符号。
图5-46所示为带卸荷阀阀芯的液控单向阀,其卸荷过程如下:微动活塞3首先顶起卸荷阀阀芯2,使高压油首先通过卸荷阀阀芯卸荷,然后再打开单向阀阀芯1,使油口正向或反向导通。

图5-45 普通液控单向阀
1—阀体;2—锥阀芯;3—弹簧;4—上盖;5—控制活塞;6—活塞顶杆;7—下盖

图5-46 带卸荷阀芯的液控单向阀
1—单向阀阀芯;2—卸荷阀阀芯;3—微动活塞
2)单向阀的应用
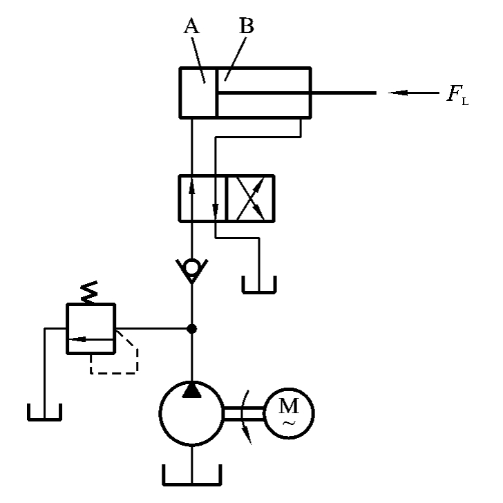
(1)图5-47所示为采用液控单向阀的锁紧回路。在垂直放置液压缸的下腔管路上安置液控单向阀,就可将液压缸(负载)较长时间保持(锁定)在任意位置上,并可防止由于换向阀的内部泄露而引起带有负载的活塞杆下落。
(2)图5-48所示为采用2个液控单向阀(又称双向液压锁)的锁紧回路。当三位换向阀处于左位机能时,液压泵输出的压力油正向通过液控单向阀1进入液压缸左腔,同时由控制油路将液控单向阀2打开,使液压缸右腔原来封闭的油液流回油箱,活塞向右运动。反之,当三位换向阀处于右位机能时,正向打开液控单向阀2,同时打开液控单向阀1,使液压缸右腔进油,左腔回油,活塞向左运动。当三位换向阀处于中位机能时,由于2个液控单向阀的进油口都和油箱相通,使液控单向阀都处于关闭状态,液压缸两腔的油液均不能流出,液压缸的活塞便锁紧在停止的位置上。这种回路锁紧的可靠性及锁定位置精度仅受液压缸本身泄漏的影响。

图5-47 采用液控单向阀的锁紧回路

图5-48 双向液压锁的锁紧回路
(3)若单杆液压缸的两腔有效工作面积相差很大,当有杆腔进油无杆腔回油得到快速运动时,无杆腔的回油量很大。如果换向阀的规格是按进入液压缸有杆腔所需流量选择的,那么液压缸无杆腔排出的流量就要超过换向阀的额定流量,这就有可能造成过大的压力损失,并产生噪声、振动等现象。为避免上述现象发生,可在回路中增设一液控单向阀旁通排油,如图5-49所示。

图5-49 采用液控单向阀的旁通排油回路

图5-50 采用液控单向阀的双速回路
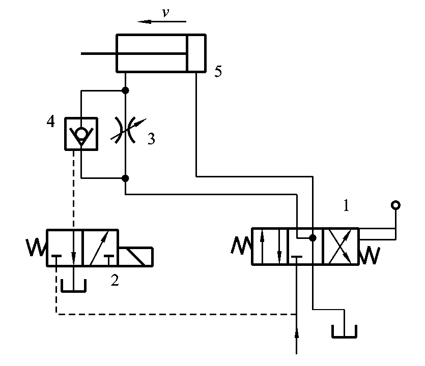
(4)图5-50所示为采用液控单向阀的双速回路。当三位四通换向阀1右位起作用(同时二位三通阀2的右位也起作用)时,来自油泵(进油路)的油液经阀1的右位进入液压缸5的无杆腔,同时控制油路经阀2的右位接通液控单向阀4将阀4打开,从而使液压缸5的活塞向左运动,其排油经阀4、阀1右位流回油箱。液压缸得到快速运动,当到达一定位置时,阀2的左位起作用,致使液控单向阀的控制油路接通油箱,液控单向阀关闭,这时液压缸的回油只能经过流量阀3(图中为节流阀)再经阀1流回油箱,液压缸获得了由阀3调节、控制的工进和慢速(慢速结束后,阀1左位起作用,泵的来油流经阀1左位。液控单向阀4的正向进入液压缸5有杆腔,液压缸回油经阀1左位流回油箱,活塞向右运动,液压缸复位)。
(5)图5-51所示为采用液控单向阀的自动补油保压回路。在图示位置时,液压泵卸荷。当阀3的右位机能起作用时,泵1经液控单向阀4向液压缸6上腔供油,活塞自初始位置快速前进,接近物件。当活塞触及物件后,液压缸上腔压力上升,并达到预定压力值时,电接触式压力表5发出信号,将阀3移至中位,使泵1卸荷,液压缸上腔由液控单向阀4保压。当液压缸上腔的压力下降到某一规定值时,电接触式压力表5又发出信号,使阀3右位机能又起作用,泵1再次重新向液压缸6的上腔供油,使压力回升。如此反复,便可实现自动补油保压。当阀3的左位机能起作用时,活塞快速退回原位。
上述保压回路能在20MPa的工作压力下保压10min,压力下降不超过2MPa。它的保压时间长,压力稳定性也好。

图5-51 采用液控单向阀的自动补油保压回路
5.4.3 换向阀
换向阀是利用阀芯与阀体间相对运动时切换油路中液流的方向的液压元件。从而使液压执行元件启动、停止或变换运动方向。
对换向阀的主要要求是油液流经阀时的压力损失要小;互不相通的油口间的泄漏要小;换向平稳、迅速且可靠。
换向阀应用广泛,品种繁多。按阀芯运动的方式可分为滑阀式换向阀与转阀式换向阀两类;按操纵方式可分为手动阀、机动阀、电动阀、液动阀、电液动阀等;按阀芯在阀体内占据的工作位置可分为二位阀、三位阀、多位阀等;按阀体上主油路的数量可分为二通阀、三通阀、四通阀、五通阀、多通阀等;按阀的安装方式可分为管式阀、板式阀、法兰式阀。在此重点介绍换向阀的工作原理、典型结构、性能特点、职能符号及主要应用。
1.滑阀式换向阀的工作原理
图5-52所示为滑阀式换向阀的工作原理图。阀芯是具有若干个环槽的圆柱体,阀体孔内开有5个沉割槽,每个沉割槽都通过相应的孔道与主油路连通。其中P为进油口,T为回油口,A和B分别与油缸的左右两腔连通。当阀芯处于图5-52(a)所示位置时,P与B相通,A与T相通,活塞向左运动;当阀芯处于图5-52(b)所示位置时,P与A相通,B与T相通,活塞向右运动。
2.滑阀式换向阀的结构和职能符号
1)主体结构
阀体和滑动阀芯是滑阀式换向阀的结构主体。表5-2所示是其最常见的结构形式。由表5-2可见,阀体上开有多个通口,阀芯相对于阀体移动后可以停留在不同的工作位置上。以表5-2中末行的三位五通阀为例,阀体上有P、A、B、T1、T2五个通口,阀芯有左、中、右三个工作位置。当阀芯处在图示中间位置时,五个通口都关闭;当阀芯移向左端时,通口T2关闭,通口P和B相通,通口A和T1相通;当阀芯移向右端时,通口T1关闭,通口P和A相通,通口B和T2相通。这种结构形式由于具有使五个通口都关闭的工作状态,故可使受它控制的执行元件在任意位置上停止运动,且有两个回油口,可得到不同的回油方式。

图5-52 滑阀式换向阀的工作原理图
表5-2 滑阀式换向阀主体部分的结构形式

2)换向阀的“位”和“通”
“位”和“通”是换向阀的重要概念。不同的“位”和“通”构成了不同类型的换向阀。通常所说的“二位阀”、“三位阀”是指换向阀的阀芯有两个或三个不同的工作位置。所谓“二通阀”、“三通阀”、“四通阀”是指换向阀的阀体上有两个、三个、四个各不相通且可与系统中不同油管相连的油道接口,不同油道之间只能通过阀芯移位时阀口的开关来连通。
几种不同的“位”和“通”滑阀式换向阀的主体部分的结构形式和图形符号如表5-2所示。
表5-2中图形符号的含义如下。
(1)用方框表示阀的工作位置,有几个方框就表示有几“位”。
(2)方框内的箭头表示油路处于接通状态,但箭头方向不一定表示液流的实际流向。
(3)方框内符号“┷”或“┳”表示该通路不通。
(4)方框外部连接的接口数有几个,就表示是几“通”。
(5)一般情况,阀与系统供油路连接的进油口用字母P表示,阀与系统回油路连接的回路口用T(有时用O)表示;而阀与执行元件连接的油口用A、B等表示。有时在图形符号上用L表示泄油口。
(6)换向阀都有两个或两个以上的工作位置,其中一个为常态位,即阀芯未受到操纵力作用时所处的位置。图形符号中的中位是三位阀的常态位。利用弹簧复位的二位阀则以靠近弹簧的方框内的通路状态为其常态位。绘制系统图时,油路一般应连接在换向阀的常态位上。
3)滑阀式换向阀的机能
(1)二位二通换向阀常态机能。
二位二通换向阀(见图5-53(b))其两个油口之间的状态只有两种:通或断,如图5-53(a)所示。自动复位式(如弹簧复位)的二位二通换向阀的滑阀机能,有常闭式(O型)和常开式(H型)两种,如图5-53(c)所示。

图5-53 二通换向阀的滑阀机能
(2)三位换向阀的中位机能。
三位四通换向阀的滑阀机能(又称中位机能)有很多种,各通口间不同的连通方式,可满足不同的使用要求。三位四通换向阀常见的中位机能、型号、符号及其特点如表5-3所示。为表示和分析的方便,常将各种不同的中位机能用一个字母来表示。不同的中位机能可通过改变阀芯的形状和尺寸得到。三位五通换向阀的情况与此相仿。
表5-3 三位四通换向阀的中位机能

在分析和选择阀的中位机能时,通常考虑以下几点。
①系统保压。当P口被堵塞,系统保压,液压泵能用于多缸系统。当P口不太通畅地与T口接通时(如X型),系统能保持一定的压力供控制油路使用。
②系统卸荷P口通畅地与T口接通时,系统卸荷。
③换向平稳性和精度。当通向液压缸的A、B两口都堵塞时,换向过程易产生液压冲击,换向不平稳,但换向精度高。反之,A、B两口都通T口时,换向过程中工作部件不易制动,换向精度低,但液压冲击小。
④启动平稳性。阀在中位时,液压缸某腔如通油箱,则启动时该腔内因无油液起缓冲作用,会使启动不太平稳。
⑤液压缸“浮动”和在任意位置上的停止阀在中位。当A、B两口互通时,卧式液压缸呈“浮动”状态,可利用其他机构移动工作台,调整其位置。当A、B两口堵塞或与P口连接时(在非差动情况下),可使液压缸在任意位置处停下来。
3)换向阀的过渡机能
除中位机能外,有的系统还对阀芯换向过程中各油口的连通方式,即过渡机能提出了要求。根据过渡位置各油口连通状态及阀口节流形式尚可派生出其他滑阀机能,在液压符号中,这种过渡机能被画在各工位通路符号之间,并用虚线与之隔开。过渡过程虽只有一瞬间,且不能形成稳定的油口连通状态,但其作用不能忽视。如在换位过程中,二位四通阀的四个油口若能半开启,则可减小换向冲击,同时使P口保持一定压力,此即X型过渡机能,符号如图5-54(a)所示。图5-54(b)所示为具有HMH型过渡机能二位四通阀的符号。换向阀的过渡机能加长了阀芯的行程,这对电磁换向阀尤为不利,因为过长的阀芯行程不仅影响到电磁换向阀动作的可靠性,而且还延长了它的动作时间,所以电磁换向阀一般都是标准的换向机能而不设置过渡机能;只有液动(或电液动)换向阀才设计成不同的过渡机能。不同机能的滑阀,其阀体是通用件,区别仅在于阀芯台肩结构、轴向尺寸及阀芯上径向通孔个数的不同。

图5-54 换向阀的过渡机能
4)滑阀式换向阀的操纵方式及典型结构
使换向阀芯移动的驱动力有多种方式,目前主要有手动、机动、电动、液动、电液几种方式。下面介绍液压阀的典型结构。
(1)手动换向阀。
手动换向阀是用控制手柄直接操纵阀芯的移动而实现油路切换的阀。
图5-55(a)所示为弹簧自动复位的三位四通手动换向阀。由图5-55(a)可以看到:向右推动手柄时,阀芯向左移动,油口P与A相通,油口B通过阀芯中间的孔与油口T连通;当松开手柄时,在弹簧作用下,阀芯处于中位,油口P、A、B、T全部封闭。当向左推动手柄时,阀芯处于右位,油口P与B相通,油口A与T相通。
图5-55(b)所示为钢球定位的三位四通手动换向阀,它与弹簧自动复位的阀的主要区别为:手柄可在三个位置上任意停止,不推动手柄,阀芯不会自动复位。

图5-55 三位四通手动换向阀
(2)机动换向阀。
机动换向阀又称为行程阀,如图5-56所示,它是靠安装在执行元件上的挡块5或凸轮推动阀芯移动,机动换向阀通常是两位阀。图5-56(a)所示为二位三通机动换向阀的结构图。在图5-56(a)所示位置,阀芯2在弹簧1作用下处于上位,油口P与A连通。当运动部件挡块5压向滚轮4时,阀芯向下移动,油口P与T连通。图5-56(b)所示为二位三通机动换向阀的职能符号。

图5-56 二位三通机动换向阀
1—弹簧;2—阀芯;3—阀体;4—滚轮;5—挡块
机动换向阀结构简单,换向平稳可靠,但必须安装在运动部件附近,油管较长,压力损失较大。
(3)电磁换向阀。
电磁换向阀是利用电磁铁的吸合力,控制阀芯运动实现油路换向。电磁换向阀控制方便,应用广泛,但由于液压油通过阀芯时所产生的液动力使阀芯移动受到阻碍,受到电磁吸合力限制,电磁换向阀只能用于控制较小流量的回路。
①电磁铁。电磁换向阀中的电磁铁是驱动阀芯运动的动力元件。按电源类型可分为直流电磁铁和交流电磁铁;按活动衔铁是否在液压油充分润滑状态下运动,可分为干式电磁铁和湿式电磁铁。
交流电磁铁可直接使用380V、220V、110V交流电源,具有电路简单、无需特殊电源、吸合力较大等优点,由于其铁心材料由矽钢片叠压而成,体积大,电涡流造成的热损耗和噪声无法消除,因而具有发热大、噪声大,且工作可靠性差、寿命短等缺点,可用在设备换向精度要求不高的场合。
直流电磁铁需要一套变压与整流设备,所使用的直流电流为12V、24V、36V或110V,由于其铁心一般由整体工业纯铁制成,具有电涡流损耗小、无噪声、体积小、工作可靠性好、寿命长等优点。但直流电磁铁需用特殊电源,造价较高,加工精度也较高,一般用在换向精度要求较高的场合。
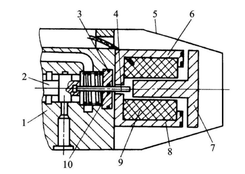
图5-57所示为干式电磁铁结构图。干式电磁铁结构简单、造价低、品种多、应用广泛。但为了保证电磁铁不进油,在阀芯推动杆4处设置了密封圈10,此密封圈所产生的摩擦力消耗了部分电磁推力,同时也限制了电磁铁的使用寿命。
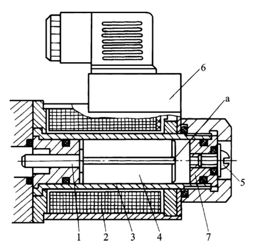
图5-58所示为湿式电磁铁结构图。由图可知,电磁阀推杆1上的密封圈被取消,换向阀端的压力油直接进入衔铁4与导磁导套缸3之间的空隙处,使衔铁在充分润滑的条件下工作,工作条件得到改善。油槽a的作用是使衔铁两端油室互相连通,又存在一定的阻尼,使衔铁运动更加平稳。线圈2安放在导磁导套缸3的外面,不与液压油接触,其寿命大大提高。当然,湿式电磁铁也存在造价高、换向频率受限等缺点。湿式电磁铁也有直流和交流电磁铁之分。

图5-57 干式电磁铁结构
1—阀体;2—阀芯;3—密封圈;4—推动杆;
5—外壳;6—分磁环;7—衔铁;8—定铁心;
9—线圈;10—密封圈

图5-58 湿式电磁铁结构
1—推杆;2—线圈;3—导磁导套缸;4—衔铁;
5—放气螺钉;6—插头组件;7—挡板
②二位二通电磁换向阀。图5-59(a)所示为二位二通电磁换向阀的结构图,由图5-59(a)可以看出,阀体上两个沉割槽分别与开在阀体上的油口相连(由箭头表示),阀体两腔由通道a-b-c相连,当电磁铁未通电时,阀芯2被弹簧3压向左端位置,顶在挡板5的端面上,此时油口P与A不通;当电磁铁通电时,衔铁8向右吸合,推杆7推动阀芯向右移动,弹簧3压缩,油口P与A接通。图5-59(b)所示为二位二通电磁换向阀的职能符号。

图5-59 二位二通电磁换向阀
1—阀体;2—阀芯;3—弹簧;4、5、6—挡块;7—推杆;
8—衔铁;9—螺钉;10—钢球;11—弹簧挡圈;12—密封圈
③三位四通电磁换向阀。图5-60(a)所示为三位四通电磁换向阀结构图,由图5-60(a)可知,阀芯2上有两个环槽,阀体上开有五个沉割槽,中间三个沉割槽分别与油口P、A、B相连(由箭头表示)。两边两个沉割槽由内部通道a-b相连后与油口T相通(由箭头表示)。当两端电磁铁8、9均不通电时,阀芯在两端弹簧5的作用下处于中间位置,油口A、B、P、T均不通;当电磁铁9通电时,推杆推动阀芯2向左移动,油口P与A接通,B与T接通;当电磁铁8通电时,推杆推动阀芯2向右移动,油口P与B接通,A与T接通。图5-60(b)所示为三位四通电磁换向阀的职能符号。

图5-60 三位四通电磁换向阀
1—阀体;2—阀芯;3—推杆;4—定位套;5—弹簧;
6、7—挡板;8、9—电磁铁;10—封堵;11—螺塞
(4)液动换向阀。
液动换向阀是利用液压系统中控制油路的压力油来推动阀芯移动,实现油路的换向。由于控制油路的压力能调节,因此可以产生较大的推力。液动换向阀可以用于控制较大流量的回路。
图5-61(a)为三位四通液动换向阀的结构图。阀芯2上开有两个环槽,阀体1孔内开有五个沉割槽。阀体的沉割槽分别与油口P、A、B、T相连(左右两沉割槽在阀体内由内部通道相连),阀芯两端有两个控制油口K1、K2分别与控制油路连通。当控制油口K1与K2均无压力油时,阀芯2处于中间位置,油口P、A、B、T互不相通,当控制油口K1有压力油时,压力油推动阀芯2向右移动,使之处于右端位置,油口P与A连通,油口B与T连通;当控制油口K2有压力油时,压力油推动阀芯2向左移动,使之处于左端位置,油口P与B连通,油口A与T连通。图5-61(b)所示为三位四通液动换向阀的职能符号。

图5-61 三位四通液动换向阀
1—阀体;2—阀芯;3—弹簧;4—弹簧套;5—阀端盖
(5)电液动换向阀。
电液动换向阀简称电液换向阀,由电磁换向阀和液动换向阀组成。电磁换向阀为Y型中位机能的先导阀,用于控制液动换向阀换向;液动换向阀为O型中位机能的主换向阀,用于控制主油路换向。
电液换向阀集中了电磁换向阀和液动换向阀的优点:既可方便的换向,也可控制较大的液流流量。图5-62(a)所示为三位四通电液换向阀结构原理图,图5-62(b)所示为该阀的职能符号,图5-62(c)所示为该阀的简化职能符号。
由图5-62(a)可知,电液换向阀的原理为:当电磁铁4、6均不通电时,电磁阀芯5处于中位,控制油进口P′被关闭,液动阀阀芯1两端均不通压力油,在弹簧作用下液动阀阀芯处于中位,主油路P、A、B、T互不相通;当电磁铁4通电时,电磁阀阀芯5处于右位,控制油口P′打开,油液通过单向阀2到达液动阀阀芯1左腔;回油经节流阀7、电磁阀阀芯5流回油箱T′,此时液动阀阀芯向右移动,主油路P与A连通,B与T连通。同理,当电磁铁6通电、电磁铁4断电时,先导阀芯向左移,控制油压使液动阀阀芯向左移动,主油路P与B连通,A与T连通。

图5-62 三位四通电液换向阀
1—液动阀阀芯;2、8—单向阀;3、7—节流阀;4、6—电磁铁;5—电磁阀芯;9—阀体
电液换向阀内的节流阀可以调节液动阀阀芯的移动速度,从而使主油路的换向平稳性得到控制。有的电磁换向阀无此调节装置。
3.转阀式换向阀
转阀式换向阀又称为转阀。图5-63所示为转阀式换向阀工作原理图,阀芯1上开有4个对称的圆缺,两两对应连通,阀体2上开有四个油口分别与油泵P、油箱T,以及油缸两腔A、B连通。当阀芯处于图5-63(a)所示位置时,P与A连通,B与T连通,活塞向右运动;当阀芯处于图5-63(b)所示位置时,P、A、B、T均不连通,活塞停止运动;当阀芯处于图5-63(c)所示位置时,P与B连通,A与T连通,活塞向左运动。图5-63(d)所示为转阀的职能符号。

图5-63 转阀式换向阀工作原理
转阀阀芯上的径向液压力是不平衡的,转动比较费力,而且内部密封也比较差,一般只适用于低压小流量的场合,常作为先导阀或小流量换向阀。
4.球阀式换向阀
球阀式换向阀又称为球阀。图5-64所示为电磁球阀的结构图,它主要由左阀座、右阀座、球阀、操纵杆、杠杆、弹簧等组成。图中P口压力油除通过右阀座孔作用在球阀的右边外,还经过阀体上的通道b进入操纵杆的空腔并作用在球阀的左边,于是球阀所受轴向液压力平衡。图5-64(b)所示为该阀的职能符号。
在电磁铁不通电无电磁力输出时,球阀在右端弹簧力的作用下紧压在左阀座孔上,油口P与A连通,油口T关闭。当电磁铁通电后,则电磁吸力推动铁芯左移,杠杆绕支点逆时针方向转动,电磁吸力经放大(一般放大3~4倍)后通过操纵杆给球阀施加一个向右的力。该力克服球阀右边的弹簧力将球阀推向右阀座孔,于是油口P与T不通,油口A与T连通,油路换向。
图5-64所示球阀式换向阀为二位三通阀,在装上专用底板后可构成四通阀。与电磁滑阀相比,电磁球阀有下列几个特点。
(1)无液压卡死现象,对油液污染不敏感,换向性能好。
(2)密封为线密封,密封性能好,最高工作压力可达63MPa。
(3)电磁吸力经放大后传给阀芯,推动力大。
(4)使用介质的黏度范围大,可以直接用于高水基、乳化液。
(5)球阀换向时,中间过渡位置三个油口互通,故不能像滑阀那样具有多种中位机能。
(6)因要保证左、右阀座孔与阀体孔同心,因此加工、装配工艺难度较大,成本较高。
(7)目前主要用在超高压小流量的液压系统中或作为二通插装阀的先导阀。

图5-64 球阀式换向阀
1—支点;2—操纵杆;3—杠杆;4—左阀座;
5—球阀;6—右阀座;7—弹簧;8—电磁铁
5.多路换向阀
多路换向阀是一种集成化结构的手动控制复合式换向阀,通常由多个换向阀及单向阀、溢流阀、补油阀等组成,其换向阀的个数由多路集成控制的执行机构数目而定,溢流阀、补油阀、单向阀、过载阀可根据要求装设。多路换向阀以其多项的功能、集成的结构和方便的操作性,在矿山机械、冶金机械、工程机械等行走液压设备中得到广泛的应用。
1)多路阀的结构形式
多路阀的结构形式常分为组合式多路阀和整体式多路阀两种。组合式多路阀又称为分片式多路阀。它由若干片阀体组成,一个换向阀称为一片,用螺栓将叠加的各片连接起来。它可以用很少几种单元阀体组合成多种不同功能的多路阀,能够适应多种机械的需要。它具有通用性较强、制造工艺性好等特点,但也存在阀体积大、片间需密封、阀体容易变形而卡住阀芯、内泄漏较为严重等问题。
整体式多路阀是把具有固定数目的多个换向阀体铸造成一个整体,所有换向阀滑阀及各种阀类元件均装在这一阀体内。该阀体铸造成油道,有利于设计安排,其拐弯处过渡圆滑,过流损失小,通流能力大,阀体刚性好,阀芯配合精度可得到较大的提高,机加工工作量减小,内外泄漏小,结构更加紧凑。这种阀的缺点是铸造及加工要求的工艺性高、清砂工作困难、制造时质量控制难度较大。
2)多路阀油路的连接方式
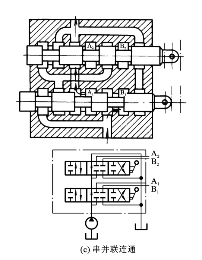
根据主机工作性能要求,各换向阀之间的油路连接,通常有并联、串联、混联三种方式。
图5-65(a)所示为并联油路的多路阀。这类多路阀,从系统来的压力油可直接通到各联滑阀的进油腔,各联滑阀的回油腔又都直接通到多路换向阀的总回油口。当采用这种油路连通方式的多路换向阀同时工作时,压力油总是先进入油压较低的执行元件,因此,只有执行元件进油腔的油压相等时,它们才能同时动作。并联油路的多路换向阀压力损失较小。

图5-65 多路阀的油路连接方式及符号
A1—第一个执行元件的工作油口;B1—第一个执行元件的工作油口;
A2—第二个执行元件的工作油口;B2—第二个执行元件的工作油口

续图5-65
图5-65(b)所示为串联油路连接的多路阀。在这类阀中,每一联滑阀的进油腔都与前一联滑阀的中位回油路相通,这样,可使串联油路内数个执行元件同时动作。实现上述动作的条件是液压泵所能提供的油压要大于所有正在工作的执行元件两腔压差之和。串联油路的多路换向阀的压力损失较大。
图5-65(c)所示为串并联油路连接的多路阀。在此阀中,每一联滑阀的进油腔都与前一联滑阀的中位回油路相通,每一联滑阀的回油腔则直接与总回油路连接,即各滑阀的进油腔串联,回油腔并联。它的特点是当某一联滑阀进行换向时,其后各联滑阀的进油通路均被切断。因此,各滑阀之间具有互锁功能,可以防止误动作。
除上述三种基本方式外,当多路换向阀的联数较多时,还常常采用上述几种油路连接方式的组合,称为复合油路连接。