5.3 流量控制阀
5.3.1 流量控制阀的概述
流量控制阀是通过改变节流口面积的大小,从而改变通过阀的流量。在液压系统中,流量阀的作用是对执行元件的运动速度进行控制。常见的流量控制阀有节流阀、调速阀、溢流节流阀等。
对流量控制阀的主要要求是具有足够的调节范围、能保证稳定的最小流量、温度和压力变化对流量的影响要小、调节方便、泄漏小等。
5.3.2 节流阀
1.节流阀的工作原理和结构
图5-30(a)所示为一种普通节流阀的结构简图。这种节流阀的节流通道呈轴向三角槽形。油液从进油口P1流入,经孔道a和阀芯2左端的三角槽进入孔道b,再从出油口P2流出。调节手把4就能通过推杆3使阀芯2作轴向移动,通过改变节流口的通流截面面积来调节流量。阀芯2在弹簧1的作用下始终贴紧在推杆3上。图5-30(b)所示为普通节流阀的职能符号。

图5-30 普通节流阀
1—弹簧;2—阀芯;3—推杆;4—调节手把;a、b—孔道
2.节流阀的性能
1)节流口的节流特性
节流口的节流特性是指液体流经节流口时,通过节流口的流量所受到的影响因素,以及这些因素与流量之间的关系,从而分析如何减少这些因素对其的影响,提高流量的稳定性。分析节流特性的理论依据是阀口的流量特性方程式(5-1),即q=CATΔpm。
2)影响流量稳定性的因素
(1)压力对流量稳定性的影响。

图5-31 节流口的流量特性曲线
在使用中,当节流阀的通流截面面积调整好以后,实际上由于负载的变化,节流口前后的压差也在变化,使流量不稳定。由式(5-1)和图5-31可看出,节流口的m越大,Δp的变化对流量的影响也越大,因此节流口制成薄壁小孔(m=0.5)比制成细长小孔(m=1)好。
(2)温度对流量稳定性的影响。
油温的变化引起黏度变化,从而对流量发生影响,这在细长小孔节流口上是十分明显的。对薄壁小孔节流口来说,当雷诺数Re大于临界值时,流量系数Cd不受油温影响;但当压力差小,通流截面面积小时,Cd与Re有关,流量要受到油温变化的影响。总之,薄壁小孔受温度的影响小。
3)节流口的形式
当节流口的通流截面面积小到一定程度时,在保持所有因素都不变的情况下,通过节流口的流量会出现周期性的脉动,甚至造成断流,这就是节流口的阻塞现象。节流口的阻塞会使液压系统中执行元件的速度不均匀。因此每个节流阀都有一个能正常工作的最小流量限制,称为节流阀的最小稳定流量。
常见节流口的形式主要有图5-1所示的几种。
(1)图5-1(a)所示为针阀式节流口。其节流口的截面形式为环形缝隙。当改变阀芯轴向位置时,通流面积发生改变。此节流口的特点是结构简单、易于制造,但水力半径小、流量稳定性差,适用于对节流性能要求不高的系统。
(2)图5-1(b)所示为偏心槽式节流口。在阀芯上开有周向偏心槽,其截面为三角槽,转动阀芯,可改变通流面积。这种节流口水力半径较针阀式节流口大,流量稳定性较好,但在阀芯上有径向不平衡力,使阀芯转动费力,一般用于低压系统。
(3)图5-1(c)所示为三角槽式节流口。在阀芯断面轴向开有两个轴向三角槽,当轴向移动阀芯时,三角槽与阀体间形成的节流口面积发生变化。这种节流口的工艺性好、径向力平衡、水力半径较大、调节方便,广泛应用于各种流量阀中。
(4)图5-1(d)所示为周向缝隙式节流口。为得到薄壁小孔的效果,在阀芯内孔局部铣出一薄壁区域,然后在薄壁区开出一周向缝隙。此节流口形状近似矩形,通流性能较好,由于接近于薄壁小孔,其流量稳定特性也较好。
(5)图5-1(e)所示为轴向缝隙式节流口。此节流口的形式为在阀套外壁铣削出一薄壁区域,然后在其中间开一个近似梯形窗口(见图5-1(e)中A向放大图)。由于这种节流口更接近于薄壁小孔,因此其通流性能较好。这种节流口为目前最好的节流口之一,用于要求较高的节流阀上。
流量调节范围是指通过阀的最大流量和最小流量之比,一般在50以上。高压流量阀则在10左右。有些阀也采用最大流量与最小流量的实际值来表示阀的流量调节范围,流量调节范围是流量控制阀的参数之一。
普通节流阀的流量调节仅靠一个节流口调节,其流量的稳定性受压力和温度影响较大。
3.节流阀的应用
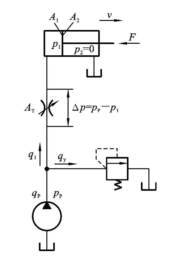
1)进口节流调速
将普通节流阀安置在液压缸工进时的进油管路上,和定量泵、溢流阀共同构成节流阀进口节流调速回路,如图5-32所示。
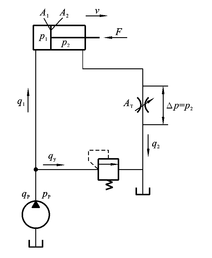
2)出口节流调速
将普通节流阀安置在液压缸工进时的回油管路上,与定量泵,溢流阀共同构成节流阀出口节流调速回路,如图5-33所示。
在上述两种调速回路中,节流阀的开口调大,液压缸的速度便提高;反之则降低。即调节节流阀过流断面(开口)的大小,就调整了液压缸的运动速度。
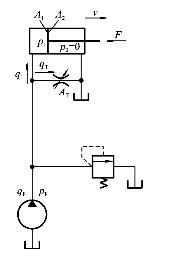
3)旁路节流调速
将普通节流阀安置在液压缸工进时并联的管路上,与定量泵和溢流阀便构成了节流阀旁路节流调速回路,如图5-34所示。调节节流阀的开口大小,便于调整液压缸的运动速度。与进口、出口调速不同的是,节流阀的开口调大,液压缸的速度降低,反之亦然。且这里的溢流阀作安全阀用,即系统正常工作时,溢流阀关闭;系统过载并达到事先设定的危险压力时,溢流阀才开启、溢流,使系统压力不再升高,起安全保护作用。

图5-32 普通节流阀的进口节流调速回路

图5-33 普通节流阀的出口节流调速回路
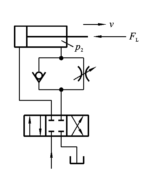
4)作背压阀用
将普通节流阀安置在液压缸工进时回油管路上,可使液压缸的回油建立起压力p2,即形成背压,作背压阀用,如图5-35所示。
5)组成容积节流调速回路
普通节流阀和压差式变量泵等组合在一起可构成容积节流调速回路。

图5-34 普通节流阀的旁路节流调速回路

图5-35 普通节流阀作背压阀用
5.3.3 调速阀和溢流节流阀
从通过阀的流量公式可知,通过节流阀的流量会受其进出口两端压差变化的影响。在液压系统中,执行元件的负载变化会引起系统压力变化,进而使节流阀两端的压差也发生变化,而执行元件的运动速度与通过节流阀的流量有关。因此,负载变化,其运动速度也相应发生变化。为了使流经节流阀的流量不受负载变化的影响,必须对节流阀前后的压差进行压力补偿,使其保持在一个稳定值上。这种带压力补偿的流量阀称为调速阀。
目前,调速阀中所采取的保持节流阀前后压差恒定的压力补偿的方式主要有两种:其一是将减压阀与节流阀串联,称之为调速阀;其二是将定压溢流阀与节流阀并联,称之为溢流节流阀。
1.调速阀
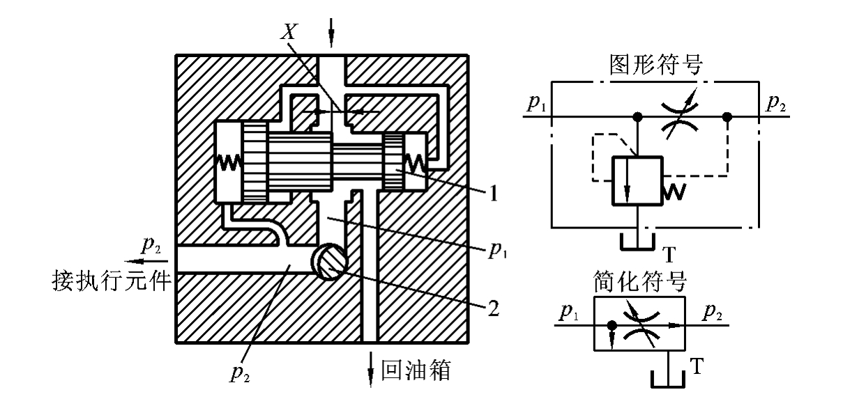
1)调速阀的工作原理和结构
调速阀由定差减压阀和节流阀两部分组成。定差减压阀可以串联在节流阀之前,也可串联在节流阀之后。图5-36(a)所示为调速阀的工作原理图,图中1为定差减压阀,2为节流阀,压力为p1的油液流经减压阀节流口h后,压力降为p2。然后经节流阀节流口流出,其压力降为p3。进入节流阀前的压力为p2的油液,经通道e和f进入定差减压阀的b腔和c腔,而流经节流口压力为p3的油液,经通道g被引入减压阀a腔。当减压阀的阀芯在弹簧力Fs、液动力Fy、液压力p3A3和p2(A1+A2)的作用下处于平衡位置时,调速阀处于工作状态。此时,若调速阀出口压力p3因负载增大而增加时,作用在减压阀阀芯左端的压力增加,阀芯失去平衡向右移动,减压阀开口XR增大,减压作用减小,p2增加,结果节流阀口两端压差Δp=p2-p3基本保持不变。同理,当p3减小时,减压阀阀芯左移,p2也减少,节流阀节流口两端压差同样基本不变。这样,通过节流口的流量基本不会因负载的变化而改变。图5-36(b)所示为调速阀的职能符号,图5-36(c)所示为调速阀的简化职能符号。

图5-36 调速阀工作原理图及符号
1—定差减压阀;2—节流阀
2)调速阀的性能
调速阀能保持流量稳定的功能,主要是由具有压力补偿作用的减压阀起作用,从而保持节流阀口前后的压力差近似不变,最后使流量近似恒定。建立静态特性方程式的主要依据是动力学方程和流量连续性方程,以及相应的流量表达式。
减压阀的流量方程式为

节流阀的流量方程式为

减压阀芯的受力平衡方程式为

根据流量连续性方程,不计内泄漏,则

由式(5-15)可知,X0、XR、K和Aa值决定了(p2-p3)的值。通过理论分析和实验验证选择(p2-p3)为0.3MPa左右。
由式(5-12)可知,要保持流量稳定就要求(p2-p3)压差稳定。当节流阀口开度XT调定后,阀的进出口压力p1或p3变化时,XR也变化,弹簧力Fs和液动力FY也要发生变化。由式(5-15)可知,弹簧力变化量ΔFs与液动力ΔFY变化量的差值ΔF越小,则Aa越大,(p2-p3)的变化量就越小。合理设计减压阀的弹簧刚度和减压阀口的形状,就会得到较好的流量特性。

图5-37 普通节流阀和调速阀的静态特性曲线
1—无压力补偿;2—有压力补偿
图5-37所示为普通节流阀和调速阀的静态特性曲线,即阀两端压力差Δp与通过阀的流量qT之间的关系曲线。由图5-37可知,在压力差较小时,调速阀的特性与普通节流阀相同,此时,由于压力差较小,不能将调速阀中的减压阀阀芯抬起,减压阀失去压力补偿作用,调速阀与普通节流阀的这部分曲线重合;当阀两端压力差大于某一值时,减压阀阀芯处于工作状态,通过调速阀的流量就不受阀两端压力差的影响,而通过节流阀的流量仍然随压力差的变化而改变,两者的曲线出现明显的差别。Δpmin是调速阀的最小稳定工作压力差,一般在1MPa左右。
3)调速阀的应用
调速阀的应用与节流阀相似,凡是节流阀能应用的场合,调速阀均可应用。与普通节流阀不同的是,调速阀应用于对速度稳定性要求较高的液压系统中。
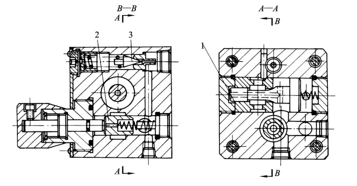
2.溢流节流阀
1)溢流节流阀的工作原理和结构
溢流节流阀是节流阀与溢流阀并联而成的组合阀,它也能补偿因负载变化而引起的流量变化。图5-38所示为其结构图,图5-39所示为其工作原理图。与调速阀不同,用于实现压力补偿的差压式溢流阀1的进口与节流阀2的进口并联,节流阀的出口接执行元件,差压式溢流阀的出口接回油箱。节流阀的前后压力p1和p2经阀体内部通道反馈作用在差压式溢流阀的阀芯两端,在溢流阀阀芯受力平衡时,压力差(p1-p2)被弹簧力确定为基本不变,因此流经节流阀的流量基本稳定。

图5-38 溢流节流阀结构图
1—差压式溢流阀;2—节流阀;3—安全阀

图5-39 溢流节流阀工作原理图
1—差压式溢流阀;2—节流阀
图5-38所示结构中安全阀3的进口与节流阀的进口并联,用于限制节流阀的进口压力p1的最大值,对系统起安全保护作用,溢流节流阀正常工作时,安全阀处于关闭状态。
若因负载变化引起节流阀出口压力p2增大,差压式溢流阀芯弹簧端的液压力将随之增大,阀芯原有的受力平衡被破坏,阀芯向阀口减小的方向位移,阀口减小使其阻尼作用增强,于是进口压力p1增大,阀芯受力重新平衡。因差压式溢流阀的弹簧刚度很小,因此阀芯的位移对弹簧力影响不大,即阀芯在新的位置平衡后,阀芯两端的压力差,也就是节流阀前后压力差(p1-p2)保持不变。在负载变化引起节流阀出口压力p2减小时,类似上面的分析,同样可保证节流阀前后压力差(p1-p2)基本不变。
2)溢流节流阀的性能
溢流节流阀能保持流量稳定的功能,主要是因为具有流量补偿作用的溢流阀起作用,从而通过p1随p2的变化而变化来保持节流口前后的压差近似不变,使流量保持近似恒定。溢流节流阀的静态特性与调速阀相同。
3)溢流节流阀的应用
溢流节流阀和调速阀都能使速度基本稳定,但其性能和使用范围不完全相同,主要差别如下。
(1)溢流节流阀其进口压力即泵的供油压力p随负载的大小而变化。负载大,供油压力大,反之亦然。因此泵的功率输出合理、损失较小,效率比采用调速阀的调速回路高。
(2)溢流节流阀的流量稳定性较调速阀差,在小流量时尤其如此。因此,在有较低稳定流量要求的场合不宜采用溢流节流阀,而在速度稳定性要求不高、功率又较大的节流调速系统中,如插床、拉床、刨床中的应用较多。
(3)在使用中,溢流节流阀只能安装在节流调速回路的进油路上,而调速阀在节流调速回路的进油路、回油路和旁油路上都可以应用。因此,调速阀比溢流节流阀的应用更广泛。