5.2 压力控制阀
5.2.1 压力控制阀的概述
在液压传动系统中,控制油液压力高低或利用压力实现某些动作的液压阀统称压力控制阀,简称压力阀。
压力阀按其功能可分为溢流阀、减压阀、顺序阀和压力继电器等。这类阀的共同点都是利用作用在阀芯上的液压力和弹簧力相平衡的原理工作的。
5.2.2 溢流阀
溢流阀是通过阀口的溢流,使被控制系统或回路的压力维持恒定,实现稳压、调压或限压作用。溢流阀按其结构原理可分为直动型溢流阀和先导型溢流阀。
对溢流阀的主要要求如下:调压范围大、调压偏差小、压力振摆小、动作灵敏、过流能力大、噪声小。
1.直动型溢流阀
1)直动型溢流阀的工作原理和结构
图5-6(a)所示为锥阀式(还有球阀式和滑阀式)直动型溢流阀的工作原理图。当进油口P从系统接入的油液压力不高时,锥阀芯2被弹簧3紧压在阀体1的孔口上,阀口关闭。当进口油压升高到能克服弹簧阻力时,便推开锥阀芯使阀口打开,油液就由进油口P流入,再从回油口T流回油箱(溢流),进油压力也就不会继续升高。当通过溢流阀的流量变化时,阀口开度即弹簧压缩量也随之改变。但在弹簧压缩量变化甚小的情况下,可以认为阀芯在液压力和弹簧力作用下保持平衡,溢流阀进口处的压力基本保持为定值。拧动调节螺钉4改变弹簧预压缩量,便可调整溢流阀的溢流压力。
这种溢流阀因压力油直接作用于阀芯,故称为直动型溢流阀。直动型溢流阀一般只能用于低压、小流量处,因控制较高压力或较大流量时,需要安装刚度较大的硬弹簧,阀芯开启的距离较大,不但手动调节困难,而且阀口开度(弹簧压缩量)略有变化便会引起较大的压力波动,压力不能稳定。系统压力较高时宜采用先导型溢流阀。
若阀芯的面积为A,则此时阀芯下端受到的液压力为pA,调压弹簧的预紧力为Fs,当Fs=pA时,阀芯即将开启,这一状态时的压力称之为直动型溢流阀的开启压力,用pk表示。即

图5-6 直动型溢流阀
1—阀体;2—锥阀芯;3,9—弹簧;4—调节螺钉;5—上盖;6—阀套;7—阀芯;
8—插块阀体;10—偏流盘;11—阀锥;12—阻尼活塞

当pkA>Fs时,阀芯上移,弹簧进一步受到压缩,溢流阀开始溢流,直到阀芯达到某一新的平衡位置时停止移动。此时进油口的压力p为

式中:x——由于阀芯的移动使弹簧产生的附加压缩量。
由于阀芯移动量不大(即x变动很小),所以当阀芯处于平衡状态时,可认为阀进口压力p基本保持不变。
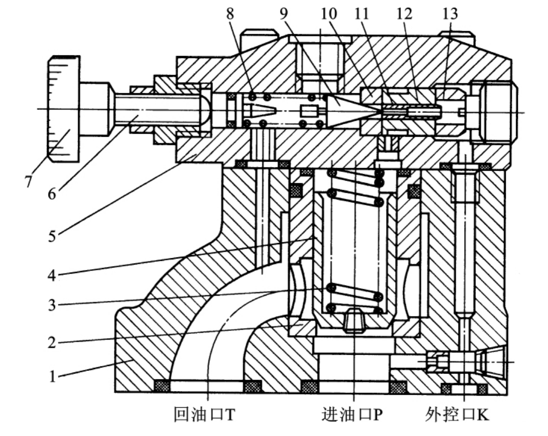
图5-6(b)所示为DBD型直动型溢流阀的结构原理图。图中锥阀下部为减振阻尼活塞,如图5-6(c)所示的局部放大图。这种阀是一种性能优异的直动型溢流阀,其静态特性曲线较为理想,接近直线,其最大调节压力为40MPa。这种阀的溢流特性好,通流能力也较强,既可作为安全阀又可作为溢流稳压阀使用。该阀阀芯7由阻尼活塞12、阀锥11和偏流盘10三部分组成(见图5-6(c)阀芯局部放大图)。在阻尼活塞的一侧铣有小平面,以便压力油进入并作用于底端。阻尼活塞作用有两个:导向和阻尼。保证阀芯开始和关闭时既不歪斜又不偏摆振动,提高了稳定性。阻尼活塞与阀锥之间有一与阀锥对称的锥面,故阀芯开启时,流入和流出油液对两锥面的稳态液动力相互平衡,不会产生影响。此外,在偏流盘的上侧支承着弹簧,下侧表面开有一圈环形槽,用以改变阀口开启后回油射流的方向。对这股射流运用动量方程可知,射流对偏流盘轴向冲击力的方向与弹簧力方向相反,当溢流量及阀口开度增大时,弹簧力虽增大,但与之反向的冲击力也增大,可相互抵消,反之亦然。因此该阀能自行消除阀口开度变化对压力的影响。故该阀所控制的压力基本不受溢流量变化的影响,锥阀和球阀式阀芯结构简单、密封性好,但阀芯和阀座的接触应力大。实际应用中滑阀式阀芯用得较多,但泄漏量较大。
2)溢流阀的性能
溢流阀的性能主要有静态性能和动态性能两种。
(1)静态特性。溢流阀的静态性能是指阀在系统压力没有突变的稳态情况下,所控制流体的压力、流量的变化情况。溢流阀的静态特性主要指压力-流量特性、启闭特性、压力调节范围、流量许用范围、卸荷压力等。
①溢流阀的压力-流量特性。溢流阀的压力-流量特性是指溢流阀入口压力与流量之间的变化关系。图5-7所示为溢流阀的静态特性曲线。其中pk1为直动型溢流阀的开启压力,当阀入口压力小于pk1时,溢流阀处于关闭状态,通过阀的流量为零;当阀入口压力大于pk1时,溢流阀开始溢流。pk2为先导型溢流阀的开启压力,当阀入口压力小于pk2时,先导阀关闭,溢流量为零,当阀入口压力大于pk2时,先导阀开启,然后主阀芯打开,溢流阀开始溢流。在这两种阀中,当阀入口压力达到调定压力pn时,通过阀的流量达到额定溢流量qn。
由溢流阀的特性分布可知:当阀溢流量发生变化时,阀入口压力波动越小,阀的性能越好。由图5-7所示溢流阀的静态特性曲线可见,先导型溢流阀的性能优于直动型溢流阀。
②溢流阀的启闭特性。启闭特性是表征溢流阀性能好坏的重要指标,一般用开启压力比率和闭合压力比率表示。当溢流阀从关闭状态逐渐开启,其溢流量达到额定流量的1%时,所对应的压力定义为开启压力pk,pk与调定压力ps之比的百分率,称之为开启压力比率。当溢流阀从全开启状态逐渐关闭,其溢流量为其额定流量的1%时,所对应的压力定义为闭合压力p′k,p′k与调定压力ps之比的百分率,称之为闭合压力比率。开启压力比率与闭合压力比率越高,阀的性能越好。一般开启压力比率应≥90%,闭合压力比率应≥85%。图5-8所示为溢流阀的启闭特性曲线。曲线1为先导型溢流阀的开启特性曲线,曲线2为闭合特性曲线。

图5-7 溢流阀的静态特性曲线

图5-8 溢流阀的启闭特性曲线
③溢流阀的压力稳定性系统在工作时,由于油泵的流量脉动及负载变化的影响,导致溢流阀的主阀芯一直处于振动状态,阀所控制的油压也因此产生波动。衡量溢流阀的压力稳定性用两个指标度量:一是在整个调压范围内阀在额定流量状态下的压力波动值;二是在额定压力和额定流量状态下,3min内的压力偏移值。上述两个指标值越小,溢流阀的压力稳定性就越好。
④溢流阀的卸荷压力将溢流阀的遥控口与油箱连通后,油泵处于卸荷状态时,溢流阀进出油口压力之差称之为卸荷压力。溢流阀的卸荷压力越小,系统发热越少,一般溢流阀的卸荷压力不大于0.2MPa,最大不应超过0.45MPa。
⑤压力调节范围。溢流阀的压力调节范围是指溢流阀能够保证性能的压力使用范围。溢流阀在此范围内调节压力时,进口压力能保持平稳变化,无突跳、迟滞等现象。在实际情况下,当需要溢流阀扩大调压范围时,可通过更换不同刚度的弹簧来实现。如国产调压范围为12~31.5MPa的高压溢流阀,更换四种刚性不等的调节弹簧可实现0.5~7MPa、3.5~14MPa、7~21MPa和14~35MPa四种范围的压力调节。
⑥流量许用范围。溢流阀的流量许用范围一般是指阀额定流量的15%~100%。阀在此流量范围内工作,其压力应当平衡且噪声小。

图5-9 溢流阀的动态特性曲线
(2)动态特性。溢流阀的动态特性是指在系统压力突变时,阀在响应过程中所表现出的性能指标。图5-9所示为溢流阀的动态特性曲线。此曲线的测定过程是:将处于卸荷状态下的溢流阀突然关闭时(一般是由小流量电磁阀切断通油池的遥控口),阀的进口压力迅速提升至最大峰值,然后振荡衰减至调定压力,再使溢流阀在稳态溢流时开始卸荷。经此压力变化循环过程后,可以得出以下动态特性指标。
①压力超调量。最大峰值压力与调定压力之差,称之为压力超调量,用Δp表示。压力超调量越小,阀的稳定性越好。
②过渡时间。过渡时间指溢流阀的压力从开始上升,到最后稳定在调定压力所需的时间,用符号t表示。过渡时间越小,阀的灵敏性越高。
③压力稳定性。溢流阀在调压状态下工作时,由于泵的压力脉动而引起系统压力在调定压力附近产生有规律的波动,这种压力的波动可以从压力表指针的振摆看到,此压力振摆的大小标志阀的压力稳定性。压力振摆越小,阀的压力稳定性越好。一般溢流阀的压力振摆应小于0.2MPa。
2.先导型溢流阀
先导型溢流阀是由先导阀和主阀组成的。先导阀用以控制主阀芯两端的压差,主阀用于控制主油路的溢流。图5-10(a)所示为一种板式连接的先导型溢流阀的结构原理图。由图5-10(a)可见,先导型溢流阀由先导阀1和主阀2两部分组成。先导阀就是一个小规格的直动型溢流阀,而主阀阀芯是一个具有锥形端部、上面开有阻尼小孔的圆柱筒。

图5-10 先导型溢流阀工作原理
1—先导阀;2—主阀
在图5-10(a)中,油液从进油口P进入,经阻尼孔R到达主阀弹簧腔,并作用在先导阀锥阀阀芯上(一般情况下,外控口K是堵塞的)。当进油压力不高时,液压力不能克服先导阀的弹簧阻力,先导阀口关闭,阀内无油液流动。这时,主阀芯因前后腔油压相同,故被主阀弹簧压在阀座上,主阀口关闭。当进油压力升高到先导阀弹簧的预调压力时,先导阀口打开,主阀弹簧腔的油液流过先导阀口并经阀体上的通道和回油口T流回油箱。这时,油液流过阻尼小孔R,产生压力损失,使主阀芯两端形成了压力差,主阀芯在此压力差作用下克服弹簧阻力向上移动,使进、回油口连通,达到溢流稳压的目的。调节先导阀的调节螺钉,便能调整溢流压力。更换不同刚度的调压弹簧,便能得到不同的调压范围。
先导型溢流阀的阀体上有一个远程控制口K,当将此口通过二位二通阀接通油箱时,主阀芯上端的弹簧腔压力接近于零,主阀芯在很小的压力下便可移动到上端,阀口开至最大,这时系统的油液在很低的压力下通过阀口流回油箱,实现卸荷作用。如果将K口接到另一个远程调压阀上(其结构和溢流阀的先导阀一样),并使打开远程调压阀的压力小于先导阀的调定压力,则主阀芯上端的压力就由远程调压阀来决定。使用远程调压阀后便可对系统的溢流压力实行远程调节。
溢流阀的图形符号如图5-10(b)、(c)所示。其中,图5-10(b)所示为溢流阀的一般符号或直动型溢流阀的符号;图5-10(c)所示为先导型溢流阀的符号。图5-11所示为先导型溢流阀的一种典型结构。先导型溢流阀的稳压性能优于直动型溢流阀。但先导型溢流阀是二级阀,其灵敏度低于直动型溢流阀。

图5-11 先导型溢流阀的典型结构
1—阀体;2—主阀套;3—弹簧;4—主阀芯;5—先导阀阀体;6—调节螺钉;7—调节手枪;
8—弹簧;9—先导阀阀芯;10—先导阀阀座;11—柱塞;12—导套;13—消振垫
3.溢流阀的应用
溢流阀在每一个液压系统中都有使用,主要应用如下。
1)作溢流阀用
在图5-12所示的用定量泵供油的节流调速回路中,当泵的流量大于节流阀允许通过的流量时,溢流阀使多余的油液流回油箱,此时泵的出口压力保持恒定。
2)作安全阀用
在图5-13所示的由变量泵组成的液压系统中,用溢流阀限制系统的最高压力,防止系统过载。系统在正常工作状态下,溢流阀关闭;当系统过载时,溢流阀打开,使压力油经阀流回油箱。此时,溢流阀为安全阀。

图5-12 溢流阀起溢流定压的作用

图5-13 溢流阀作安全阀用
3)作背压阀用
在图5-14所示的液压回路中,溢流阀串联在回油路上,溢流产生背压,使运动部件的运动平稳性得到增加。
4)作卸荷阀用
在图5-15所示的液压回路中,在溢流阀的遥控口串接一小流量的电磁阀,当电磁铁通电时,溢流阀的遥控口通油箱,此时液压泵卸荷。溢流阀此时作为卸荷阀使用。

图5-14 溢流阀作背压阀用

图5-15 溢流阀作卸荷阀用
5.2.3 减压阀
减压阀是使其出口压力低于进口压力,并使出口压力可以调节的压力控制阀。在液压系统中减压阀用于降低或调节系统中某一支路的压力,以满足某些执行元件的需要。
对减压阀的主要要求是出口压力维持恒定,不受入口压力、通过流量大小的影响。
减压阀按其工作原理有直动型和先导型之分。按其调节性能又可分为保证出口压力为定值的定值减压阀、保证进、出口压力差不变的定差减压阀和保证进、出口压力成比例的定比减压阀。其中定值减压阀应用最广,简称减压阀。这里只介绍定值减压阀。
1.直动型减压阀
1)直动型减压阀工作原理和结构
图5-16(a)所示为直动型减压阀的结构原理图,图5-16(b)所示为直动型或一般减压阀的职能符号,当阀芯处在原始位置时,它的阀口是打开的,阀的进、出口连通。这个阀的阀芯由出口处的压力控制,出口压力未达到调定压力时阀口全开,阀芯不工作。当出口压力达到调定压力时,阀芯上移,阀口关小,整个阀处于工作状态。如忽略其他阻力,仅考虑阀芯上的液压力和弹簧力相平衡的条件,则可以认为出口压力基本上维持在某一固定的调定值上。这时如果出口压力减小,则阀芯下移,阀口开大,阀口处阻力减小,压降减小,使出口压力回升到调定值上。反之,如果出口压力增大,则阀芯上移,阀口关小,阀口处阻力加大,压降增大,使出口压力下降到调定值上。

图5-16 直动型减压阀的工作原理
2)直动型减压阀的性能
理想的减压阀在进口压力、流量发生变化或出口负载增大时,其出口压力p2始终稳定不变。但实际上p2是随p1、q的变化或负载的增大而有所变化的。故减压阀的静态特性主要有p2-p1特性和p2-q特性。
以图5-16所示的直动型减压阀为例,若忽略减压阀阀芯的自重、摩擦力和稳态液动力,则阀芯上的力的平衡方程为

由此得

当xr《xc时,则式(5-9)可写为

图5-17所示为减压阀的静态特性曲线。其中图5-17(a)、(b)分别为p2-p1特性曲线和p2-q特性曲线。在图5-17(a)所示的p2-p1特性曲线中,各曲线的拐点(转折点)是阀芯开始动作的点,拐点所对应的压力p2即该曲线的调定压力。当出口压力p2小于其调定压力时,p2=p1;当出口压力p2大于其调定压力时,p2=const。在图5-17(b)所示的p2-q特性曲线中,当p1=const时,随着q的增加,p2略有下降,且p1大则p2下降得少,但总的来说下降得不多,且p2是可调的。

图5-17 减压阀的静态特性曲线
当减压阀的出油口处不输出油液时,它的出口压力基本上仍能保持恒定,此时有少量的油液通过减压阀开口经先导阀和泄油管流回油箱,保持该阀处于工作状态。
3)减压阀的特点
减压阀和溢流阀有以下几点不同之处。
(1)减压阀保持出口处压力基本不变,而溢流阀保持进口处压力基本不变。
(2)在不工作时,减压阀进出口互通,而溢流阀进出口不通。
(3)为保证减压阀出口压力调定值恒定,它的控制腔需通过泄油口单独外接油箱;而溢流阀的出油口是通油箱的,所以它的控制腔和泄漏油可通过阀体上的通道和出油口接通,不必单独外接油箱。
2.先导型减压阀
图5-18(a)所示为传统型先导式减压阀的结构图。它是由先导阀和主阀两部分组成的。图中P1为进油口,P2为出油口,压力油通过主阀芯4下端通油槽a、主阀芯内阻尼孔b,进入主阀芯上腔c后,经孔d进入先导阀前腔。当减压阀出口压力p2小于调定压力时,先导阀芯2在弹簧作用下关闭,主阀芯4上下腔压力相等,在弹簧的作用下,主阀芯处于下端位置。此时,主阀芯4进、出油口之间的通道间隙e最大,主阀芯全开,减压阀进、出口压力相等。当阀出口压力达到调定值时,先导阀芯2打开,压力油经阻尼孔b产生压差,主阀芯上下腔压力不等,下腔压力大于上腔压力,其差值克服主阀弹簧3的作用使阀芯抬起,此时通道间隙e减小,节流作用增强,使出口压力p2低于进口压力p1,并保持在调定值上。
当调节手轮1时,先导阀弹簧的预压缩量受到调节,使先导阀所控制的主阀芯前腔的压力发生变化,从而调节了主阀芯的开口位置,调节了出口压力。由于减压阀出口为系统内的支油路,所以减压阀的先导阀上腔的泄漏口必须单独接油箱。图5-18(b)所示为先导式减压阀的职能符号。

图5-18 传统型先导式减压阀
1—手轮;2—先导阀芯;3—主阀弹簧;4—主阀芯
3.减压阀的应用
1)减压回路
图5-19所示为减压回路,在主系统的支路上串联一减压阀,用以降低和调节支路液压缸的最大推力。
2)稳压回路
图5-20所示为稳压回路,当系统压力波动较大,液压缸2需要有较稳定的输入压力时,在液压缸2进油路上串联一减压阀,在减压阀处于工作状态下,可使液压缸2的压力不受溢流阀压力波动的影响。

图5-19 减压回路

图5-20 稳压回路
3)单向减压回路
当需要执行元件正反向压力不同时,可用图5-21所示的单向减压回路。图中用双点画线框起的单向减压阀是具有单向阀功能的组合阀。

图5-21 单向减压回路
5.2.4 顺序阀
顺序阀是以压力为控制信号,自动接通或断开某一支路的液压阀。由于顺序阀可以控制执行元件顺序动作,因此称之为顺序阀。
顺序阀按其控制方式不同,可分为内控式顺序阀和外控式顺序阀。内控式顺序阀直接利用阀进口处的压力油来控制阀芯的动作,从而控制阀口的启闭;外控式顺序阀利用外来的压力油控制阀芯的动作,从而控制阀口的启闭,也称之为液控顺序阀。按顺序阀的结构不同,又可分为直动型顺序阀和先导型顺序阀。
1.直动型顺序阀
1)直动型顺序阀工作原理和结构
图5-22(a)所示为一种直动型内控顺序阀的工作原理图。压力油由进油口经阀体4和下盖7的小孔流到控制活塞6的下方,使阀芯5受到一个向上的推动力。当进口油压较低时,阀芯在弹簧2的作用下处于下部位置,这时进、出油口不通。当进口油压力增大到预调的数值以后,阀芯底部受到的推力大于弹簧力,阀芯上移,进、出油口连通,压力油就从顺序阀流过。顺序阀的开启压力可以用调压螺钉1来调节。在此阀中,控制活塞的直径很小,因而阀芯受到的向上推力不大,所用的平衡弹簧就不需要太硬,这样可以使阀在较高的压力下工作。图5-22(b)、(c)所示为直动型顺序阀的职能符号。

图5-22 顺序阀的工作原理
1—调压螺钉;2—弹簧;3—阀盖;4—阀体;5—阀芯;6—控制活塞;7—下盖
2)直动型顺序阀的性能
顺序阀在结构上与溢流阀十分相似,但在性能和功能上有很大区别,具体如下:溢流阀出口接油箱,顺序阀出口接下一级液压元件;溢流阀采取内泄漏,顺序阀一般为外泄漏;溢流阀主阀芯遮盖量小,顺序阀主阀芯遮盖量大;溢流阀打开时阀处于半打开状态,主阀芯开口处节流作用强,顺序阀打开时阀芯处于全打开状态,主通道节流作用弱。
2.先导型顺序阀
图5-23(a)所示为先导型顺序阀的结构图。该阀是由主阀与先导阀组成的。压力油从进油口P1进入,经通道进入先导阀下端,经阻尼孔和先导阀后由泄漏口L流回油箱。当系统压力不高时,先导阀关闭,主阀芯两端压力相等,复位弹簧将阀芯推向下端,顺序阀进出油口关闭;当压力达到调定值时,先导阀打开,压力油经阻尼孔时形成节流,在主阀芯两端形成压差,此压力差克服弹簧力,使主阀芯抬起,进、出油口打开。图5-23(b)所示为先导型顺序阀职能符号。

图5-23 先导型顺序阀
3.顺序阀的应用
1)实现执行元件的顺序动作
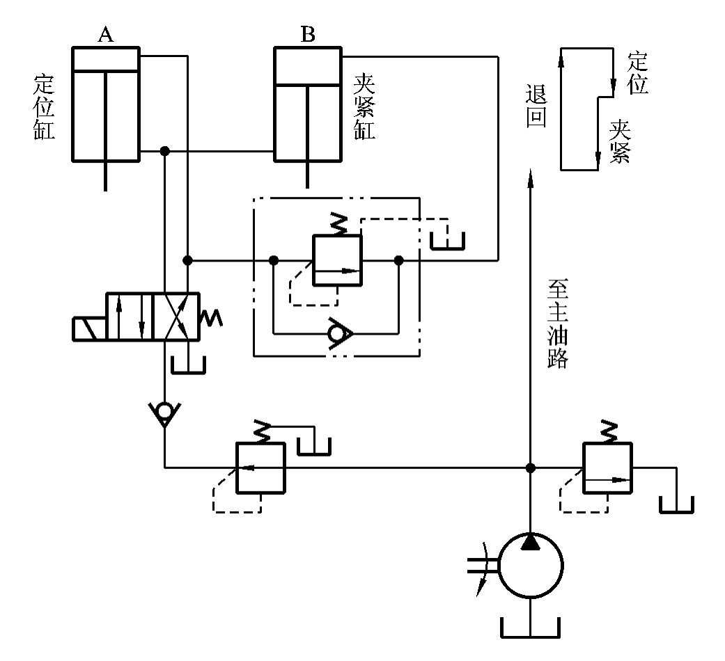
图5-24所示为实现定位夹紧顺序动作的液压回路。A缸为定位缸,B缸为夹紧缸。要求进程时(活塞向下运动),A缸先动作,B缸后动作。B缸进油路上串联一单向顺序阀,将顺序阀的压力值调定到高于A缸活塞移动时的最高压力。当电磁阀的电磁铁通电时,A缸活塞先动作,定位完成后,油路压力提高,打开顺序阀,B缸活塞动作。回程时,两缸同时供油,B缸的回油路经单向阀回油箱,A缸、B缸的活塞同时动作。
2)与单向阀组合成单向顺序阀
如图5-25所示,在平衡回路上,使用单向顺序阀以防止垂直或倾斜放置的执行元件和与之相连的工作部件因自重而自行下落。
3)作卸荷阀用
图5-26所示为实现双泵供油系统的大流量泵卸荷的回路。大量供油时泵1和泵2同时供油,此时供油压力小于顺序阀3的控制压力;少量供油时,供油压力大于顺序阀3的控制压力,顺序阀3打开,单向阀4关闭,泵2卸荷,只有泵1继续供油。溢流阀起安全阀的作用。

图5-24 实现定位夹紧顺序动作的液压回路

图5-25 用单向顺序阀的平衡回路
1—单向定量液压泵;2—溢流阀;3—三位四通电磁换向阀;
4—单向顺序阀;5—缸体
4)作背压阀用
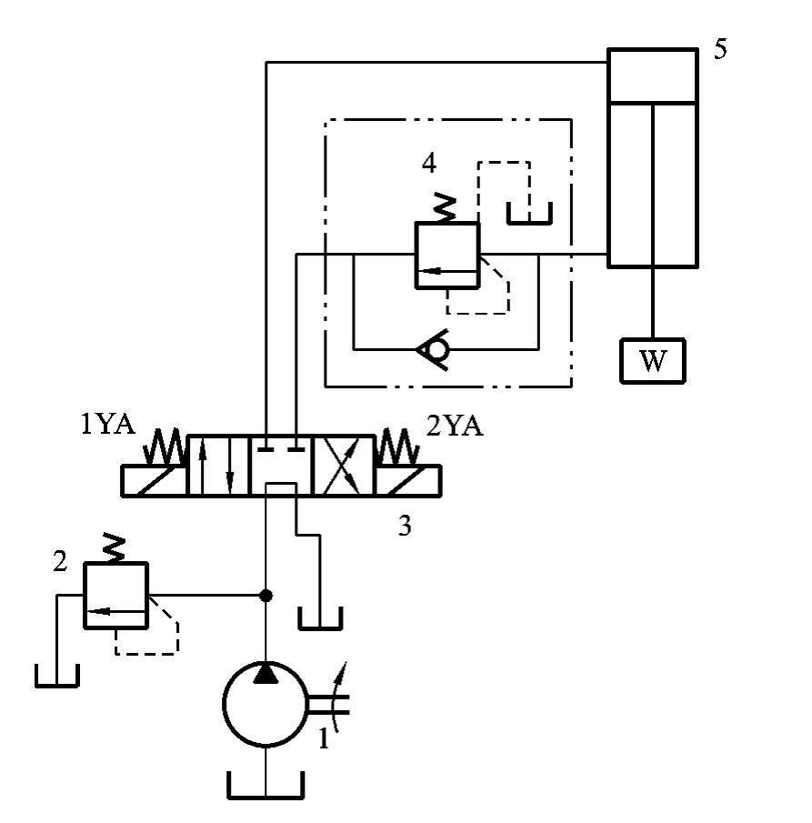
将顺序阀用于液压缸回油路上,可增大背压,使活塞的运动速度稳定,如图5-27所示。

图5-26 双泵供油系统回路
1、2—单向定量液压泵;3—顺序阀;4、6—单向阀;5—溢流阀

图5-27 顺序阀作背压阀用
5.2.5 压力继电器
1.压力继电器的工作原理、结构及性能
压力继电器是利用液体压力来启闭电气触点的液压-电气转换元件,它在油液压力达到其设定压力时,发出电信号,控制电气元件动作,实现泵的加载或卸荷、执行元件的顺序动作或系统的安全保护和连锁等其他功能。任何压力继电器都由压力-位移转换装置和微动开关两部分组成。按前者的结构分,有柱塞式、弹簧管式、膜片式和波纹管式四类,其中以柱塞式最为常用。

图5-28 柱塞式压力继电器
1—柱塞;2—顶杆;3—调节螺钉;4—微动开关
图5-28(a)所示为柱塞式压力继电器的结构原理图。压力油从油口P通入,作用在柱塞1的底部,若其压力达到弹簧的调定值时,便克服弹簧阻力和柱塞表面摩擦力推动柱塞上升,通过顶杆2触动微动开关4发出电信号。图5-28(b)所示为压力继电器的一般职能符号。
压力继电器的性能参数主要有以下几个。
1)调压范围
调压范围指能发出电信号的最低工作压力和最高工作压力的范围。
2)灵敏度和通断调节区间
压力升高继电器接通电信号的压力(称开启压力)和压力下降继电器复位切断电信号的压力(称闭合压力)之差为压力继电器的灵敏度。为避免压力波动时继电器时通时断,要求开启压力和闭合压力间有一可调节的差值范围,称为通断调节区间。
3)重复精度
在一定的设定压力下,多次升压(或降压)过程中,开启压力和闭合压力本身的差值称为重复精度。
4)升压或降压动作时间
压力由卸荷压力升到设定压力,微动开关触角闭合发出电信号的时间,称为升压动作时间,反之称为降压动作时间。
2.压力继电器的应用
1)安全控制回路
图5-29所示为采用压力继电器的安全控制(保护)回路。当系统压力p达到压力继电器事先调定的压力值pkp时,压力继电器即发出电信号,使由其控制的系统停止工作,对系统起安全保护作用。
2)实现执行元件的顺序动作
要实现执行元件的顺序动作,可采用压力继电器控制的顺序动作回路。

图5-29 采用压力继电器的安全控制回路