第三节 油气田开发方案经济评价指标体系和评价方法
一、油气田开发方案经济评价基本参数及其选定
承接油气田经济评价课题和拟定了工作计划以后,下一步就要向有关单位和部门收集所需的工程设计资料和参考资料,以便选择经济评价所需的基本参数。
1.资料及其来源
需要收集的资料包括油藏工程、钻井工程、采油工程、油气地面建设等的设计资料,辅助生产和后勤配套信息,石油行业基准参数资料,有关宏观经济与国家参数资料,石油工程概算定额,作业单价,劳务费用定额标准,财务核算的参考资料和计划统计资料等。这些资料可以在评价对象所从属的石油企业勘探开发研究院、规划设计院、开发生产部门、财务部门、物资供应部门和计划统计部门收集到。新建油气田企业的基础性资料可能不全,短缺的资料可向那些具有类似地质条件和相似地理环境的油气田企业获取补充。
2.工程参数和经济参数
计算经济评价指标所需的基本参数可分成工程参数和经济参数两大类。表9-1较为详细地列出了上面提到的各类参数和具体内容。这些具体参数可在已收集到的资料中选择。有的参数需要通过测算确定。
表9-1 油气田开发方案经济评价参数及其来源

3.若干重要参数的确定
在表9-1中所介绍的具体参数中,大部分参数比较容易确定或索取,只有小部分参数涉及到的问题较多,不易直接选定。但这些问题较多的参数均属于比较重要的参数,需作简单介绍。
(1)计算期。油气田开发的计算期分为建设期和生产期两个阶段。建设期指从开发建设的第一年开始直到形成一定设计生产能力为止的全部时间。开始建设的第一年也称为建设开始年,这一年的前一年称作建设期零年。以前所发生的勘探投资和前期工作费一般以无息积累并计入建设零年的现金流量中。中小油田的建设期一般为2~4年,大型油田的建设期一般为5~10年。生产期是从建设期结束算起直到生产末年的全部时间。油气田的生产期不同于一般工业生产,它存在达产、稳产和减产过程,生产负荷很不均衡,生产末年很难准确测算。评价时,生产期一般取定10~20年。目前国内许多复杂油气田采用流动开发的做法,给建设期和生产期的划分带来了一定的困难。关于这类油田,可做如下处理:当油气田年产量不超过设计生产能力的60%时,按建设期看待;超过60%后,按生产期处理。
(2)油气产量及商品率。计算期内各年原油产量由初步开发方案提供。方案未提供时,可根据设计生产能力、稳产期和综合递减率测算。通常建设期内就有部分新井投入生产,有一定产量但尚未形成配套生产能力。对这部分产量的销售收入,可作为基建收入处理。稳产期内的产量为设计生产能力的100%负荷下的产量。递减期内各年产量计算如下:
递减期内各年产油量=上年产油量×(1-综合递减率)
天然气产量一般指井口产量,由初步开发方案提供,或根据油气比参数测算;原油(气)商品率指原油(气)商品量与产量的比率,这个数字由企业财务部门提供。
原油年销售量=年产油量×原油商品率
天然气年销售量=年产天然气×天然气商品率
(3)固定资产形成率和残值率。固定资产形成率也称为转固定资产率,它是油气田开发建设项目完工后,所形成的固定资产原值与开发总投资的比率。这个比率通常取75%~80%。固定资产残值率指固定资产原值与计算期末加收价值的比率,通常取3%~5%,开发生产末年加收的固定资产残值为固定资产原值乘以残值率。
二、油气田开发方案经济评价指标体系
(一)油气田开发方案财务评价和国民经济评价
油气田开发方案经济评价分为财务评价和国民经济评价两级。在第七章讲过这两级评价的基本差别,表9-2介绍了油气田开发方案经济评价各方面的具体区别。总起来说,油气田开发的财务评价是评价者站在油气田企业财务的角度,计算油气田开发的直接费用和直接收益,考察开发生产的获利、借还款、外汇、风险等方面的情况,以判别开发方案的财务可行性。油气田开发的国民经济评价是评价者站在宏观经济的角度,以国家参数为重要依据计算油气田开发的内部效果(直接费用、直接收益)和外部效果(间接费用、间接收益),考察开发生产的国民收入和资源合理利用的程度,评价项目的社会效益和经济可行性。目前,油气田开发生产的外部效果主要考虑下游加工企业及其后续行业的效果。对间接费用和间接收益,原油一般计算至汽油、煤油、柴油、润滑油;天然气一般计算至化肥、乙烯及其他基础化工原料。对显著的外部效果要定量计算,不能定量计算的外部效果要做定性描述。
表9-2 油气田开发方案财务评价与国民经济评价的区别

(二)油气田开发方案财务评价和国民经济评价指标体系
由于油气田开发方案财务评价和国民经济评价在立足点、追求对象、评价目的、投入产出计算口径等许多方面存在差别,决定了这两种评价的指标体系有很大的不同。表9-3详细列出了两种评价体系的指标构成,表中的主要指标含义和计算公式如第七章所介绍。辅助指标既是开发方案经济评价的中间指标或参考性指标,也是主要指标的重要计算基础。在辅助指标中,油气田开发总投资、原油成本、油气销售利税指标尤其重要,绝大部分主要指标和辅助指标的计算基于它们之上。
表9-3 油气田开发方案经济评价指标

(三)油气田开发方案经济评价的基本数据及其估算
油气田开发方案经济评价基础参数即投资、成本费用、价格、营业收入、税金及利润等已在第二章详细介绍,其取值范围及估算方法见第二章,在此不再描述。
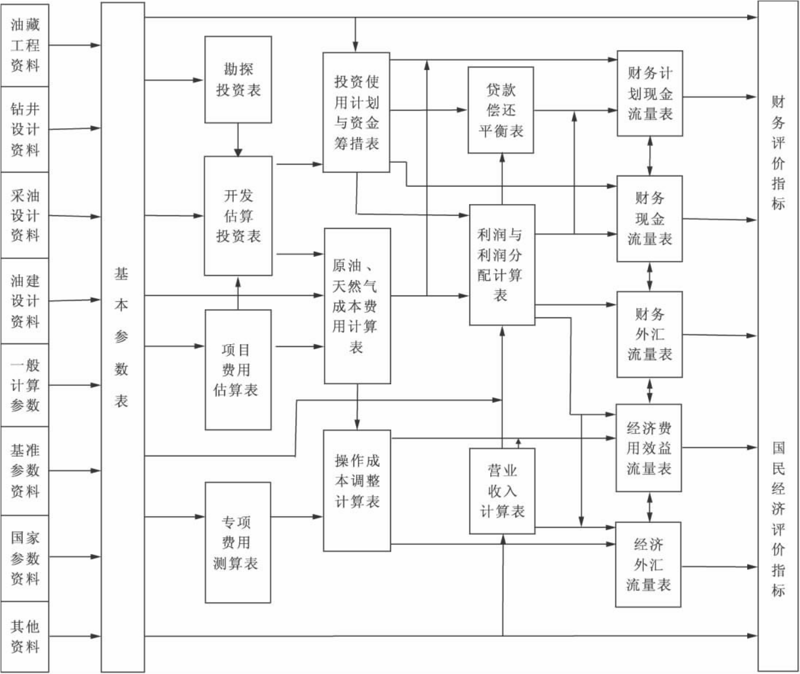
三、油气田开发方案经济评价用表及其关系
油气田开发方案经济评价的主要指标和辅助指标是通过一定的经济评价报表计算来体现的。编写经济评价报告时,需要附上经济评价报表以便于检查验算。报表是经济评价工作的重要工具,也是编程上机时重要的输出设计内容。油气田开发方案经济评价报表分为基本表和辅助表两类。具体参见第二章和第七章,这些表格之间的关系可用图9-1来表示。
四、油气田开发方案经济评价的方法
油气田开发根据工艺过程可以定义为开发初期、开发中期、开发中后期和开发后期,在项目的不同阶段应该采用不同的方法进行分析评价。
(1)油气田开发初期。在开发初期内,基本上是按油气田开发前预定的开发方案执行的。预定的开发方案已充分考虑了地质储量、含油气面积、采油速度、井网布置、单井产量、注采比等各种因素。主要评价指标有净现值、内部收益率、投资回收期。
(2)开发中期阶段。这一阶段原油产量基本稳定,油气田的投入主要是生产过程中的成本费用支出,其上升比较缓慢,采用的方法是成本费用估计法。成本费用是项目执行中所耗费的资金的总和,包括勘探成本、开发成本、经营成本。

图9-1 油气田开发方案技术经济评价用表之间的关系
(3)开发中后期阶段。在油气田开发中后期,根据项目执行情况可追加或停止项目投资,判断的依据是追加投资是否带来经济效益。可以采用盈亏平衡法来分析经济产量,间接分析项目是否可持续。在油气田开采产量分析中,若计划期内原油产量大于盈亏平衡点对应的原油产量,则计划期内原油产量是经济产量,否则就是非经济产量。
(4)开发后期阶段。油气田开发后期原油产量保持低水平的稳产,生产成本越来越高。此时,不需要收回初始投资也不需要追加投资,主要采用收益成本法。在分析中需要运用的数据有原油产量、现行市场价格、原油经营成本费用、销售税金及附加。如果收益与成本、营业税金及附加之和的比值大于或等于1,那么开采就有效益,否则无效。
五、风险、优化、综合及择优
风险分析、优化处理、综合评价、比选择优和编写报告是油气田开发经济基础评价后期的5个重要环节。这些环节的工作情况如何,对整个经济评价质量影响极大。
受地质、工程、技术、经济、环境等多方面的影响,油气田开发经济测算所使用的工程参数和经济基础参数具有一定的不确定性。由于受地下情况复杂、地理环境多变、油藏认识局限、工程设计不详、流动开发建设等许多原因的制约,致使投资、成本、产量、价格等多个重要参数产生变化。人们难以确切地知道这些参数未来的状态,也难以精确地控制它们的变化。计算得到的经济指标也具有同样的不确定性,这给开发建设决策带来风险,所以,在开发方案技术经济评价中,除进行上述指标的计算外,还要进行风险分析,在风险分析中,影响开发方案经济效益指标最突出的因素是原油产量、钻井成本、油价变动、采油成本以及油田稳产期限等。
优化可以提高经济评价结果的质量,体现评价工作的价值。开发方案整体优化和工程项目局部优化的对象主要是工程设计重要参数、技术措施重要参数及部分经济参数,所以优化工作需要得到工程技术人员的配合。优化的方法可用线性规划、整体规划、动态规划、网络规划、系统分析法、价值工程分析法、优选法等。油气田开始方案的优化必须立足于整体最优。各工程项目和各措施之间存在一定的相关性,它们既相互联系又相互制约,也存在一定的矛盾。局部的优化要以全局的优化为前提条件。
综合评价要注意以下问题:动态与静态相结合,以动态为主;定量分析与定性分析相结合,以定量分析为主;价值量分析与实物量分析相结合,以价值量分析为主;预测分析与统计分析相结合,以预测分析为主;阶段性分析与全过程分析相结合,以全过程分析为主;工程项目经济分析与开发方案经济评价相结合,以方案经济评价为主;微观经济效益分析与宏观经济效益分析相结合,以宏观经济效益为主。综合评价有专家判断法、统计评估法、模糊评估法、最小费用法、净现值法、差额投资内部收益率法等多种方法可供选择。各个方案得出综合评价结论后,要进行方案的优劣比选、排序和择优,选定并推荐最佳方案。
案例 净现值法——计算经济极限井网密度的一种新方法
所谓井网密度,是指单位面积内的井口数。同样,也可以用一口井所控制的开发面积大小表示井网密度。
确定井网密度是油田的一种投资决策行为,因为井网密度是油田开发方案设计中的一个重要参数。一方面,井网愈密,对提高油田采收率愈有利;另一方面,却使得油田开发的总投资明显上升。如何选择一种井网密度,既使得油田获得较高的采收率又能达到较高的经济效益,这是本案例要讨论的主要问题。传统的井网密度计算方法有前苏联学者谢尔卡乔夫根据统计分析建立的井网密度与采收率的关系、采油速度分析法、单井产能分析法、分砂体水驱控制程度法和保持注采平衡法等等,这些方法有很多优点,不足之处是没有考虑资金的时间价值,不符合目前市场经济的需求。所以本案例提出用净现值法计算经济极限井网密度,净现值法是国际上公认的一种比较科学的投资决策方法,该法不仅考虑了资金的时间价值,而且还考虑了税收等问题。
1.计算经济极限井网密度所需参数
计算经济极限井网密度的参数有很多,大致可分为地质参数和经济参数两大类。
(1)地质参数。地质储量为N(万吨),含油面积为S(km2);原油采收率为Er(小数);主开发期内可采储量采出程度为RT(小数);单井极限控制储量为Nlim(万吨);经济极限井网密度为flim(井/km2);设开发期年限为T(年)。
(2)经济参数。单井总投资(包括钻井投资、地面建设投资、其他投资)为I(万元/井);单井年生产成本为C(万元/井·年);原油价格为Po(元/吨);税率为r(小数);贴现率为i(小数);销售收入为R(万元);销售税金及附加为Rr(万元)。
2.净现值法计算经济极限井网密度的原理
净现值法是一种动态评价方法,是在考虑资金时间价值的基础上,根据油田开发寿命期内各年现金流对其经济效益进行分析、计算。
净现值的定义为在给定的贴现率(或基准折现率)将投资寿命期内各年净现金流量折现到同一时点(通常为期初)的现值代数和。其表达式为

式中:NPV为净现值(万元);CI为现金流入(万元);CO为现金流出(万元);(CI-CO)t为第t年净现金流量(万元);(1+i)-t为第t年的贴现系数(小数)。
在油田的开发投资项目中,开发期内的单井原油销售收入为现金流入,开发期内单井的总投资、开发期单井的生产成本、销售税金及附加等为现金流出。
开发期内单井原油总产量Qo为:Qo=NlimErRT (9-2)
第t年开发期内单井原油产量(Qo)t为:
开发期内单井销售收入现值(R)pv为:
开发期内投资现值(I)pv(设总投资为在第零年一次性投入)为:(I)pv=I(9-5)开发期内单井生产成本现值(C)pv为:
开发期内单井营业税金及附加现值(R)pv为:
将式(9-4)~式(9-7)代入式(9-1)得:

设单井开发项目只有初始投资,并且开发期内各年单井产量相等。则式(9-1)可写为:

由式(9-8)得到

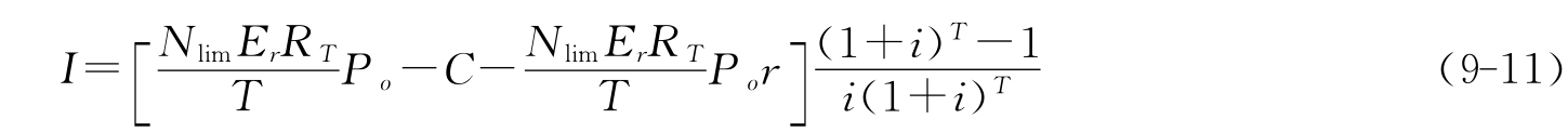
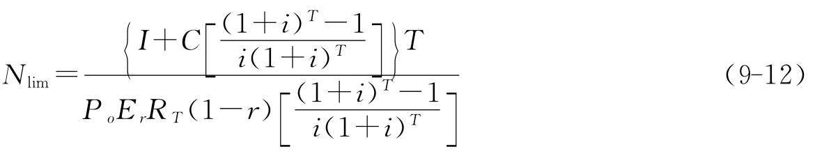
经济极限井网密度,是指在一定的开发及地质条件下,开发井网密度的设置使得油田在开发的主要开采期内总投入等于总产出,达到盈亏平衡,即净现值等于零。令式(9-10)=0,则得:

单井极限控制储量Nlim为:

单井极限布井数
单井经济极限井网密度flim为:
3.影响经济极限井网密度因素分析
(1)油田地质情况,主要指油藏埋深、油层物性、储量规模等。油层埋深浅,钻井成本低,开发井网密度可能大一些,井网密度的经济上限会高些;反之则低。油层物性好,油井产能高,井网密度的经济上限也高。油层地质储量的多少也是影响井网密度的重要因素。油层储量大,开发井网密度的上限必然高。
(2)采收率的高低。原油采收率高,井网密度的经济上限也高;反之则低。
(3)油田的地面环境,是指油田所在地理位置地面地形。油田地处高原、边疆、沼泽地、盐滩、沙漠腹地或交通不便地区,地面地形复杂,钻井成本、地面建设工程造价和采油成本高,井网密度的经济上限低。相反,油田地处平原地区、交通方便、地面地形简单,投入少消耗低,井网密度相对大些。
(4)钻井、地面建设和采油工艺技术的复杂程度。生产建设选用的工艺技术越复杂,造价投入就越大,井网密度的经济上限越低;相反,技术越简单,井网密度的经济上限也越高。
(5)油价和原油商品率的高低。井网密度的经济上限与油价的关系极为密切。以往统计分析表明,井网密度的经济界限与油价的0.5次幂成正比,油价上升,井网密度的经济上限也上升。但当油价成倍增长时,井网密度不会随着成倍增长,而是要低一些。原油商品率的高低也会给井网密度极限产生一定的影响。
4.实例分析
以某油田的开发为例,说明如何应用净现值法确定经济极限井网密度(表9-4)。
表9-4 某油田基础参数

将表9-4中参数分别代入式(9-12)、式(9-13)、式(9-14),通过计算得到单井极限控制储量为7.56万吨,极限布井数为30.16口,经济极限井网密度为10.77井/km2。
为了检验净现值法在油气田开发中应用的可行性,用净现值法和修正单井极限控制储量法、单井极限控制储量法等对比(表9-5),不难看出用净现值法计算的经济极限井网密度是介于两种方法之间的。单井极限控制储量法计算的经济极限井网密度比净现值法计算的结果小,是因为单井极限控制储量法计算经济极限井网密度时,只考虑了单井总投资的利息而没有考虑各年原油销售收入的利息;而修正单井极限控制储量法(新方法)计算的经济极限井网密度比净现值法计算的结果大,虽然考虑了整个开发期内投资、生产成本和原油销售收入的资金时间价值,却没有考虑税收问题。
通过理论推导和实际资料检验,本案例提出的净现值法不仅考虑了整个开发期内投资、生产成本和原油销售收入的资金时间价值,而且还考虑了税收问题,该方法是符合市场经济需求的。净现值法计算经济极限井网密度在油气田开发投资决策中,在以经济效益为中心的市场经济条件下,是很有意义的和切实可行的。
表9-5 净现值法与其他两种方法的对比

思考与练习
1.油气田开发项目的特点是什么?
2.油气田开发方案的基本要求有哪些?
3.油气田开发方案经历了哪几个阶段?各阶段的特点是什么?
4.油气田开发方案经济评价的依据有哪些?
5.油气田开发项目总投资由哪几部分构成?如何估算?
6.原油成本由哪些成本项目构成?如何估算原油成本?
7.油气田的经营成本如何估算?
8.在原油成本中,哪些项目是固定成本,哪些项目是可变成本?
9.油气田单个开发方案的经济评价可用哪些方法?