实验七 细胞骨架标本的制备与观察
细胞骨架(cytoskeleton)是由蛋白质丝组成的复杂网状结构,根据其组成成分和形态结构可分为微管、微丝和中间纤维。它们对细胞形态的维持,细胞的生长、运动、分裂、分化、物质运输、能量转换、信息传递及基因表达等起重要的作用。
一、实验目的
(1)掌握考马斯亮蓝R250染细胞胞质微丝的方法。
(2)了解细胞骨架的结构特征。
二、实验原理
当用适当浓度的TritonX-100处理细胞,可抽提细胞质内结合在膜结构上的蛋白质,而仅保留骨架蛋白。经戊二醛固定,用蛋白质的特异性染料——考马斯亮蓝R250染色后,各种细胞骨架蛋白质着色,可在光学显微镜下观察到由微丝蛋白组成的微丝束为网状结构。
三、实验用品
(1)材料:洋葱鳞茎。
(2)器材和仪器:光学显微镜、恒温水浴锅、50ml烧杯、滴管、载玻片、盖玻片、镊子、剪刀、吸水纸、擦镜纸。
(3)试剂:2%考马斯亮蓝R250染色液,pH 6.5磷酸缓冲液(PBS),M缓冲液(pH 7.2),1%Trion X-100,3%戊二醛。
四、实验内容
(1)取材:切开洋葱鳞茎,取较内层的鳞叶一小块,用镊子撕下内表皮细胞(约1cm2大小若干片),浸入装有pH 6.5磷酸缓冲液(PBS)的烧杯中,处理5~10min。
(2)抽提:吸去PBS,加2ml 1%TritonX-100,将烧杯置于37℃恒温水浴锅中处理20~30min。
(3)冲洗:吸去TritonX-100,用M-缓冲液洗3次,每次5min。
(4)固定:加3%戊二醛固定20min。
(5)冲洗:弃固定液,用PBS洗3次,每次5min。
(6)染色:吸去PBS,加5滴0.2%考马斯亮蓝R250,染色10min。
(7)制片:倒去染液,用蒸馏水洗涤2~3次,将标本平铺在载玻片上,加盖玻片。于普通光学显微镜下观察。
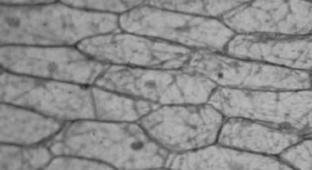
(8)结果:光镜下洋葱内表皮细胞轮廓清晰,细胞内可见粗细不等的深蓝色纤维网络结构,即细胞骨架纤维束(图7-1)。

图7-1 光镜下洋葱鳞茎表皮细胞(示细胞骨架纤维)
五、作业与思考题
(1)绘出植物细胞骨架微丝结构图。
(2)本实验中所使用的TritonX-100、戊二醛、考马斯亮蓝R250等试剂的作用是什么?