任务一 配气机构的基本认识
任务目标
1.掌握配气机构的功用;
2.理解各种类型配气机构的布置形式和工作特点;
3.熟悉配气机构的组成;
4.掌握配气机构正确的拆装步骤。
任务知识
1.配气机构
配气机构是进、排气管道的控制机构,它按照气缸的工作顺序和工作过程的要求,准时地开闭进、排气门、向气缸供给可燃混合气(汽油机)或新鲜空气(柴油机)并及时排出废气。另外,当进、排气门关闭时,保证气缸密封。四行程发动机都采用气门式配气机构。
2.充气效率
新鲜空气或可燃混合气被吸入气缸愈多,则发动机可能发出的功率愈大。新鲜空气或可燃混合气充满气缸的程度,用充气效率ηv表示。
充气效率(ηv):每循环实际进入气缸内的新鲜充气量与在进气状态下充满气缸工作容积的新鲜充气量的比值,即
ηv=ΔG/ΔGo
式中:ΔG——实际进入气缸内的新鲜充气量的质量;
ΔGo——进气状态下充满气缸工作容积的新鲜充气量的质量。
因为ΔG<ΔGo,所以非增压发动机的充气效率ηv<1。ηv越大,说明每循环进入气缸的充气量愈多,混合气燃烧时可能放出的热量愈大,则发动机发出的功率愈大,动力性愈好。
知识链接
提高发动机充气效率的措施:
(1)减少进气系统的流动损失
①增大进气门直径,配置适当大小的排气门
②增加进气门数目和增大气门升程
(2)减小进气道和进气管的阻力,增大通道面积,减少弯道和截面突变
(3)进、排气管分置于气缸两侧
(4)减少排气系统对气流的阻力
(5)合理选择配气定时
(6)利用进、排气管内的动态效应
(7)采用发动机增压技术
3.配气机构的分类
配气机构按气门的布置位置不同可分为顶置式气门和侧置式气门两类。
顶置式配气机构的优点很多,如进气阻力小,燃烧室结构紧凑等,故被广泛采用。侧置式配气机构现已被淘汰。
顶置式配气机构按凸轮轴的位置,可分为凸轮轴下置式、凸轮轴中置式和凸轮轴上置式;按曲轴和凸轮轴的传动方式,可分为齿轮传动式、链条传动式和同步齿形带传动式;按每缸气门的数量,可分为双气门式和多气门式等,如图3-1所示。

图3-1 气门布置形式
1)按凸轮轴的位置分类(如图3-2所示)

图3-2 不同类型的凸轮轴配置形式
(1)凸轮轴下置式:这种布置形式如图3-2(a)所示,大多数载货汽车和大、中型客车发动机都采用这种方式。凸轮轴平行布置在曲轴的一侧,由于曲轴和凸轮轴位置靠近,只用一对正时齿轮传动,使得传动系比较简单。
(2)凸轮轴中置式:为减小气门传动组零件的往复运动惯性力,某些速度较高的发动机将下置式凸轮轴的位置抬高到缸体的上部,缩短了传动零件的长度,称之为凸轮轴中置式配气机构。如图3-2(b)所示,由于凸轮轴与曲轴距离较远,在一对正时齿轮中间加了一个中间传动齿轮。
(3)凸轮轴上置式:凸轮轴上置或配气机构的凸轮轴直接布置在缸盖上,如图3-2(c)所示。凸轮轴直接通过摇臂来驱动气门,省去了推杆,使往复运动质量大大减小,因此它适合在高速发动机运用。由于凸轮轴离曲轴中心较远,因而都采用链条传动或同步齿形带传动,使得正时传动机构较为复杂,而且拆装气缸盖也比较困难。桑塔纳轿车的配气机构即用这种结构。
2)按曲轴到凸轮轴的传动方式分类
(l)齿轮传动:凸轮轴下置、中置的配气机构大多采用圆柱形正时齿轮传动,如图3-3所示。一般从曲轴到凸轮轴的传动只需一对正时齿轮,若齿轮直径过大,可在中间加装一个惰轮,如YC6105柴油机就用此传动形式。为了啮合平稳,减小噪声,正时齿轮多用斜齿。在中小功率发动机上,曲轴正时齿轮用钢来制造,而凸轮轴正时齿轮则用铸铁制造,以减小噪声。
(2)链传动:链条与链轮的传动特别适用于凸轮轴上置的配气机构。为使在工作时链条有一定的张力而不至脱链,通常装有导链板、张紧轮装置等。为了使链条调整方便,有的发动机使用一根链条传动,如图3-4所示。
(3)齿形带传动:近年来,在高速发动机上还广泛采用齿形带来代替传动链,如图3-5所示。这种齿形带用氯丁橡胶制成,中间夹有玻璃纤维和尼龙织物,以增加强度。采用齿形带传动,能减少噪声和减少结构质量,也可以降低成本。

图3-3 齿轮传动模式

图3-4 链条传动

图3-5 齿形带传动
3)按每缸气门的数量分类
一般发动机较多采用一个进气门和一个排气门的结构。其特点是结构简单,能适应各种燃烧室。但其气缸换气受到过气通道的限制,故都用于低速发动机。
在很多新型汽车发动机上多采用每缸同气门的结构,即两个进气门和两个排气门。采用这种形式后,进气门总的通过断面较大,充气效率较高,排气门的直径可适当减小,使其工作温度相应降低,提高了工作可靠性。此外,采用四气门后还可适当减小气门升程,改善配气机构的性能。四气门的汽油机还有利于改善排放性能。
新型奥迪轿车的V形六缸五气门发动机就采用五气门技术。由于采用了三个进气门,提高了充气效率,而且燃油消耗低、转矩大及排污少。大多五气门发动机采用了紧凑浴盆式燃烧室,火花塞位于燃烧室中心。
某些大排量、高转速、高功率的发动机,由于气门尺寸的限制,每缸两个气门不能满足换气的需要,而采用三气门(两进一排)或四气门(两进两排),因此必须使用两同名气门同步开闭的驱动装置。
每缸采用四个气门时,其气门排列的方案有两种:
(1)同名气门排成两列如图3-6所示,由一个凸轮通过T形驱动杆同时驱动,并且所有气门都可以由一根凸轮轴驱动。
(2)同名气门排成一列如图3-6所示,进排气门分别位于曲轴中心线的两侧,分别采用两侧凸轮轴驱动,每缸两同名气门采用两个形状和位置相同的凸轮驱动。

图3-6 四气门
知识链接
气门个数的演变过程:
发动机每个气缸所拥有的气门数,有两气门、三气门、四气门和五气门几种。
进排气的效率是决定发动机性能好坏的重要因素,当发动机正常运转时活塞的往复运动速度是非常快的,在3000转/分钟的转速下发动机完成每一个进气或排气行程的时间只有0.04秒,要想在这么短的时间内吸进或排出更多的气体就要增大进、排气的有效面积。于是有的发动机便采用了多气门技术。
现在人们对发动机性能指标要求越来越高以及尾气排放法规日益严格,每缸2气门(即1个进气门,1个排气门)这种结构已经显得有些落伍了,现在越来越多的发动机采用每缸3气门结构(2个进气门,1个排气门),或者每缸4气门结构(即2个进气门,2个排气门);有的公司已经开始采用每缸5气门结构,即3个进气门,2个排气门。
但是气门数量并不是越多越好,5气门确实可以提高进气效率,但是结构极其复杂,加工困难,采用较少。
4.配气机构的组成
发动机的配气机构由气门组和气门传动组组成,如图3-7所示。

图3-7 配气机构的组成
(1)气门组(如图3-8所示)
气门组主要包括气门(8、9)、气门导管、气门弹簧(10、12)、气门弹簧座(11)和气门锁片(14)等。
气门组的作用是封闭进、排气道。

图3-8 桑塔纳发动机凸轮轴上置预置气门式配气机构
(2)气门传动组
气门传动组主要包括凸轮轴(1)及正时齿轮(4)、挺柱(7)、导管、推杆、摇臂和摇臂轴等。
气门传动组的作用是使进、排气门能按配气相位规定的时刻开闭,且保证有足够的开度。
任务实施
1.考核标准

2.相关设备
桑塔纳2000GSI发动机台架、常用工具等。
3.注意事项
(1)严格遵守实训步骤,进行拆装作业时,必须按正确的顺序和合理的方法进行操作,以免造成零件的人为损坏。
(2)对精度和工作要求较高的零件,不得采用不正确的检查方法。
(3)在零件装配之前,应将零件检查验收,彻底清洗干净,并用压缩空气将孔道吹通。
4.实施步骤
1)气缸盖的拆卸步骤(桑塔纳2000GSI)
(1)关闭点火开关,拔下蓄电池搭铁线。
(2)抽取冷却液。
(3)拆下发动机罩盖。
(4)断开空气流量计的接头。
(5)断开活性炭罐电磁阀(ACF阀)的接头。
(6)拔下空气滤清器罩壳上的活性炭罐电磁阀。
(7)拆下空气滤清器和节气门控制器之间的空气管路。拆下空气滤清器罩壳。
(8)拔下散热器底部和发动机上的冷却液软管。
(9)拆下冷却液储液罐,拆下至散热器的冷却液软管。
(10)如图3-9所示,拔下燃油分配管上的供油管和回油管。注意燃油系统是有压力的,在打开管路之前在开口处放上抹布,然后缓慢地打开接头以排出压力。
(11)如图3-10所示,拆下节气门拉索(箭头)。
(12)拔下到活性炭罐电磁阀的真空管1,如图3-10所示。
(13)拔下到制动助力装置的真空管2,如图3-10所示。

1—供油管;2—回油管
图3-9 拆下供油管和回油管

1—通向活性炭电磁阀的真空管;2—通向制动助装置的真空管
图3-10 拆下节气门拉索
(14)拔下喷油器、节气门控制器、霍尔传感器、进气温度传感器接头,如图3-11所示。
(15)如图3-12所示,拔下通向暖风热交换器的冷却液软管。

1—喷油器;2—节气门控制器3—霍尔传感器;4—进气温度传感器热器软管
图3-11 拔下各个接头

1—通向膨胀水箱软;管2—通向暖风热交换器软管3—冷却液水温传感器; 4—空调控制开关;5—通向散
图3-12 拔下通向暖风热风
(16)拔下冷却水温传感器上的接头,拔下机油温度传感器的接头。
(17)旋下进气歧管支架的螺栓,如图3-13所示。从排气歧管上拆下前排气管的螺栓。
(18)如图3-14所示,拔下氧传感器插头。

图3-13 松开进气歧管支架的下紧固螺栓

图3-14 拔下氧传感器的插头
(19)拆下正时齿带上护罩。如图3-15所示,将凸轮轴正时齿带轮的标记对准正时齿带护罩上的标记。
(20)如图3-16所示,将曲轴转动到第一缸的上止点位置。

图3-15 凸轮轴正时齿带轮与正时齿带护罩上的标记

图3-16 一缸上止点位置标记
(21)松开半自动张紧轮,并从凸轮轴正时齿带轮上拆下正时齿带。
(22)旋下正时齿带后护罩的螺栓。
(23)拔出火花塞插头,并放置在一边。
(24)拆下气门罩盖。按照图3-17从1~10的顺序松开气缸盖螺栓。
(25)将气缸盖与气缸盖衬垫一起拆下。

图3-17 气缸盖螺栓拆卸顺序
2)气缸盖的安装步骤
(1)在安装气缸盖之前,要将曲轴转动到第一缸的上止点位置。
(2)安装气缸盖衬垫时,有标号(配件号)的一面必须可见。
(3)更换气缸盖紧固螺栓,不能重复使用已经按照拧紧力矩拧紧过的螺栓。
(4)按照如图3-18所示的顺序以40N·m的力矩拧紧气缸盖螺栓,然后再用扳手再拧紧180°。

图3-18 气缸盖螺栓拧紧顺序
(5)安装正时齿带(调整配气相位),安装气门罩盖,如图3-19所示。

图3-19 AJR型发动机气缸盖分解图
(6)调整节气门拉索,加注新的冷却液。
(7)执行节气门控制单元匹配。
(8)查询故障代码。拔下电控单元电子元件插头会导致故障存储,查询故障代码,必要时删除故障代码。
(9)注意主要部件螺栓的拧紧力矩。前排气管与排气歧管紧固螺栓拧紧力矩为20N·m,进气歧管支架与发动机之间的螺栓紧固拧紧力矩为20N·m,进气歧管支架与进气歧管紧固螺栓拧紧力矩为30N·m。
任务报告
1.配气机构的作用是什么?
2.配气机构有哪些类型,由哪些部件组成?
3.现代汽车发动机为何几乎都采用顶置式气门配气机构?
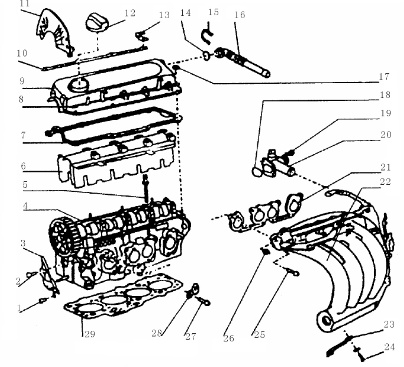
4.写出下图中标注的零件名称。
1_______________2_______________3_______________
4_______________5_______________6_______________
7_______________8_______________9_______________
10_______________11_______________12_______________
13_______________14_______________15_______________
16_______________17_______________18_______________
19_______________20_______________21_______________
22_______________23_______________24_______________
25_______________26_______________27_______________
28_______________29_______________
任务评价

教师签名:____________学生签名:___________
日期:___________