5.1 汽车整车检测
汽车整车的技术状况,关系到车辆行驶的动力性、经济性、排气净化性、操纵稳定性、安全性和舒适性等使用性能,因此,汽车整车的技术状况是汽车检测诊断的重点内容之一。
汽车整车技术状况的变化,主要表现在故障增多、性能降低和损耗增加上。在诸多诊断参数中,要特别选出那些与汽车上述使用性能有关的参数进行检测、分析与判断,以便确定整车的技术状况。
汽车整车诊断参数的检测,可以在汽车检测线上进行。当汽车在检测线上进行试验时,滚筒式试验台以筒的表面代替路面,通过加载装置给滚筒施加负荷,以模拟行驶阻力,使汽车尽可能在接近实际行驶工况下进行各项检测与试验。因此,汽车的动力性、燃料经济性、加速性、滑行性、制动性和车速表指示误差等,均可以在检测线上测定。
5.1.1 汽车检测站
汽车检测站是综合运用现代检测技术,对汽车实施不解体检测的机构。它具有现代的检测设备和检测方法,能在室内检测出车辆的各种参数并诊断出可能出现的故障,为全面、准确评价汽车的使用性能和技术状况提供可靠的依据。汽车检测站不仅是车管机关或行业对汽车技术状况进行检测和监督的机构,而且已成为汽车制造企业、汽车运输企业、汽车维修企业中不可缺少的重要组成部分。
(1)汽车检测站的任务和类型
1)检测站的任务
按我国交通部第29号令《汽车运输业车辆综合性能检测站管理办法》的规定,汽车检测站的主要任务如下:
①对在用运输车辆的技术状况进行检测诊断。
②对汽车维修行业的维修车辆进行质量检测。
③接受委托,对车辆改装、改造、报废及其有关新工艺、新技术、新产品、科研成果等项目进行检测,提供检测结果。
④接受公安、环保、商检、计量和保险等部门的委托,为其进行有关项目的检测,提供检测结果。
2)检测站的类型
按不同的分类方法,汽车检测站可分为不同的类型。
①按服务功能分类
按服务功能分类,汽车检测站可分为安全检测站、维修检测站和综合检测站3种。
安全检测站是国家的执法机构。它按照国家规定的车检法规,定期检测车辆中与安全和环保有关的项目,以保证汽车安全行驶,并将污染降低到允许的限度。这种检测站对检测结果往往只显示“合格”“不合格”两种,而不作具体数据显示和故障分析,因而检测速度快。检测合格的车辆凭检测结果报告单办理年审签证,在有效期内准予车辆行驶。安全检测站一般由车辆管理机关直接建立,或由车辆管理机关认可的汽车运输企业、汽车维修企业等单位建立,也可多方联合建立。
维修检测站主要是从车辆使用和维修的角度,担负车辆维修前、后的技术状况检测。它能检测车辆的主要使用性能,并能进行故障分析与诊断。它一般由汽车运输企业或汽车维修企业建立。
综合检测站既能担负车辆管理部门的安全环保检测,又能担负车辆使用、维修企业的技术状况诊断,还能承接科研或教学方面的性能试验和参数测试。这种检测站检测设备多,自动化程度高,数据处理迅速准确,因而功能齐全,检测项目广度深度大。
②按规模大小分类
按规模大小分类,汽车检测站可分为大、中、小3种类型。
大型检测站检测线多,自动化程度高,年检能力大,且能检测多种车型。中型检测站至少有两条检测线。小型检测站主要指那些服务对象单一的检测站,如规模不大的安全检测站和维修检测站。
③按自动化程度分类
按检测线的自动化程度分类,汽车检测站可分为手动式、半自动式和全自动式3种类型。
手动检测站由人工手动控制检测过程,从各单机配备的指示装置上读数,笔录检测结果或由单机配备的打印机打印检测结果,因而工作人员多,检测效率低,读数误差大,多适用于维修检测站。
全自动检测站利用微机控制系统,除车辆的外观检查工位仍需人工检查外,能自动控制其他所有工位上的检测过程,使设备的启动与运转、数据采集、分析判断、存储、显示和集中打印报表等全过程实现自动化。由于全自动检测站自动化程度高,检测效率高,能避免人为的判断错误,因而获得广泛应用,目前国内外的安全检测站多为这种类型。
半自动检测站的自动化程度或范围介于手动和全自动检测站之间,一般是在原手动检测站的基础上将部分检测设备(如侧滑试验台、制动试验台、车速表试验台等)与微机联网以实现自动控制,而另一部分检测设备(如烟度计、废气分析仪、前照灯检测仪、声级计等)仍然手动操作。当微机联网的检测设备因故不能进行自动控制时,各检测设备仍可手动使用。
④综合检测站按职能分类
综合检测站按职能分类,可分为A级站、B级站和C级站3种类型,其职能如下:
A级站能全面承担检测站的任务,即能检测车辆的制动、侧滑、灯光、转向、前轮定位、车速、车轮动平衡、底盘输出功率、燃料消耗、发动机功率和点火系状况以及异响、磨损、变形、裂纹、噪声、废气排放等状况。
B级站能承担在用车辆技术状况和车辆维修质量的检测,即能检测车辆的制动、侧滑、灯光、转向、车轮动平衡、燃料消耗、发动机功率和点火系状况以及异响、变形、噪声、废气排放等状况。
C级站能承担在用车辆技术状况的检测,即能检测车辆的制动、侧滑、灯光、转向、车轮动平衡、燃料消耗、发动机功率以及异响、噪声、废气排放等状况。
(2)汽车检测站的组成
1)各类汽车检测站的组成
汽车检测站主要由一条至数条检测线组成。对于独立而完整的检测站,除检测线外,还应包括停车场、清洗站、泵气站、维修车间、办公区和生活区等设施。
①安全检测站
一般由一条至数条安全环保检测线组成。有两条以上安全环保检测线时,一般一条为大、小型汽车通用自动检测线,另一条为小型汽车的专用自动检测线,有的还配备一条新规检测线(对新车登录、检测之用)和一条柴油车排烟检测线。
②维修检测站
一般由一条至数条综合检测线组成。
③综合检测站
一般由安全环保检测线和综合检测线组成,可以各为一条,也可以各为数条。国内交通系统建成的检测站大多属于综合检测站。
2)汽车检测线的工位布置
不管是安全环保检测线,还是综合检测线,它们都由多个检测工位组成,布置形式多为直线通道式,即检测工位按一定顺序分布在直线通道上,有利于流水作业。
①安全环保检测线
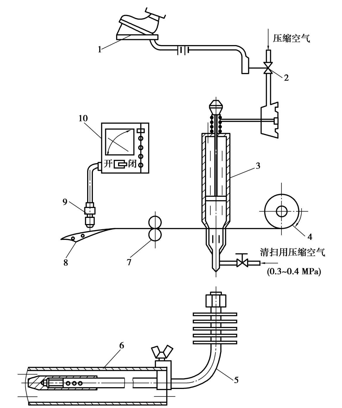
手动和半自动的安全环保检测线,一般由外观检查(人工检查)工位、侧滑制动车速表工位、灯光尾气工位3个工位组成。全自动安全环保检测线可以由三工位、四工位或五工位组成。五工位一般包括汽车资料输入及安全装置检查工位、侧滑制动车速表工位、灯光尾气工位、车底检查工位、综合判定及主控制室工位。如图5-1所示为国产五工位全自动安全环保检测线。

图5-1 国产五工位全自动安全环保检测线
1—进线指示灯;2—烟度计;3—汽车资料登录微机;4—安全装置检查不合格项目输入键盘;5—烟度计检验程序指示器;6—电视摄像机;7—制动试验台;8—侧滑试验台;9—车速表试验台;10—废气分析仪;11—前照灯检测仪;12—车底检查工位;13—主控制室;14—车速表检测申报开关;15—检验程序指示器
②综合检测线
综合检测站分为A,B,C3种类型。A级站在国内一般设置两条检测线,一条为安全环保检测线,主要承担车管部门对车辆进行年审的任务;另一条为综合检测线,主要承担对车辆技术状况的检测诊断。其综合检测线一般有两种类型:一种是全能综合检测线,设有包括安全环保检测线主要检测设备在内的比较齐全的工位,这种检测线的检测设备多,检测项目齐全,与安全环保检测线互不干扰,因而检测效率相对较高,但建站费用也高;另一种是一般综合检测线,设置的工位不包括安全环保检测线的主要检测设备,主要由底盘测功工位组成,能承担除安全环保检测项目以外项目的检测诊断,必要时车辆须开到安全环保检测线上才能完成有关项目的检测,国内已建成的综合检测站有相当多是属于这种类型,与全能综合检测线相比,一般综合检测线设备少,建站费用低,但检测效率也低。
如图5-2所示的综合检测线,是一种接近全能的综合检测线。它由发动机测试及车轮平衡工位、底盘测功工位、车轮定位及车底检查工位组成,除制动性能不能检测外,安全环保检测线上的其他检测项目均能在该线上检测。
B级站和C级站的综合检测线不包括底盘测功工位。
(3)汽车检测线的设备与检测项目
1)安全环保检测线
以如图5-1所示五工位全自动安全环保检测线为例,表5-1为主要检测项目、设备及其用途。在表列设备中,侧滑试验台、轴重计或轮重仪、制动试验台、车速表试验台、前照灯检测仪、排气分析仪、烟度计、声级计和检测手锤为检测设备。

图5-2 双线综合检测站
1—进线指示灯;2—进线控制室;3—L工位检验程序指示器;4、15—侧滑试验台;5—制动试验台;6—车速表试验台;7—烟度计;8—排气分析仪;9—ABS工位检验程序指示器;10—HX工位检验程序指示器;11—前照灯检测仪;12—地沟系统;13—主控制室;14—P工位检验程序指示器;16—前轮定位检测仪;17—底盘测功工位;18、19—发动机综合测试仪;20—机油清净性分析仪;21—就车式车轮平衡仪;22—轮胎自动充气机
2)综合检测线
以外观检查及车轮定位工位、制动工位和底盘测功工位组成的三工位全能综合检测线为例,表5-2为主要设备及其用途,与表5-1所列相同的设备未列出。
①外观检查及车轮定位工位
a.主要设备:轮胎自动充气机、轮胎花纹测量器、检测手锤、地沟内举升平台、地沟上举升器、就车式车轮平衡机、声发射探伤仪、侧滑试验台、四轮定位仪或车轮定位检测仪、转向盘自由转动量检测仪、转向盘转向力检测仪、传动系游动角度检测仪、底盘间隙检测仪等。
b.检测项目:车上车底外观检查、就车检测调整车轮不平衡量、对转向节枢轴等安全机件进行探伤、检测前轮侧滑量和最大转向角、检测前轮和后轮定位参数、检测转向盘自由转动量和转向盘转向力、检测传动系游动角度、检测轮毂轴承等处的松旷量等。
②制动工位
a.主要设备:轴重计或轮重仪、制动试验台等。
b.检测项目:检测各轴轴重、检测各轮制动拖滞力和制动力及按制动曲线分析制动过程、检测驻车制动力等。
③底盘测功工位
a.主要设备:底盘测功试验台、发动机综合参数测试仪、电控系统检测仪、电器综合测试仪、汽缸压力测试仪或汽缸压力表、汽缸漏气量(率)测试仪、真空表或真空测试仪、油耗计、五气体分析仪、烟度计、声级计、机油清净性分析仪、发动机无负荷测功仪、发动机异响分析仪、传动系异响分析仪、温度计等。
b.检测项目:本工位能模拟汽车道路行驶,因而可组织较多的检测设备同时或交叉对汽车发动机、底盘、电气设备和车身等进行动态综合检测诊断。配备的设备越多,能检测诊断的项目也越多。
表5-1 全自动安全环保检测线检测项目、主要设备及其用途

表5-2 全能综合检测线主要设备及其用途

(4)汽车检测站的工艺路线流程
汽车进入检测站后,在检测线上只有按照规定的检测工艺路线和程序流动,才能完成整个检测过程。
1)检测站工艺路线流程
对于一个独立而完整的检测站,汽车进站后的工艺路线流程如图5-3所示。

图5-3 检测站工艺路线流程图
2)检测线工艺路线流程
检测线的工位布置是固定的,进线检测的汽车按工位顺序流水作业。以三工位全能综合检测线为例,其工艺路线流程如图5-4所示。

图5-4 全能综合检测线工艺路线流程图
5.1.2 汽车动力性的检测
汽车的动力性是指汽车在良好路面上直线行驶时由汽车受到的纵向外力决定的、所能达到的平均行驶速度。动力性是汽车各种性能中最基本、最重要的性能。
从获得尽可能高的平均行驶速度的观点出发,汽车的动力性主要由3方面的指标来评定,即:汽车的最高车速、汽车的加速时间、汽车能爬上的最大坡度。
最高车速是指汽车在无风情况下,在水平良好的路面(混凝土或沥青)上能达到的最大行驶速度。
汽车的加速时间表示汽车的加速能力,它对平均行驶车速有很大的影响,常用原地起步加速时间与超车加速时间这两项指标来表明汽车的加速能力。
汽车满载(或某一载质量)时在良好路面上的最大爬坡度可表示汽车的上坡能力。
汽车动力性可在道路或台架上进行检测。道路检测主要是测定最高车速、加速能力、最大爬坡度等评价参数,滑行距离能够表明底盘传动系统与行驶系的配合间隙与润滑等技术状况,且可确定汽车的滚动阻力系数,因此在进行动力性试验时常常也包括滑行试验。
台架试验可测量汽车的驱动力和各种阻力。
(1)道路试验检测动力性
1)最高车速试验
最高车速是指汽车在无风情况下,在水平良好的路面(混凝土或沥青)上汽车能达到的最大行驶速度Vmax。它不是瞬时值,而是可连续行驶一定距离的最高速度。最高车速反映了车辆依靠动力所能达到的车速极限,试验时应关闭汽车门窗和空调系统等附加设施,试验车辆按通用试验条件的规定进行准备。
试验在符合试验条件的道路上,选择中间200m为测量路段,并用标杆做好标志,测量路段两端为试验加速区间。根据试验汽车加速性能的优劣,选定充足的加速区间(包括试车场内环形高速跑道),使汽车在驶入测量路段前能够达到最高的稳定车速。试验汽车在加速区间以最佳的加速状态行驶,在到达测量路段前保持变速器(及分动器)在汽车设计最高车速的相应挡位,油门全开,使汽车以最高的稳定车速通过测量路段。试验过程中注意观察汽车各总成、部件的工作状况并记录异常现象。
试验往返各进行一次,测定汽车通过测量路段的时间,并按下式计算试验结果。

式中 V——汽车最高车速,km/h;
t——往返试验所测时间的算术平均值,s。
测量仪器可采用钢卷尺和计时器(如秒表或其他光电管式计时装置,最小读数为0.01s),现在多选用第五轮仪或非接触式汽车速度仪,直接得出汽车速度。
2)加速性能试验
汽车的加速能力对平均行驶车速有很大影响。由《汽车理论》可知,汽车在水平平坦路面上的加速度大小与动力因素成正比。因此,加速度大小反映了车辆动力特性的好坏。从理论上讲,评价加速性,应该用加速度和时间的关系,但实用意义不大,不如采用速度或距离与时间的关系较直观,所以一般都是用汽车从某一条件下加速到某一距离或某一车速的时间表示。常用原地起步加速时间与超车加速时间这两项指标来表明汽车的加速能力。
原地起步加速时间是指汽车由第1挡起步并以最大的加速度(包括选择适当的换挡时机)逐步换至高挡后到达某一预定的距离或车速所需的时间,采用起步连续换挡加速试验来测定。国外一般用0~400m,0~500m或0~1000m的原地起步加速时间来比较加速能力。
超车加速时间是指用最高挡或次高挡由某一中等车速全力加速至某一高速所需的时间。因为超车时汽车与被超车辆并行,容易发生安全事故,所以超车加速能力强,并行行程短,行驶就安全。超车加速能力还没有一致的规定,采用较多的是用最高挡或次高挡由预定车速全力加速行驶至某一高速所需的时间,或由加速曲线即车速-时间关系曲线全面地反映加速能力。
试验分最高挡和次高挡加速性能试验以及起步连续换挡加速性能试验两种进行。装有自动变速器的汽车只进行原地起步加速试验。若自动变速器有两挡,则分别进行两次试验。
在进行最高挡和次高挡加速性能试验时,首先选取合适长度的加速性能试验路段,在两端各放置标杆作为记号。汽车在变速器预定挡位,以预定的车速(从稍高于该挡最低稳定车速起,选5的整数倍之速度如20,25,30,35,40km/h)作等速行驶,用第五轮仪监视初速度,当车速稳定后(偏差±1km/h),驶入试验路段,迅速将油门踏板踩到底,使汽车加速行驶至该挡最大车速的80%以上,对于轿车应达到100km/h以上。用第五轮仪记录汽车的初速度和加速行驶的全过程,试验往返各进行一次,往返加速试验的路段应重合。
起步连续换挡加速性能试验在同前一样的试验路段进行,汽车停于试验路段之一端,变速器置入该车的起步挡位,迅速起步并将油门踏板快速踩到底,使汽车尽快加速行驶,当发动机达到最大功率转速时,力求迅速无声地换挡,换挡后立即将油门全开,直至最高挡最高车速的80%以上,对于轿车应加速到100km/h以上。用第五轮仪测定汽车加速行驶的全过程,往返各进行一次,往返试验的路段应重合。
试验主要仪器有第五轮仪和发动机转速表,试验前应根据仪器的使用说明书对仪器进行标定。
3)爬陡坡性能试验
爬坡性能试验的目的是在各种坡度的坡道上测定汽车的起步能力和爬坡能力,其中分陡坡试验和长坡试验。
①陡坡试验
爬陡坡试验一般在专门设置的坡道上进行,坡道长度应大于汽车长度的2~3倍。车辆用最低挡开始爬坡,其所能克服的最大坡度值即为最大爬坡能力,用角度或纵向升高百分比表示。轿车的最大爬坡度一般在20%以上,货车爬坡度为20%~30%,越野车爬坡能力是重要指标,一般最大爬坡度不小于60%。而液力传动车辆,其最大爬坡度可达很大值,但仅具有极低的车速,因此一般以克服一定的坡度时的车速来评价其爬坡性能。
试验车辆按通用试验条件的规定进行准备。试验时的坡道坡度应接近于试验车的最大爬坡度。坡道长不小于25m,坡前应有8~10m的平直路段。试验车停于平直路段上,起步后,将油门全开进行爬坡。测量并记录汽车通过测速路段的时间及发动机转速,爬坡过程中监视各仪表(如水温、机油压力等)的工作情况;爬至坡顶后,停车检查各部位有无异常现象发生,并做详细记录。如第一次爬不上,可进行第二次,但不超过两次。爬不上坡时,测量停车点(后轮触地中心)到坡底的距离,并记录爬不上的原因。
如没有规定坡度的坡道,可增减装载质量或采用变速器较高一挡(如2挡)进行试验,再按下式折算为厂定最大总质量下,变速器使用最低挡时的最大爬坡度:

式中 α——试验时的实际坡度,(°);
m′a——汽车实际总质量,kg;
ma——汽车厂定最大总质量,kg;
i1——最低挡总速比;
i′——实际总速比。
最大爬坡度也可用负荷拖车法进行测量。方法是在平直铺装的路面上,用负荷拖车测量汽车最低挡的最大拖钩牵引力,按下式计算出最大爬坡度。

式中 Pmax——汽车最低挡最大拖钩牵引力,N。
若试验车为越野车,则变速器使用最低挡,分动器亦置于最低挡,全轮驱动,停于接近坡道的平直路段上,起步后,将油门全开进行爬坡;当试验车处于坡道上,停住车辆,变速器放入空挡,发动机熄火2min,再起步爬坡。测量并记录通过测速路段的时间及发动机转速。爬坡过程中监视各仪表的工作状况,爬至坡顶后,检查各部位有无异常现象,并作详细记录。
试验常用仪器有坡度仪,发动机转速表,秒表,钢卷尺(50m)等。
②长坡试验
爬长坡试验的目的是综合考验汽车的动力性和燃油经济性能,并对发动机冷却系冷却能力、发动机热状况和传动系统等在低转速、大转矩工作条件下的性能加以考验,也可通过测定挡位利用率,对传动系速比的合理设置进行分析比较。
爬长坡试验在最大纵向坡度为7%~10%、长10km以上的连续长坡上进行,一般要求上坡路段应占坡道90%以上。试验时,根据道路情况和汽车的动力状况,以合适的变速器挡位爬坡,原则上在保证安全和交通法规允许的前提下,尽可能以较高车速行驶。注意观察发动机水温及底盘零部件工作状态,当有“开锅”等异常情况时,应停止试验。记录从起点到终点行驶过程各挡位使用次数和时间、行驶里程、燃油消耗量,计算出各挡位时间(或里程)利用率、汽车行驶平均车速和百公里油耗。
针对发动机冷却系统冷却能力的试验,也可采用负荷拖车法进行。
4)室外道路试验的主要仪器设备
①第五轮仪
在进行车辆道路试验时,为了测量车辆的行程和速度,虽然可以利用由传动系驱动的里程表和速度表,但这种方法不准确。因为车辆驱动轮的滚动半径直接受驱动力矩、地面对轮胎的切向反作用力、车轴载荷、轮胎气压及其磨损程度等的影响,此外,车用里程表和速度表的精度也较低。为消除这些因素对测量精度的影响,在车辆旁边附加一个测量用的轮子,故称第五轮仪。第五轮是从动轮,行驶中无滑转,故能在平坦的路面上精确测量距离。
第五轮仪有两种类型:一种是机械式第五轮仪,它由传动机构、机械记录机构、时间信号发生器(机械式电时钟机构)等部分组成,有的还附带有踏板压力记录机构。机械式第五轮仪现在已经淘汰了。另一种是电子式第五轮仪,其核心元件是安装在第五轮轮轴上的脉冲信号发生器,有磁电式和光电式两种,目前常见的是磁电式脉冲信号发生器,它实际上是一个磁电式传感器。
②非接触式车速仪
第五轮仪因其结构上的限制,而不适用于180km/h以上的高速测试。有时因打滑或轮胎气压等原因,从而使测试精度降低。非接触式车速仪采用光电相关滤波技术,是五轮仪换代产品。测试范围可达1.5~250km/h。其核心元件是SF系列空间滤波器,这是一种非常特殊的传感器,可从路面上的小石块、沙粒、柏油路面的各种粒子,或轮胎印在路面上的不规则纹路中,提取特定的反射斑纹(色斑、凸凹斑等)并作出空间(地面)反射信息处理。
③汽车综合测试仪
汽车综合测试仪是一种以微电脑为核心的智能化仪器,配以不同的传感器,可用于测定汽车、拖拉机、工程机械等车辆的动力性(如滑行性能,加速性能、最高车速,最小稳定车速等)、经济性(如等速油耗,加速油耗、多工况油耗、百公里油耗等)、制动性能、牵引性能等多种技术性能参数,并具有数据处理、显示、存储、打印等功能。
(2)台架试验检测动力性
在当今的汽车开发与质量检验中,很多道路试验项目已逐渐被试验室内台架试验所替代。台架试验与实车道路试验相比,有以下优点:a.不受外界试验条件与环境条件的影响;b.试验周期短;c.节省人力;d.精度高、效率快。另外,在对特异现象进行性能分析或测试带有危险性的实车临界特性时,室内试验更能发挥巨大作用。
室内的动力性试验主要是测定驱动力或驱动轮输出功率作为诊断参数。汽车驱动轮输出功率的检测又称底盘测功,通常在底盘测功试验台(又称转鼓试验台)上进行。其目的是评价汽车的动力性,同时对驱动轮输出功率与发动机输出功率进行对比,可求出传动效率以评价汽车底盘传动系的技术状况。试验时,用转鼓的表面来模拟路面,通过加载装置给转鼓轴施加负荷以模拟汽车在实际行驶时的阻力,再配以可调风速的供风系统提供汽车迎面行驶风,就可模拟道路试验。
1)底盘测功试验台的功能
汽车底盘测功试验台的基本功能为:
a.测试汽车驱动轮输出功率。
b.测试汽车的加速性能。
c.测试汽车的滑行能力和传动系统的传动效率。
d.检测校验车速表。
e.辅以油耗计、废气分析仪等设备,还可以对汽车的燃油经济性和废气排放性能进行检测。
2)底盘测功试验台的结构与工作原理
底盘测功试验台,一般由滚筒装置、功率吸收装置(即加载装置)、测量装置、辅助装置4部分组成。如图5-5所示为国产DCG-10C型汽车底盘测功试验台机械部分的结构示意图。该试验台是一种采用美国Intel公司生产的单片机作为系统的控制核心,适用于轴质量不大于10t、驱动车轮输出功率不大于150kW车辆的检测。

图5-5 底盘测功试验台机械部分结构示意图
1—框架;2—测力杠杆;3—压力传感器;4—从动滚筒;5—轴承座;6—速度传感器;7—举升装置;8—传动带轮;9—飞轮;10—电刷;11—离合器;12—联轴器;13—主动滚筒;14—变速器;15—电涡流测功器;16—冷却水入口
①滚筒装置
滚筒相当于连续移动的路面,被检汽车的车轮在其上滚动,滚筒有单滚筒和双滚筒两种,如图5-6所示。双滚筒结构简单,安装使用方便,且成本较低,因而使用广泛。

图5-6 滚筒式底盘测功试验台
滚筒表面形状不同,有光滚筒、滚花滚筒、带槽滚筒和带涂覆层滚筒多种形式。光滚筒目前应用最多,虽然附着系数较低,但车轮与光滚筒间的附着能力可以产生足够的牵引力。
②功率吸收装置(即加载装置)
功率吸收装置用来模拟车辆在道路上行驶所受的各种阻力。常用的功率吸收装置有水力测功器、直流电机电力测功器和电涡流测功器,目前多采用电涡流测功器。
③测量装置
测功器不能直接测出汽车驱动轮的输出功率值,它需要测出旋转运动时的转速与扭矩,或直线运动时的速度与牵引力,再换算成其功率值。所以,测功试验台必须配有测力装置与测速装置。
测力装置有机械式、液压式和电测式3种形式,目前应用较多的是电测式。电测式测力装置通过测力传感器,将力变成电信号,经处理后送到指示装置显示出来。
测速装置多为电测式,一般由速度传感器、中间处理装置和指示装置组成。速度传感器安装在从动滚筒一端,随滚筒一起转动,能把滚筒的转动变为电信号。
④功率指示装置
在微机控制的底盘测功试验台,测力传感器和速度传感器输出的电信号送入微机处理后,指示装置直接显示驱动轮的输出功率。
⑤控制装置
底盘测功试验台的控制装置和指示装置往往制成一体,形成柜式结构。如图5-7所示为国产DCG-10C型底盘测功试验台控制柜面板图,控制柜上的按键、显示窗、旋钮、功能灯、报警灯、指示灯等,用来控制试验过程,显示或打印试验结果。

图5-7 控制柜面板图
1—取样盒插座;2—打印机数据线插座;3—打印机电源线插座;4—报警灯
(3)汽车驱动轮功率检测方法
不同型号的底盘测功试验台,其使用方法也有所区别,以下介绍的是一般的操作方法。
1)检测前的准备
①底盘测功试验台的准备
使用试验台之前,按厂家规定的项目对试验台进行检查、调整、润滑,在使用过程中,要注意仪表指针的回位、举升器工作的导线的接触情况。发现故障,及时清除。
②被检汽车的准备
汽车开上底盘测功试验台以前,调整发动机供油系及点火系至最佳工作状态;检查、调整、紧固和润滑传动系、车轮的连接情况;清洁轮胎,检查轮胎气压是否符合规定;必须运行走热汽车至正常工作温度。
2)检测方法
①检测点的选择
测功试验时,应选择几个有代表性的工况测试汽车驱动轮的输出功率或驱动力,如发动机额定功率所对应的车速(或转速),发动机最大转矩所对应的车速(或转速),汽车常用车速或经济车速,或根据交通管理部门的要求选择检测点。
②测功方法
a.接通试验台电源,并根据被检车辆驱动轮输出功率的大小,将功率指示表的转换开关置于低挡或高挡位置。
b.操纵手柄(或按钮),升起举升器的托板。
c.将被检汽车的驱动轮尽可能与滚筒成垂直状态地停放在试验台滚筒间的举升器托板上。
d.操纵手柄,降下举升器托板,直到轮胎与举升器托板完全脱离为止。
e.用三脚架抵住位于试验台滚筒之外的一对车轮的前方,以防止汽车在检测时从试验台滑出去,将冷却风扇置于被检汽车正前方,并接通电源。
f.检测发动机额定功率和最大转矩转速下的输出功率或驱动力时,将变速器挂入选定挡位,松开驻车制动,踩下加速踏板,同时调节测功器制动力矩对滚筒加载,使发动机在节气门全开情况下以额定转速运转。待发动机转速稳定后,读取并打印驱动车轮的输出功率(或驱动力)值、车速值。在节气门全开情况下继续对滚筒加载,至发动机转速降至最大转矩转速稳定运转时,读取并打印驱动力(或输出功率)值、车速值。
如需测出驱动车轮在变速器不同挡位下的输出功率或驱动力,则要依次挂入每一挡按上述方法进行检测。当发动机发出额定功率,挂直接挡,可测得驱动车轮的额定输出功率;当发动机发出最大转矩,挂1挡,可测得驱动车轮的最大驱动力。
发动机全负荷选定车速下输出功率或驱动力的检测,是在踩下加速踏板的同时调节测功器制动力矩对滚筒加载,使发动机在节气门全开情况下以选定的车速稳定运转进行的。发动机部分负荷选定车速下输出功率或驱动力的检测与此相同,只不过发动机是在选定的部分负荷下工作的。
当使用DCG-10C型汽车底盘测功试验台测功时,将“速度给定”旋钮(图5-7)置于选定的速度刻线上,“功能选择”旋钮置于“恒速”上,在逐渐增大节气门到所需位置的同时,控制装置能自动调控激磁电流,使汽车在选定的车速下恒速测功。如果手动调控激磁电流,须将“功能选择”旋钮置于“恒流”上,然后手动旋转“电流给定”旋钮即可增大或减小激磁电流,并在旋钮给定位置上供给恒定的激磁电流。
g.全部检测结束,待驱动轮停止转动后,移开风扇,去掉车轮前的三脚架,操纵手柄举起举升器的托板,将被检汽车驶离试验台。
③注意事项
a.超过试验台允许轴重或轮重的车辆一律不准上试验台进行检测。
b.检测过程中,切勿拨弄举升器托板操纵手柄,车前方严禁站人,以确保检测安全。
c.检测额定功率和最大扭矩相应转速工况下的输出功率时,一定要开启冷却风扇并密切注意各种异响和发动机的冷却水温。
d.走合期间的新车和大修车不宜进行底盘测功。
e.试验台不检测期间,不准在上面停放车辆。
滚筒式底盘测功试验台,除能检测驱动车轮的输出功率或驱动力外还能检测车速表指示误差,行驶油耗量等。在测得驱动车轮输出功率后,立即踩下离合器踏板,利用试验台对汽车的反拖还可测得传动系消耗功率。将测得的同一转速下的驱动车轮输出功率与传动系消耗功率相加,就可求得这一转速下的发动机有效功率。
除上述测试项目外,凡需要汽车在运行中进行的检测与诊断项目,只要配备所需的检测设备,均可在滚筒式底盘测功试验台上进行。例如,检测各种行驶工况下的废气成分或烟度,检测点火提前角或供油提前角,诊断各总成或系统的噪声与异响(包括经验诊断法),观测汽油机点火波形或柴油机供油波形,检测各总成工作温度和各电气设备的工作情况等。
5.1.3 汽车燃料经济性检测
汽车的燃料经济性常用一定运行工况下汽车行驶百公里的燃料消耗量或一定燃料量能供汽车行驶的里程数来衡量。在我国及欧洲,燃料经济性指标的单位为百公里燃料消耗量(L/100km)。为便于比较不同载重量汽车的燃料经济性,也可用每吨总重量行驶100km所消耗的燃料升数来评价,即吨百公里燃料消耗量(L/100km·t)。美国采用MPG或mile/US-gal,指的是每加仑燃料能行驶的英里数。这个数值愈大,汽车燃料经济性愈好。
燃料消耗量道路试验包括不控制的道路试验、控制的道路试验和循环道路试验3种。
所谓不控制的道路试验是指对行驶道路、交通情况、驾驶习惯和周围环境等各方面因素都不加控制的道路试验方法。由于各种使用因素的随机变化,要获得分散度小的数据是很困难的。为此,必须用相当数量的汽车(几十辆以上)进行长距离(10000~16000km)的试验,才能获得可以信赖的数据。所以,虽然这是一种非常接近实际情况的试验,但由于试验的费用巨大,时间很长,却是一种通常很少采用的试验方法。
测量燃料消耗时维持行驶道路、交通情况、驾驶习惯和周围环境等中的一个或几个因素不变的方法,称作“控制的路上试验”。例如我国海南试验场进行的、包含考察汽车各项使用性能指标在内的全国汽车质量检查试验中,规定了要测量在一般路面、恶劣路面和山区公路上的百公里油耗,试验规范中对试验路线作了较明确的规定,但对试验中的交通情况、驾驶员的习惯以及气温、风、雨等并无规定,这就是一种有控制的道路试验。国外汽车试验场地在自己的专用试验道路上也进行类似的燃料消耗试验。
路上的循环试验指的是汽车完全按规定的车速—时间规范进行试验。何时换挡、何时制动以及行车的速度、加速度,制动减速等都在规范中加以规定。
以下着重介绍控制的道路试验为乘用车(M1类车辆和最大总质量小于2tN1类车辆)和商用车(M2,M3类车辆和最大总质量大于或等于2t的N类车辆)的等速行驶燃料消耗量试验、商用车的多工况燃料消耗量试验的基本试验条件和试验方法(参照GB/T12545.2—2001和GB/T12545.2—2001)。
(1)燃料消耗量道路试验
1)基本试验条件
试验前,应对试验的车辆进行磨合,乘用车至少应行驶3000km;试验时,试验车辆必须进行预热行驶,使发动机、传动系及其他部分预热到规定的温度状态。轮胎充气压力应符合该车技术条件的规定,误差不超过10kPa(±0.1kgf/cm2)。装载质量除有特殊规定外,乘用车试验质量为装备质量加上180kg,当车辆的50%载质量大于180kg时,则车辆的试验质量为装备质量加上50%的装载质量;商用车试验质量为M2,M3类城市客车为装载质量的65%,其他车辆为满载,装载物应均匀分布且固定牢靠,试验过程中不得晃动和颠离;不应因潮湿、散失等条件变化而改变其质量,以保证装载质量的大小、分布不变。
试验车辆必须清洁,关闭车窗和驾驶室通风口,由恒温器控制的空气流必须处于正常调整状态,作各项燃料消耗量试验时,汽车发动机不得调整。
试验道路应为清洁、干燥、平坦的,用沥青或混凝土铺成的直线道路,道路长2~3km,而宽不小于8m,纵向坡度在0.1%以内。
试验应在无雨无雾,相对湿度小于95%,气温0~40℃,风速不大于3m/s的天气条件下进行。
车速测定仪器和燃料流量计的精度为0.5%;计时器最小读数为0.1s。
2)试验项目及规程
①乘用车90km/h和120km/h等速行驶燃料消耗量试验
A.试验所用的挡位
如果车辆在最高挡(n)时的最大速度超过130km/h,则只能使用该挡位进行燃料消耗量的测定;如果在(n-1)挡的最大速度超过130km/h,而n挡的最大速度仅为120km/h,则120 km/h的试验应在(n-1)挡进行,但制造厂可要求120km/h的燃料消耗量在(n-1)挡和n挡同时测定。
为了确定在规定速度时的燃料消耗量,应至少在低于或等于规定速度时进行两次试验,并在至少等于或高于规定速度时进行另两次试验,但应满足下面规定的误差。
在每次试验行驶期间,速度误差为±2km/h。每次试验的平均速度与试验规定速度之差不得超过2km/h。
B.指定速度的燃料消耗量按规定的方法取得的试验数据用线性回归法来计算
在试验道路上的两个方向上进行试验时,应分别记录在每个方向上获得的值。为了使置信度达到95%,燃料消耗量的精度应达到±3%。为了得到此精度,可增加试验次数。如果在平均速度等于指定速度±0.5km/h时测量燃料消耗量,可用获得的试验数据的平均值计算规定速度下的燃料消耗量。
C.试验结果的校正
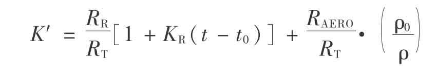
如果在等速试验时,当环境条件变化超过2℃或0.7kPa时,则在确定燃料消耗量和试验精度值之前采用下述给出的校正公式进行校正。
C校正=K′·C测量
式中 C校正——标准条件下的燃料消耗量,L/100km;
C测量——在试验环境条件下测量的燃料消耗量,L/100km;
K′——校正系数。

式中 RR——试验速度下的滚动阻力;
RAERO——试验速度下的空气动力阻力;
RT——总行驶阻力=RR+RAERO;
t——试验期间的环境温度,℃;
KR——滚动阻力相对温度的校正系数,采用值为:3.6×10-3/℃;
ρ——试验条件下的空气密度;
ρ0——标准条件下的空气密度,ρ0=1.189kg/m3。
②商用车等速燃料消耗量试验
试验测试路段长度为500m,汽车用常用挡位,等速行驶,通过500m的测试路段,测量通过该路段的时间及燃料消耗量。
试验车速从20km/h(最小稳定车速高于20km/h时,从30km/h开始),以每隔10km/h均匀选取车速,直至最高车速的90%,至少测定5个试验车速,同一车速往返各进行两次。
以试验车速为横坐标,燃料消耗量为纵坐标,绘制等速燃料消耗量散点图,根据散点图绘制等速燃料消耗量的特性曲线。
③商用车多工况燃料消耗量试验
A.试验方法
汽车运行工况可分为匀速、加速、减速和怠速等几种,实际运行时,往往是上述几种工况的组合,并以此决定了汽车的油耗。所以,各国根据不同车型车辆的常用工况,制订了不同的试验循环,既使得试验结果比较接近于实际情况,又可缩短试验周期。
多工况燃料消耗量试验的方法就是将不同车型的车辆严格依据各自的试验循环进行燃料消耗量测定。
汽车尽量用高挡进行试验,当高挡位达不到工况要求,超出规定偏差时,应降低一挡进行,当车辆进入可使用高挡行驶的等速行驶段和减速行驶段时,再换入高挡进行试验。换挡应迅速、平稳。
减速行驶中,应完全放松加速踏板,离合器仍结合。当试验车速降至10km/h时,分离离合器,必要时,减速工况允许使用车辆的制动器。
试验车辆在多工况的终速度的偏差为±3km/h,其他各工况速度偏差为±1.5km/h。在各种行驶工况改变过程中允许车速的偏差大于规定值,但在任何条件下超过车速偏差的时间不大于1s,即时间偏差为±1s。
每次循环试验后,应记录通过循环试验的燃料消耗量和通过的时间。当按各试验循环完成一次试验后,车辆应迅速调头,重复试验,试验往返各进行两次,取4次试验结果的算术平均值为多工况燃料消耗量试验的测定值。
B.工况循环
a.六工况循环如图5-8所示,具体说明见表5-3,适用于城市客车及双层客车除外的车辆。

图5-8 六工况循环(1.075km)
表5-3

b.四工况循环如图5-9所示,具体说明见表5-4,适用于城市客车和双层客车(包括城市铰接客车)。

图5-9 四工况循环(0.70km)
表5-4

注:1.对于5挡以上变速器采用Ⅱ挡起步,按表中规定循环试验;对于4挡变速器Ⅰ挡起步,将Ⅳ挡代替表中Ⅴ挡,其他依次代替,则按表中规定试验循环进行。
2.括号内数字适用于铰接式客车及双层客车
商用车等速行驶燃料消耗量试验和多工况燃料消耗量试验的试验结果须经重复性检验。若等速行驶燃料消耗量试验和多工况燃料消耗量试验是严格按基本实验条件进行的,根据误差理论可认为试验是在等精度下进行的测量,测量结果符合正态概率分布规律,测量值的算术平均值最接近真值,试验的重复性可按第95百分位分布来判断。
3)道路试验的主要仪器设备
在燃料消耗量测定的试验中主要测量车速、距离、时间和燃料消耗量等参数,车速、距离和时间的测量仍然用五轮仪或非接触式车速仪。燃料消耗量的检测仪器为油耗仪,它可测量某一段时间间隔或某一里程内,流体通过管道的总体积或总重。为提高测量精度,在流量仪表前应有足够的直管段长度或加装流量整流器,以使仪表前的流速分布保持稳定。最后用综合测试仪处理出试验结果。
由于实车道路试验的仪器布置和电源等问题,目前使用的流量计多半是活塞式的,它是容积式流量计的一种。
传感器与二次仪表安装时,传感器串联在测量油路中,远离发动机热源,水平固定,流经传感器的燃油不准倒流,必要时应加单向阀,或在光电检测器中,增加回流流量的检测电路。
(2)燃料消耗量台架试验
1)台架试验
①概述
在汽车底盘测功机(即转鼓试验台)上进行循环试验(测定油耗)是近年来新发展的试验方法,已日益受到广泛重视。所用底盘测功机能反映汽车行驶阻力与加速时的惯性阻力以模拟道路上的行驶工况。
在室内底盘测功机上可以按照很复杂的循环进行试验。如图5-10所示是美国UDDS循环的速度—时间关系曲线,整个循环费时23min,行程12km。它是根据美国洛杉矶市的交通情况拟订的,包含了一系列不重复的加速、减速、怠速和接近于等速的行驶过程。经过研究,UDDS循环确实能代表洛杉矶市中心的汽车运行状态,但比美国其他一些城市的平均速度要低些,怠速时间多一点。

图5-10 美国市内测功器行驶循环(UDDS)的速度-时间曲线
如图5-11所示,将汽车驱动轮置于底盘测功机的转鼓之上,驱动轮既可拖动转鼓又可进行反拖。如果将底盘测功机装在有空调设施的试验室内,则就不会有风和气温的变化,使行驶阻力保持一定,所以,试验具有良好的再现性。

图5-11 燃油消耗量台架试验示意图
A.用底盘测功机测量油耗的优点
a.在室内进行试验不受外界气候条件的限制,且油耗测量值重复性好。
b.由于能控制试验条件,周围环境影响的修正系数可以减到最小。
c.若能控制室温,可在不同气温条件下进行试验。
d.由于室内便于控制行驶状况,能采用符合实际的复杂循环。
e.可以同时进行燃料经济性与排气污染试验。
f.能采用多种测量油耗的方法,如重量法、体积法与碳平衡法等。
B.用底盘测功机测量油耗的缺点
a.不易准确模拟路上的滚动阻力与空气阻力。
b.室内冷却风扇产生的冷却气流与道路上行驶时的实际情况不一致。
c.不易给出准确的惯性阻力。
可见,与其他方法相比,用测功器测量油耗优点较多。
②负荷设定方法
在底盘测功机上进行油耗试验时的负荷设定根据发动机的形式,可选择负荷法和滑行法。
负荷法一般适用于汽油车的负荷设定。汽车行驶阻力随车速的提高而增加,所以,一般节气门开度也要随之加大。在同一种速度下,如果汽车在底盘测功机上和在试车场跑道上的节气门开度是相同的话,则说明两者阻力是一样的。可利用其中之一原理确定底盘测功机的设定负荷。汽油车的节气门开度和负荷(进气管真空度)大致成正比,所以,可控制节气门开度,使测功机负荷与跑道负荷相同,即控制了测功机的制动力矩。
柴油车不能用负荷法试验,需采用滑行法确定设定负荷。当汽车从某一车速脱挡滑行时,由于汽车行驶阻力特性不同,速度变化所需时间也不一样,利用这一原理,便可使底盘测功机试验和跑道试验保持同样的减速时间,从而控制了底盘测功机的制动力矩。
2)乘用车模拟城市工况循环燃料消耗量台架试验方法
试验按标准(GB/T12545.2—2001)的要求在底盘测功机上进行。
车辆试验质量:M1类车辆的试验质量为整车整备质量加上100kg;N1类车辆试验为整车整备质量加上180kg;当车辆的50%装载质量大于180kg时,测试质量为整车整备质量加上50%的装载质量(包括测量仪器和人员的质量)。
燃料消耗量的测量值由两个连续的模拟城市工况循环所消耗的燃料量来决定。进行循环之前,应使发动机在规定条件下进行足够次数(至少进行5次循环)的模拟城市工况循环试验,直到温度稳定,特别应使机油温度稳定。发动机温度应保持在制造厂规定的正常工作范围内。如有必要,可采用附加冷却装置。
为了便于测量燃料消耗量,两个连续的模拟城市工况循环之间的间隔时间(怠速状态)不应超过60s。
试验结果:按模拟城市工况循环测量的燃料消耗量应等于按上述规定进行的3次连续测量的算术平均值。如果进行3次试验后的燃料消耗量极限值与平均值之差超过5%,则按上述规定继续试验,直至获得至少5%的测量精度为止。
5.1.4 汽车侧滑的检测
汽车前轮定位参数是影响汽车操纵性和稳定性的重要因素。汽车如果没有正确的前轮定位,将引起转向沉重、操纵困难、增加驾驶员的劳动强度,同时,转向车轮在向前滚动时将会产生横向滑移现象,即车轮侧滑。因此,汽车转向轮定位值是汽车安全检测中的重点检测项目之一。
国家标准《机动车运行安全技术条件》(GB7258—2004)和《营运车辆综合性能要求和检验方法》(GB18565—2001),对汽车有关转向轮定位参数的检测作了如下一些规定:
a.机动车转向轮转向后应能自动回正,以使机动车具有稳定的直线行驶能力。
b.机动车前轮定位值应符合该车有关技术条件。
c.机动车转向轮的横向侧滑量,用侧滑仪检测时,其值不得超过5m/km。
汽车前轮定位参数的检测,有静态检测法和动态检测法两种。静态检测法是在汽车静止的状态下,用车轮定位仪对前轮定位值进行检测,已在学习情境3中讲述过。
动态检测法是使汽车以一定的行驶速度通过侧滑试验台,从而测量转向轮的横向侧滑量。侧滑量是指汽车直线行驶位移量为1km时,转向轮的横向位移量。侧滑量的单位是:m/km。汽车侧滑试验台是用以检测汽车前轮侧滑量的一种专门设备。而汽车前轮的侧滑量主要受转向轮外倾角及转向轮前束值的影响。所以,侧滑试验台就是为检测汽车转向轮外倾角与前束值这两个参数配合是否恰当而设计的一种专门的室内检测设备。
(1)汽车侧滑试验台的结构与工作原理
1)转向轮定位值引起的侧滑
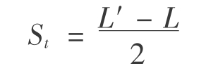
经分析汽车转向轮的前束值与外倾角对其侧滑的影响比较大。
①转向轮前束引起的侧滑
转向轮有了前束后,在滚动过程中力图向内收拢,只是由于转向桥不可能缩短,因此,在实际滚动过程中才不至于真正向内滚拢。但由此而形成的这种内向力势必成为加剧轮胎磨损的隐患。
又假设让两个只有前束而没有外倾的转向轮向前驶过,如图5-12所示的滑动板,也可以看到左右转向轮下的滑动板在转向轮内向力的反作用力的推动下,出现如图5-12中虚线所示分别向外侧滑移的现象。其单边转向轮的外侧滑量St为

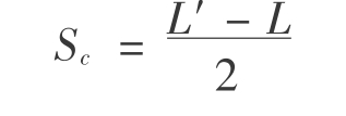
②转向轮外倾角引起的侧滑
转向轮外倾角的存在,在滚动过程中车轮将力图向外张开,只是由于转向桥不可能伸长,因此,在实际滚动过程中才不至于真正向外滚开。但由此而形成的这种外张力势必成为加剧轮胎磨损等的隐患。
假设让两个只有外倾而没有前束的转向轮同时向前驶过两块相对于地面可以左右滑动的滑动板,就可以看到左右转向轮下的滑动板在转向轮外张力的作用力的推动下,出现如图5-13中虚线所示,将分别向内侧滑移。其单边转向轮的内侧滑量Sc为

侧滑试验台就是应用上述滑板原理来检测出转向轮的侧滑量的。

图5-12 由车轮前束引起滑动板的侧滑

图5-13 由车轮外倾角引起滑板的侧滑
2)滑板式侧滑试验台的结构与工作原理
汽车侧滑检验设备按其测量参数可以分为两类:一类是测量车轮侧滑量的滑板式侧滑试验台;另一类是测量车轮侧向力的滚筒式侧滑试验台。上述两种试验台都属于动态侧滑试验台。
滑板式侧滑试验台,按其结构又可分为单板式侧滑试验台和双板式侧滑试验台两种形式。前者只有一块侧滑板,检验时汽车只有一侧车轮从试验台上通过,后者共有左右两块侧滑板,检验时汽车左、右车轮同时从侧滑板上通过。它们一般均由测量装置、指示装置和报警装置等组成,下面主要介绍双板式侧滑试验台。
①测量装置
测量装置由框架、左右两块滑动板、杠杆机构、回位装置、滚轮装置、导向装置、锁止装置、位移传感器及信号传递装置等组成。该装置能把前轮侧滑量测出并传递给指示装置。
滑动板的下部装有滚轮装置和导向装置,两滑动板之间连接有曲柄机构、回位装置和锁止装置。在侧向力作用下,两滑动板只能在左右方向上作等量同向位移,在前后方向上不能位移。
按滑动板位移量传递给指示装置方式的不同,测量装置可分为机械式和电测式两种。机械式侧滑试验台,不便于远距离传输,近年来已很少使用。
电测式测量装置是把滑动板的位移量通过位移传感器变成电信号,再经过放大与处理而传输给指示装置的一种结构形式,可以借助于导线,将测量结果长距离传输,或与控制单元接通,处理十分方便。
②指示装置
指示装置有指针式和数字式。指针式指示装置如图5-14所示,指示装置能把测量装置传递来的滑动板侧滑量,按汽车每行驶1km侧滑1m定为一格刻度,所以每一格代表汽车每行驶1km侧滑1m。根据指针偏向IN或OUT的方向确定出侧滑方向。IN表示正前束,OUT表示负前束。

图5-14 指针式指示装置
1—指针式表头;2—报警用蜂鸣器或信号灯;3—电源指示灯;4—导线;5—电源开关
近年来国内各厂家生产的侧滑试验台采用数字式指示装置,多以单片机进行数据采集和处理,因而具有操作方便、运行可靠、抗干扰性强等优点,同时还能对检测结果进行分析、判断、存储、打印和数字显示等功能。当滑动板侧滑时通过位移传感器转变成电信号,经过放大与信号处理后成为0~5V的模拟量,再经A/D转变成数字量,输入微机运算处理,然后显示出检测结果或由打印机打印出检测结果。数字式指示装置如图5-15所示。

图5-15 数字式指示装置
1—电源接通键;2—电源断开键;3—数码显示器;4—电源指示灯;5—打印键;6—复位键;7—报警灯
(2)汽车侧滑的检测方法
侧滑试验台的型号、结构形式、允许轴重不同,其使用方法也有所区别。在使用前一定要认真阅读使用说明书,以掌握正确的使用方法。侧滑试验台的一般使用方法如下:
1)检测前的准备
①试验台的准备
a.检查侧滑试验台导线连接情况,在导线连接良好的情况下打开电源开关,查看指针式仪表的指针是否在机械零点上,或查看数码管是否亮度正常并都在零位上,发现故障,及时清除。
b.检查侧滑试验台上面及其周围的清洁情况,如有油污、泥土、沙石及水等应予清除。
c.打开侧滑试验台的锁止装置,检查滑动板能否在外力作用下左右滑动自如,外力消失后回到原始位置,且指示装置指在零点。
d.检查报警装置在规定值时能否发出报警信号,并视需要进行调整或修理。
②被检汽车的准备
a.轮胎气压应符合规定。
b.轮胎上粘有油污、泥土、水或花纹沟槽内嵌有石子时,应清理干净。
c.轮胎花纹深度必须符合《机动车运行安全技术条件》(GB7258—2004)的规定。
2)检测方法
a.拔掉滑动板的锁止销钉,接通电源。
b.汽车以3~5km/h的速度垂直侧滑板驶向侧滑试验台,使前轮平稳通过滑动板。
c.当前轮完全通过滑动板后,从指示装置上观察侧滑方向并读取、打印最大侧滑量。
d.检测结束后,切断电源并锁止滑动板。
对于后轮有定位的汽车,仍可按上述方法检测后轴的侧滑量,从而诊断后轴的定位值是否失准。
5.1.5 汽车制动系的检测
(1)对汽车制动系的要求
汽车制动系统技术状况的变化直接影响汽车行驶的安全性。《机动车运行安全技术条件》(GB7258—2004)对汽车的制动性能提出了严格的要求,部分内容如下:
①机动车必须设置行车制动、应急制动和驻车制动装置,应能保证汽车行车制动、应急制动和驻车制动的其中一个或两个系统的操纵机构的任何部件失效时,仍具有应急制动功能。
②行车制动系的制动踏板自由行程应符合该车的有关技术条件。
③行车制动在产生最大制动作用时的踏板力,对于座位数小于或等于9的载客汽车应不大于500N,对于其他车辆不大于700N。驻车制动手操纵时,座位数小于或等于9的载客汽车应不大于400N,其他车辆不大于600N。脚操纵时座位数小于或等于9的载客汽车应不大于500N,其他车辆不大于700N。
④液压行车制动在达到规定的制动效能时,踏板行程不得超过踏板全行程的3/4,制动器装有自动调整间隙装置的车辆的踏板行程不得超过全行程的4/5。驻车制动的操纵装置一般应在操纵装置全行程的2/3以内产生规定的制动效能,驻车制动机构装有自动调节装置时允许在全行程的3/4以内达到规定的制动效能。
⑤采用气压制动的机动车当气压升至600kPa且不使用制动的情况下,停止空气压缩机3min后,其气压的降低值应不大于10kPa。在气压为600kPa的情况下,将制动踏板踩到底,待气压稳定后观察3min,单车气压降低值不得超过20kPa,列车气压降低值不得超过30kPa。
⑥采用液压制动的机动车在保持踏板力为700N达到1min时,踏板不得有缓慢向地板移动的现象。
⑦气压制动系统必须装有限压装置,确保储气筒内气压不超过允许的最高气压。
⑧采用气压制动系统的机动车,发动机在75%的标定功率转速下,4min(汽车列车为6min,城市铰接公共汽车和无轨电车为8min)内气压表的指示气压应从零开始升至起步气压(未标起步气压者,按400kPa计)。
⑨汽车和无轨电车行车制动必须采用双管路或多管路,当部分管路失效时,剩余制动效能仍能保持原规定值的30%以上。
⑩机动车在运行过程中,不应有自行制动现象。当挂车与牵引车意外脱离后,挂车应能自行制动,牵引车的制动仍然有效。
为了保证汽车具有良好的制动性能,制动系统一般应达到:
a.制动性能良好,即制动距离、制动力、制动减速度和制动协调时间应符合要求。
b.制动稳定性良好,即制动不跑偏,不侧滑。用制动距离检验制动性能时,要求车辆的任何部位不能超过规定的试车道宽度;在制动试验台上进行性能检验时,左右轮制动力差符合规定的标准。
c.操纵轻便,即操纵制动系统的力不能过大,应符合标准规定。
d.工作可靠,即制动系统的零部件必须十分可靠,并保证在遇到特殊情况时能够有足够的应急制动性能。
(2)制动性能的检测
根据国家标准《机动车运行安全技术条件》(GB7258—2004)的规定,机动车可以用制动距离、制动减速度和制动力检测制动性能,检测设备有五轮仪、制动减速度仪和制动试验台。
制动性能检测分台试法和路试法两种。用五轮仪和制动减速度仪检测汽车制动性能时,须在道路试验中进行,称路试法。台试法使用制动试验台进行检测。与路试法相比,台试法具有迅速、准确、经济、安全,不受自然条件的限制,以及试验重复性好和能定量地指示出各车轮的制动力等优点,因而在国内外获得了广泛应用。
1)制动试验台的结构与工作原理
①制动试验台的类型
制动试验台根据不同分类方法有多种类型,按试验台测量原理不同,可分为反力式和惯性式两类;按试验台支承车轮形式不同,可分为滚筒式和平板式两类;按试验台检测参数不同,可分为测制动力式、测制动距离式和多功能综合式3类;按试验台测量装置至指示装置传递信号方式不同,可分为机械式、液压式和电气式3类;按试验台同时能测车轴数不同,又可分为单轴式、双轴式和多轴式3类。上述类型中,单轴测力式(测制动力)滚筒制动试验台获得了广泛应用。
②测力式滚筒制动试验台的组成
单轴测力式滚筒制动试验台的结构如图5-16所示。它由框架、驱动装置、滚筒装置、测量装置、举升装置和指示与控制装置等组成。

图5-16 单轴测力式滚筒制动试验台
1—电动机;2—减速器;3—测量装置;4—滚筒装置;5—链传动;6—指示与控制装置;7—举升装置
驱动装置由电动机、减速器和传动链条等组成。电动机的转动通过减速器内的蜗轮蜗杆传动和一对圆柱齿轮传动后传递给主动滚筒,主动滚筒又通过链传动把动力传递给从动滚筒。减速器与主动滚筒共用一轴,减速器壳体处于浮动状态。车轮制动时,该壳体能绕轴摆动,把制动力矩传给测力杠杆。
滚简装置由4个滚筒组成,左右各一对独立设置,滚筒相当于一个活动路面,被测车轮置于两滚筒之间,用来支承被检车轮并在制动时承受和传递制动力。
测量装置主要由测力杠杆、测力传感器等组成。测力杠杆一端与传感器连接,另一端与减速器壳体连接,装在测力杠杆前端的测力传感器,有自整角电机式、电位计式、差动变压器式或电阻应变片式等多种类型,传感器能把测力杠杆的位移或力变成反映制动力大小的电信号,送入指示与控制装置。
为了便于汽车出入试验台,在两滚筒之间设有举升装置。举升装置一般由举升器、举升平板和控制开关等组成,举升器有气压式、液压式和电动式等形式。
指示装置有电子式与微机式之分。电子式的指示装置多配以指针式仪表,这种仪表有一轴单针式和一轴双针式两种类型,单针式只指示一个车轮的制动力,左右车轮需分别设置,双针式可同时指示左右轮制动力。微机式指示装置多配以数字式显示器。控制装置有手动式和微机自动式两种。
③制动试验台检测原理
将被检车左右车轮置于每对滚筒之间,用电动机通过减速器、链传动使主、从动滚筒带动车轮旋转,然后用力踩下制动踏板,车轮给滚筒一个与其转动方向相反的摩擦作用力矩,该力矩大小与滚筒对车轮的制动力矩相等,并驱动浮动的减速器壳体偏转,迫使连接在减速器壳体上的测力杠杆产生位移,通过测力传感器转换成反映制动力大小的电信号,由微机采集、处理后,指令电动机停转,并由指示装置指示或由打印机打印检测到的数值。
制动力的诊断参数标准是以轴制动力占轴荷的百分比为依据的,因此必须在测得轴荷及轴制动力后才能评价轴制动性能,所以,测力式滚筒制动试验台需要配备轴重计或轮重仪,有些制动试验台本身带有内置式轴重测量装置。另外,有些试验台在两滚筒之间装有直径较小的第三滚筒,其上带有转速传感器,其作用是一旦检测时车轮制动抱死,其上的转速传感器送出的电信号可使滚筒立即停转,防止轮胎剥伤。
2)制动试验台的检测方法
以测力式滚筒制动试验台介绍使用方法。
①将制动试验台指示与控制装置上的电源开关打开,按使用说明书的要求预热至规定时间。
②如果指示装置为指针式仪表,检查指针是否在零位,否则应调零。
③检查并清洁制动试验台滚筒上沾有泥、水、沙、石等杂物。
④核实汽车各轴轴荷,不得超过制动试验台允许载荷。
⑤检查并清除汽车轮胎沾有泥、水、沙、石等杂物。
⑥检查汽车轮胎气压是否符合规定,否则应充气至规定气压。
⑦升起制动试验台举升器。
⑧汽车被测车轴在轴重计或轮重仪上检测完轴荷后,应尽可能沿垂直于滚筒的方向驶入制动试验台。先前轴,再后轴,使车轮处于两滚筒之间。
⑨汽车停稳后变速杆置于空挡位置,行车制动器和驻车制动器处于完全放松状态,能测制动时间的试验台还应把脚踏开关套在制动踏板上。
⑩降下举升器,至举升器平板与轮胎完全脱离为止。
如制动试验台带有内置式轴重测量装置,则应在此时测量轴荷。
启动电动机,使滚筒带动车轮转动,先测出车轮阻滞力。
用力踩下制动踏板,检测轴制动力。一般在1.5~3.0s后或第三滚筒(如带有)发出信号后,制动试验台滚筒自动停转。
读取并打印检测结果。
升起举升器,驶出已测车轴,驶入下一车轴,按上述同样方法检测轴荷和制动力。
当与驻车制动器相关的车轴在制动试验台上时,检测完行车制动性能后应重新启动电动机,在行车制动器完全放松的情况下,用力拉紧驻车制动器操纵杆,检测驻车制动性能。
所有车轴的行车制动性能及驻车制动性能检测完毕后,升起举升器,汽车驶出制动试验台。
(3)汽车制动性能检测标准
国家标准《机动车运行安全技术条件》(GB7258—2004)在检验制动性能参数标准中有以下规定:
1)台式检测标准(制动力的诊断参数标准)
①行车制动性能检测
a.制动力。汽车、汽车列车在制动试验台上测出的制动力应符合表5-5的要求,对空载检测制动力有质疑时,可用表中规定的满载检验制动力要求进行检测。
表5-5 台式检测制动力要求

空载和满载状态下测试均应满足此要求。
b.制动力平衡要求。在制动力增长全过程中,左右轮制动力差与该轴左右轮中制动力大者之比对前轴应≤20%,对后轴应≤24%。
c.制动协调时间。制动协调时间是指在紧急制动时,从踏板开始动作至车轮制动力达到所规定的制动力的75%时所需时间。汽车单车制动协调时间应≤0.6s,汽车列车制动协调时间应≤0.8s。
d.车轮阻滞力。车轮阻滞力是指行车和驻车制动装置处于完全释放状态,变速器置空挡位置时,试验台驱动车轮所需的作用力。汽车各车轮的阻滞力不得大于该轴轴荷的5%。
②驻车制动性能检测
当采用制动试验台检查车辆驻车制动力时,车辆空载,乘坐1名驾驶员,使用驻车制动装置,驻车制动力的总和应不小于该车在测试状态下整车重量的20%;对总质量为整备质量1.2倍以下的汽车,此值应为15%。
2)路试检测标准(制动距离、制动减速度的诊断参数标准)
①行车制动性能检测
a.制动距离。车辆在规定的初速度下的制动距离和制动稳定性应符合表5-6的要求,对空载检测制动距离有质疑时,可用表中满载检测的制动性能要求进行检测。
表5-6 制动距离和制动稳定性要求

对3.5t<总质量≤4.5t的汽车,试车道宽度为3m。
b.充分发出的平均减速度。汽车、汽车列车在规定的初速度下急踩制动时充分发出的平均减速度和制动稳定性应符合表5-7的要求。对空载检测制动性能有质疑时,可用表中满载检测的制动性能要求进行检测。
c.制动协调时间。制动协调时间是指在急踩制动时,从踏板开始动作至车辆减速度达到表5-7规定的车辆充分发出的平均减速度的75%时所需的时间。单车制动协调时间应≤0.6s,列车制动协调时间应≤0.8s。
②驻车制动性能检验
在空载状态下,驻车制动装置应能保证车辆在坡度为20%(总质量为整备质量的1.2倍以下的车辆为15%)、轮胎与路面间的附着系数≥0.7的坡道上正、反两个方向保持固定不动的时间应≥5min。
表5-7 制动减速度和制动稳定性要求

对3.5t<总质量≤4.5t的汽车,试车道宽度为3m。
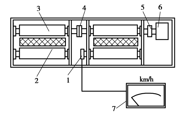
5.1.6 车速表的检测
汽车行驶速度对交通安全有很大影响,尤其在限速路段,驾驶员必须按照车速表的指示值,准确地控制车速,为此,要求车速表本身一定要准确可靠。车速表经长期使用,由于驱动其工作的传动齿轮、软轴及车速表本身技术状况的变化以及因轮胎磨损使驱动车轮滚动半径的变化,车速表指示误差会愈来愈大。如果车速表的指示误差过大,驾驶员就难以正确控制车速,且极易因判断失误而造成交通事故。为确保车速表的指示精度,必须适时对车速表进行检测、校正。
(1)车速表试验台的结构与测量原理
1)车速表误差的测量原理
车速表误差的测量需采用滚筒式车速表试验台进行,将被测汽车车轮置于滚筒上旋转,模拟汽车在道路上的行驶状态。
测量时,由被测车轮驱动滚筒旋转或由滚筒驱动车轮旋转,滚筒端部装有速度传感器(测速发电机),测速发电机的转速随滚筒转速的增高而增加,而滚筒的转速与车速成正比,因此测速发电机发出的电压也与车速成正比。
滚筒的线速度、圆周长与转速之间的关系,可用下式表达:
V=nL×60×10-6
式中 V——滚筒的线速度,km/h;
L——滚筒的圆周长,mm;
n——滚筒的转速,r/min。
因车轮的线速度与滚筒的线速度相等,故上述的计算值即为汽车的实际车速值,由车速表试验台上的速度指示仪表显示,称为试验台指示值。
车轮在滚筒上转动的同时,汽车驾驶室内的车速表也在显示车速值,称为车速表指示值。将试验台指示值与车速表指示值相比较,即可得出车速表的指示误差。

2)车速表试验台的结构
车速表试验台有3种类型:无驱动装置的标准型,它依靠被测车轮带动滚筒旋转;有驱动装置的驱动型,它由电动机驱动滚筒旋转;把车速表试验台与制动试验台或底盘测功试验台组合在一起的综合型。

图5-17 标准型车速表试验台
1—滚筒;2—联轴器;3—零点校正螺钉;4—速度指示仪表;5—蜂鸣器;6—报警灯;7—电源灯;8—电源开关;9—举升器;10—速度传感器
①标准型车速表试验台
该试验台由速度测量装置、速度指示装置和速度报警装置等组成,如图5-17所示。
速度测量装置主要由框架、滚筒装置、速度传感器和举升器等组成。滚筒一般为4个,通过滚筒轴承安装在框架上。在前、后滚筒之间设有举升器,以便汽车进出试验台,举升器与滚筒制动装置联动,举升器升起时,滚筒不会转动。速度传感器一般采用测速发电机式、差动变压器式、磁电式和光电式等多种,安装在滚筒的一端,将对应于滚筒转速发出的电信号送至速度指示装置。
速度指示装置是根据速度传感器发出的电信号大小来工作的。能把以滚筒圆周长与滚筒转速算出的线速度,以km/h为单位在速度指示仪表上显示车速。
速度报警装置是为在测量时,便于判明车速表误差是否在合格范围之内而设置的。
②驱动型车速表试验台
汽车车速表的转速信号多数取自变速器或分动器的输出端,但对于后置发动机的汽车,如车速表软轴过长,会出现传动精度和寿命方面的问题,因此转速信号取自前轮。驱动型车速表试验台就是为适应后置发动机汽车的试验而制造的,其结构如图5-18所示。

图5-18 驱动型车速表试验台
1—测速发电机;2—举升器;3—滚筒;4—联轴器;5—离合器;6—电动机;7—速度指示仪表
这种试验台在滚筒的一端装有电动机,由它来驱动滚筒旋转。此外,这种试验台在滚筒与电动机之间装有离合器,若试验时将离合器分离,又可作为标准型试验台使用。
(2)车速表的检测方法
车速表的检测方法因试验台的牌号、型号而异,应根据使用说明书进行操作。车速表试验台通用的检测方法如下:
1)车速表试验台的准备
①在滚筒处于静止状态检查指示仪表是否在零点上,否则应调零。
②检查滚筒上是否沾有油、水、泥、沙等杂物,应清除干净。
③检查举升器的升降动作是否自如。若动作阻滞或有漏气部位,应予修理。
④检查导线的连接接触情况,若有接触不良或断路,应予修理或更换。
2)被测车辆的准备
①轮胎气压在标准值。
②清除轮胎上的水、油、泥和嵌夹石子。
3)检测方法
①接通试验台电源。
②升起滚筒间的举升器。
③将被检车辆开上试验台,使输出车速信号的车轮尽可能与滚筒成垂直状态地停放在试验台上。
④降下滚筒间的举升器,至轮胎与举升器托板完全脱离为止。
⑤用挡块抵住位于试验台滚筒之外的一对车轮,防止汽车在测试时滑出试验台。
⑥使用标准型试验台时应作如下操作:
a.待汽车的驱动轮在滚筒上稳定后,挂入最高挡,松开驻车制动器,踩下加速踏板使驱动轮带动滚筒平稳地加速运转。
b.当汽车车速表的指示值达到规定检测车速(40km/h)时,读出试验台速度指示仪表的指示值;或当试验台速度指示仪表的指示值达到检测车速时,读取车速表的指示值。
⑦使用驱动型试验台时应作如下操作:
a.接合试验台离合器,使滚筒与电动机连在一起。
b.将汽车的变速器挂入空挡,松开驻车制动器,启动电动机,使电动机驱动滚筒旋转。
c.当汽车车速表的指示值达到检测车速时,读取试验台速度指示仪表的指示值;或当试验台速度指示仪表达到检测车速时,读取汽车车速表的指示值。
⑧测试结束后,轻轻踩下汽车制动踏板,使滚筒停止转动。对于驱动型试验台,必须先关断电动机电源,再踩制动踏板。
⑨升起举升器,去掉挡块,汽车驶离试验台。
(3)车速表诊断参数标准及结果分析
1)车速表检测标准
国家强制性标准《机动车运行安全技术条件》(GB7258—2004)中规定:车速表允许误差范围为-5%~+20%。即当实际车速为40km/h时,汽车车速表指示值应为38~48km/h。超出上述范围车速表的指示为不合格。
2)检测结果分析
车速表经检测出现误差,其主要原因是由于长期使用过程中车速表本身出现了故障、损坏和轮胎磨损。
车速表内有转动的活动盘、转轴、轴承、齿轮、游丝等零件和磁性元件,这些构件在工作过程中产生的磨损和性能变化会造成车速表的指示误差。对于产生磨损的应予更换。磁力式车速表的磁铁磁力退化,也会引起指针指示值失准,应更换磁铁进行修复。
汽车轮胎在使用过程中由于磨损,其半径逐渐减小。在变速器输出轴转速不变的条件下,汽车行驶速度因轮胎半径的变化而变化,而车速表的软轴是与变速器输出轴相连的,因此车速表指示值与实际车速形成误差。
为消除车速表机件磨损和轮胎磨损形成的指示误差,应借助于车速表试验台适时地对车速表进行检验。
5.1.7 汽车排气的检测
随着汽车工业的发展和汽车保有量急剧增加,汽车排放的污染物是一致公认的城市大气主要污染公害之一,已成为严重的社会问题。因此,检测并控制汽车排气污染物的浓度,已成为汽车检测中重要的检测项目。
(1)汽车排气污染物的主要成分及其危害
1)汽车排气污染物的主要成分
汽车排气的污染物,主要是一氧化碳(CO)、碳氢化合物(HC)、氮氧化合物(NOx)、硫化物(主要是SO2)、碳烟及其他—些有害物质。如果燃用含铅汽油,排气中的污染物还包含铅化合物。汽车排气污染物中,CO,HC,NOx和碳烟主要来源于汽车尾气的排放,少部分来自曲轴箱窜气,其中,部分HC还来自于油箱和整个供油系的蒸发与滴漏。
在相同工况下,汽油机排放的CO,HC和NOx排放量比柴油机大,因此,目前的排放法规对汽油机主要限制CO,HC和NOx的排放量。柴油机对大气的污染较汽油机轻得多,主要是产生碳烟污染,因此排放法规主要限制柴油机排气的烟度。
2)汽车排气污染物的危害
汽车排出的各种物质中,对人类形成危害的有CO,HC,NOx,碳烟和硫化物等。
①CO是燃料不完全燃烧的产物,是汽车尾气中浓度最大的有害成分,是一种无色无味的有毒气体,它进入人体后极易与血液中担负输运氧气的血红蛋白结合,妨碍血红蛋白的输氧能力,造成人体各部分缺氧,引起头痛、头晕、呕吐等中毒症状,严重时甚至死亡。
②HC是发动机未燃尽的燃料分解出来的产物。当HC浓度较高时,使人出现头晕、恶心等中毒症状。而且,HC和NOx在强烈的太阳光作用下,能反应生成一种有害的光化学烟雾,这种光化学烟雾滞留在大气中,造成大气严重污染,对人的眼睛、呼吸道及皮肤均有强烈的刺激性。
③NOx是汽油机和柴油机排放的主要污染物,是发动机大负荷工作时进气中的N2与O2在高温高压条件下反应而生成的。NOx主要是NO和NO2。NO与血液中血红蛋白的亲和力比CO还强,通过呼吸道及肺进入血液,使其失去输氧能力,产生与CO相似的中毒后果。NO2侵入肺脏深处的肺毛细血管,引起肺水肿,同时还能刺激眼、鼻黏膜,麻痹嗅觉。
④碳烟以柴油机排放量为最多,它是柴油机燃烧不完全的产物,其内含有大量的黑色碳颗粒。碳烟能影响道路的能见度,并因含有少量的带有特殊臭味的乙醛,往往引起人们恶心和头晕。
⑤硫化物主要为SO2,燃料中含有的硫与氧反应而生成。SO2有强烈的气味,可刺激人的咽喉与眼睛,甚至会使人中毒。若大气中含SO2过多,还会形成“酸雨”,损害生物,使土壤与水源酸化,影响自然界的生态平衡。
(2)汽油车排气污染物的标准及检测
1)汽油车排气污染物的检验标准
我国于1979年颁布了环境保护法,1984年实施了汽车污染物排放标准和测量方法的国家标准。其后,又相继制定了几项国家排放标准,并于1993年对上述排放标准进行了修订,从严规范了诊断参数限值和测量方法。
《汽车排放污染物限值及测试方法》(GB14761—1999)采用了联合国欧洲经济委员会(ECE)1995年7月2日生效的ECER83/02《按发动机对燃料的要求类别就污染排放物对车辆认证的规则》的全部技术内容,采用了国际通用的试验方法,在控制力度上达到了欧洲20世纪90年代初的水平。
《在用汽车排气污染物限值及测试方法》(GB18285—2000),是我国在用汽车排气污染物限值及测试方法的最新国家标准。该国家标准中的加速模拟工况试验限值及试验方法,是参照美国国家环保局标准EPA-AA-RSPD-IM-96-2《加速模拟工况试验规程、排放标准、质量控制要求及设备技术要求技术导则》(1996年7月)制定的,使我国治理在用汽车排气污染走上了更为严格的道路。
《在用汽车排气污染物限值及测试方法》(GB18285—2000)中规定,装配点燃式发动机的车辆,在检测中要进行怠速试验、双怠速试验和加速模拟工况(ASM)试验。又规定,按《汽车排放污染物限值及测试方法》(GB14761—1999)通过B类认证(燃用优质无铅汽油的车辆)、设计乘员数不超过6人且最大总质量不超过2500kg的M1类车辆和按该标准通过B类认证、设计乘员数超过6人,或最大总质量超过2500kg但不超过3500kg的M类车辆和N1类车辆,进行双怠速试验或加速模拟工况(ASM)试验;除上述规定以外的其他M、N类装配点燃式发动机的车辆进行怠速试验。
《在用汽车排气污染物限值及测试方法》(GB18285—2000)中规定,怠速试验按《汽油车排气污染物的测量怠速法》(GB/T3845—1993)的规定进行,双怠速试验按《汽油车排气污染物的测量怠速法》(GB/T3845—1993)附录C的规定进行。
按照《在用汽车排气污染物限值及测试方法》(GB18285—2000)的规定,对于装配点燃式四冲程发动机,最大总质量大于或等于400kg,最大设计车速大于或等于50km/h的在用汽车,排放污染物限值如下:
①装配点燃式发动机的车辆进行双怠速试验排气污染物限值见表5-8所示。从表中可以看出,高怠速排放测量值应低于怠速排放测量值。
表5-8 装配点燃式发动机的车辆双怠速试验排气污染物限值

注:①HC容积浓度按正己烷当量。
②Ml指车辆设计乘员数(含驾驶员)不超过6人,且车辆的最大总质量不超过2500kg。
③N1还包括设计乘员数(含驾驶员)超过6人,或车辆的最大总质量超过2500kg但不超过3500kgM车。
②装配点燃式发动机的车辆怠速试验排气污染物限值见表5-9所示。
表5-9 装配点燃式发动机的车辆怠速试验排气污染物限值

注:①HC容积浓度按正己烷当量。
2)汽油车排气污染物的检测方法
①怠速试验法(引用怠速试验按《汽油车排气污染物的测量怠速法》(GB/T3845—1993))
发动机由怠速工况加速至0.7额定转速,维持60s后降至怠速状态;再以怠速转速运转15s后开始读数,在30s内读取最大值和最小值(或读取3次数据),取平均值。
②双怠速试验法(引用《汽油车排气污染物的测量怠速法》(GB/T3845—1993)附录C)
发动机由怠速工况加速至0.7额定转速,维持60s后降至高怠速(即0.5额定转速);稳定后开始读数,在30s内读取最大值和最小值(或读取3次数据),取平均值,紧接着,将发动机从高怠速降至怠速,在怠速状态维持15s后开始读数,在30s内读取最大值和最小值,平均值即为其怠速排放的结果。
③加速模拟工况(ASM)试验法(附录A(GB18285—2000))
试验由ASM5025和ASM2540两个工况试验组成。
A.ASM5025
a.预热发动机。
b.车辆加速至25km/h。
c.底盘测功机以加速度1.475m/s的输出功率的50%作为设定功率对车辆加载。
d.车辆以(25±0.5)km/h的速度持续运转10s后开始测试。
e.测试时间为90s。
B.ASM2540
a.ASM5025工况结束后,车辆立即加速至40km/h。
b.底盘测功机以车辆速度40km/h,加速度为1.475km/s时的输出功率的25%作为设定功率对车辆加载。
c.车辆以(40±1.5)km/h的速度持续运转10s后开始测试。
d.测试时间为90s。
3)汽油车排气污染物的检测
《汽油车排气污染物的测量怠速法》(GB/T3845—1993)规定汽油车排气污染物检测时,应采用不分光红外线分析仪(NDIR),并对检测工况和检测程序进行了具体规定。
①基本检测原理
汽车排气中的CO,HC,NO和CO2等气体,对红外线分别具有吸收一定波长的性质,而且红外线被吸收的程度与废气浓度之间有一定的关系,如图5-19所示。不分光红外线分析法就是根据这一原理,即废气吸收一定波长红外线能量的变化,来检测废气中各种污染物的含量。在各种气体混在一起的情况下,这种检测方法具有测量值不受影响的特点。

图5-19 4种气体吸收红外线的情况
利用不分光红外线分析法制成的分析仪,既可以制成单独检测CO或HC含量的单项分析仪,也可以制成能测量这两种气体含量的综合分析仪。排气中CO的浓度是直接测量的,而排气中HC的成分非常复杂,因此要把各种HC成分的浓度换算成正己烷(n-C6H14)的浓度后再作为HC浓度的测量值。
②不分光红外线气体分析仪的结构与工作原理
不分光红外线气体分析仪,是一种能够从汽车排气管中采集气样,并对其中所含CO和

图5-20 不分光红外线气体分析仪
1—导管;2—滤清器;3—低浓度取样探头;4—高浓度取样探头;5—CO指示仪表;6—HC指示仪表;7—标准HC气样瓶;8—标准CO气样瓶
HC的浓度进行连续测量的仪器。如图5-20所示为分析仪的外形图。它由废气取样装置、废气分析装置、废气浓度指示装置和校准装置等组成。
a.废气取样装置由取样探头、滤清器、导管、水分离器和泵等组成。它通过取样探头、导管和泵从车辆排气管里采集废气,再用滤清器和水分离器把废气中的碳渣、灰尘和水分等除掉,只把废气送入分析装置。
b.按传感器形式不同,废气分析装置可分为电容微音器式和半导体式等不同形式。废气分析装置由红外线光源、气样室、旋转扇轮(截光器)、测量室和传感器等组成。该装置按照不分光红外线分析法,从来自取样装置的混有多种成分的废气中,测量出CO和HC的浓度,并以电信号形式输送给废气浓度指示装置。
c.综合式气体分析仪的浓度指示装置,主要由CO指示装置和HC指示装置组成,有指针式仪表和数字式显示器两种类型。从废气分析装置送来的电信号,在CO指示仪表上CO的浓度以体积百分数(%)表示;在HC指示仪表上HC浓度以正己烷当量体积的百万分数(10-6)表示。
指针式气体分析仪如图5-21所示,可利用零点调整旋钮、标准调整旋钮和读数挡位转换开关等进行控制。此外,还可以通过气流通道一端设计的流量计,得知废气通道滤清器是否脏污等异常情况。

图5-21 不分光红外线气体分析仪面板图
1—HC标准调整旋钮;2—HC零点调整旋钮;3—HC读数转换开关;4—CO读数转换开关;5—简易校准开关;6—CO标准调整开关;7—CO零点调整开关;8—电源开关;9—泵开关;10—流量计;11—电源指示灯;12—标准气样注入口;13—CO指示仪表;14—HC指示仪表
d.校准装置是一种为了保持分析仪的指示精度,使之能准确指示测量值的装置。在此装置中,往往既设有用加入标准气样进行校准的装置,也设有用机械方式简易校准的装置。
标准气样校准装置是把分析仪生产厂附带来的供校准用的标准气样(CO和HC),从分析仪上专设的标准气样注入口直接送到废气分析装置,再通过比较标准气样浓度值和仪表指示值的方法来进行校准的一种装置。
简易校准装置通常是用遮光板把废气分析装置中通过测量气样室的红外线遮挡住一部分,用减少一定量红外线能量的方法进行简单校准的装置。
③汽油车污染物的检测方法
按照《汽油车排气污染物的测量怠速法》(GB/T3845—1993)的规定,汽油车怠速污染物的检测应在怠速工况下,采用不分光红外线气体分析仪,按规定程序检测CO和HC的浓度值。双怠速试验按《汽油车排气污染物的测量怠速法》(GB/T3845—1993)附录C的规定进行。
怠速工况是指发动机运转;离合器处于接合位置;油门踏板与手油门处于松开位置;变速器处于空挡位置;采用化油器的供油系统,其阻风门处于全开位置。
A.仪器准备
a.按仪器使用说明书的要求做好各项检查工作。
b.接通电源,对气体分析仪预热30min以上。
c.用标准气样校准仪器,先让气体分析仪吸入清洁空气,用零点调整旋钮把仪表指针调整到零点,然后把标准气样从标准气样注入口注入,再用标准调整旋钮把仪表指针调到标准指示值。注意:在灌注标准气样时,要关掉气体分析仪上的泵开关。
CO校准的标准值就是标准气样瓶上标明的CO浓度值;HC校准的标准值,由于是用丙烷作为标准气样,因而要按下式求出正己烷的换算值作为校准的标准值:校准的标准值(即正己烷换算值)=标准气样(丙烷)浓度×换算系数,其中,标准气样(丙烷)浓度即标准气样瓶上标明的浓度值;换算系数是气体分析仪的给出值,一般为0.472~0.578。
用简易装置校准仪器,先接通简易校准开关,对于有校准位置刻度线的仪器,可用标准调整旋钮将仪表指针调整到正对标准刻度线位置。对于没有标准刻度线的仪器,要在标准气样校准后立即进行简易校准,使仪表指针与标准气样校准后的指示值重合。
d.把取样探头和取样导管安装到气体分析仪上,此时如果仪表指针超过零点,则表明导管内壁吸附有较多的HC,需要用压缩空气或布条等清洁取样探头和导管。
B.受检车辆或发动机的准备
a.进气系统应装有空气滤清器,排气系统应装有排气消声器,并不得有泄漏。
b.汽油应符合国家标准的规定。
c.测量时发动机冷却水和润滑油温度应达到汽车使用说明书所规定的热状态。
C.怠速测量程序
a.必要时在发动机上安装转速计、点火定时仪、冷却水和润滑油测温计等测试仪器。
b.发动机由怠速工况加速至0.7额定转速,维持60s后降至怠速状态。
c.发动机降至怠速状态后,将取样探头插入排气管中,深度等于400mm,并固定于排气管上。
d.先把指示仪表的读数转换开关打到最高量程挡位,再一边观看指示仪表,一边用读数转换开关选择适于排气含量的量程挡位。发动机在怠速状态维持15s后开始读数,读取30s内的最高值和最低值,其平均值即为测量结果。
e.若为多排气管时,取各排气管测量结果的算术平均值。
f.测量工作结束后,把取样探头从排气管里抽出来,让它吸入新鲜空气5min,待仪器指针回到零点后再关闭电源。
D.双怠速测量程序
a.必要时在发动机上安装转速计、点火定时仪、冷却水和润滑油测温计等测试仪器。
b.发动机由怠速工况加速至0.7额定转速,维持60s后降至高怠速(即0.5额定转速)。
c.发动机降至高怠速状态后,将取样探头插入排气管中,深度等于400mm,并固定于排气管上。
d.先把指示仪表的读数转换开关打到最高量程挡位,再一边观看指示仪表,一边用读数转换开关选择适于排气含量的量程挡位。发动机在高怠速状态维持15s后开始读数,读取30s内的最高值和最低值,取平均值即为高怠速排放测量结果。
e.发动机从高怠速状态降至怠速状态,在怠速状态维持15s后开始读数,读取30s内的最高值和最低值,其平均值即为怠速排放测量结果。
f.若为多排气管时,分别取各排气管高怠速排放测量结果的算术平均值和怠速排放测量结果的算术平均值。
g.测量工作结束后,把取样探头从排气管里抽出来,让它吸入新鲜空气5min,待仪器指针回到零点后再关闭电源。
(3)柴油车排气污染物的标准及检测
1)柴油车排气污染物的检验标准
柴油车排出的烟色有黑烟、蓝烟和白烟3种。其中,以柴油机在全负荷和加速工况时排出的黑色碳烟最为常见。黑烟的发暗程度用排气烟度表示,排气烟度用烟度计检测。烟度计可分为滤纸式、透光式、重量式等多种形式。
根据《在用汽车排气污染物限值及测试方法》(GB18285—2000)的规定,对于装配压燃式发动机的车辆,按照《汽车排放污染物限值及测试方法》(GB14761—1999)通过C类认证的车辆进行自由加速排气可见污染物试验,除通过C类认证以外的其他装配压燃式发动机的车辆进行自由加速烟度试验。标准中又规定,自由加速排气可见污染物试验按《在用汽车排气污染物限值及测试方法》(GB18285—2000)附录B进行,自由加速烟度试验按《柴油车自由加速烟度的测量滤纸烟度法》(GB/T3846—1993)规定进行。
《在用汽车排气污染物限值及测试方法》(GB18285—2000)规定,对于装配压燃式发动机,最大总质量大于或等于400kg,最大设计车速大于或等于50km/h的在用汽车,自由加速试验烟度排放限值如表5-10所示。
表5-10 装配压燃式发动机的车辆自由加速试验烟度排放限值

2)柴油车排气污染物的检测
《柴油车自由加速烟度的测量滤纸烟度法》(GB/T3846—1993)规定柴油车排气烟度检测时,应采用滤纸式烟度计,并对检测工况和测量程序进行了具体规定。
①基本检测原理
滤纸式烟度计的测量原理是用一个活塞式抽气泵,从柴油机排气管中抽取一定容积的废气,使它通过一张一定面积的白色滤纸,废气中的碳烟存留在滤纸上,使其染黑。用检测装置测定滤纸的染黑度,再由指示装置指示出来。该染黑度即代表柴油车的排气烟度。
②滤纸式烟度计的结构与工作原理
滤纸式烟度计是应用最广的烟度计之一,有手动、半自动和全自动3种形式。其结构都是由废气取样装置、染黑度检测与指示装置和控制装置等组成,如图5-22所示。

图5-22 滤纸式烟度计结构简图
1—脚踏开关;2—电磁阀;3—抽气泵;4—滤纸卷;5—取样探头;6—排气管;7—进给机构;8—染黑的滤纸;9—光电传感器;10—指示仪表
a.废气取样装置:由取样探头、活塞式抽气泵和取样软管等组成。
取样探头分台架试验用和整车试验用两种形式。整车试验用取样探头带有散热片,其上装有夹具以便固定在排气管上。取样探头在活塞式抽气泵的作用下抽取废气,其结构形状应能保证在取样时不受排气动压的影响。
活塞式抽气泵由活塞泵、手柄、回位弹簧、锁止装置、电磁阀和滤纸夹持机构等组成。取样前,手动或自动压下抽气泵手柄,直至克服回位弹簧的张力使活塞到达最下端,并由锁止机构锁紧。当需要取样时,踩下脚踏开关或按下“手动抽气”按钮,可操纵电磁阀使压缩空气解除锁止机构对活塞的锁紧作用,活塞在回位弹簧张力作用下上升到顶端,完成取样过程。
滤纸夹持机构在取样时实现对滤纸的夹紧和密封,使取样过程中的排气经滤纸进入泵筒内,碳烟存留在滤纸上并将其染黑,并能保证滤纸的有效工作面直径为矱32mm。取样完成后,滤纸夹持机构松开,染黑的滤纸由进给机构送至染黑度检测装置。

图5-23 污染度指示装置原理图
1—光电元件;2—电灯泡;3—滤纸
取样软管把取样探头和活塞式抽气泵连接在一起,由于泵的抽气量与软管的容积有关,国标规定,取样软管长度为5.0m,内径为矱5~0.2mm,取样系统局部内径不得小于矱4mm。
b.染黑度检测与指示装置:由光电传感器、指示仪表或数字式显示器、滤纸和标准烟样等组成。光电传感器由光源(白炽灯泡)、光电元件(环形硒光电池)等组成。其工作原理如图5-23所示。电源接通后白炽灯泡发亮,其光亮通过带有中心孔的环形硒光电池照射到滤纸上,当滤纸的染黑度不同时,反射给环形硒光电池感光面的光线强度也不同,因而环形硒光电池产生的光电流强度也就不同。
指示电表是一块微安表,是滤纸染黑度亦即排气烟度的指示装置。当环形硒光电池送来的光电流强度不同时,指示仪表指针的位置也不同。指示表头以Rb0~Rb10表示。其中,0是全白滤纸的Rb单位,10是全黑滤纸的Rb单位,从0~10均匀分布。
检测装置一般都备有供标定或校准用的标准烟样和符合规定的滤纸。标准烟样也称为烟度卡,应在烟度计上标定,精确度为0.5%。当标准烟样用于标定烟度计时,按量程均匀分布不得少于6张;当用于校准烟度计时,每台烟度计3张,标定值选在Rb5左右。当烟度计指示仪表需要校准时,只要把标准烟样放在光电传感器下,用调节旋钮把指示电表的指针调整到标准烟样所代表的染黑度数值即可达到目的。这可使指示仪表保持指示精度,以得出准确的测量结果。烟度计必须定期标定,要求在有效期内使用。
滤纸有带状和圆片状两种。带状滤纸在进给机构的作用下能实现连续传送,适用于半自动式和全自动式烟度计。圆片状滤纸,仅适用于手动式烟度计。
c.控制装置包括用脚操纵的抽气泵电磁脚踏开关、滤纸进给机构和压缩空气清洗机构等。压缩空气清洗机构能在废气取样前,用压缩空气清洗取样头和取样软管内的残留废气碳粒。
③柴油车自由加速烟度的检测方法
《柴油车自由加速烟度的测量滤纸烟度法》(GB/T3846—1993)规定,柴油车自由加速烟度的检测应在自由加速工况下,采用滤纸式烟度计,按测量规程进行。
自由加速工况是指,柴油发动机于怠速工况(发动机运转,离合器处于接合位置,油门踏板与手油门处于松开位置,变速器处于空挡位置,具有排气制动装置的发动机,蹀形阀处于全开位置),将油门踏板迅速踏到底,维持4s后松开。
A.仪器准备
a.通电前,检查指示仪表指针是否在机械零点上,否则用零点调整螺钉使指针与“10”的刻度重合。
b.接通电源,仪器进行预热。打开测量开关,在检测装置上垫10张全白滤纸,调节粗调及微调电位器,使表头指针与“0”的刻度重合。
c.在10张全白滤纸上放上标准烟样,并对准检测装置,仪表指针应指在标准烟样的染黑度数值上,否则应进行调节。
d.检查取样装置和控制装置中各部机件的工作情况,特别要检查脚踏开关与活塞抽气泵动作是否同步。
e.检查控制用压缩空气和清洗用压缩空气的压力是否符合要求。
f.检查滤纸进给机构的工作情况是否正常。检查滤纸是否合格,应洁白无污。
B.受检车辆准备
a.进气系统应装有空气滤清器,排气系统应装有消声器并且不得有泄漏。
b.柴油应符合国家规定,不得使用燃油添加剂。
c.测量时发动机的冷却水和润滑油温度应达到汽车使用说明书所规定的热状态。
d.自1975年7月1日起新生产柴油车用的柴油机,应保证启动加浓装置在非启动工况不再起作用。
C.测量程序
a.用压力为0.3~0.4MPa的压缩空气清洗取样管路。
b.把抽气泵置于待抽气位置,将洁白的滤纸置于待取样位置,将滤纸夹紧。
c.将取样探头固定于排气管内,插入深度等于300mm,并使其轴线与排气管轴线平行。
d.将脚踏开关引入汽车驾驶室内,但暂不固定在油门踏板上。
e.按照自由加速工况的规定加速3次,以清除排气系统中的积存物。然后,把脚踏开关固定在油门踏板上,进行实测。

图5-24 自由加速烟度测量规程
f.测量取样,按照自由加速工况的规定和图5-24所示自由加速烟度测量规程,将油门踏板与脚踏开关一并迅速踩到底,持续4s后立刻松开,维持怠速运转,循环测量4次,取后3个循环烟度读数的算术平均值作为所测烟度值。
g.当汽车发动机出现黑烟冒出排气管的时间与抽气泵开始抽气的时间不同步现象时,应取最大烟度值作为所测烟度值。
h.在被染黑的滤纸上记下试验序号、试验工况和试验日期等,以便保存。
i.检测结束,及时关闭电源和气源。
5.1.8 汽车前照灯的检测
汽车前照灯检测是汽车安全性能检测的重要项目。前照灯诊断的主要参数是发光强度和光束照射位置。当发光强度不足或光束照射位置偏斜时,会造成夜间行车驾驶员视线不清,或使迎面来车的驾驶员眩目,将极大地影响行车安全。所以,应定期对前照灯的发光强度和光束照射位置进行检测、校正。前照灯的技术状况,可用屏幕法和前照灯校正仪检测。
(1)前照灯光束照射位置标准及屏幕检测法
1)前照灯光束照射位置的检验标准
根据《机动车运行安全技术条件》(GB7258—2004)的规定,汽车前照灯的检验指标为光束照射位置的偏移值和发光强度(cd)。前照灯光束照射位置应符合以下要求:
①机动车(运输用拖拉机除外)在检验前照灯的近光光束照射位置时,前照灯在距离屏幕10m处,光束明暗截止线转角或中点的高度应为0.6~0.8H(H为前照灯基准中心高度),其水平方向位置向左向右偏移均不得超过100mm。
②四灯制前照灯其远光单光束灯的调整,在屏幕上光束中心离地高度为0.85~0.90H,水平位置左灯向左偏移不得大于100mm,向右偏移不得大于170mm;右灯向左或向右偏移均不得大于170mm。
③机动车装用远光和近光双光束灯时以调整近光光束为主。对于只能调整远光单光束的灯,调整远光单光束。
2)屏幕法检测前照灯光束照射位置
①检测的准备
《机动车运行安全技术条件》(GB7258—2004)规定,用屏幕法检测前照灯光束照射位置时,检查用场地应平整,屏幕与场地应平直,被检验的车辆应在空载、轮胎气压正常、乘坐1名驾驶员的条件下进行。将车辆停置于屏幕前,并与屏幕垂直,使前照灯基准中心距屏幕10m,在屏幕上确定与前照灯基准中心离地面距离H等高的水平基准线及以车辆纵向中心平面在屏幕上的投影线为基准确定的左右前照灯基准中心位置线。分别测量左右远近光束的水平或垂直照射方位的偏移值,如图5-25所示。
屏幕上画有3条垂直线和3条水平线:
中间垂直线V—V与被检车辆的纵向中心垂直面对齐。
两侧的垂直线VL—VL和VR—VR分别为被检车辆左右前照灯基准中心的垂直线。
水平线中的h—h线与被检车辆前照灯的基准中心等高,距地面高度为H;H为被检车辆前照灯基准中心距地面的高度,其值视被检车型而定。
中间水平线与被检车辆前照灯远光光束的中心等高,距地面高度为H1,H1=0.85~0.90H。
下侧水平线与被检车辆前照灯近光光束的中心等高,距地面高度为H2,H2=0.60~0.80H。

图5-25 屏幕法检测前照灯光束照射位置
②检测方法
检测时,先遮盖住一边的前照灯,然后打开前照灯的近光开关,未被遮盖的前照灯的近光明暗截止线转角或光束中心应落在图5-25中下边水平线与VL—VL或VR—VR线的交点位置上,否则为光束照射位置偏斜。其偏斜方向和偏斜量可在屏幕上直接测量。用同样方法,检测另一边前照灯近光光束照射位置。
根据检测标准,检测调整前照灯光束的照射位置时,对远、近双光束灯应以检测调整近光光束为主。对于远光单光束前照灯,则要检测远光光束的照射位置。其光束中心应落在中间水平线与VL—VL或VR—VR线的交点位置上。
用屏幕法检测前照灯简单易行,但只能检测出光束的照射位置,不能检测发光强度。为适应不同车型的检测,需经常更换屏幕,检测效率低,同时,需要占用较大场地。因此目前广泛采用前照灯校正仪对汽车前照灯进行检测。
(2)前照灯发光强度标准及仪器检测方法
1)前照灯发光强度的检验标准
《机动车运行安全技术条件》(GB7258—2004)规定,机动车每只前照灯的远光光束发光强度应达到表5-11的要求。测试时,其电源系统应处于充电状态。
表5-11 前照灯远光光束发光强度要求/cd

注:①采用四灯制的机动车其中两只对称的灯达到两灯制的要求时视为合格。
2)前照灯校正仪检测发光强度和光轴偏斜量
前照灯校正仪是按一定测量距离放在被检车辆的对面,用来检测前照灯发光强度与光轴偏斜量的专用设备。光轴偏斜量表示光束照射位置。
①前照灯校正仪的检测原理
前照灯校正仪的类型很多,但基本检测原理类似,一般均采用能把吸收的光能变成电流的光电池作为传感器,按照前照灯主光束照射光电池产生电流的大小和比例,来测量前照灯发光强度和光轴偏斜量。
A.发光强度的检测原理
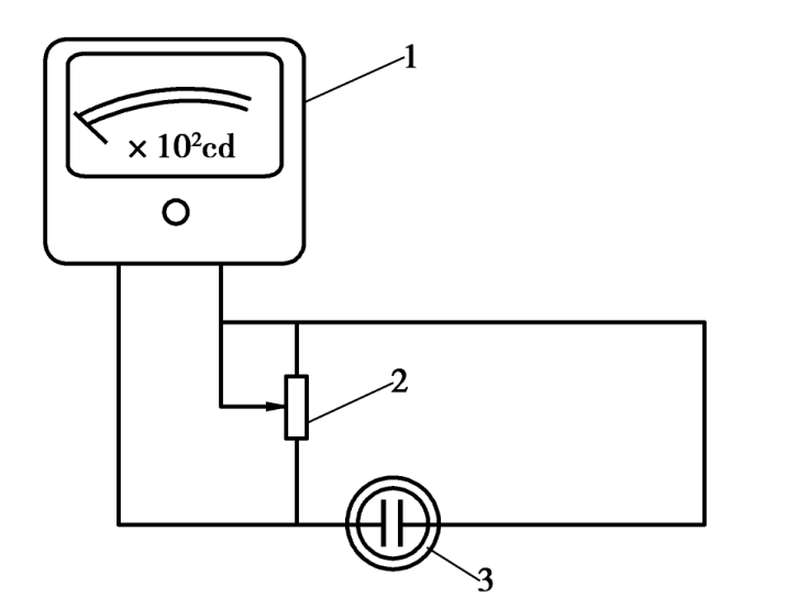
测量前照灯发光强度的电路由光度计、可变电阻和光电池等组成,如图5-26所示。按规定的距离使前照灯照射光电池,光电池便按受光强度的大小产生相应的光电流使光度计指针摆动,指示出前照灯的发光强度。

图5-26 发光强度的检测原理图
1—光度计;2—可变电阻;3—光电池

图5-27 光轴偏斜量检测原理图
1—左右偏斜指示计;2—光电池;3—上下偏斜指示计

图5-28 光轴无偏斜时的情况
1—左右偏斜指示计;2—上下偏斜指示计;3—光度计
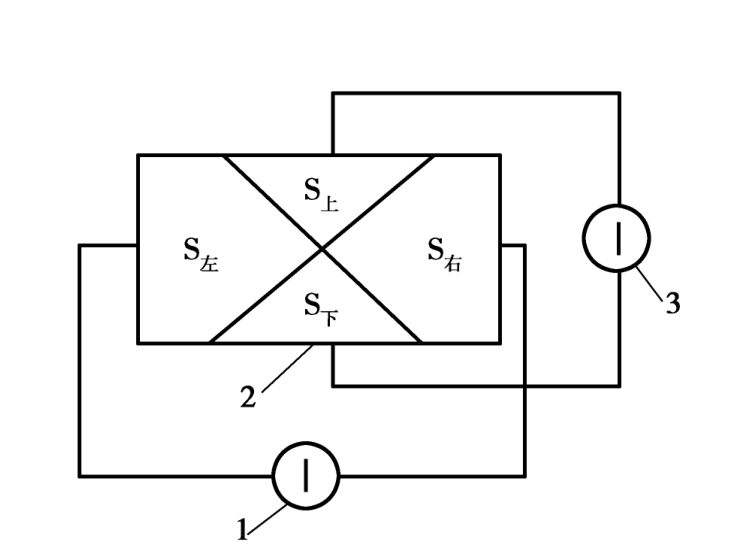
B.光轴偏斜量的检测原理
测量前照灯光轴偏斜量的电路如图5-27所示,由两对光电池组成,左右一对光电池S左S右上接有左右偏斜指示计,用于检测光束中心的左右偏斜量;上下一对光电池S上S下上接有上下偏斜指示计,用于检测光束中心的上下偏斜量。当光电池受到前照灯光束照射时,如果光束照射方向偏斜,将分别使光电池的受光面不一致,因而产生的电流大小也不一致。光电池产生的电流差值分别使上下偏斜指示计及左右偏斜指示计的指针摆动,从而检测出光轴的偏斜方向和偏斜量。
如图5-28所示为光轴无偏斜时的情况,这时上下偏斜指示计的指针和左右偏斜指示计的指针均垂直向下,即处于零位。如图5-29所示为光轴有偏斜时的情况,这时上下偏斜指示计的指针向“下”方向偏斜,左右偏斜指示计的指针向“左”方向偏斜。
若通过适当的调节机构,调整光线照射光电池的位置,使S左S右和S上S下每对光电池受到的光照度相同,此时每对光电池输出的电流相等,两偏斜指示计的指针均指向零位,其调节量反映了光束中心的偏斜量。当偏斜指示计指针处于零位时,光电池受到的光照最强,4块光电池所输出电流之和表明了前照灯的发光强度。

图5-29 光轴有偏斜时的情况
1—左右偏斜指示计;2—上下偏斜指示计;3—光度计
②前照灯校正仪的结构和工作原理
按照前照灯校正仪的结构特征与测量方法不同,常用汽车前照灯校正仪可分为聚光式、屏幕式、投影式和自动追踪光轴式4种类型。这些不同类型的前照灯校正仪均由接受前照灯光束的受光器、使受光器与汽车前照灯对正的照准装置、前照灯发光强度指示装置、光轴偏斜方向和偏斜量指示装置及支柱、底板、导轨、汽车摆正找准装置等组成。

图5-30 投影式前照灯检测仪
1—车轮;2—底座;3—导轨;4—光电池;5—上下移动手柄;6—上下光轴刻度盘;7—左右光轴刻度盘;8—支柱;9—左右偏斜指示计;10—上下偏斜指示计;11—投影屏;12—汽车摆正找准器;13—光度计;14—聚光透镜;15—受光器
A.聚光式前照灯检测仪
聚光式前照灯检测仪利用受光器的聚光透镜把前照灯的散射光束聚合起来,并导引到光电池的光照面上,根据其对光电池的照射强度,来检测前照灯的发光强度和光轴偏斜量。检测时,检测仪放在距前照灯前方1m处。
B.屏幕式前照灯检测仪
屏幕式前照灯检测仪在固定屏幕上装有可以左右移动的活动屏幕,在活动屏幕上装有能上下移动的内部带有光电池的受光器。前照灯的光束照射到屏幕上,检测发光强度和光轴偏斜量。通常测试距离为3m。
C.投影式前照灯检测仪
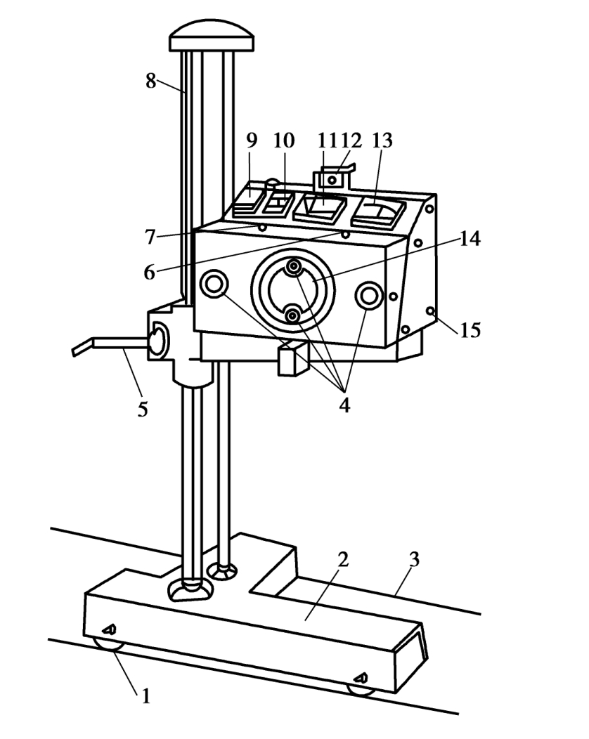
投影式前照灯检测仪采用把前照灯光束的影像映射到投影屏上,来检测发光强度和光轴偏斜量。检测时,测试距离一般为3 m。其构造如图5-30所示。
在聚光透镜的上下和左右方向装有4个光电池。前照灯光束的影像通过聚光透镜、光度计的光电池和反射镜后,映射到投影屏上。检测时,通过上下、左右移动受光器使光轴偏斜指示计指示为零,从而找到被测前照灯主光轴的方向,然后根据投影屏上前照灯光束影像的位置,即可得出主光轴的偏斜量,同时可从光度计的指示中读取发光强度。
根据投影式前照灯检测仪光轴偏斜量的检测方法不同,有投影屏刻度检测法和光轴刻度盘检测法。
投影屏刻度检测法是在投影屏上刻有表示光轴偏斜量的刻度线,根据前照灯影像中心在投影屏上所处的位置,即可直接读出光轴的偏斜量。
光轴刻度盘检测法是转动上下与左右光轴刻度盘,使前照灯光束影像中心与投影屏坐标原点重合,然后从光轴刻度盘上读取光轴偏斜量。
D.自动追踪光轴式前照灯检测仪
自动追踪光轴式前照灯检测仪采用受光器自动追踪光轴的方法检测前照灯发光强度和光轴偏斜量。一般检测距离为3m。其构造如图5-31所示。

图5-31 自动追踪光轴式前照灯检测仪
1—在用显示器;2—左右偏斜指示计;3—光度计;4—上下偏斜指示计;5—车辆摆正找准器;6—受光器;7—聚光透镜;8—光电池;9—控制箱;10—导轨;11—电源开关;12—熔丝;13—控制盒
检测时,前照灯的光束照射到检测仪的受光器上。此时,若前照灯光束照射方向偏斜,则主、副受光器的上下光电池或左右光电池的受光量不等,由其电流的差值控制受光器上下移动的电动机运转,或使控制箱左右移动的电动机运转,并通过传动机构牵动受光器上下移动或驱动控制箱在轨道上左右移动,直至受光器上下、左右光电池受光量相等为止。在追踪光轴时,受光器的位移方向和位移量由光轴偏斜指示计指示,此即前照灯光束的偏斜方向和偏斜量、发光强度由光度计指示。
③前照灯发光强度和光轴偏斜量的检测方法
A.检测前的准备
a.前照灯检测仪的准备 在不受光的情况下,调整光度计和光轴偏斜量指示计是否对准机械零点。若指针失准,可用零点调整螺钉调整。
检查聚光透镜和反射镜的镜面上有无污物。若有,可用柔软的布料或镜头纸擦拭干净。
检查水准器的技术状况。若水准器无气泡,应进行修理或更换。若气泡不在红线框内时,可用水准器调节器或垫片进行调整。
检查导轨是否沾有泥土等杂物。若有,应扫除干净。
b.被检车辆的准备 清除前照灯上的污垢。轮胎气压应符合汽车制造厂的规定。前照灯开关和变光器应处于良好状态。汽车蓄电池和充电系统应处于良好状态。
B.检测方法
由于前照灯检测仪的厂牌、形式不同,其检测发光强度和光轴偏斜量的具体方法也不尽相同。这里仅就投影式和自动追踪光轴式前照灯检测仪的检测方法作一介绍。
a.投影式前照灯检测仪的检测方法
将被检汽车尽可能地与前照灯检测仪的轨道保持垂直方向驶近检测仪,使前照灯与检测仪受光器相距3m。
用汽车摆正找准器使检测仪与被检汽车对正。
开亮前照灯,移动检测仪,使光束照射到受光器上。
投影屏刻度检测法,要求先使光轴偏斜量指示计的指示为零,然后根据投影屏上前照灯影像中心所在的刻度值读取光轴偏斜量,再根据光度计的指示值读取发光强度值,如图5-32所示。

图5-32 投影屏刻度检测法检测结果示意图

图5-33 光轴刻度盘检测法检测结果示意图
光轴刻度盘检测法,要求转动光轴刻度盘,使投影屏上的坐标原点与前照灯影像中心重合,读取此时光轴刻度盘上的指示值即为光轴偏斜量,再根据光度计上的指示值读取发光强度值,如图5-33所示。
b.自动追踪光轴式前照灯检测仪的检测方法
将被检汽车尽可能地与前照灯检测仪的轨道保持垂直方向驶近检测仪,使前照灯与检测仪受光器相距3m。
用汽车摆正找准器使检测仪与被检汽车对正。
开亮前照灯,接通检测仪电源,用控制器上的上下、左右控制开关移动检测仪的位置,使前照灯光束照射到受光器上。
按下控制器上的测量开关,受光器随即追踪前照灯光轴,根据光轴偏斜指示计和光度计的指示值,即可得出光轴偏斜量和发光强度值。
检测完一只前照灯后用同样的方法检测另一只前照灯。检测结束,前照灯检测仪沿轨道或沿地面退回护栏内,汽车驶出。
④检测结果分析
前照灯检验不合格有两种情况,一是前照灯发光强度偏低,二是前照灯照射位置偏斜。
A.左右前照灯发光强度均偏低
a.检查前照灯反光镜的光泽是否明亮,如昏暗或镀层剥落或发黑应予更换。
b.检查灯泡是否老化,质量是否符合要求,如老化或质量不符合要求,光度偏低者应更换。
c.检查蓄电池端电压是否偏低,如端电压偏低,应先充足电再检测。仅靠蓄电池供电,前照灯发光强度一般很难达到标准的规定,检测时发电机应供电。
B.左右前照灯发光强度不一致
检查发光强度偏低的前照灯的反射镜光泽是否灰暗,灯泡是否老化,质量是否符合要求,一般多为搭铁线路接触不良。
C.前照灯光束照射位置偏斜
前照灯安装位置不当或因强烈震动而错位致使光束照射位置偏斜,应予以调整。前照灯光束照射位置偏斜的调整可在前照灯检测仪上进行。
根据检测标准,在检测调整光束照射位置时,对远、近双光束灯以检测调整近光光束为主。如果制造质量合格的灯泡,近光调整合格后,远光光束一般也能合格;若近光光束调整合格后,经复核远光光束照射方向不合格,则应更换灯泡。
5.1.9 汽车噪声的检测
噪声作为一种严重的公害已日益引起人们的关注,目前世界各国已纷纷制定出控制噪声的标准。噪声的一般定义是:频率和声强杂乱无章的声音组合,造成对人和环境的影响。更人性化的描述是,人们不喜欢的声音就是噪声。
随着汽车向快速和大功率方面的发展,汽车噪声已成为一些大城市的主要噪声源。汽车噪声主要包括:发动机的机械噪声、燃烧噪声、进排气噪声和风扇噪声,底盘的机械噪声、制动噪声和轮胎噪声,车厢振动噪声,货物撞击噪声,喇叭噪声和转向、倒车时的蜂鸣声等噪声。由于车辆噪声具有游走性,影响范围大,干扰时间长,因而危害比较大。
(1)噪声的评价指标
1)噪声的声压和声压级
噪声的主要物理参数有声压与声压级、声强与声强级和声功率与声功率级。其中声压与声压级是表示声音强弱的最基本的参数。
声压是指由于声波的存在引起在弹性介质中压力的变化值。声音的强弱取决于声压,声压越大听到的声音越强。人耳可以听到的声压范围是2×10-5(听阈声压)~20Pa(痛阈声压),相差100万倍,因此用声压的绝对值表示声音的强弱会感到很不方便,所以人们常用声压级来表示声音的强弱。
声压级是指某点的声压P与基准声压(听阈声压)P0的比值取常用对数再乘以20的值
,单位为分贝(dB)。可闻声声压级范围为0~120dB。
2)噪声的频谱
人耳对声音的感觉不仅与声压有关,而且还与声音的频率有关。人耳可闻声音的频率范围为20~20000Hz。一般的声源,并不是仅发出单一频率的声音,而是发出具有很多频率成分的复杂声音。声音听起来之所以会有很大的差别,就是因为它们的组成成分不同造成的。因此,为全面了解一个声源的特性,仅知道它在某一频率下的声压级和声功率级是不够的,还必须知道它的各种频率成分和相应的声音强度,这就是频谱分析。
噪声的频谱也是噪声的评价指标之一。以声音频率(Hz)为横坐标、以声音强度(如声压级dB)为纵坐标绘制的噪声测量图形,称为频谱图。
人耳可闻声音的频率有1000多倍的变化范围,在实际频谱分析中不可能逐个频率分析噪声。在声音测量中,让噪声通过滤波器把可闻声音的频率范围分割成若干个小的频段,称为频程或频带。频带的上限频率fk(或称上截止频率)与下限频率fl(或称下截止频率)具有fk/fl=2n的关系,频带的中心频率
当n=1时称为倍频程或倍频带。可闻声音频率范围用10段倍频程表示,如表5-12所示。
表5-12 倍频程中心频率及频率范围/Hz

如果需要更详细地分析噪声,可采用1/3倍频程,即可以把每个倍频程分成3份(n=1/3)。
3)噪声级
声压级相同的声音,但由于频率不同,听起来并不一样响,相反,不同频率的声音,虽然声压级也不同,但有时听起来却一样响,因此,用声压级测定的声音强弱与人们的生理感觉往往不一样。因而,对噪声的评价常采用与人耳生理感觉相适应的指标。
为了模拟人耳在不同频率有不同的灵敏性,在声级计内设有一种能够模拟人耳的听觉特性,把电信号修正为与听觉近似值的网络,这种网络称作计权网络。通过计权网络测得的声压级,已不再是客观物理量的声压级,而是经过听感修正的声压级,称作计权声级或噪声级。
国际电工委员会(IEC)对声学仪器规定了A,B,C等几种国际标准频率计权网络,它们是参考国际标准等响曲线而设计的。由于A计权网络的特性曲线接近人耳的听感特性,故目前普遍采用A计权网络对噪声进行测量和评价,记作dB(A)。
(2)汽车噪声的标准及其检测
1)汽车噪声检验标准
《机动车运行安全技术条件》(GB7258—2004)对客车车内噪声级、汽车驾驶员耳旁噪声级和机动车喇叭声级作了规定,《机动车辆允许噪声》(GB1495—79)和《机动车噪声测量方法》(GB1496—79)对车外最大噪声级及其测量方法作了规定。
①车外最大允许噪声级 汽车加速行驶时,车外最大允许噪声级应符合表5-13的规定。表中所列各类机动车辆的变型车或改装车(消防车除外)的加速行驶车外最大允许噪声级,应符合其基本型车辆的噪声规定。
②车内最大允许噪声级 客车车内最大允许噪声级不大于82dB。
③汽车驾驶员耳旁噪声级 耳旁噪声级应不大于90dB。
④机动车喇叭声级 喇叭声级在距车前2m、离地高1.2m处测量时,其值应为90~115dB。
表5-13 车外最大允许噪声级

2)声级计的结构与工作原理
在汽车噪声的测量方法中,国家标准规定使用的仪器是声级计。
声级计是一种能把噪声以近似于人耳听觉特性测定其噪声级的仪器。可以用来检测机动车的行驶噪声、排气噪声和喇叭声音响度级。
根据测量精度不同,声级计可分为精密声级计和普通声级计两类,根据所用电源不同可分为交流式声级计和直流式声级计两类。后者也可以称为便携式声级计,具有体积小、重量轻和现场使用方便等特点。
声级计一般由传声器、放大器、衰减器、计权网络、检波器、指示表头和电源等组成。其工作原理是:被测的声波通过传声器被转换为电压信号,根据信号大小选择衰减器或放大,放大后的信号送入计权网络作处理,最后经过检波并在以dB标度的表头上指示出噪声数值。图5-34为我国生产的ND2型精密声级计。
①传声器
传声器是将声波的压力转换成电压信号的装置,也称话筒,是声级计的传感器。常见的传声器有动圈式和电容式等多种形式。
动圈式传声器由振动膜片、可动线圈、永久磁铁和变压器等组成。振动膜片受到声波压力作用产生振动,它带动着和它装在一起的可动线圈在磁场内振动而产生感应电流。该电流根据振动膜片受到声波压力的大小而变化。声压越大,产生的电流就越大。
电容式传声器由金属膜片和金属电极构成平板电容的两个极板,当膜片受到声压作用发

图5-34 ND2型精密声级计
生变形,使两个极板之间的距离发生变化,电容量也发生变化,从而实现了将声压转换为电信号的作用。电容式传声器具有动态范围大、频率响应平直、灵敏度高和稳定性好等优点,因而应用广泛。
②放大器和衰减器
在放大线路中都采用两级放大器,即输入放大器和输出放大器,其作用是将微弱的电信号放大。输入衰减器和输出衰减器是用来改变输入信号的衰减量和输出信号衰减量的,以便使表头指针指在适当的位置上。衰减器每一挡的衰减量为10dB。
③计权网络
计权网络一般有A,B,C3种。A计权声级模拟人耳对55dB以下低强度噪声的频率特性,B计权声级模拟55~85dB的中等强度噪声的频率特性,C计权声级模拟高强度噪声的频率特性。三者的主要差别是对噪声低频成分的衰减程度不同,A衰减最多,B次之,C衰减量最少。A计权声级由于其特性曲线接近于人耳的听感特性,因此目前应用最广泛,B,C计权声级已逐渐不被采用。
④检波器和指示表头
为了使经过放大的信号通过表头显示出来,声级计还需要有检波器,以便把迅速变化的电压信号转变成变化较慢的直流电压信号。这个直流电压的大小要正比于输入信号的大小。根据测量的需要,检波器有峰值检波器、平均值检波器和均方根值检波器之分。峰值检波器能给出一定时间间隔中的最大值,平均值检波器能在一定时间间隔中测量其绝对平均值。
多数的噪声测量中均采用均方根值检波器。均方根值检波器能对交流信号进行平方、平均和开方,得出电压的均方根值,最后将均方根电压信号输送到指示表头。指示表头是一只电表,只要对其刻度进行标定,就可从表头上直接读出噪声级的dB值。
声级计表头阻尼一般都有“快”和“慢”两个挡。“快”挡的平均时间为0.27s,很接近于人耳听觉器官的生理平均时间。“慢”挡的平均时间为1.05s。当对稳态噪声进行测量或需要记录声级变化过程时,使用“快”挡比较合适;在被测噪声的波动比较大时,使用“慢”挡比较合适。
声级计面板上一般还备有一些插孔,这些插孔如果与便携式倍频带滤波器相连,可组成小型现场使用的简易频谱分析系统;如果与录音机组合,则可把现场噪声录制在磁带上储存下来,待以后再进行更详细的研究;如果与示波器组合,则可观察到声压变化的波形,并可存储波形或用照相机把波形摄制下来;还可以把分析仪、记录仪等仪器与声级计组合、配套使用,这要根据测试条件和测试要求而定。
3)汽车噪声的测量方法
国家标准规定汽车噪声使用的测量仪器有精密声级计或普通声级计和发动机转速表,声级计误差不超过±2dB,并要求在测量前后,按规定进行校准。
①声级计的检查与校准
a.在未接通电源时,先检查并调整仪表指针的机械零点。可用零点调整螺钉使指针与零点重合。
b.检查电池容量。把声级计功能开关对准“电池”,此时电表指针应达到额定红线,否则读数不准,应更换电池。
c.打开电源开关,预热仪器10min。
d.校准仪器。每次测量前或使用一段时间后,应对仪器的电路和传声器进行校准。根据声级计上配有的电路校准“参考”位置,校验放大器的工作是否正常。如不正常,应用微调电位计进行调节。电路校准后,再用已知灵敏度的标准传声器对声级计上的传声器进行对比校准。
常用的标准传声器有声级校准器和活塞式发声器,它们的内部都有一个可发出恒定频率、恒定声级的机械装置,因而很容易对比出被检传声器的灵敏度。声级校准器产生的声压级为94dB,频率为1000Hz;活塞式发声器产生的声压级为124dB,频率为250Hz。
e.将声级计的功能开关对准“线性”“快”挡。由于室内的环境噪声一般为40~60dB,声级计上应有相应的示值。当变换衰减器刻度盘的挡位时,表头示值应相应变化10dB左右。
f.检查计权网络。按上述步骤,将“线性”位置依次转换为“C”“B”“A”。由于室内环境噪声多为低频成分,故经三挡计权网络后的噪声级示值将低于线性值,而且应依次递减。
g.检查“快”“慢”挡。将衰减器刻度盘调到高分贝值处(例如90dB),通过操作人员发声,来观察“快”挡时的指针能否跟上发音速度,“慢”挡时的指针摆动是否明显迟缓。
h.在投入使用时,若不知道被测噪声级多大,必须把衰减器刻度盘预先放在最大衰减位置(即120dB),然后在实测中再逐步旋至被测声级所需要的衰减挡。
②车外噪声测量方法
A.测量条件
a.测量场地应平坦而空旷,在测试中心以25m为半径的范围内,不应有大的反射物,如建筑物、围墙等。
b.测试场地跑道应有20m以上平直、干燥的沥青路面或混凝土路面。路面坡度不超过0.5%。
c.本底噪声(包括风噪声)应比所测车辆噪声至少低10dB。并保证测量不被偶然的其他声源所干扰。本底噪声是指测量对象噪声不存在时,周围环境的噪声。
d.为避免风噪声干扰,可采用防风罩,但应注意防风罩对声级计灵敏度的影响。
e.声级计附近除测量者外,不应有其他人员,如不可缺少时,则必须在测量者背后。
f.被测车辆不载重,测量时发动机应处于正常使用温度,车辆带有其他辅助设备亦是噪声源,测量时是否开动,应按正常使用情况而定。
B.测量场地及测点位置
如图5-35所示为汽车噪声的测量场地及测量位置,测试传声器位于20m跑道中心点O两侧,各距中线7.5m,距地面高度1.2m,用三脚架固定,传声器平行于路面,其轴线垂直于车辆行驶方向。

图5-35 车外噪声测量场地及测量位置
C.加速行驶车外噪声测量方法
a.车辆须按规定条件稳定地到达始端线,前进挡位为4挡以上的车辆用第3挡,前进挡位为4挡或4挡以下的用第2挡,发动机转速为其标定转速的3/4。如果此时车速超过了50km/h,那么车辆应以50km/h的车速稳定地到达始端线。对于自动变速器的车辆,使用在试验区间加速最快的挡位。辅助变速装置不应使用。在无转速表时,可以控制车速进入测量区,即以所定挡位相当于3/4标定转速的车速稳定地到达始端线。
b.从车辆前端到达始端线开始,立即将加速踏板踏到底或节气门全开,直线加速行驶,当车辆后端到达终端线时,立即停止加速。车辆后端不包括拖车以及和拖车连接的部分。
本测量要求被测车在后半区域发动机达到标定转速,如果车速达不到这个要求,可延长OC距离为15m,如仍达不到这个要求,车辆使用挡位要降低一挡。如果车辆在后半区域超过标定转速,可适当降低到达始端线的转速。
c.声级计用“A”计权网络、“快”挡进行测量,读取车辆驶过时的声级计表头最大读数。
d.同样的测量往返进行1次。车辆同侧两次测量结果之差,应不大于2dB,并把测量结果记入规定的表格中。取每侧两次声级平均值中最大值作为检测车的最大噪声级。若只用1只声级计测量,同样的测量应进行4次,即每侧测量两次。
D.匀速行驶车外噪声测量方法
a.车辆用常用挡位,加速踏板保持稳定,以50km/h的车速匀速通过测量区域。
b.声级计用“A”计权网络、“快”挡进行测量,读取车辆驶过时声级计表头的最大读数。
c.同样的测量往返进行1次,车辆同侧两次测量结果之差不应大于2dB,并把测量结果记入规定的表格中。若只用1个声级计测量,同样的测量应进行4次,即每侧测量两次。
③车内噪声测量方法
A.测量条件。
a.测量跑道应有足够试验需要的长度,应是平直、干燥的沥青路面或混凝土路面。
b.测量时风速(指相对于地面)应不大于3m/s。
c.测量时车辆门窗应关闭。车内带有其他辅助设备是噪声源,测量时是否开动,应按正常使用情况而定。
d.车内本底噪声比所测车内噪声至少低10dB,并保证测量不被偶然的其他声源所干扰。
e.车内除驾驶员和测量人员外,不应有其他人员。

图5-36 驾驶室内噪声测点的位置
B.测点位置
a.车内噪声测量通常在人耳附近布置测点,传声器朝车辆前进方向。
b.驾驶室内噪声测点的位置如图5-36所示。
c.载客车室内噪声测点可选在车厢中部及最后一排座的中间位置,传声器高度参考图5-36。
C.测量方法
a.车辆以常用挡位、50km/h以上的不同车速匀速行驶,分别进行测量。
b.用声级计“慢”挡测量“A”“C”计权声级,分别读取表头指针最大读数的平均值,测量结果记入规定的表格中。
c.做车内噪声频谱分析时,应包括中心频率为31.5Hz,63Hz,125Hz,250Hz,500Hz,1000Hz,2000Hz,4000Hz,8000Hz的倍频带。
④驾驶员耳旁噪声的测量方法
a.车辆应处于静止状态且变速器置于空挡,发动机应处于额定转速状态。b.测点位置如图5-37所示。
c.声级计应置于“A”计权、“快”挡。
⑤汽车喇叭声的测量
汽车喇叭声的测点位置如图5-37所示,测量时应注意不被偶然的其他声源峰值所干扰。测量次数宜在两次以上,并注意监听喇叭声是否悦耳。

图5-37 汽车喇叭噪声的测点位置