1
移动通信原理与设备
1.6.5.2 5.5.2 SGSN设备

5.5.2 SGSN设备

SGSN是为移动台提供业务的节点。下面对华为SGSN9810L设备进行介绍。

1.体系结构

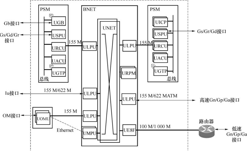
SGSN9810L的体系结构如图5-22所示。

img193

图5-22 SGSN9810L体系结构

SGSN9810L由两部分构成。

分组业务处理子系统(PSM):实现分组业务处理功能,根据配置的不同,可以分别完成2.5G或3G的业务处理。

宽带交换子系统(BNE T):实现SGSN9810L的核心交换及提供对外光/以太网接口功能。

此外,系统通过操作维护单元(UOM U)提供对外的操作维护接口。

2.宽带交换子系统

宽带交换子系统(BNET)物理上对应宽带交换网框(BNE T框),结构如图5-23所示。

(1)主控板

主控板(UMPU)为BNET框的控制核心,标准配置为两块,两块单板之间以主备用方式工作。主要完成以下功能:

·BNE T框系统资源的管理和分配;

·BNE T框信令和内部交换信息的处理;

·BNE T框各单板的复位和单板在位检测;

·BNE T框主备时钟选择、交换网络平面选择。

(2)BNET接口模块

BNET接口模块(ULPU)由线路处理单元(LPU)和输入输出接口单元(I/O)两部分组成。

线路处理单元(LPU)为输入输出接口单元的接入平台,根据处理能力的不同,LPU可分为ULPU、ULPC、ULPD 3种类型,分别完成4路、2路和1路622M的全双工用户流量处理。

img194

图5-23 BNET框结构示意图

·U LPU:U MSC BNET线路处理板(4路622M业务引擎)。

·U LPC:U MSC BNET线路处理板(2路622M业务引擎)。

·U LPD:U MSC BNET线路处理板(1路622M业务引擎)。

输入输出接口单元(I/O)根据接口类型不同,又可分为A TM特性和IP特性两类。I/O接口板(A T M特性)有2种类型。

·O4CA M/O4CAS:4路155M AT M光接口板(多模短距离/单模中距离),一般和ULPU配合使用。

·O1H AS:1路622M A T M光接口板(单模中距离),一般和U LPU配合使用。

I/O接口板(IP特性)有3种类型:

·P4CAB:4路155M POS光接口板(单模中距离),一般和U LPD配合使用。

·P2 H AB:2路622M POS光接口板(单模中距离),一般和U LPC配合使用。

·O1GAB:千兆以太网接口板(单模中距离),一般和U LPC配合使用。

(3)路由转发板

路由转发板(URFM)分别具有A T M接口和IP接口,连接BNET内A T M和IP业务平面,主要负责AT M线路接口模块之间、A T M线路接口模块与帧线路接口模块之间的三层转发;负责接收路由协议包,完成路由协议的处理,并进行路由协议包的分发功能。

(4)8路快速以太网接口板

8路快速以太网接口板(UE8F)单板提供8路10M/100M快速以太网输入输出接口,实现SGSN9810L的Gn/Gp/Ga物理接口。

(5)交换网络/时钟板

交换网络/时钟板(UNET)主要功能是提供交换平面和时钟源,U NET板采用双平面冗余备份工作方式,有很高的可靠性和稳定性。

UNET板总交换容量为15G,内置三级时钟,支持4个时延优先级。

3.分组业务处理子系统

分组业务处理子系统(PSM)物理上对应分组业务处理框(PSM框),结构如图5-24所示。

img195

图5-24 2.5G配置PSM框结构示意图

(1)框控制单元(URCU)

URCU板负责控制内部总线,URCU板还通过光接口单元(UFIU)提供一个155 Mbit/s光口与BNET框连接,提供业务及信令信息的框间接口。

(2)框辅助控制单元(U ACU)

U ACU板用于扩展URCU板的控制范围,使URCU板同时控制两段总线。

(3)分组业务信令处理板(USPU)

USPU板负责处理分组业务的信令消息。

(4)Iu_PS接口控制面处理板(UICP)

UICP板负责处理Iu接口协议,在3G配置中才出现该板。

(5)GTP协议处理板(UGTP)

UGTP板实现GTP-U功能,此外,UGTP板转发GTP-C信令到相关的USPU板。

(6)Gb接口处理板(UGBI)

UGBI板负责完成Gb接口协议的处理,在2.5G配置中才出现该板。

(7)操作维护单元(UOM U)

UOMU板插在PSM框内,但不挂接在总线上,它通过光接口单元(UFIU)提供一个155 Mbit/s光接口与BNET框连接,提供了对系统的操作维护功能。

(8)E1接口处理后插板(UEPI)

UEPI板与USPU板、UGBI板配合使用,提供Gr/Gs/Gd或者Gb的E1接口,通过H W及串口与对应的前插板连接。

(9)PSM框后插接口板(UBIU)

UBIU板用于挂接硬盘,通过IDE接口与对应的UOM U板或者URCU板连接,保存各种文件信息。此外,UBIU板还为URCU板和UOM U板提供异步串口的对外物理接口。