7.3 数控综合实训
实训任务一 盖板零件数控加工中心编程的综合实训
【例7-1】 用数控铣削加工中心完成如图7-2所示的零件加工,工件外形尺寸为100 mm×100 mm×20 mm,表面均已加工,并符合尺寸与表面粗糙度要求,材料为45#钢。按图样要求完成数控加工程序的编制。

图7-2 盖板零件
一、实训目的
(1)能够掌握孔类零件的基本加工工艺。
(2)正确使用钻、铣、镗等加工刀具,合理选择加工用量。
(3)掌握加工中心典型数控系统常用固定循环指令编程方法。
二、实训要求
(1)选用合理的刀具和加工用量,加工方案及加工路线正确,工序安排合理,程序科学正确。
(2)正确操作机床和工量具,加工的零件尺寸符合图纸要求。
(3)遵守安全操作规程。
三、实训条件
实训条件:FANUC 0i-M数控系统、XH713数控铣削加工中心、麻花钻、中心钻、平底钻、立铣刀、丝锥、机用铰刀、游标卡尺、深度尺、平口钳。
四、实训的具体步骤与详细内容
1.零件工艺性分析
如图7-2所示零件,材料为45钢,毛坯尺寸为100 mm×100 mm×20 mm。该零件有5个孔,这些孔的尺寸精度和位置精度要求都较高,采取一次装夹及更换不同的刀具方式完成加工,可保证零件的技术要求。
2.工序与工步的划分
(1)对于孔类零件,加工工艺路线一般可以按以下原则安排。
①先铣后钻。
②对所有的孔,先进行粗加工,再进行精加工。
③在孔系加工,先加工大孔,后加工小孔。
④尽量减少刀具数量,一把刀具应完成其所能进行的所有加工部位。
⑤粗、精加工的刀具应分开使用,即使是相同尺寸规格的刀具。
(2)根据以上几条原则,结合实际加工零件,设定以下加工工艺路径。
①φ10 mm孔:中心钻定位→钻孔→铰孔。
②φ30 mm孔:钻孔扩孔→粗镗→精镗。
③φ36 mm台阶孔:φ20 mm立铣刀圆周铣削。
④φ13 mm台阶孔:平底钻钻削。
⑤M8螺丝孔:小心钻定位→钻孔→孔口倒角→攻螺丝。
3.零件装夹方案的制订
由于工件尺寸较小,毛坯形状很规则,一般使用机用平口钳装夹,上表面高出钳口2~3 mm,下表面用等高垫块垫起并作为定位面(垫块避开孔加工位置)。
4.刀具的选用
刀具的选用是数控加工工艺中的重要内容,它不仅影响数控机床的加工效率,而且直接影响加工质量。正确选用刀具及刀柄,应综合考虑机床的加工能力、工件材料的力学性能、加工工序、切削用量及其他相关因素。选择刀具总的原则:安装调整方便,刚度好,耐用度和精度高。在满足以上要求的前提下,尽量选择较短的刀柄,以提高刀具的刚度。
根据实际零件,初步设定以下工艺方案:选用φ5 mm的中心钻定位;用φ9.8 mm的钻头加工φ10 mm的孔,然后用φ10 mm的铰刀加工;用φ13 mm平底钻头钻φ13 mm的台阶孔,孔深5 mm;用φ6.7 mm的钻头钻M8螺丝孔底孔,用φ9.8 mm的钻头钻倒角,然后用M8丝锥攻螺丝;用φ18 mm的钻头钻φ30 mm顶孔,用φ28 mm的钻头扩孔,然后用可调粗镗刀镗孔至φ29.8 mm,最后用微调精镗刀粗镗φ30 mm的孔;用φ20 mm立铣刀铣φ36 mm的台阶孔。
本例零件选用刀具和刀柄规格见表7-1。
表7-1 选用刀具和刀柄规格表

5.数控加工工序卡片的制定
数控加工工序卡片见表7-2。
表7-2 数控加工工序卡片23

续表

6.加工程序编制
1)确定工件坐标系
根据加工零件图的要求和毛坯的装夹方式,确定工件坐标系,该坐标系的X轴平行于毛坯的长边,Y轴平行于毛坯的短边,零点设置在毛坯的中间,Z轴向上,零点设置在毛坯的上表面。
2)华中数控系统HNC-21M
%7001
N10 G90G54 G17(程序初始化)
N20 M06 T01(换1号刀,用φ5 mm中心钻)
N30 M07
N40 G43 G00 X35 Y-35 Z10 H01(1号刀长度补偿)
N50 M03 S2000
N60 G99 G81 R2 Z-5 F150(钻中心位孔,深度以钻出锥面即可)
N70 X-35
N80 Y35
N90 X35
N100 G49 G00 Z100(取消1号刀长度补偿)
N110 M05
N120 M06 T02(换2号刀,用φ6.7 mm钻头)
N130 M03 S800
N140 G00 X-35 Y-35
N150 G43 Z10 H02(2号刀长度补偿)
N160 G99 G73 Q-5 K2 R2 Z-25 F120(加工2×M8螺纹孔底孔)
N170 X35 Y35
N180 G49 G00 Z100(取消2号刀长度补偿)
N190 M05
N200 M06 T03(换3号刀,用φ9.8 mm钻头)
N210 M03 S750
N220 G00 X35 Y-35
N230 G43 Z10 H03(3号刀具长度补偿)
N240 G73 Q-5 K2 R2 Z-25 F120(钻2×φ10 mm预孔,深度应保证完全钻通)
N250 X-35 Y35
N260 G82 X-35 Y-35 R2 Z-3.8 P1(2×M8螺纹孔口倒角)
N270 X35 Y35
N280 G49 G00 Z100(取消3号刀长度补偿)
N290 M05
N300 M06 T04(换4号刀,用φ13 mm钻头)
N310 M03 S650
N320 G00 X35 Y-35
N330 G43 Z10 H04(4号刀具长度补偿)
N340 G82 R2 Z-5 P1 F100(钻2×φ13 mm深5 mm孔)
N350 X-35 Y35
N360 G49 G00 Z100(取消4号刀长度补偿)
N370 M05
N380 M06 T05(换5号刀,用φ18 mm钻头)
N390 M03 S600
N400 G00 X0 Y0
N410 G43 Z10 H05(5号刀具长度补偿)
N420 Z2
N430 G01 Z-28 F80(预钻φ30 mm孔)
N440 G49 G00 Z100(取消5号刀长度补偿)
N450 M05
N460 M06 T06(换6号刀,用φ28 mm钻头)
N470 M03 S400
N480 G00 X0 Y0
N490 G43 Z10 H06(6号刀具长度补偿)
N500 Z2
N510 G01 Z-35 F40(扩φ30 mm预孔,深度应保证完全钻通)
N520 G49 G00 Z100(取消6号刀长度补偿)
N530 M05
N540 M06 T07(换7号刀,粗镗刀)
N550 M03 S800
N560 G00 X0 Y0
N570 G00 G43 Z10 H07(7号刀具长度补偿)
N580 G86 R2 Z-22 F80
N590 G49 G00 Z100(取消7号刀长度补偿)
N600 M05
N610 M06 T08(换8号刀,用φ20 mm立铣刀)
N620 M03 S1500
N630 G00 X0 Y0
N640 G43 Z10 H08(8号刀具长度补偿)
N650 Z2
N660 G01 Z-5 F150
N670 G42 X-15 Y3 D01(采用刀具半径补偿编程)
N680 G02 X0 Y18 R15
N690 J-18(加工φ360 mm整圆)
N700 X15 Y3 R15
N710 G49 G00 Z100(取消8号刀长度补偿)
N720 G40 X0 Y0 M09(取消8号刀半径补偿)
N730 M05
N740 M06 T09(换9号刀,机用丝锥)
N750 M03 S80
N760 G00 X-35 Y-35
N770 G43 Z10 H09(9号刀具长度补偿)
N780 M07
N790 G84 R2 Z-28 P1 F100(刚性丝锥攻2×M8深15 mm孔)
N800 X35 Y35
N810 G49 G00 Z100(取消9号刀半径补偿)
N820 M05
N830 M06 T10(换10号刀,φ10 mm铰刀)
N840 M03 S150
N850 G00 X35 Y-35
N860 G43 Z10 H10(10号刀具长度补偿)
N870 G85 R2 P1 Z-25 F60(铰2×φ10 mm通孔)
N880 X-35 Y35
N890 G49 G00 Z100(取消10号刀半径补偿)
N900 M05
N910 M06 T11(换11号刀,精镗刀)
N920 M03 S2000
N930 G00 X0 Y0
N940 G43 Z10 H11(11号刀具长度补偿)
N950 G76 R2 Z-22 I-2 F70(精镗φ30 mm孔)
N960 G49 G00 Z100(取消11号刀半径补偿)
N970 M05
N980 M09
N990 M30(程序结束)
3)FANUC 0i-M数控系统
将HNC程序略作修改即可,修改如下。
(1)改程序头,将地址符“%”改为“O”。
(2)地址符中整数值后需要加点号,小数值不需要,如X-20.Y0.5 R3。
(3)每行程序结束时后面加上分号,如G00 X-20.Y0.5;。
(4)N160 G99 G73 Q-5 R2 Z-25 F120(加工2×M8螺纹孔底孔)。
(5)N240 G73 Q-5 R2 Z-25 F120(钻2×φ10 mm预孔,深度应保证完全钻通)。
(6)N260 G82 X-35 Y-35 R2 Z-3.8 P1000(2×M8螺纹孔口倒角)。
(7)N340 G82 R2 Z-5 P1000 F100(钻2×φ13 mm深5 mm孔)。
(8)N790 G84 R2 Z-28 P1000 F100(刚性丝锥攻2×M8深15 mm孔)。
(9)N870 G85 R2 P1000 Z-25 F60(铰2×φ10 mm通孔)。
(10)N950 G76 R2 Z-22Q2 F70(精镗φ30 mm孔)。
实训任务二 圆盘零件数控加工中心编程的综合实训
【例7-2】 用数控铣削加工中心完成如图7-3所示的零件加工,工件外形尺寸为100 mm×100 mm×20 mm,除上表面以外的其他表面均已加工,并符合尺寸与表面粗糙度要求,材料为45钢。按图样要求完成数控加工程序的编制。

图7-3 盘类零件
一、实训目的
(1)能够掌握盘类零件的基本加工工艺。
(2)正确使用钻、铣、镗等加工刀具,合理选择加工用量。
(3)掌握加工中心典型数控系统常用固定循环指令以及子程序的编程方法。
二、实训要求
(1)选用合理的刀具和加工用量,加工方案及加工路线正确,工序安排合理,程序科学正确。
(2)正确操作机床和工量具,加工的零件尺寸符合图纸要求。
(3)遵守安全操作规程。
三、实训条件
实训条件:FANUC 0i-M数控系统、XH713数控铣削加工中心、麻花钻、中心钻、立铣刀、面铣刀、机用铰刀、游标卡尺、深度尺、平口钳。
四、实训的具体步骤与详细内容
1.零件工艺性分析
如图7-3所示,零件外形规则,被加工部分的各尺寸、形位、表面粗糙度要求较高。零件结构简单,包含了平面、圆弧、内外轮廓、挖槽。
2.工序与工步的划分
根据零件图样要求,制订零件的加工工序如下:
(1)粗铣削平面;
(2)精铣削平面;
(3)粗加工圆环;
(4)精加工圆环;
(5)点孔加工;
(6)钻孔加工六孔;
(7)铰加工六孔;
(8)粗加工花键轮廓槽;
(9)精加工花键轮廊槽。
3.零件装夹方案的制订
选用机用平口钳装夹。校正平口钳固定钳口,使之与工作台X轴移动方向平行。在工件下表面与平口钳之间放入精度较高的平行垫块(垫块厚度与宽度适当),利用木槌或铜棒敲击工件,使平行垫块不能移动后夹紧工件,利用寻边器找正工件X、Y轴的零点,零点位于上件表面中间,设置Z轴零点与机械原点重合,刀具长度补偿利用Z轴零点设置器设定。
4.刀具的选用
刀具选用如表7-3所示。
表7-3 刀具表

5.数控加工工序卡片的制定
数控加工工序卡片见表7-4。
表7-4 数控加工工序卡片24

6.加工程序编制
1)确定工件坐标系
根据加工零件图的要求和毛坯的装夹方式,确定工件坐标系,该坐标系的X轴平行于毛坯的长边,Y轴平行于毛坯的短边,零点设置在毛坯的中间,Z轴向上,零点设置在毛坯的上表面。
2)华中数控系统HNC-21M
%7002
N10 G54 G00 X0 Y0 Z100
N20 M03 S350(φ100 mm的端面盘铣刀粗加工)
N30 G00 G43 Z50 H01(1号刀长度补偿)
N40 X110 Y-10 M07
N50 Z0.3
N60 G01 X-110 F200
N70 Y10
N80 X110
N90 G00 Z150
N100 M05
N110 M00(φ100 mm的端面盘铣刀精加工)
N120 M03 S600
N130 X110 Y-10
N140 Z0
N150 G01 X-110 F200
N160 Y10
N170 X110
N180 G49 G00 Z100 M09(取消1号刀长度补偿)
N190 M05
N200 M00
N210 M06 T02(换2号刀粗加工圆环)
N220 G43 G00 Z5 H02(2号刀长度补偿)
N230 G00 X-60 Y-60
N240 Z0
N250 M98 P0005
N260 M98 P0002 D02 F80
N270 M98 P0005
N280 M98 P0002 D02 F80
N290 G00 Z5
N300 X0 Y0
N310 G01 Z0 F80
N320 G41 X20 Y0 D02(2号刀半径补偿D02)
N330 G03 Z-5 I-20 J0
N340 G03 I-20 J0
N350 G40 X0(取消2号刀半径补偿)
N360 G41 X20 Y0 D02(2号刀半径补偿)
N370 G03 Z-10 I-20 J0
N380 G03 I-20 J0
N390 G40 X0
N400 M03 S1000(2号刀精加工)
N410 G41 X20 Y0 F100 D07(2号刀半径补偿D07)
N420 G03 I-20 J0
N430 G40 X0
N440 G00 Z5
N450 G00 X-60 Y-60
N460 Z-10
N470 M98 P0002 D07 F100
N480 G00 Z10
N490 G49 Z100 M09(取消2号刀长度补偿)
N500 M05
N510 M00
N520 M06 T06(换6号刀粗加工)
N530 M03 S1000
N540 X0 Y0 M07
N550 G43 G00 Z5 H06(6号刀长度补偿)
N560 Z-5
N570 M98 P0004 D06 F80
N580 M03 S1200(6号刀精加工)
N590 M98 P0004 D08 F100
N600 G49 G00 Z100 M09
N610 M06 T03(3号刀钻中心孔)
N620 M03 S1200
N630 G43 G00 Z10 M07(3号刀长度补偿)
N640 G99 G81 X17 Y29.444 Z-3 R5 F120
N650 X-17
N660 X-34 Y0
N670 X-17 Y-29.444
N680 X17 Y-29.444
N690 X34 Y0
N700 X17 Y29.444
N710 G49 G00 Z100 M09(取消3号刀长度补偿)
N720 M05
N730 M00
N740 M06 T04(换4号刀钻孔)
N750 M03 S550
N760 G43 G00 Z10 M07(4号刀长度补偿)
N770 G99 G81 X17 Y29.444 Z-25 R5 F80
N780 X-17
N790 X-34 Y0
N800 X-17 Y-29.444
N810 X17 Y-29.444
N820 X34 Y0
N830 X17 Y29.444
N840 G49 Z100 M09(取消4号刀长度补偿)
N850 M05
N860 M00
N870 M06 T05(换5号刀铰孔)
N880 M03 S200
N890 G49 G00 Z10(4号刀长度补偿)
N900 G99 G81 X17 Y29.444 Z-3 R5 F30
N910 X-17
N920 X-34 Y0
N930 X-17 Y29.444
N940 X17 Y29.444
N950 X34 Y0
N960 X17 Y29.444
N970 G49 Z100 M09(取消5号刀长度补偿)
N980 X0 Y0
N990 M05
N1000 M30
O0004
N10 M98 P0003
N20 G68 X0 Y0 P60
N30 M98 P0003
N40 G69
N50 G68 X0 Y0 P120
N60 M98 P0003
N70 G69
N80 G68 X0 Y0 P180
N90 M98 P0003
N100 G69
N110 G68 X0 Y0 P240
N120 M98 P0003
N130 G69
N140 G68 X0 Y0 P300
N150 M98 P0003
N160 G69
N170 M99
O0002
N10 G41 G01 X-45
N20 G01 Y0
N30 G02 X-45 Y0 I45 J0
N40 G01 Y10
N50 G40 G00 X-60 Y-60
N60 M99
O0003(轮廓槽加工)
N10 G41 X8 Y10
N20 G01 Y45
N30 G03 X-8 R8
N40 G01 Y10
N50 G40 G00 X0 Y0
N60 M99
O0005(环槽加工)
N10 G91 Z-5
N20 G90 G01 X-55
N30 Y55
N40 X55
N50 Y-55
N60 X-60 Y-60
N70 M99
3)FANUC 0i-M数控系统
将HNC程序略作修改即可,修改如下。
(1)改程序头,将地址符“%”改为“O”。
(2)地址符中整数值后需要加点号,小数值不需要,如X-20.Y0.5 R3。
(3)每行程序结束时后面加上分号,如G00 X-20.Y0.5;。
(4)N20 G68 X0 Y0 R60。
(5)N50 G68 X0 Y0 R120。
(6)N80 G68 X0 Y0 R180。
(7)N110 G68 X0 Y0 R240。
(8)N140 G68 X0 Y0 R300。
实训任务三 孔系零件数控加工中心编程的综合实训
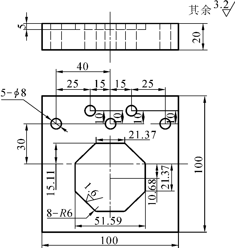
【例7-3】 用数控铣削加工中心完成如图7-4所示的孔系零件加工,工件外形尺寸为100 mm×100 mm×20 mm,上、下表面及其他表面均已加工,并符合尺寸与表面粗糙度要求,材料为45钢。按图样要求完成数控加工程序的编制。

图7-4 孔系零件
一、实训目的
(1)能够掌握孔系零件的基本加工工艺。
(2)正确使用钻、铣等加工刀具,合理选择加工用量。
(3)掌握加工中心典型数控系统常用固定循环指令的编程方法。
二、实训要求
(1)选用合理的刀具和加工用量,加工方案及加工路线正确,工序安排合理,程序科学正确。
(2)正确操作机床和工量具,加工的零件尺寸符合图纸要求。
(3)遵守安全操作规程。
三、实训条件
实训条件:FANUC 0i-M数控系统、XH713数控铣削加工中心、麻花钻、中心钻、立铣刀、游标卡尺、深度尺、平口钳。
四、实训的具体步骤与详细内容
1.零件工艺性分析
零件图纸中孔的尺寸和位置精度要求不是很高,属于次要加工型面。需注意的是根据孔的位置尺寸标注,可选用增量方式编程。另外,图纸中八方槽的尺寸要求较严格,属于重要的加工型面,在加工中要特别注意。在编写程序过程中要注意八方槽的中心与零件对称中心在Y轴上偏离有10.68 mm距离,编程前要注意坐标值的计算,而且八方的每个角都带有R0.5 mm的过渡圆弧,在铣削加工时可采用特殊编程方法以避免复杂计算。
2.工序与工步的划分
根据零件图样要求给出零件的加工工序,具体如下:
(1)用φ3 mm的中心钻钻定位;
(2)钻φ8 mm孔及预制孔;
(3)粗加工零件八方槽轮廓;
(4)精加工零件八方槽轮廓。
3.零件装夹方案的制订
零件选用平口虎钳装夹,装夹工件前需校正钳口,装夹工件时需在工件下表面与虎钳之间垫入精度较高的平行垫块。
工件装夹后,通过对刀建立工件坐标系G54。
工件坐标系确定在零件对称中心,Z轴工件零点确定在工件上表面。
4.刀具的选用
刀具的选用如表7-5所示。
表7-5 刀具表

5.数控加工工序卡片的制定
数控加工工序卡片见表7-6。
表7-6 数控加工工序卡片25

6.加工程序编制
1)确定工件坐标系
根据加工零件图的要求和毛坯的装夹方式,确定工件坐标系,该坐标系的X轴平行于毛坯的长边,Y轴平行于毛坯的短边,零点设置在毛坯的中间,Z轴向上,零点设置在毛坯的上表面。
2)华中数控系统HNC-21M
%7003
N10 G54 G40 G49 G80(第一工件坐标系,取消刀具补偿,取消循环指令)
N15 M06T01
N20 M03 S1500
N30 G00 G43 H01 Z100 M07(1号刀长度补偿)
N40 G99 G81 X0 Y-10.68 Z-2 R10 F50(钻中心孔)
N50 X-40 Y30
N60 G91 X25 Y10
N70 X15Y-10
N75 X15Y10
N80 X25 Y-10
N90 G49 G00 G90 Z200(取消1号刀长度补偿)
N100 M06 T02(换2号刀)
N110 S1000
N120 G00 G43 H02 Z100(2号刀长度补偿)
N130 G99 G81 X0 Y-10.68 Z-5 R10 F80(钻φ8 mm孔)
N140 X-40Y30 Z-25
N150 G91 X25 Y10
N160 X15Y-10
N170 X15 Y10
N180 X25 Y-10
N190 G43 G00 G90 Z200(取消2号刀长度补偿)
N200 M06 T03(换3号刀)
N210 S700
N220 G00 G43 H03 Z100(3号刀长度补偿)
N230 X0 Y-10.68
N240 Z10
N250 G01 Z-5 F50
N260 X15
N270 G03 I-15
N280 G00 G43 Z200(取消3号刀长度补偿)
N290 M06 T04(换4号刀)
N300 S1000
N310 G00 G43 H04 Z200
N320 X0 Y-10.68
N330 Z10
N340 G01 Z-5 F100
N350 G41 X5.795 D04(4号刀半径补偿)
N360 G03 X25.795 R10
N370 G01 Y0(精加工八方槽轮廓)
N380 X10.68 Y15.11
N390 X-10.685
N400 X-25.795 Y0
N410 Y-21.37
N420 X-10.685 Y-36.48
N430 X10.685
N440 X25.795 Y-21.37
N450 Y-10.68
N460 G03 X5.795 R10
N470 G01 G40 X0(取消4号刀半径补偿)
N480 M05
N490 M09
N500 M30
3)FANUC 0i-M数控系统
将HNC程序略作修改即可,修改如下。
(1)改程序头,将地址符“%”改为“O”。
(2)地址符中整数值后需要加点号,小数值不需要,如X-20.Y0.5 R3。
(3)每行程序结束时后面加上分号,如G00 X-20.Y0.5;。
【思考题】
7-1 编写如图7-5所示零件加工程序。

图7-5 零件示例1
7-2 编写如图7-6所示零件加工程序。

图7-6 零件示例2
7-3 编写如图7-7所示零件加工程序。

图7-7 零件示例3