1
电子基础实训教程
1.3.3.8 8.8 实践3:小型无线话筒的制作

8.8 实践3:小型无线话筒的制作

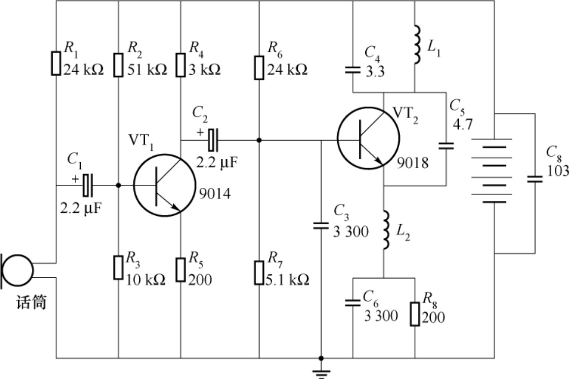
如图8-14所示是一个调频无线话筒电路。它可以做得体积很小,使用起来很方便。它的发射频率在88~108MHz范围内,用调频收音机或有调频波段的收音机都能接收,接收距离可以达到几十米。

img223

图8-14 无线话筒电路原理