1
电子基础实训教程
1.3.2.4.1 7.4.1 电路原理图

7.4.1 电路原理图

在许多电子线路和自动控制装置中都需要用到直流稳压电源供电。目前广泛采用由交流电源经整流、滤波和稳压而得到的直流稳压电源,其原理如图7-18所示。图中变压器初级绕组接交流220V电源,次级绕组二端得到的交流10V电压接单相桥式整流电路。VD1、VD2、VD3、VD44个二极管组成了单相桥式整流电路。整流后的电压是一个脉动的单方向电压,滤波电路中的电容(C1、C2、C3)利用充放电特性,将脉动的单方向电压、电流变换为比较平滑的电压、电流。但它往往还会随电网电压的波动或负载的变化而变化,稳压电路的作用就是使输出直流电压稳定。

img193

图7-18 直流电源的原理

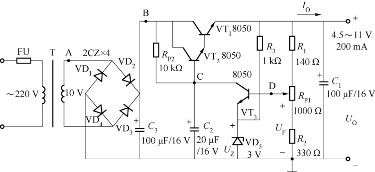
串联型稳压电源的基本电路如图7-19所示,整个电路由如下4部分组成。

img194

图7-19 稳压电源原理

①取样环节:由R1、RP1、R2组成的分压电路构成,它将输出电压UO分出一部分作为取样电压UF,送到比较放大环节。

②基准电压:由稳压管VD5和电阻R3构成的稳压电路提供一个稳定的基准电压UZ,作为调零比较的标准。调节RP即可调节输出电压UO的大小,但UO必定大于或等于UZ

③比较放大电路:由VT3、RP2构成的直流放大器组成,其作用是将取样电压UF与基准电压UZ之差放大后去控制调整管VT1

④调整环节:由工作在线性放大区的功率管VT1和推动管VT2组成,VT1的基极电流IB受比较放大器输出的控制,它的改变又可使集电极电流IC和集射极电压UCE改变,从而达到自动调整稳定输出电压的目的。