第五节 财务成果的核算
一、财务成果核算的主要内容
财务成果是指企业在一定时期内从事全部生产、经营活动所取得的利润或发生的亏损。它综合反映企业的生产、经营活动情况,是考核企业经营管理水平的一个综合指标。
工业企业的财务成果一般由以下三个部分构成:①营业利润(或亏损)。②投资净收益。③营业外收支净额。它是企业在一定会计期间所实现的各种收入(收益)扣除相关费用(支出等)以后的差额。如果收入小于费用,其差额为企业的亏损。
财务费用成果核算的内容,主要包括财务成果汇总的核算和财务成果分配的核算两个方面。财务成果的核算必须首先进行利润汇总,也就是计算利润总额和净利润。
利润的有关计算公式如下:
营业利润=营业收入-营业成本-营业税金及附加-销售费用-管理费用-财务费用-资产减值损失+公允价值变动收益(-公允价值变动损失)+投资收益(-投资损失)
利润总额=营业利润+营业外收入-营业外支出
企业取得了利润,必须向国家交纳所得税。因此净利润的计算公式如下:
净利润=利润总额-所得税费用
企业取得净利润,应根据国家有关规定和投资者的决议进行分配。利润分配,是将企业实现的净利润,按照国家财务制度规定的分配形式和分配顺序,在国家、企业和投资者之间进行的分配。利润分配的过程与结果,是关系到所有者的合法权益能否得到保护,企业能否长期、稳定发展的重要问题,为此,企业必须加强利润分配的管理和核算。
企业当年实现的净利润,一般应按下列顺序进行分配:
①弥补以前年度亏损。
②提取公积金和公益金。
③分配给投资者利润或股利。
由此可见,利润分配核算的主要内容是:按国家有关规定弥补以前年度亏损,其次,按国家规定或投资者的决议提取公积金和公益金,然后向投资者分配利润,最后,确定企业尚未分配的利润数额。
二、财务成果核算的账户设置
财务成果的汇总与分配主要通过“本年利润”和“利润分配”两个账户进行核算。同时,在进行财务成果核算的时候,还将涉及“营业外收入”、“营业外支出”、“所得税费用”、“盈余公积”、“应付股利”等账户。
(一)“本年利润”账户
所有者权益类账户,用以核算企业本期实现的净利润(或亏损)的账户。其贷方登记期末各损益收入类账户转入的数额,借方登记期末各损益支出类账户转入的数额,结转后,“本年利润”账户贷方发生额大于借方发生额的差额为贷方余额,即为本期实现的净利润,如为借方余额则为本期发生的亏损数。年度终了,将净利润从“本年利润”账户转入“利润分配”账户。如果是净利润,则借记“本年利润”贷记“利润分配”;如果为亏损,则贷记“本年利润”借记“利润分配”。结转后本账户应无余额。
“本年利润”账户的结构可用“T”形账户列示如下:

(二)“利润分配”账户
所有者权益类账户,用以核算企业利润的分配(或亏损的弥补)和历年分配(或弥补)后的未分配利润(或未弥补亏损)的账户。平时,其借方登记已分配的利润数,贷方一般不作登记。年末,将企业实现的净利润从“本年利润”账户转入“利润分配”账户贷方,若本年发生亏损,则将亏损额从“本年利润”账户转入“利润分配”账户借方;结转后本账户如为年末贷方余额,表示累计未分配利润,如为年末借方余额,表示累计未弥补亏损。
为了具体反映企业利润分配情况和未分配利润情况,本账户应设置“提取法定盈余公积”、“提取任意盈余公积”、“应付股利”、“未分配利润”等明细分类账户,进行明细分类核算。
①企业进行利润分配时,按规定提取盈余公积,应借记“利润分配——提取法定盈余公积”、“利润分配——提取任意盈余公积”,贷记“盈余公积——法定盈余公积”、“盈余公积——任意盈余公积”。
②企业进行利润分配时,向股东或投资者分配现金股利或利润等时,应借记“利润分配——应付股利”;贷记“应付股利”。
③进行利润分配后,再将“利润分配”账户所属其他明细账户的余额转入“利润分配——未分配利润”账户。结转后,本账户除“未分配利润”明细账户外,其他明细账户应无余额。若“未分配利润”明细账户余额在贷方表示留待以后年度分配的利润;若在借方,则表示尚未弥补的亏损。
“利润分配”账户的结构可用“T”形账户列示如下:

(三)“营业外收入”账户
损益类(收入)账户,用以核算与企业生产经营活动无直接关系的各项收入,主要包括非流动资产处置利得、非货币性资产交换利得、债务重组利得、政府补助、盘盈利得、捐赠利得等。其贷方登记确认的营业外收入,借方登记期末转入“本年利润”账户的营业外收入额,结转后该账户期末无余额。该账户应按营业外收入项目设置明细分类账户,进行明细分类核算。
“营业外收入”账户的结构可用“T”形账户列示如下:

(四)“营业外支出”账户
损益类(费用)账户,用以核算与企业生产经营活动无直接关系的各项支出,主要包括非流动资产处置损失、非货币性资产交换损失、债务重组损失、公益性捐赠支出、非常损失、盘亏损失等。其借方登记发生的营业外支出数额,贷方登记期末转入“本年利润”账户的营业外支出数,结转后该账户期末无余额。该账户应按营业外支出项目设置明细分类账户,进行明细分类核算。
“营业外支出”账户的结构可用“T”形账户列示如下:

(五)“所得税费用”账户
损益类(费用)账户,用以核算企业确认的应从当期利润总额中扣除的所得税费用。其借方登记企业计算的应交纳的所得税数额,贷方登记期末转入“本年利润”账户的所得税税额,结转后该账户期末无余额。该账户可按“当期所得税费用”、“递延所得税费用”进行明细核算。
“所得税费用”账户的结构可用“T”形账户列示如下:

(六)“盈余公积”账户
所有者权益类账户,用以核算企业盈余公积的提取、使用和结余情况的账户。其贷方登记提取的盈余公积数,借方登记盈余公积的使用数,期末贷方余额,表示盈余公积的结余数额。企业应当分别设置“法定盈余公积”、“任意盈余公积”等明细分类账户,进行明细分类核算。
“盈余公积”账户的结构可用“T”形账户列示如下:

(七)“应付股利”账户
负债类账户,用以核算企业对投资者的利润分配情况和实际支付情况的账户。其贷方登记企业计算出的应支付给投资者的利润数额,借方登记实际支付的利润数,期末贷方余额表示企业应付未付的利润或现金股利,该账户应按投资者设置明细分类账户,进行明细分类核算。
“应付股利”账户的结构可用“T”形账户列示如下:

三、财务成果的主要经济业务核算
(一)期间费用及营业外收支的核算
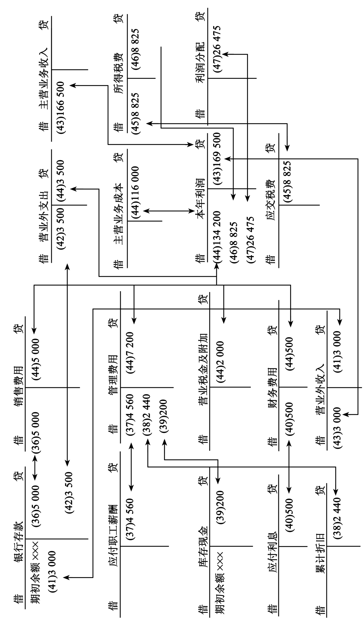
【例3-36】以银行存款支付本月承担的销售展览摊位费5000元。
应根据业务内容编制会计分录如下:
借:销售费用 5000
贷:银行存款 5000
【例3-37】计算本月应付企业行政管理部门人员的工资4000元,计提职工福利费560元。
应根据业务内容编制会计分录如下:
借:管理费用 4560
贷:应付职工薪酬——工资 4000
应付职工薪酬——职工福利 560
【例3-38】计提企业行政管理部门固定资产的折旧费2440元。
应根据业务内容编制会计分录如下:
借:管理费用 2440
贷:累计折旧 2440
【例3-39】用现金支付企业行政管理部门人员的交通费200元。
应根据业务内容编制会计分录如下:
借:管理费用 200
贷:库存现金 200
【例3-40】计提本月短期借款利息500元。
分析:该项业务的发生,一方面使企业的财务费用增加了500元,另一方面使企业的应付利息增加了500元。
应根据业务内容编制会计分录如下:
借:财务费用 500
贷:应付利息 500
【例3-41】企业接受某公司捐赠3000元,确认为企业的营业外收入。
分析:该项经济业务的发生,一方面使企业银行存款增加了3000元,另一方面使营业外收入增加了3000元。
应根据业务内容编制会计分录如下:
借:银行存款 3000
贷:营业外收入 3000
【例3-42】以银行存款3500元捐赠给希望小学。
分析:该项经济业务的发生,一方面使企业的银行存款减少了3500元,另一方面使营业外支出增加了3500元。
应根据业务内容编制会计分录如下:
借:营业外支出 3500
贷:银行存款 3500
(二)财务成果实现的核算
例如:某企业2009年12月期末的损益收入类与损益费用类账户的金额如表3-15所示。
表3-15 损益收入类与损益费用类账户的金额

【例3-43】12月31日,将各项损益类账户中的收入从有关账户转入“本年利润”账户。
分析:该项结转业务,引起所有者权益与收入项目发生增减变化。
应根据业务内容编制会计分录如下:
借:主营业务收入 166500
营业外收入 3000
贷:本年利润 169500
【例3-44】12月31日,将各项损益类账户中的费用支出从各有关账户转入“本年利润”账户。
分析:该项结转业务,引起所有者权益与费用项目发生增减变化。
应根据业务内容编制会计分录如下:
借:本年利润 134200
贷:主营业务成本 116000
营业税金及附加 2000
销售费用 5000
管理费用 7200
财务费用 500
营业外支出 3500
由上述例3-43与例3-44的核算可知,该企业12月份实现的利润总额为:
169500-134200=35300(元)。
【例3-45】按25%的所得税税率计算该企业12月份应交纳的所得税。
该企业12月份应交所得税计算如下:
35300×25%=8825(元)
分析:经济业务的发生,一方面使企业的应交税费增加了8825元,另一方面使所得税费用增加了8825元。
应根据业务内容编制会计分录如下:
借:所得税费用8825
贷:应交税费——应交所得税8825
【例3-46】12月31日将“所得税费用”账户余额结转到“本年利润”账户。
应根据业务内容编制会计分录如下:
借:本年利润 8825
贷:所得税费用 8825
所得税结转后,即可确定该企业2009年12月份实现的净利润为:
169500-143025=26475(元),为简便起见,假定该企业以前年度无亏损,也没有未分配利润,12月份的净利润为全年利润。
【例3-47】年度终了,结转“本年利润”账户。
应根据业务内容编制会计分录如下:
借:本年利润 26475
贷:利润分配——未分配利润 26475
在有关总分类账户中的登记情况,可用“T”形账户列示如下:


净利润形成过程总分类核算的勾稽关系如图3-4所示。

图3-4 净利润形成的总分类核算勾稽关系图
(三)财务成果分配的核算
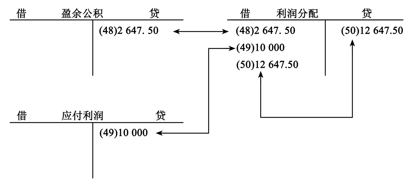
【例3-48】某企业按国家有关规定,根据净利润的10%提取法定盈余公积金2647.50元。
分析:该项经济业务的发生,一方面使企业利润减少了2647.50元,另一方面使盈余公积增加了2647.50元。
应根据业务内容编制会计分录如下:
借:利润分配——提取法定盈余公积 2647.50
贷:盈余公积——法定盈余公积 2647.50
【例3-49】企业决定,应分给投资者利润10000元。
分析:该项经济业务的发生,一方面使利润分配增加了10000元,另一方面使应付股利增加了10000元。
应根据业务内容编制会计分录如下:
借:利润分配——应付股利 10000
贷:应付股利 10000
【例3-50】年末,将“利润分配”账户下其他明细账户的期末余额转入“利润分配——未分配利润”明细账户。
应根据业务内容编制会计分录如下:
借:利润分配——未分配利润 12647.50
贷:利润分配——提取盈余公积 2647.50
——应付股利 10000
在有关总分类账户中的登记情况,可用“T”形账户列示如下:

其中:

净利润分配过程总分类核算的勾稽关系如图3-5所示。

图3-5 净利润分配过程总分类核算的勾稽关系图