7.3 开环伺服驱动系统
7.3.1 概述
图7-1-2是典型的开环伺服驱动系统。开环伺服系统中没有检测反馈装置。数控装置将工件加工程序处理后,输出数字指令信号给伺服驱动系统,驱动机床运动。但不检测运动的实际位置,即没有位置反馈信号。开环控制的伺服系统主要使用步进电机。插补器进行插补运算后,发出指令脉冲(又称进给脉冲),经驱动电路放大后,驱动步进电机转动。一个进给脉冲使步进电机转动一个角度,通过齿轮丝杠传动使工作台移动一定距离。
受步进电机的步距精度和工作频率以及传动机构的传动精度影响,开环伺服驱动系统的速度和精度都较低。但由于开环控制结构简单,调试方便,容易维修,成本较低,仍被广泛应用于经济型数控上。
7.3.2 开环步进伺服系统的脉冲分配器
图7-3-1是开环步进伺服系统中步进电机驱动原理图。图中脉冲信号源是一个脉冲发生器,脉冲的频率可以连续调整,送出的脉冲个数和脉冲频率由控制信号进行控制。在CNC系统中由数控装置根据程序控制脉冲个数和脉冲频率。脉冲分配器是将脉冲信号按一定顺序分配,然后送到驱动电路中并进行功率放大,驱动步进电机工作。

图7-3-1 步进电机驱动原理图
在开环步进伺服系统步进电机各励磁绕组按一定节拍,依次轮流通电工作,为此,需将控制脉冲按规定通电方式分配到定子各励磁绕组中。完成脉冲分配的功能元件称脉冲分配器。脉冲分配可由硬件实现,也可以用软件完成。
1.硬件脉冲分配器
脉冲分配器可用逻辑元件及其逻辑电路构成。图7-3-2是一个简单的三相六拍脉冲分配逻辑电路,它是由FF1,FF,FF三个D触发器组成。D触发器的特征方程是Qn+1=Dn。方程表明,D触发器的输出状态Q等于时钟脉冲CP到来前输入信号D的状态。图中S为D触发器的置“1”端,R为置“0”端。由图可以列出分配器的输入条件(驱动方程):

图7-3-2 三项六拍脉冲分配器
D1=Q2 D2=Q3 D3=Q1
运行时,先按一下复位开关,使电路进入初始状态:
A=Q1=1 B=Q2=0 C=Q3=0
D1=Q2=1 D2=Q3=1 D3=Q1=0
第一个时钟脉冲CP到来后:
A=Q1=1 B=Q2=1 C=Q3=0
D1=Q2=0 D2=Q3=1 D3=Q1=0
第二个时钟脉冲CP到来后:
A=Q1=0 B=Q2=1 C=Q3=0
D1=Q2=0 D2=Q3=1 D3=Q1=1
第三个时钟脉冲CP到来后:
A=Q1=0 B=Q2=1 C=Q3=1
D1=Q2=0 D2=Q3=0 D3=Q1=1
以此类推,可获得脉冲分配器的状态转换表,如表7-3-1。
由表7-3-1可知,脉冲分配器的分配顺序是A→AB→B→BC→C→CA→A→…可以使步进电机顺时方向转动。
表7-3-1 脉冲分配器状态转换表

目前,在驱动电路中大多采用可靠性高、外形尺寸小、使用方便的集成脉冲分配器。市场上提供的国产脉冲分配器有三相、四相、五相和六相,它们的型号分别是YB 013,YB 014,YB 015及YB 016。YB系列脉冲分配器均为18个管脚的直插式扁平封装的芯片。
图7-3-3a是YB013芯片的引线图。各管脚功能如下。
E0:选通输出控制,低电平有效。控制脉冲分配器是否输出顺序脉冲。
R:清零,低电平有效。输出脉冲前,对脉冲分配器清零,使其正常工作。
A0,A1:通电方式控制。若是A0,A1=0,0状态,脉冲分配器以三相单三拍方式工作;若是A0,A1=0,1状态,脉冲分配器以三相双三拍方式工作;若是A0=1状态,脉冲分配器以三相六拍方式工作。

图7-3-3 YB013三相六拍接线图
选通输入控制,低电平有效。决定控制指令起作用的时刻。
CP:时钟输入。
△:正、反转控制端。决定步进电机旋转方向。
S:出错报警输出。某控制信号出错或脉冲分配器运行错误时,该端口发出报警信号。
图7-3-3b是YBO13三相六拍接线图。图中R是清零信号,低电平清零,恢复高电平时,脉冲分配器工作。时钟CP的上升沿使脉冲分配器改变输出状态,因此CP的频率决定了步进电机的转速。P端控制步进电机的转向:P=1时为正转,P=0时为反转。
2.软件脉冲分配器
在微机控制系统中,脉冲的分配常用软件实现。图7-3-4是8031单片机控制步进电机的控制电路。8031单片机的P1口作为输出口,用程序实现脉冲分配功能。因为控制对象是三相步进电机,所以只需三个端口P1.0,P1.1,P1.2。三个端口输出的脉冲信号,经光电隔离电路,再由驱动电路放大后驱动步进电机运转。在外部设置两个开关K1和K2,开关K1控制步进电机的启动和停止,开关K2控制步进电机的正转和反转。将P3.0和P3.1设置成输入口,分别连接开关K1和K2。当P3.0口输入高电平时,电机启动,输入是低电平时,电机停止。当P3.1口输入高电平时,电机正转,输入低电平时,电机反转。

图7-3-4 步进电机的单片机控制电路
由P1口输出控制信号的状态字,即可控制电机的正反转。状态字由D0~D7八位构成,因为被控制的步进电机是三相电机,故只用D0~D2三位,D3~D7位取0。例如,若三相步进电机的A相通电,B相和C相断电时,状态字的组成结构是00000001,用16进制表示为01H。同理,若是C相和A相通电,B相断电时,状态字的结构是00000101,用16进制表示为05H。用同样的道理,我们可以推出步进电机正转和反转时全部状态字的结构,见表7-3-2。
表7-3-2 状态字表

由表7-3-2中可以看出,步进电机第一个状态字为01H,从上到下输出状态字时,步进电机正转。从正转最后一个状态字05H之后,加上反转的第一个状态字01H,此时从下向上输出状态字时,步进电机反转。这样,状态字只占用七个存储单元,而不是十二个,就能实现对步进电机的正反控制,如图7-3-5所示。根据状态字在存储器的地址以及读取状态字的顺序,可以绘出步进电机恒速控制流程图,如图7-3-6所示。根据流程图可编写出步进电机正反转控制程序。

图7-3-5 状态字在存储器中存放示意图

图7-3-6 步进电机恒速控制流程图
流程图的含义是:计算机先读出P3口的状态,若P3.0为“0”时,表示开关K1关闭,故转为停机状态;若P3.0为“1”,P3.1也为“1”,要求步进电机正转,此时让地址指针指向2400H;接着设定六拍输出;首先,取出状态字01H作为控制信号由P1口输出给步进电机,电机转过一个步距角;调延时子程序,完成一拍延时;地址指针加1,指向2401H;判断六拍是否执行完毕,若没有完,返回输出控制信号处,直至六拍执行完毕;六拍结束后,返回到程序起点,查询P3口状态,如果开关K1,K2位置不变,则程序循环运行,步进电机保持恒速运转;如果K1置“0”,转入停机;如果K1置“1”,K2置“0”,转入反转程序。
反转程序运行和正转程序运行相似,只是地址指针设置指向2406H,并且每完成一拍后,地址指针减1。
延时子程序的长短决定了步进电机运行一拍的时间,从而控制了步进电机的转速。
7.3.3 开环步进伺服系统的驱动电路
在数控机床中,微型计算机根据加工程序中进给速度及坐标值输出脉冲,并依次将脉冲分配给步进电机的各相绕组。由于微机发出的脉冲功率很小,电压3V,电流为mA级,不能直接驱动步进电机。必须经驱动电路将信号电流放大到若干倍,才能驱动步进电机。因此,驱动电路实际上是一个功率放大器。
驱动电路的质量直接影响步进电机的性能。对驱动电路的主要要求是,信号失真要小,脉冲电源要有较好的前沿、后沿和足够幅值,效率要高。常用的电路有单电源驱动电路、高低压双电源驱动电路和恒流斩波驱动电路。下面只对单电源驱动电路作简单介绍。
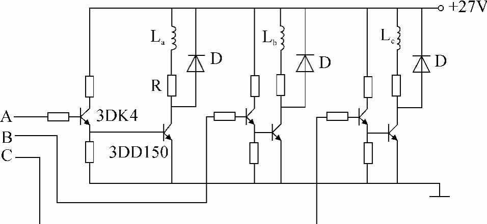
图7-3-7是一实际应用的单电源驱动电路,图中的La,Lb,Lc分别是步进电机的三相绕组,每相绕组由一组放大电路驱动,所以,驱动电路由三组放大电路组成。三组放大电路的结构完全相同,现以A组放大电路为例说明驱动电路的结构及原理。

图7-3-7 单电源驱动电路
由A端输入的脉冲信号为高电平时,输入信号使开关管3DK4饱和导通。开关管3DK4的发射极电压加在功率放大管3DD15D的基极,使其导通。此时+27V的电源导通,电流经步进电机La绕组、电阻R和功放管3DD15D接地,输入信号被放大。如果A端输入的脉冲信号为低电平时,开关管3D4K和功放管3DD15D均截止,电机绕组La无电流通过。因为驱动放大电路放大的是脉冲信号,因此,也叫脉冲放大器。
如果把脉冲信号按相序输送到A,B和C,则三组放大电路依次工作。当第一个脉冲输入到A时,两个三极管均饱和导通,La有电流通过,电机转动一步;当第二个脉冲输入到B时,Lb有电流通过,电机再转动一步;当第三个脉冲输入到C时,Lc有电流通过,电机又转动一步。如此不断循环,电机就会一步一步连续转动。这就是三相单三拍通电方式。
图中二极管D是续流二极管,用来泄放电感绕组L中储存的能量,从而保护功放管免遭击穿损坏。R为限流电阻,限制通过电机绕组的电流,使其不致超过额定值,避免电机发热烧毁。R的阻值在5~20Ω范围内选取。
该电路结构简单。由于R串联在大电流输出回路中,要消耗一定的能量,因此发热严重,效率低。这种驱动电路通常用在对速度要求不高的小型步进电机中。