5.4 数控系统的硬件结构
数控系统是由输入输出装置、计算机数字控制装置(CNC单元)、主轴控制单元和进给伺服驱动系统、机床电气逻辑控制装置(PLC)组成,而这几个部分都通过I/O接口进行互联。数控装置是数控系统的控制核心,其硬件和软件实现各种数控功能,它具有与数控系统其他组成部分的接口;输入/输出装置一般采用数控面板和其他常规输入/输出装置(如纸带阅读机、盒式磁带录音机等),用以输入数控数据,监控数控系统的运行;驱动控制装置一般是以轴为单位的独立模块,用以控制各个轴的运动,其中进给轴的位置控制部分常在数控装置中以硬件位置控制模板或软件位置调节器实现,即由数控装置接收实际位置反馈信号,将其与插补计算出的指令位置相比较,通过位置调节作为轴位置控制给定量,再输出给伺服驱动系统;机床电气逻辑控制装置接收数控装置发出的数控辅助功能控制指令,进行机床操作面板及各种机床机电控制/监测机构的逻辑处理和监控,并为数控装置提供机床状态和有关应答信号,在现代数控系统中机床电气逻辑控制装置已经由可编程序控制器(PLC)取代。
5.4.1 数控系统中的接口
在制造系统中,数控系统硬件部分之间的接口按功能可以分为三大类:①数控装置与上位系统之间的接口;②数控装置与人机交互设备之间的接口;③数控装置与下位系统之间的接口。
如图5-4-1所示,将制造系统分为了几个模块,而几个模块之间有接口互联。上位系统是DNC系统、FMS系统、CIMS系统的单元或上位计算机,它一方面为数控系统进行数控加工程序和刀具数据等做准备,另一方面对数控系统进行远程控制,数控系统可以将修改过的程序、系统状态、故障和报警信号等信息传送给上位系统;数控系统与用户之间进行信息交互的设备可以是键盘、操作面板的按键按钮、显示器和手轮等,通过这些设备可以进行人工的数控数据的输入、数控系统的操作和加工控制,数控装置通过显示器向用户显示数控系统的工作状态和相关数据;下位系统指的是驱动和执行机构、检测元件和机床电器控制器,它们接受数控系统的位置、速度、驱动电流给定以及开关功能控制信号,并向数控系统反馈系统实际位置、过程数据和故障报告等。

图5-4-1 在制造系统中数控装置的功能接口
具体地来讲,数控装置与上位系统的连接一般通过串行接口(RS232,RS422等)进行点到点的连接,数控装置与外部编程系统的连接也采用串行接口。数控面板通过键盘接口和显示控制接口与数控系统相连,机床操作面板及其他二进制形式的开关量和应答信号通过开关量I/O接口与数控装置相连。数控装置与进给轴和主轴的驱动接口一般可以采用±10V模拟量接口(对于模拟量驱动的数控系统而言)。按照不同的传感器类型与传感器的连接常常使用开关量输入接口,或采用模拟量接口。内装式PLC作为数控装置内部的一个功能模块,通过内部系统总线与其他功能模块相连,外置式PLC可以通过电缆与数控装置相连,也可以与数控装置的串行通信接口相连。
5.4.2 数控装置的硬件结构
数控装置是数控系统的核心,其硬件结构按CNC装置中微处理器的个数可以分为单微处理器结构和多微处理器结构;按CNC装置中各印刷电路板的插接方式可以分为大板式结构和功能模块式结构。
1.单微处理器结构和多微处理器结构
(1)单微处理器结构 在单微处理器结构的CNC中,只有一个微处理器,其他功能部件,包括存储器、各种接口、位置控制器等都通过总线与微处理器相连,采用集中控制、分时处理各个任务。在这种结构的CNC装置中,所有的数控功能和管理功能都由一个微处理器来完成,因此CNC装置的功能将受到微处理器的字长、数据宽度、寻址能力和运算速度等因素的限制。
(2)多微处理器结构 多微处理器结构数控装置中有两个或两个以上微处理器。现在使用的多微处理器系统有三种不同的结构,即主从式系统、总线式多主CPU系统和分布式系统。
如图5-4-2所示是一个主从式系统,它有一个微处理器为主微处理器,其他为从微处理器,各微处理器也都是完整而独立的系统。但是只有主微处理器能控制总线,并访问总线上的资源,主微处理器通过总线对从微处理器进行控制、监视,并协调多个微处理器系统的操作;从微处理器只能被动地执行主微处理器发出的指令,或完成一些特定的功能,不能与主微处理器一起进行系统的决策和规划工作,只能访问自己的局部资源,一般不能访问总线上的资源。主、从微处理器间的通信可以通过I/O接口进行应答,也可以通过自己的总线读/写同一个存储器。
如图5-4-3所示是一个总线式多主CPU系统,它有一个并行主总线连接着多个微处理器系统,每个CPU可以直接访问所有系统资源,包括上述并行总线、总线上的全局存储器及I/O接口,同时还允许自由而独立地使用各自的所有资源,例如局部存储器、局部I/O接口等。各微处理器从逻辑上不分主次。这样需要在系统中加入总线仲裁器以解决多个CPU争用并行总线的问题,它为各个CPU分配了使用总线的优先级,这样在任何时刻只有总线优先级最高的CPU可以使用总线。

图5-4-2 主从式多微处理器系统结构

图5-4-3 总线式多主CPU系统结构
如图5-4-4所示是一个分布式系统,其中每个CPU与自己的局部存储器和I/O组成一个完整而独立的系统。各CPU之间通过一条外部的通信链路连接在一起,它们之间的联系以及对共享资源的使用都要通过网络技术来实现。
目前计算机技术飞速发展,微处理机的性价比也越来越高,因此CNC装置多采用多处理器结构。在CNC装置内部,一般采用主从式和总线式多主CPU结构。数控装置与伺服装置、PLC、传感器等的连接可以采用分布式多处理器结构。
2.大板式结构和功能模块式结构
(1)大板式结构 大板式结构CNC系统的CNC装置有主电路板、位置控制板、PLC板、图形控制板和电源等组成。主电路板是大印刷电路板,其他电路板是小印刷电路板,它们插在大印刷电路板上的插槽内共同组成CNC装置。图5-4-5为大板式结构示意图。

图5-4-4 分布式多微处理器系统结构

图5-4-5 大板式结构示意图
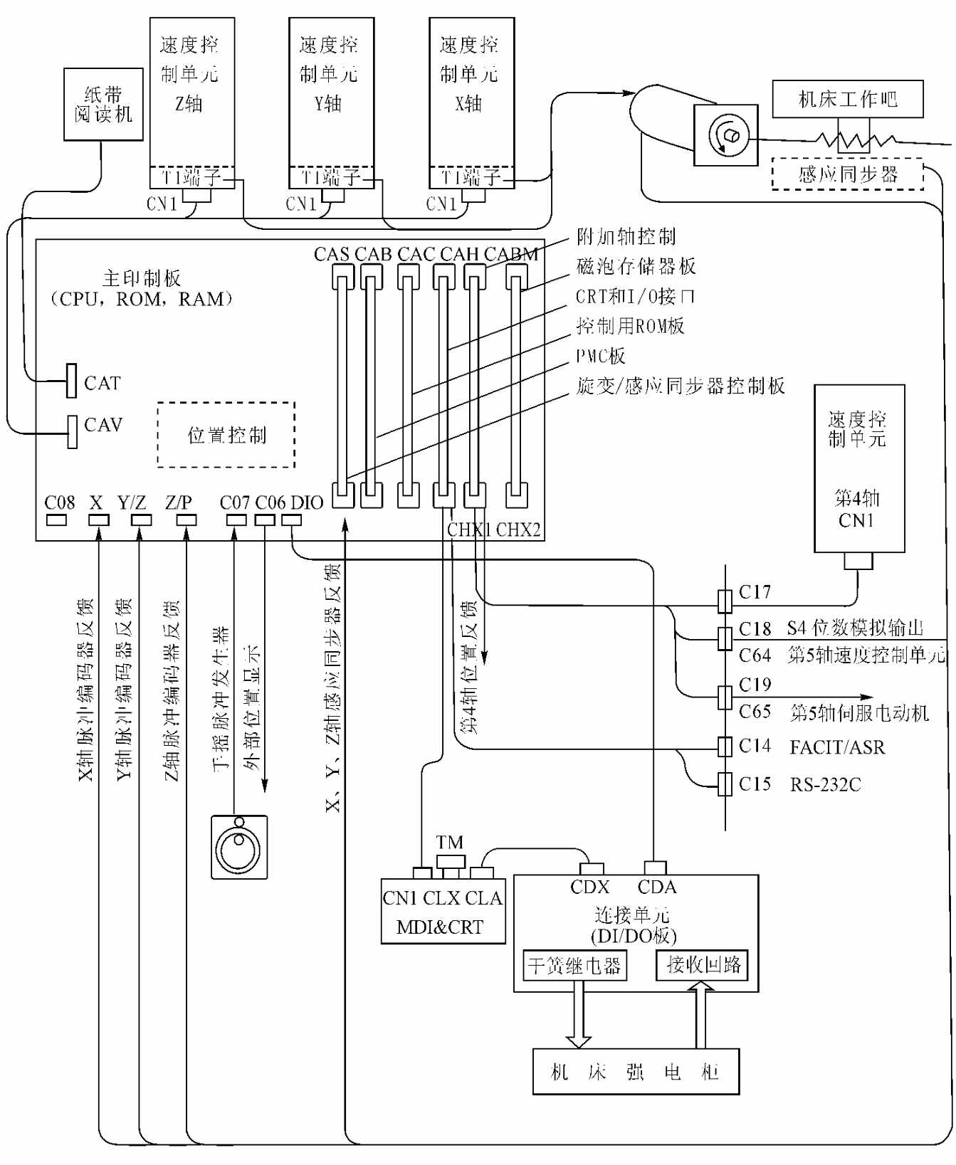
FANUC CNC 6MB就采用了这种大板式结构,其框图如图5-4-6所示。图中主电路板(大印刷电路板)上有控制核心电路、位置控制电路、纸带阅读器接口、三个轴的位置反馈量输入接口和速度控制量输出接口、手摇脉冲发生器接口、I/O扩展板接口和六个小印刷电路板的插槽。控制核心电路为微机基本系统,由CPU、存储器、定时和中断控制电路组成。存储器包括ROM和RAM,ROM(常用EPROM)用于固化数控系统软件,RAM用于存放可变数据,如堆栈数据和控制软件暂存数据等。数控加工程序和系统参数的可变数据的存储区域应具有掉电保护功能(如磁泡存储器和带电池的RAM),这样当主电源不供电时,能保持其信息不丢失。六个插槽内可分别插入用于保存数控加工程序的磁泡存储器板、附加轴控制板、CRT显示控制和I/O接口、扩展存储器板、可编程序控制器PMC板和传感器控制板等。

图5-4-6 FANUC CNC 6MB框图
(2)功能模块式结构 在采用功能模块式结构的CNC装置中,整个CNC装置按功能划分为模块,硬件和软件的设计都采用模块化设计方法,每个功能模块被做成尺寸相同的印刷电路板(称为功能模块),而相应功能模块的控制软件也模块化。这样形成一个交钥匙CNC系统产品系列,用户只要按需要选用各种控制单元母板及所需功能模块,再将各功能模板插入控制单元母板的槽内,就搭成了自己需要的CNC系统控制装置。常见的功能模板有CNC控制板、位置控制板、PLC板、图形板和通信板等。
图5-4-7为西门子公司的SINUMERIK 840C系统组成框图,其中中央控制器由各种模块化的单元组成,包括主电源模块、中央服务板(CSB)、测量模块、NC模块、PLC模块、扩展EU模块、人机控制器(MMC)及其接口模块等。这些模块装在统一的框架上,拆装非常方便。用电缆将这些模块与外设(CRT/MDI、操作面板、传动装置、编码器、数据的输入输出设备等)相连,构成一个大的系统。

图5-4-7 SINUMERIK 840C功能模块式系统框图